BOSCH Schraube 3,9x16 | Ersatzteile für AQUATAK 1350 | F016F03026

Artikelnummer: EB-0600874103-F016F03026

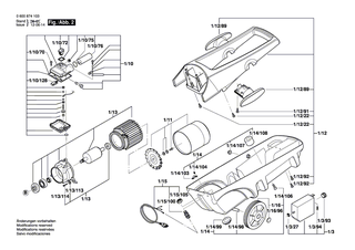
Position: 1/10/70

Marke: BOSCH


Bitte Kompatibilität prüfen!

Bitte prüfen Sie unbedingt die 10-stellige Typennummer Ihrer Maschine / Ihres Gerätes. Das Ersatzteil ist nur kompatibel, wenn Sie die Typennummer Ihrer Maschine in der unten stehenden Produktbeschreibung finden.

Bitte prüfen Sie ebenfalls detailliert die Explosionszeichnung mit Ihrem Artikelwunsch und der jeweiligen Pos-Nummer.

Alle Elemente, welche vom schwarzen Strich der Pos-Nummer ausgehend berührt / erfasst werden, gehören zu dieser Pos-Nummer und somit zu diesem Artikel. Jede Pos-Nummer ist ein eigenständiger Artikel, welchen Sie in der Auflistung finden.

Sie erhalten stets die aktuellste, neueste Produktversion zu der gewählten Pos-Nummer seitens des Herstellers. Es kann daher je nach Gerätealter vorkommen, dass Sie ggf. weitere, zugehörige Elemente, welche an diese Pos-Nummer grenzen, ebenfalls mittauschen müssen.

Nähere Informationen finden Sie unter dem Link
Hinweise zu Ihrer BOSCH Ersatzteilsuche

Preisübersicht

Einzelpreis: 3,49 €* (Brutto: 4,15 €)
Gesamtpreis: 3,49 €* 
Position:

Lieferzeit: 5 Werktage


Beschreibung

  • Schraube 3,9x16
  • Original Bosch Zubehör / BOSCH Ersatzteil (F016F03026)
  • im Gerät verbaut: 2
Dieses BOSCH Ersatzteil ist mit folgendem Gerät und Modell kompatibel:
  • BOSCH Gerätename: AQUATAK 1350
  • BOSCH Explosionszeichnung: Position 1/10/70
  • BOSCH Typennummer: 0600874103
  • BOSCH Typennummer alternative Schreibweisen: 0 600 874 103, 0600 874 103, 0.600.874.103, 0-600-874-103
    Bitte prüfen Sie diese Typennummer auf Ihrem Gerät um die Kompatibilität des BOSCH Ersatzteils zu gewährleisten.
Weitere BOSCH Ersatzteile des Gerätes AQUATAK 1350 (Hochdruckreiniger) mit der Typennummer 0600874103 finden Sie in der nachfolgenden Darstellung und im Dropdown zu Ihrer Auswahl:

Pos.
1/1
BOSCH Schutzdeckel | Ersatzteile für AQUATAK 1350 | F016F03551
Hersteller: BOSCH
Artikelnummer: EB-0600874103-F016F03551
Netto: 47,09 € zzgl. MwSt.
zzgl. 6,90 € Versand (brutto)
einmalig pro Bestellung

Lieferzeit: 5 Werktage

Pos.
1/10/72
BOSCH Schalter | Ersatzteile für AQUATAK 1350 | F016F03023
Hersteller: BOSCH
Artikelnummer: EB-0600874103-F016F03023
nur Informationsartikel
Nie mehr lieferbar
keine Alternativen
Pos.
1/10/76
BOSCH Entstörkondensator | Ersatzteile für AQUATAK 1350 | F016F04108
Hersteller: BOSCH
Artikelnummer: EB-0600874103-F016F04108
nur Informationsartikel
Nie mehr lieferbar
keine Alternativen
Pos.
1/12/89
BOSCH Handgriff | Ersatzteile für AQUATAK 1350 | F016F03078
Hersteller: BOSCH
Artikelnummer: EB-0600874103-F016F03078
nur Informationsartikel
Nie mehr lieferbar
keine Alternativen
Pos.
1/12/92
BOSCH Schraube | Ersatzteile für AQUATAK 1350 | F016F03080
Hersteller: BOSCH
Artikelnummer: EB-0600874103-F016F03080
nur Informationsartikel
Nie mehr lieferbar
keine Alternativen
Pos.
1/13/113
BOSCH Vorlegscheibe | Ersatzteile für AQUATAK 1350 | F016F03083
Hersteller: BOSCH
Artikelnummer: EB-0600874103-F016F03083
nur Informationsartikel
Nie mehr lieferbar
keine Alternativen
Pos.
1/14/103
BOSCH Klemmstück | Ersatzteile für AQUATAK 1350 | F016F03035
Hersteller: BOSCH
Artikelnummer: EB-0600874103-F016F03035
nur Informationsartikel
Nie mehr lieferbar
keine Alternativen
Pos.
1/15/100
BOSCH Kabelhalter | Ersatzteile für AQUATAK 1350 | F016F03089
Hersteller: BOSCH
Artikelnummer: EB-0600874103-F016F03089
nur Informationsartikel
Nie mehr lieferbar
keine Alternativen
Pos.
1/15/105
BOSCH Mutter | Ersatzteile für AQUATAK 1350 | F016F03090
Hersteller: BOSCH
Artikelnummer: EB-0600874103-F016F03090
nur Informationsartikel
Nie mehr lieferbar
keine Alternativen
Pos.
1/3/27
BOSCH Klammer | Ersatzteile für AQUATAK 1350 | F016F03065
Hersteller: BOSCH
Artikelnummer: EB-0600874103-F016F03065
nur Informationsartikel
Nie mehr lieferbar
keine Alternativen
Pos.
1/8
BOSCH Gehäuse | Ersatzteile für AQUATAK 1350 | F016F03068
Hersteller: BOSCH
Artikelnummer: EB-0600874103-F016F03068
nur Informationsartikel
Nie mehr lieferbar
keine Alternativen
Pos.
1/8/52
BOSCH O-Ring | Ersatzteile für AQUATAK 1350 | F016F03556
Hersteller: BOSCH
Artikelnummer: EB-0600874103-F016F03556
nur Informationsartikel
Nie mehr lieferbar
keine Alternativen
Pos.
1/8/81
BOSCH Schraube | Ersatzteile für AQUATAK 1350 | F016F03069
Hersteller: BOSCH
Artikelnummer: EB-0600874103-F016F03069
nur Informationsartikel
Nie mehr lieferbar
keine Alternativen
Pos.
2/6
BOSCH Düse | Ersatzteile für AQUATAK 1350 | F016F03552
Hersteller: BOSCH
Artikelnummer: EB-0600874103-F016F03552
nur Informationsartikel
Nie mehr lieferbar
keine Alternativen
Pos.
2/8
BOSCH Strahlrohr | Ersatzteile für AQUATAK 1350 | F016F03554
Hersteller: BOSCH
Artikelnummer: EB-0600874103-F016F03554
nur Informationsartikel
Nie mehr lieferbar
keine Alternativen
Pos.
1/1/24
BOSCH Rückhalteblech | Ersatzteile für AQUATAK 1350 | F016F03063
Hersteller: BOSCH
Artikelnummer: EB-0600874103-F016F03063
Netto: 3,63 € zzgl. MwSt.
zzgl. 6,90 € Versand (brutto)
einmalig pro Bestellung

Lieferzeit: 5 Werktage

Pos.
1/10
BOSCH Schalter | Ersatzteile für AQUATAK 1350 | F016F03074
Hersteller: BOSCH
Artikelnummer: EB-0600874103-F016F03074
nur Informationsartikel
Nie mehr lieferbar
keine Alternativen
Pos.
1/10/128
BOSCH Schalter 20A | Ersatzteile für AQUATAK 1350 | F016F03020
Hersteller: BOSCH
Artikelnummer: EB-0600874103-F016F03020
Netto: 10,92 € zzgl. MwSt.
zzgl. 6,90 € Versand (brutto)
einmalig pro Bestellung

Lieferzeit: 5 Werktage

Pos.
1/10/70
BOSCH Schraube 3,9x16 | Ersatzteile für AQUATAK 1350 | F016F03026
Hersteller: BOSCH
Artikelnummer: EB-0600874103-F016F03026
Netto: 3,49 € zzgl. MwSt.
zzgl. 6,90 € Versand (brutto)
einmalig pro Bestellung

Lieferzeit: 5 Werktage

Pos.
1/10/75
BOSCH O-Ring 37,82x1,78 | Ersatzteile für AQUATAK 1350 | F016F03024
Hersteller: BOSCH
Artikelnummer: EB-0600874103-F016F03024
Netto: 3,60 € zzgl. MwSt.
zzgl. 6,90 € Versand (brutto)
einmalig pro Bestellung

Lieferzeit: 5 Werktage

Pos.
1/11
BOSCH Teilesatz | Ersatzteile für AQUATAK 1350 | F016F03076
Hersteller: BOSCH
Artikelnummer: EB-0600874103-F016F03076
Netto: 26,88 € zzgl. MwSt.
zzgl. 6,90 € Versand (brutto)
einmalig pro Bestellung

Lieferzeit: 5 Werktage

Pos.
1/12
BOSCH Gehäuse | Ersatzteile für AQUATAK 1350 | F016F03077
Hersteller: BOSCH
Artikelnummer: EB-0600874103-F016F03077
Netto: 38,40 € zzgl. MwSt.
zzgl. 6,90 € Versand (brutto)
einmalig pro Bestellung

Lieferzeit: 5 Werktage

Pos.
1/12/91
BOSCH Schraube 4x16 | Ersatzteile für AQUATAK 1350 | F016F03079
Hersteller: BOSCH
Artikelnummer: EB-0600874103-F016F03079
Netto: 3,50 € zzgl. MwSt.
zzgl. 6,90 € Versand (brutto)
einmalig pro Bestellung

Lieferzeit: 5 Werktage

Pos.
1/12/92
BOSCH Schraube 4,8x22 C/R ZN | Ersatzteile für AQUATAK 1350 | F016F03062
Hersteller: BOSCH
Artikelnummer: EB-0600874103-F016F03062
Netto: 3,63 € zzgl. MwSt.
zzgl. 6,90 € Versand (brutto)
einmalig pro Bestellung

Lieferzeit: 5 Werktage

Pos.
1/13
BOSCH Elektromotor | Ersatzteile für AQUATAK 1350 | F016F03081
Hersteller: BOSCH
Artikelnummer: EB-0600874103-F016F03081
Netto: 270,89 € zzgl. MwSt.
zzgl. 6,90 € Versand (brutto)
einmalig pro Bestellung

Lieferzeit: 5 Werktage

Pos.
1/13/114
BOSCH Schraube M6x22 | Ersatzteile für AQUATAK 1350 | F016F03084
Hersteller: BOSCH
Artikelnummer: EB-0600874103-F016F03084
Netto: 3,75 € zzgl. MwSt.
zzgl. 6,90 € Versand (brutto)
einmalig pro Bestellung

Lieferzeit: 5 Werktage

Pos.
1/14
BOSCH Gehäuse | Ersatzteile für AQUATAK 1350 | F016F03085
Hersteller: BOSCH
Artikelnummer: EB-0600874103-F016F03085
Netto: 45,85 € zzgl. MwSt.
zzgl. 6,90 € Versand (brutto)
einmalig pro Bestellung

Lieferzeit: 5 Werktage

Pos.
1/14/104
BOSCH Schraube 4,8x16 ZINC | Ersatzteile für AQUATAK 1350 | F016F03034
Hersteller: BOSCH
Artikelnummer: EB-0600874103-F016F03034
Netto: 3,63 € zzgl. MwSt.
zzgl. 6,90 € Versand (brutto)
einmalig pro Bestellung

Lieferzeit: 5 Werktage

Pos.
1/14/106
BOSCH Schraube M8x30 | Ersatzteile für AQUATAK 1350 | F016F03088
Hersteller: BOSCH
Artikelnummer: EB-0600874103-F016F03088
Netto: 3,94 € zzgl. MwSt.
zzgl. 6,90 € Versand (brutto)
einmalig pro Bestellung

Lieferzeit: 5 Werktage

Pos.
1/14/107
BOSCH Beilegring 20x12,5 | Ersatzteile für AQUATAK 1350 | F016F03036
Hersteller: BOSCH
Artikelnummer: EB-0600874103-F016F03036
nur Informationsartikel
Nie mehr lieferbar
keine Alternativen
Pos.
1/14/108
BOSCH Beilegring | Ersatzteile für AQUATAK 1350 | F016F03038
Hersteller: BOSCH
Artikelnummer: EB-0600874103-F016F03038
nur Informationsartikel
Nie mehr lieferbar
keine Alternativen
Pos.
1/14/98
BOSCH Spindel | Ersatzteile für AQUATAK 1350 | F016F03086
Hersteller: BOSCH
Artikelnummer: EB-0600874103-F016F03086
nur Informationsartikel
Nie mehr lieferbar
keine Alternativen
Pos.
1/14/99
BOSCH Mutter 3/4 FLANG.NYL | Ersatzteile für AQUATAK 1350 | F016F03087
Hersteller: BOSCH
Artikelnummer: EB-0600874103-F016F03087
Netto: 4,53 € zzgl. MwSt.
zzgl. 6,90 € Versand (brutto)
einmalig pro Bestellung

Lieferzeit: 5 Werktage

Pos.
1/15
BOSCH Netzanschlussleitung | Ersatzteile für AQUATAK 1350 | F016F03044
Hersteller: BOSCH
Artikelnummer: EB-0600874103-F016F03044
nur Informationsartikel
Nie mehr lieferbar
keine Alternativen
Pos.
1/16
BOSCH Rad | Ersatzteile für AQUATAK 1350 | F016F03091
Hersteller: BOSCH
Artikelnummer: EB-0600874103-F016F03091
nur Informationsartikel
Nie mehr lieferbar
keine Alternativen
Pos.
1/16/96
BOSCH Verschlusskappe | Ersatzteile für AQUATAK 1350 | F016F03092
Hersteller: BOSCH
Artikelnummer: EB-0600874103-F016F03092
Netto: 4,45 € zzgl. MwSt.
zzgl. 6,90 € Versand (brutto)
einmalig pro Bestellung

Lieferzeit: 5 Werktage

Pos.
1/17
BOSCH Ventil | Ersatzteile für AQUATAK 1350 | F016F03054
Hersteller: BOSCH
Artikelnummer: EB-0600874103-F016F03054
Netto: 11,92 € zzgl. MwSt.
zzgl. 6,90 € Versand (brutto)
einmalig pro Bestellung

Lieferzeit: 5 Werktage

Pos.
1/2
BOSCH Steuerkopf | Ersatzteile für AQUATAK 1350 | F016F03064
Hersteller: BOSCH
Artikelnummer: EB-0600874103-F016F03064
Netto: 67,29 € zzgl. MwSt.
zzgl. 6,90 € Versand (brutto)
einmalig pro Bestellung

Lieferzeit: 5 Werktage

Pos.
1/2/34
BOSCH O-Ring 12,42x1,78 MM | Ersatzteile für AQUATAK 1350 | F016F03486
Hersteller: BOSCH
Artikelnummer: EB-0600874103-F016F03486
Netto: 3,63 € zzgl. MwSt.
zzgl. 6,90 € Versand (brutto)
einmalig pro Bestellung

Lieferzeit: 5 Werktage

Pos.
1/2/35
BOSCH O-Ring 14,0x1,78 MM | Ersatzteile für AQUATAK 1350 | F016F03487
Hersteller: BOSCH
Artikelnummer: EB-0600874103-F016F03487
Netto: 3,63 € zzgl. MwSt.
zzgl. 6,90 € Versand (brutto)
einmalig pro Bestellung

Lieferzeit: 5 Werktage

Pos.
1/2/45
BOSCH Vorlegscheibe | Ersatzteile für AQUATAK 1350 | F016F03482
Hersteller: BOSCH
Artikelnummer: EB-0600874103-F016F03482
Netto: 3,63 € zzgl. MwSt.
zzgl. 6,90 € Versand (brutto)
einmalig pro Bestellung

Lieferzeit: 5 Werktage

Pos.
1/2/48
BOSCH O-Ring | Ersatzteile für AQUATAK 1350 | F016F03484
Hersteller: BOSCH
Artikelnummer: EB-0600874103-F016F03484
Netto: 3,63 € zzgl. MwSt.
zzgl. 6,90 € Versand (brutto)
einmalig pro Bestellung

Lieferzeit: 5 Werktage

Pos.
1/2/49
BOSCH Vorlegscheibe | Ersatzteile für AQUATAK 1350 | F016F03485
Hersteller: BOSCH
Artikelnummer: EB-0600874103-F016F03485
Netto: 3,60 € zzgl. MwSt.
zzgl. 6,90 € Versand (brutto)
einmalig pro Bestellung

Lieferzeit: 5 Werktage

Pos.
1/2/8
BOSCH O-Ring | Ersatzteile für AQUATAK 1350 | F016F03431
Hersteller: BOSCH
Artikelnummer: EB-0600874103-F016F03431
Netto: 3,63 € zzgl. MwSt.
zzgl. 6,90 € Versand (brutto)
einmalig pro Bestellung

Lieferzeit: 5 Werktage

Pos.
1/3
BOSCH Behälter | Ersatzteile für AQUATAK 1350 | F016F03002
Hersteller: BOSCH
Artikelnummer: EB-0600874103-F016F03002
Netto: 34,68 € zzgl. MwSt.
zzgl. 6,90 € Versand (brutto)
einmalig pro Bestellung

Lieferzeit: 5 Werktage

Pos.
1/3/28
BOSCH Rohr | Ersatzteile für AQUATAK 1350 | F016F03003
Hersteller: BOSCH
Artikelnummer: EB-0600874103-F016F03003
Netto: 7,30 € zzgl. MwSt.
zzgl. 6,90 € Versand (brutto)
einmalig pro Bestellung

Lieferzeit: 5 Werktage

Pos.
1/3/93
BOSCH Abdeckkappe | Ersatzteile für AQUATAK 1350 | F016F03005
Hersteller: BOSCH
Artikelnummer: EB-0600874103-F016F03005
Netto: 6,91 € zzgl. MwSt.
zzgl. 6,90 € Versand (brutto)
einmalig pro Bestellung

Lieferzeit: 5 Werktage

Pos.
1/3/94
BOSCH Schraube 4,2x13 | Ersatzteile für AQUATAK 1350 | F016F03006
Hersteller: BOSCH
Artikelnummer: EB-0600874103-F016F03006
Netto: 3,63 € zzgl. MwSt.
zzgl. 6,90 € Versand (brutto)
einmalig pro Bestellung

Lieferzeit: 5 Werktage

Pos.
1/4
BOSCH Teilesatz | Ersatzteile für AQUATAK 1350 | F016F03067
Hersteller: BOSCH
Artikelnummer: EB-0600874103-F016F03067
Netto: 9,18 € zzgl. MwSt.
zzgl. 6,90 € Versand (brutto)
einmalig pro Bestellung

Lieferzeit: 5 Werktage

Pos.
1/4/10
BOSCH Vorlegscheibe 6,4x16,3x1 | Ersatzteile für AQUATAK 1350 | F016F03010
Hersteller: BOSCH
Artikelnummer: EB-0600874103-F016F03010
Netto: 3,63 € zzgl. MwSt.
zzgl. 6,90 € Versand (brutto)
einmalig pro Bestellung

Lieferzeit: 5 Werktage

Pos.
1/4/9
BOSCH Schraube M6x20 | Ersatzteile für AQUATAK 1350 | F016F03009
Hersteller: BOSCH
Artikelnummer: EB-0600874103-F016F03009
Netto: 3,75 € zzgl. MwSt.
zzgl. 6,90 € Versand (brutto)
einmalig pro Bestellung

Lieferzeit: 5 Werktage

Pos.
1/5
BOSCH Ventil | Ersatzteile für AQUATAK 1350 | F016F03011
Hersteller: BOSCH
Artikelnummer: EB-0600874103-F016F03011
Netto: 10,92 € zzgl. MwSt.
zzgl. 6,90 € Versand (brutto)
einmalig pro Bestellung

Lieferzeit: 5 Werktage

Pos.
1/6
BOSCH Zylinderkopf | Ersatzteile für AQUATAK 1350 | F016F03012
Hersteller: BOSCH
Artikelnummer: EB-0600874103-F016F03012
nur Informationsartikel
Nie mehr lieferbar
keine Alternativen
Pos.
1/6/1
BOSCH Schraube M6x35 | Ersatzteile für AQUATAK 1350 | F016F03013
Hersteller: BOSCH
Artikelnummer: EB-0600874103-F016F03013
Netto: 6,05 € zzgl. MwSt.
zzgl. 6,90 € Versand (brutto)
einmalig pro Bestellung

Lieferzeit: 5 Werktage

Pos.
1/6/125
BOSCH Verschlussplombe 12x22x5 | Ersatzteile für AQUATAK 1350 | F016F03560
Hersteller: BOSCH
Artikelnummer: EB-0600874103-F016F03560
nur Informationsartikel
Nie mehr lieferbar
keine Alternativen
Pos.
1/6/46
BOSCH O-Ring 8,73x1,78 MM | Ersatzteile für AQUATAK 1350 | F016F03483
Hersteller: BOSCH
Artikelnummer: EB-0600874103-F016F03483
Netto: 3,63 € zzgl. MwSt.
zzgl. 6,90 € Versand (brutto)
einmalig pro Bestellung

Lieferzeit: 5 Werktage

Pos.
1/7
BOSCH Anschlussverschraubung | Ersatzteile für AQUATAK 1350 | F016F03014
Hersteller: BOSCH
Artikelnummer: EB-0600874103-F016F03014
nur Informationsartikel
Nie mehr lieferbar
keine Alternativen
Pos.
1/8/121
BOSCH Verschlusskappe | Ersatzteile für AQUATAK 1350 | F016F03070
Hersteller: BOSCH
Artikelnummer: EB-0600874103-F016F03070
Netto: 6,77 € zzgl. MwSt.
zzgl. 6,90 € Versand (brutto)
einmalig pro Bestellung

Lieferzeit: 5 Werktage

Pos.
1/8/122
BOSCH Verschlusskappe | Ersatzteile für AQUATAK 1350 | F016F03071
Hersteller: BOSCH
Artikelnummer: EB-0600874103-F016F03071
nur Informationsartikel
Nie mehr lieferbar
keine Alternativen
Pos.
1/8/123
BOSCH Vorlegscheibe D.13x19x1,5 | Ersatzteile für AQUATAK 1350 | F016F03072
Hersteller: BOSCH
Artikelnummer: EB-0600874103-F016F03072
nur Informationsartikel
Nie mehr lieferbar
keine Alternativen
Pos.
1/8/124
BOSCH Steckkupplung 3/8"-3/4" | Ersatzteile für AQUATAK 1350 | F016F03566
Hersteller: BOSCH
Artikelnummer: EB-0600874103-F016F03566
Netto: 5,24 € zzgl. MwSt.
zzgl. 6,90 € Versand (brutto)
einmalig pro Bestellung

Lieferzeit: 5 Werktage

Pos.
1/8/53
BOSCH Verschlussplombe | Ersatzteile für AQUATAK 1350 | F016F03558
Hersteller: BOSCH
Artikelnummer: EB-0600874103-F016F03558
Netto: 4,53 € zzgl. MwSt.
zzgl. 6,90 € Versand (brutto)
einmalig pro Bestellung

Lieferzeit: 5 Werktage

Pos.
1/8/54
BOSCH Lagerbuchse | Ersatzteile für AQUATAK 1350 | F016F03561
Hersteller: BOSCH
Artikelnummer: EB-0600874103-F016F03561
Netto: 7,30 € zzgl. MwSt.
zzgl. 6,90 € Versand (brutto)
einmalig pro Bestellung

Lieferzeit: 5 Werktage

Pos.
1/8/57
BOSCH O-Ring 80,60x2,62 | Ersatzteile für AQUATAK 1350 | F016F03016
Hersteller: BOSCH
Artikelnummer: EB-0600874103-F016F03016
Netto: 3,94 € zzgl. MwSt.
zzgl. 6,90 € Versand (brutto)
einmalig pro Bestellung

Lieferzeit: 5 Werktage

Pos.
1/9
BOSCH Kugellager | Ersatzteile für AQUATAK 1350 | F016F03017
Hersteller: BOSCH
Artikelnummer: EB-0600874103-F016F03017
Netto: 26,88 € zzgl. MwSt.
zzgl. 6,90 € Versand (brutto)
einmalig pro Bestellung

Lieferzeit: 5 Werktage

Pos.
2/1
BOSCH Handgriff | Ersatzteile für AQUATAK 1350 | F016F03055
Hersteller: BOSCH
Artikelnummer: EB-0600874103-F016F03055
Netto: 96,32 € zzgl. MwSt.
zzgl. 6,90 € Versand (brutto)
einmalig pro Bestellung

Lieferzeit: 5 Werktage

Pos.
2/6/1
BOSCH O-Ring | Ersatzteile für AQUATAK 1350 | F016F03541
Hersteller: BOSCH
Artikelnummer: EB-0600874103-F016F03541
nur Informationsartikel
Nie mehr lieferbar
keine Alternativen
Pos.
2/9
BOSCH Strahlrohr | Ersatzteile für AQUATAK 1350 | F016F03553
Hersteller: BOSCH
Artikelnummer: EB-0600874103-F016F03553
Netto: 28,93 € zzgl. MwSt.
zzgl. 6,90 € Versand (brutto)
einmalig pro Bestellung

Lieferzeit: 5 Werktage

Angaben zur Produktsicherheit

Hersteller:
Robert Bosch Power Tools GmbH
Postfach 30 02 20
70442 Stuttgart

E-Mail:
kontakt@bosch.de