BOSCH Gehäuse | Ersatzteile für AQUATAK 150 PRO | F016F03501

Artikelnummer: EB-3600H77A00-F016F03501

Position: 1/24/1

Marke: BOSCH


Bitte Kompatibilität prüfen!

Bitte prüfen Sie unbedingt die 10-stellige Typennummer Ihrer Maschine / Ihres Gerätes. Das Ersatzteil ist nur kompatibel, wenn Sie die Typennummer Ihrer Maschine in der unten stehenden Produktbeschreibung finden.

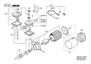
Bitte prüfen Sie ebenfalls detailliert die Explosionszeichnung mit Ihrem Artikelwunsch und der jeweiligen Pos-Nummer.

Alle Elemente, welche vom schwarzen Strich der Pos-Nummer ausgehend berührt / erfasst werden, gehören zu dieser Pos-Nummer und somit zu diesem Artikel. Jede Pos-Nummer ist ein eigenständiger Artikel, welchen Sie in der Auflistung finden.

Sie erhalten stets die aktuellste, neueste Produktversion zu der gewählten Pos-Nummer seitens des Herstellers. Es kann daher je nach Gerätealter vorkommen, dass Sie ggf. weitere, zugehörige Elemente, welche an diese Pos-Nummer grenzen, ebenfalls mittauschen müssen.

Nähere Informationen finden Sie unter dem Link
Hinweise zu Ihrer BOSCH Ersatzteilsuche

Preisübersicht

Einzelpreis: 35,77 €* (Brutto: 42,57 €)
Gesamtpreis: 35,77 €* 
Position:

Lieferzeit: 5 Werktage


Beschreibung

  • Gehäuse
  • Original Bosch Zubehör / BOSCH Ersatzteil (F016F03501)
  • im Gerät verbaut: 1
Dieses BOSCH Ersatzteil ist mit folgendem Gerät und Modell kompatibel:
  • BOSCH Gerätename: AQUATAK 150 PRO
  • BOSCH Explosionszeichnung: Position 1/24/1
  • BOSCH Typennummer: 3600H77A00
  • BOSCH Typennummer alternative Schreibweisen: 3 600 H77 A00, 3600 H77 A00, 3.600.H77.A00, 3-600-H77-A00
    Bitte prüfen Sie diese Typennummer auf Ihrem Gerät um die Kompatibilität des BOSCH Ersatzteils zu gewährleisten.
Weitere BOSCH Ersatzteile des Gerätes AQUATAK 150 PRO (Hochdruckreiniger) mit der Typennummer 3600H77A00 finden Sie in der nachfolgenden Darstellung und im Dropdown zu Ihrer Auswahl:

Pos.
1/1/1
BOSCH Abdeckung | Ersatzteile für AQUATAK 150 PRO | F016F03499
Hersteller: BOSCH
Artikelnummer: EB-3600H77A00-F016F03499
Netto: 34,53 € zzgl. MwSt.
zzgl. 6,90 € Versand (brutto)
einmalig pro Bestellung

Lieferzeit: 5 Werktage

Pos.
1/14/12
BOSCH Klemmstück | Ersatzteile für AQUATAK 150 PRO | F016F03035
Hersteller: BOSCH
Artikelnummer: EB-3600H77A00-F016F03035
nur Informationsartikel
Nie mehr lieferbar
keine Alternativen
Pos.
1/19
BOSCH Teilesatz | Ersatzteile für AQUATAK 150 PRO | F016F03563
Hersteller: BOSCH
Artikelnummer: EB-3600H77A00-F016F03563
nur Informationsartikel
Nie mehr lieferbar
keine Alternativen
Pos.
2/1
BOSCH Handgriff | Ersatzteile für AQUATAK 150 PRO | F016F03549
Hersteller: BOSCH
Artikelnummer: EB-3600H77A00-F016F03549
nur Informationsartikel
Nie mehr lieferbar
keine Alternativen
Pos.
1/1/2
BOSCH Gehäuse | Ersatzteile für AQUATAK 150 PRO | F016F03500
Hersteller: BOSCH
Artikelnummer: EB-3600H77A00-F016F03500
Netto: 21,98 € zzgl. MwSt.
zzgl. 6,90 € Versand (brutto)
einmalig pro Bestellung

Lieferzeit: 5 Werktage

Pos.
1/10
BOSCH Teilesatz | Ersatzteile für AQUATAK 150 PRO | F016F03562
Hersteller: BOSCH
Artikelnummer: EB-3600H77A00-F016F03562
Netto: 95,11 € zzgl. MwSt.
zzgl. 6,90 € Versand (brutto)
einmalig pro Bestellung

Lieferzeit: 5 Werktage

Pos.
1/10/103
BOSCH Schraube 3,9x16 | Ersatzteile für AQUATAK 150 PRO | F016F03026
Hersteller: BOSCH
Artikelnummer: EB-3600H77A00-F016F03026
Netto: 3,49 € zzgl. MwSt.
zzgl. 6,90 € Versand (brutto)
einmalig pro Bestellung

Lieferzeit: 5 Werktage

Pos.
1/10/104
BOSCH Entstörkondensator | Ersatzteile für AQUATAK 150 PRO | F016F03101
Hersteller: BOSCH
Artikelnummer: EB-3600H77A00-F016F03101
nur Informationsartikel
Nie mehr lieferbar
keine Alternativen
Pos.
1/10/105
BOSCH O-Ring 37,82x1,78 | Ersatzteile für AQUATAK 150 PRO | F016F03024
Hersteller: BOSCH
Artikelnummer: EB-3600H77A00-F016F03024
Netto: 3,63 € zzgl. MwSt.
zzgl. 6,90 € Versand (brutto)
einmalig pro Bestellung

Lieferzeit: 5 Werktage

Pos.
1/10/106
BOSCH Gehäuse | Ersatzteile für AQUATAK 150 PRO | F016F03337
Hersteller: BOSCH
Artikelnummer: EB-3600H77A00-F016F03337
Netto: 5,19 € zzgl. MwSt.
zzgl. 6,90 € Versand (brutto)
einmalig pro Bestellung

Lieferzeit: 5 Werktage

Pos.
1/10/15
BOSCH Netzanschlussleitung | Ersatzteile für AQUATAK 150 PRO | F016F03478
Hersteller: BOSCH
Artikelnummer: EB-3600H77A00-F016F03478
nur Informationsartikel
Nie mehr lieferbar
keine Alternativen
Pos.
1/11
BOSCH Teilesatz | Ersatzteile für AQUATAK 150 PRO | F016F03076
Hersteller: BOSCH
Artikelnummer: EB-3600H77A00-F016F03076
Netto: 26,88 € zzgl. MwSt.
zzgl. 6,90 € Versand (brutto)
einmalig pro Bestellung

Lieferzeit: 5 Werktage

Pos.
1/13
BOSCH Elektromotor | Ersatzteile für AQUATAK 150 PRO | F016F03477
Hersteller: BOSCH
Artikelnummer: EB-3600H77A00-F016F03477
Netto: 287,12 € zzgl. MwSt.
zzgl. 6,90 € Versand (brutto)
einmalig pro Bestellung

Lieferzeit: 5 Werktage

Pos.
1/13/112
BOSCH Schraube M6x20 | Ersatzteile für AQUATAK 150 PRO | F016F03009
Hersteller: BOSCH
Artikelnummer: EB-3600H77A00-F016F03009
Netto: 3,75 € zzgl. MwSt.
zzgl. 6,90 € Versand (brutto)
einmalig pro Bestellung

Lieferzeit: 5 Werktage

Pos.
1/14/1
BOSCH Gehäuse | Ersatzteile für AQUATAK 150 PRO | F016F03511
Hersteller: BOSCH
Artikelnummer: EB-3600H77A00-F016F03511
Netto: 114,50 € zzgl. MwSt.
zzgl. 6,90 € Versand (brutto)
einmalig pro Bestellung

Lieferzeit: 5 Werktage

Pos.
1/14/1/6
BOSCH Schraube | Ersatzteile für AQUATAK 150 PRO | F016F03343
Hersteller: BOSCH
Artikelnummer: EB-3600H77A00-F016F03343
Netto: 3,49 € zzgl. MwSt.
zzgl. 6,90 € Versand (brutto)
einmalig pro Bestellung

Lieferzeit: 5 Werktage

Pos.
1/14/2
BOSCH Gehäuse | Ersatzteile für AQUATAK 150 PRO | F016F03567
Hersteller: BOSCH
Artikelnummer: EB-3600H77A00-F016F03567
Netto: 10,47 € zzgl. MwSt.
zzgl. 6,90 € Versand (brutto)
einmalig pro Bestellung

Lieferzeit: 5 Werktage

Pos.
1/14/30
BOSCH Schraube | Ersatzteile für AQUATAK 150 PRO | F016F03517
Hersteller: BOSCH
Artikelnummer: EB-3600H77A00-F016F03517
Netto: 4,53 € zzgl. MwSt.
zzgl. 6,90 € Versand (brutto)
einmalig pro Bestellung

Lieferzeit: 5 Werktage

Pos.
1/14/32
BOSCH Schraube 4,8x16 ZINC | Ersatzteile für AQUATAK 150 PRO | F016F03034
Hersteller: BOSCH
Artikelnummer: EB-3600H77A00-F016F03034
Netto: 3,63 € zzgl. MwSt.
zzgl. 6,90 € Versand (brutto)
einmalig pro Bestellung

Lieferzeit: 5 Werktage

Pos.
1/14/4
BOSCH Vorlegscheibe | Ersatzteile für AQUATAK 150 PRO | F016F03513
Hersteller: BOSCH
Artikelnummer: EB-3600H77A00-F016F03513
Netto: 3,63 € zzgl. MwSt.
zzgl. 6,90 € Versand (brutto)
einmalig pro Bestellung

Lieferzeit: 5 Werktage

Pos.
1/14/5
BOSCH Abdeckung | Ersatzteile für AQUATAK 150 PRO | F016F03568
Hersteller: BOSCH
Artikelnummer: EB-3600H77A00-F016F03568
Netto: 7,30 € zzgl. MwSt.
zzgl. 6,90 € Versand (brutto)
einmalig pro Bestellung

Lieferzeit: 5 Werktage

Pos.
1/14/7
BOSCH Schraube | Ersatzteile für AQUATAK 150 PRO | F016F03512
Hersteller: BOSCH
Artikelnummer: EB-3600H77A00-F016F03512
Netto: 3,63 € zzgl. MwSt.
zzgl. 6,90 € Versand (brutto)
einmalig pro Bestellung

Lieferzeit: 5 Werktage

Pos.
1/15
BOSCH Behälter | Ersatzteile für AQUATAK 150 PRO | F016F03571
Hersteller: BOSCH
Artikelnummer: EB-3600H77A00-F016F03571
Netto: 39,11 € zzgl. MwSt.
zzgl. 6,90 € Versand (brutto)
einmalig pro Bestellung

Lieferzeit: 5 Werktage

Pos.
1/16
BOSCH Rad | Ersatzteile für AQUATAK 150 PRO | F016F03520
Hersteller: BOSCH
Artikelnummer: EB-3600H77A00-F016F03520
Netto: 35,77 € zzgl. MwSt.
zzgl. 6,90 € Versand (brutto)
einmalig pro Bestellung

Lieferzeit: 5 Werktage

Pos.
1/17
BOSCH Ventil | Ersatzteile für AQUATAK 150 PRO | F016F03054
Hersteller: BOSCH
Artikelnummer: EB-3600H77A00-F016F03054
Netto: 11,92 € zzgl. MwSt.
zzgl. 6,90 € Versand (brutto)
einmalig pro Bestellung

Lieferzeit: 5 Werktage

Pos.
1/18
BOSCH Klemmstück | Ersatzteile für AQUATAK 150 PRO | F016F03569
Hersteller: BOSCH
Artikelnummer: EB-3600H77A00-F016F03569
Netto: 15,75 € zzgl. MwSt.
zzgl. 6,90 € Versand (brutto)
einmalig pro Bestellung

Lieferzeit: 5 Werktage

Pos.
1/19/107
BOSCH Schalter 20A | Ersatzteile für AQUATAK 150 PRO | F016F03020
Hersteller: BOSCH
Artikelnummer: EB-3600H77A00-F016F03020
Netto: 10,92 € zzgl. MwSt.
zzgl. 6,90 € Versand (brutto)
einmalig pro Bestellung

Lieferzeit: 5 Werktage

Pos.
1/19/75
BOSCH Dichtung | Ersatzteile für AQUATAK 150 PRO | F016F03457
Hersteller: BOSCH
Artikelnummer: EB-3600H77A00-F016F03457
Netto: 21,16 € zzgl. MwSt.
zzgl. 6,90 € Versand (brutto)
einmalig pro Bestellung

Lieferzeit: 5 Werktage

Pos.
1/2
BOSCH Steuerkopf | Ersatzteile für AQUATAK 150 PRO | F016F03430
Hersteller: BOSCH
Artikelnummer: EB-3600H77A00-F016F03430
Netto: 135,20 € zzgl. MwSt.
zzgl. 6,90 € Versand (brutto)
einmalig pro Bestellung

Lieferzeit: 5 Werktage

Pos.
1/2/12
BOSCH Vorlegscheibe | Ersatzteile für AQUATAK 150 PRO | F016F03482
Hersteller: BOSCH
Artikelnummer: EB-3600H77A00-F016F03482
Netto: 3,63 € zzgl. MwSt.
zzgl. 6,90 € Versand (brutto)
einmalig pro Bestellung

Lieferzeit: 5 Werktage

Pos.
1/2/13
BOSCH O-Ring 8,73x1,78 MM | Ersatzteile für AQUATAK 150 PRO | F016F03483
Hersteller: BOSCH
Artikelnummer: EB-3600H77A00-F016F03483
Netto: 3,63 € zzgl. MwSt.
zzgl. 6,90 € Versand (brutto)
einmalig pro Bestellung

Lieferzeit: 5 Werktage

Pos.
1/2/15
BOSCH O-Ring | Ersatzteile für AQUATAK 150 PRO | F016F03484
Hersteller: BOSCH
Artikelnummer: EB-3600H77A00-F016F03484
Netto: 3,63 € zzgl. MwSt.
zzgl. 6,90 € Versand (brutto)
einmalig pro Bestellung

Lieferzeit: 5 Werktage

Pos.
1/2/16
BOSCH Vorlegscheibe | Ersatzteile für AQUATAK 150 PRO | F016F03485
Hersteller: BOSCH
Artikelnummer: EB-3600H77A00-F016F03485
Netto: 3,63 € zzgl. MwSt.
zzgl. 6,90 € Versand (brutto)
einmalig pro Bestellung

Lieferzeit: 5 Werktage

Pos.
1/2/25
BOSCH O-Ring 12,42x1,78 MM | Ersatzteile für AQUATAK 150 PRO | F016F03486
Hersteller: BOSCH
Artikelnummer: EB-3600H77A00-F016F03486
Netto: 3,63 € zzgl. MwSt.
zzgl. 6,90 € Versand (brutto)
einmalig pro Bestellung

Lieferzeit: 5 Werktage

Pos.
1/2/26
BOSCH O-Ring 14,0x1,78 MM | Ersatzteile für AQUATAK 150 PRO | F016F03487
Hersteller: BOSCH
Artikelnummer: EB-3600H77A00-F016F03487
Netto: 3,63 € zzgl. MwSt.
zzgl. 6,90 € Versand (brutto)
einmalig pro Bestellung

Lieferzeit: 5 Werktage

Pos.
1/2/3
BOSCH Schraube | Ersatzteile für AQUATAK 150 PRO | F016F03433
Hersteller: BOSCH
Artikelnummer: EB-3600H77A00-F016F03433
Netto: 4,31 € zzgl. MwSt.
zzgl. 6,90 € Versand (brutto)
einmalig pro Bestellung

Lieferzeit: 5 Werktage

Pos.
1/2/34
BOSCH Manometer | Ersatzteile für AQUATAK 150 PRO | F016F03432
Hersteller: BOSCH
Artikelnummer: EB-3600H77A00-F016F03432
Netto: 26,88 € zzgl. MwSt.
zzgl. 6,90 € Versand (brutto)
einmalig pro Bestellung

Lieferzeit: 5 Werktage

Pos.
1/2/65
BOSCH O-Ring | Ersatzteile für AQUATAK 150 PRO | F016F03431
Hersteller: BOSCH
Artikelnummer: EB-3600H77A00-F016F03431
Netto: 3,63 € zzgl. MwSt.
zzgl. 6,90 € Versand (brutto)
einmalig pro Bestellung

Lieferzeit: 5 Werktage

Pos.
1/20
BOSCH Abdeckung | Ersatzteile für AQUATAK 150 PRO | F016F03476
Hersteller: BOSCH
Artikelnummer: EB-3600H77A00-F016F03476
Netto: 9,63 € zzgl. MwSt.
zzgl. 6,90 € Versand (brutto)
einmalig pro Bestellung

Lieferzeit: 5 Werktage

Pos.
1/21
BOSCH Druckrohrstutzen | Ersatzteile für AQUATAK 150 PRO | F016F03441
Hersteller: BOSCH
Artikelnummer: EB-3600H77A00-F016F03441
nur Informationsartikel
Nie mehr lieferbar
keine Alternativen
Pos.
1/24/1
BOSCH Gehäuse | Ersatzteile für AQUATAK 150 PRO | F016F03501
Hersteller: BOSCH
Artikelnummer: EB-3600H77A00-F016F03501
Netto: 35,77 € zzgl. MwSt.
zzgl. 6,90 € Versand (brutto)
einmalig pro Bestellung

Lieferzeit: 5 Werktage

Pos.
1/24/2
BOSCH Knopf | Ersatzteile für AQUATAK 150 PRO | F016F03570
Hersteller: BOSCH
Artikelnummer: EB-3600H77A00-F016F03570
Netto: 4,53 € zzgl. MwSt.
zzgl. 6,90 € Versand (brutto)
einmalig pro Bestellung

Lieferzeit: 5 Werktage

Pos.
1/24/3
BOSCH Stellknopf | Ersatzteile für AQUATAK 150 PRO | F016F03502
Hersteller: BOSCH
Artikelnummer: EB-3600H77A00-F016F03502
Netto: 14,36 € zzgl. MwSt.
zzgl. 6,90 € Versand (brutto)
einmalig pro Bestellung

Lieferzeit: 5 Werktage

Pos.
1/5
BOSCH Ventil | Ersatzteile für AQUATAK 150 PRO | F016F03011
Hersteller: BOSCH
Artikelnummer: EB-3600H77A00-F016F03011
Netto: 10,92 € zzgl. MwSt.
zzgl. 6,90 € Versand (brutto)
einmalig pro Bestellung

Lieferzeit: 5 Werktage

Pos.
1/6
BOSCH Zylinderkopf | Ersatzteile für AQUATAK 150 PRO | F016F03435
Hersteller: BOSCH
Artikelnummer: EB-3600H77A00-F016F03435
Netto: 77,60 € zzgl. MwSt.
zzgl. 6,90 € Versand (brutto)
einmalig pro Bestellung

Lieferzeit: 5 Werktage

Pos.
1/6/1
BOSCH Schraube | Ersatzteile für AQUATAK 150 PRO | F016F03436
Hersteller: BOSCH
Artikelnummer: EB-3600H77A00-F016F03436
Netto: 3,78 € zzgl. MwSt.
zzgl. 6,90 € Versand (brutto)
einmalig pro Bestellung

Lieferzeit: 5 Werktage

Pos.
1/6/49
BOSCH O-Ring | Ersatzteile für AQUATAK 150 PRO | F016F03437
Hersteller: BOSCH
Artikelnummer: EB-3600H77A00-F016F03437
nur Informationsartikel
Nie mehr lieferbar
keine Alternativen
Pos.
1/6/61
BOSCH O-Ring 14x22x6 schwarz | Ersatzteile für AQUATAK 150 PRO | F016F03438
Hersteller: BOSCH
Artikelnummer: EB-3600H77A00-F016F03438
nur Informationsartikel
Nie mehr lieferbar
keine Alternativen
Pos.
1/7
BOSCH Anschlussverschraubung | Ersatzteile für AQUATAK 150 PRO | F016F03014
Hersteller: BOSCH
Artikelnummer: EB-3600H77A00-F016F03014
nur Informationsartikel
Nie mehr lieferbar
keine Alternativen
Pos.
1/8
BOSCH Gehäuse | Ersatzteile für AQUATAK 150 PRO | F016F03439
Hersteller: BOSCH
Artikelnummer: EB-3600H77A00-F016F03439
Netto: 60,58 € zzgl. MwSt.
zzgl. 6,90 € Versand (brutto)
einmalig pro Bestellung

Lieferzeit: 5 Werktage

Pos.
1/8/53
BOSCH O-Ring | Ersatzteile für AQUATAK 150 PRO | F016F03564
Hersteller: BOSCH
Artikelnummer: EB-3600H77A00-F016F03564
Netto: 3,63 € zzgl. MwSt.
zzgl. 6,90 € Versand (brutto)
einmalig pro Bestellung

Lieferzeit: 5 Werktage

Pos.
1/8/54
BOSCH O-Ring | Ersatzteile für AQUATAK 150 PRO | F016F03565
Hersteller: BOSCH
Artikelnummer: EB-3600H77A00-F016F03565
Netto: 3,94 € zzgl. MwSt.
zzgl. 6,90 € Versand (brutto)
einmalig pro Bestellung

Lieferzeit: 5 Werktage

Pos.
1/8/57
BOSCH O-Ring 80,60x2,62 | Ersatzteile für AQUATAK 150 PRO | F016F03016
Hersteller: BOSCH
Artikelnummer: EB-3600H77A00-F016F03016
Netto: 3,94 € zzgl. MwSt.
zzgl. 6,90 € Versand (brutto)
einmalig pro Bestellung

Lieferzeit: 5 Werktage

Pos.
1/8/66
BOSCH Verschlusskappe | Ersatzteile für AQUATAK 150 PRO | F016F03070
Hersteller: BOSCH
Artikelnummer: EB-3600H77A00-F016F03070
Netto: 6,77 € zzgl. MwSt.
zzgl. 6,90 € Versand (brutto)
einmalig pro Bestellung

Lieferzeit: 5 Werktage

Pos.
1/8/67
BOSCH Schraube | Ersatzteile für AQUATAK 150 PRO | F016F03440
Hersteller: BOSCH
Artikelnummer: EB-3600H77A00-F016F03440
Netto: 3,63 € zzgl. MwSt.
zzgl. 6,90 € Versand (brutto)
einmalig pro Bestellung

Lieferzeit: 5 Werktage

Pos.
1/9
BOSCH Kugellager | Ersatzteile für AQUATAK 150 PRO | F016F03017
Hersteller: BOSCH
Artikelnummer: EB-3600H77A00-F016F03017
Netto: 26,88 € zzgl. MwSt.
zzgl. 6,90 € Versand (brutto)
einmalig pro Bestellung

Lieferzeit: 5 Werktage

Pos.
2/11
BOSCH Schlauch | Ersatzteile für AQUATAK 150 PRO | F016F03543
Hersteller: BOSCH
Artikelnummer: EB-3600H77A00-F016F03543
nur Informationsartikel
Nie mehr lieferbar
keine Alternativen
Pos.
2/6
BOSCH Strahlrohr | Ersatzteile für AQUATAK 150 PRO | F016F03540
Hersteller: BOSCH
Artikelnummer: EB-3600H77A00-F016F03540
Netto: 52,14 € zzgl. MwSt.
zzgl. 6,90 € Versand (brutto)
einmalig pro Bestellung

Lieferzeit: 5 Werktage

Pos.
2/6/1
BOSCH O-Ring | Ersatzteile für AQUATAK 150 PRO | F016F03541
Hersteller: BOSCH
Artikelnummer: EB-3600H77A00-F016F03541
nur Informationsartikel
Nie mehr lieferbar
keine Alternativen
Pos.
2/8
BOSCH Düse | Ersatzteile für AQUATAK 150 PRO | F016F03542
Hersteller: BOSCH
Artikelnummer: EB-3600H77A00-F016F03542
nur Informationsartikel
Nie mehr lieferbar
keine Alternativen

Angaben zur Produktsicherheit

Hersteller:
Robert Bosch Power Tools GmbH
Postfach 30 02 20
70442 Stuttgart

E-Mail:
kontakt@bosch.de