BOSCH Vorlegscheibe 6,4x16,3x1 | Ersatzteile für AQUATAK 1500 SI | F016F03010

Artikelnummer: EB-0600875032-F016F03010

Position: 1/4/10

Marke: BOSCH


Bitte Kompatibilität prüfen!

Bitte prüfen Sie unbedingt die 10-stellige Typennummer Ihrer Maschine / Ihres Gerätes. Das Ersatzteil ist nur kompatibel, wenn Sie die Typennummer Ihrer Maschine in der unten stehenden Produktbeschreibung finden.

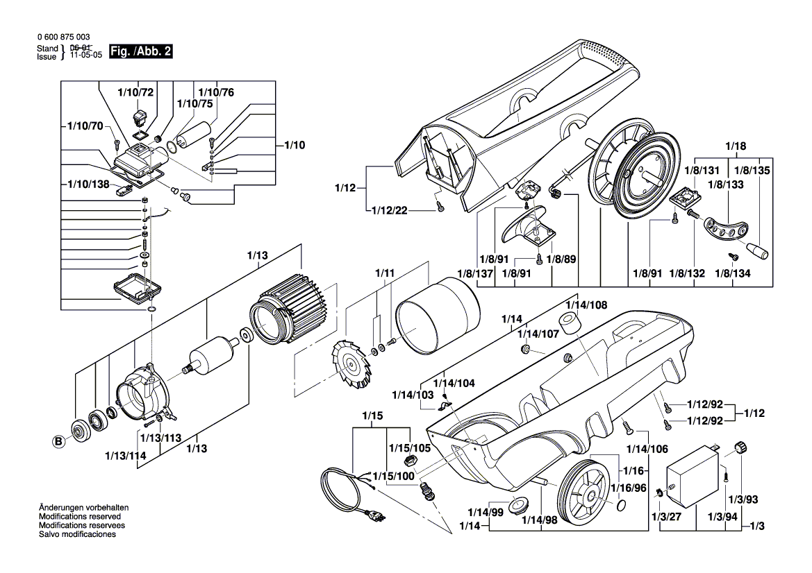
Bitte prüfen Sie ebenfalls detailliert die Explosionszeichnung mit Ihrem Artikelwunsch und der jeweiligen Pos-Nummer.

Alle Elemente, welche vom schwarzen Strich der Pos-Nummer ausgehend berührt / erfasst werden, gehören zu dieser Pos-Nummer und somit zu diesem Artikel. Jede Pos-Nummer ist ein eigenständiger Artikel, welchen Sie in der Auflistung finden.

Sie erhalten stets die aktuellste, neueste Produktversion zu der gewählten Pos-Nummer seitens des Herstellers. Es kann daher je nach Gerätealter vorkommen, dass Sie ggf. weitere, zugehörige Elemente, welche an diese Pos-Nummer grenzen, ebenfalls mittauschen müssen.

Nähere Informationen finden Sie unter dem Link
Hinweise zu Ihrer BOSCH Ersatzteilsuche

Preisübersicht

Einzelpreis: 3,63 €* (Brutto: 4,32 €)
Gesamtpreis: 3,63 €* 
Position:

Lieferzeit: 5 Werktage


Beschreibung

  • Vorlegscheibe 6,4x16,3x1
  • Original Bosch Zubehör / BOSCH Ersatzteil (F016F03010)
  • im Gerät verbaut: 1
Dieses BOSCH Ersatzteil ist mit folgendem Gerät und Modell kompatibel:
  • BOSCH Gerätename: AQUATAK 1500 SI
  • BOSCH Explosionszeichnung: Position 1/4/10
  • BOSCH Typennummer: 0600875032
  • BOSCH Typennummer alternative Schreibweisen: 0 600 875 032, 0600 875 032, 0.600.875.032, 0-600-875-032
    Bitte prüfen Sie diese Typennummer auf Ihrem Gerät um die Kompatibilität des BOSCH Ersatzteils zu gewährleisten.
Weitere BOSCH Ersatzteile des Gerätes AQUATAK 1500 SI (Hochdruckreiniger) mit der Typennummer 0600875032 finden Sie in der nachfolgenden Darstellung und im Dropdown zu Ihrer Auswahl:

Pos.
1/1
BOSCH Gehäuse | Ersatzteile für AQUATAK 1500 SI | F016F03096
Hersteller: BOSCH
Artikelnummer: EB-0600875032-F016F03096
nur Informationsartikel
Nie mehr lieferbar
keine Alternativen
Pos.
1/1/22
BOSCH Schraube 4,8x22 C/R ZN | Ersatzteile für AQUATAK 1500 SI | F016F03062
Hersteller: BOSCH
Artikelnummer: EB-0600875032-F016F03062
Netto: 3,63 € zzgl. MwSt.
zzgl. 6,90 € Versand (brutto)
einmalig pro Bestellung

Lieferzeit: 5 Werktage

Pos.
1/1/24
BOSCH Rückhalteblech | Ersatzteile für AQUATAK 1500 SI | F016F03063
Hersteller: BOSCH
Artikelnummer: EB-0600875032-F016F03063
Netto: 3,63 € zzgl. MwSt.
zzgl. 6,90 € Versand (brutto)
einmalig pro Bestellung

Lieferzeit: 5 Werktage

Pos.
1/13
BOSCH Elektromotor | Ersatzteile für AQUATAK 1500 SI | F016F03103
Hersteller: BOSCH
Artikelnummer: EB-0600875032-F016F03103
nur Informationsartikel
Nie mehr lieferbar
keine Alternativen
Pos.
1/14/104
BOSCH Schraube 4,8x16 ZINC | Ersatzteile für AQUATAK 1500 SI | F016F03034
Hersteller: BOSCH
Artikelnummer: EB-0600875032-F016F03034
Netto: 3,63 € zzgl. MwSt.
zzgl. 6,90 € Versand (brutto)
einmalig pro Bestellung

Lieferzeit: 5 Werktage

Pos.
1/14/98
BOSCH Spindel | Ersatzteile für AQUATAK 1500 SI | F016F03086
Hersteller: BOSCH
Artikelnummer: EB-0600875032-F016F03086
nur Informationsartikel
Nie mehr lieferbar
keine Alternativen
Pos.
1/17
BOSCH Ventil | Ersatzteile für AQUATAK 1500 SI | F016F03054
Hersteller: BOSCH
Artikelnummer: EB-0600875032-F016F03054
Netto: 11,92 € zzgl. MwSt.
zzgl. 6,90 € Versand (brutto)
einmalig pro Bestellung

Lieferzeit: 5 Werktage

Pos.
1/2
BOSCH Steuerkopf | Ersatzteile für AQUATAK 1500 SI | F016F03097
Hersteller: BOSCH
Artikelnummer: EB-0600875032-F016F03097
nur Informationsartikel
Nie mehr lieferbar
keine Alternativen
Pos.
1/2/45
BOSCH Vorlegscheibe | Ersatzteile für AQUATAK 1500 SI | F016F03482
Hersteller: BOSCH
Artikelnummer: EB-0600875032-F016F03482
Netto: 3,63 € zzgl. MwSt.
zzgl. 6,90 € Versand (brutto)
einmalig pro Bestellung

Lieferzeit: 5 Werktage

Pos.
1/2/8
BOSCH O-Ring | Ersatzteile für AQUATAK 1500 SI | F016F03431
Hersteller: BOSCH
Artikelnummer: EB-0600875032-F016F03431
Netto: 3,63 € zzgl. MwSt.
zzgl. 6,90 € Versand (brutto)
einmalig pro Bestellung

Lieferzeit: 5 Werktage

Pos.
1/3
BOSCH Behälter | Ersatzteile für AQUATAK 1500 SI | F016F03002
Hersteller: BOSCH
Artikelnummer: EB-0600875032-F016F03002
nur Informationsartikel
Nie mehr lieferbar
keine Alternativen
Pos.
1/3/27
BOSCH Klammer 9,3-9,9 | Ersatzteile für AQUATAK 1500 SI | F016F03065
Hersteller: BOSCH
Artikelnummer: EB-0600875032-F016F03065
nur Informationsartikel
Nie mehr lieferbar
keine Alternativen
Pos.
1/3/28
BOSCH Rohr | Ersatzteile für AQUATAK 1500 SI | F016F03003
Hersteller: BOSCH
Artikelnummer: EB-0600875032-F016F03003
Netto: 7,30 € zzgl. MwSt.
zzgl. 6,90 € Versand (brutto)
einmalig pro Bestellung

Lieferzeit: 5 Werktage

Pos.
1/4
BOSCH Teilesatz | Ersatzteile für AQUATAK 1500 SI | F016F03067
Hersteller: BOSCH
Artikelnummer: EB-0600875032-F016F03067
Netto: 9,18 € zzgl. MwSt.
zzgl. 6,90 € Versand (brutto)
einmalig pro Bestellung

Lieferzeit: 5 Werktage

Pos.
1/4/10
BOSCH Vorlegscheibe 6,4x16,3x1 | Ersatzteile für AQUATAK 1500 SI | F016F03010
Hersteller: BOSCH
Artikelnummer: EB-0600875032-F016F03010
Netto: 3,63 € zzgl. MwSt.
zzgl. 6,90 € Versand (brutto)
einmalig pro Bestellung

Lieferzeit: 5 Werktage

Pos.
1/4/9
BOSCH Schraube M6x20 | Ersatzteile für AQUATAK 1500 SI | F016F03009
Hersteller: BOSCH
Artikelnummer: EB-0600875032-F016F03009
nur Informationsartikel
Nie mehr lieferbar
keine Alternativen
Pos.
1/5
BOSCH Ventil | Ersatzteile für AQUATAK 1500 SI | F016F03011
Hersteller: BOSCH
Artikelnummer: EB-0600875032-F016F03011
Netto: 10,92 € zzgl. MwSt.
zzgl. 6,90 € Versand (brutto)
einmalig pro Bestellung

Lieferzeit: 5 Werktage

Pos.
1/6
BOSCH Zylinderkopf | Ersatzteile für AQUATAK 1500 SI | F016F03098
Hersteller: BOSCH
Artikelnummer: EB-0600875032-F016F03098
Netto: 70,50 € zzgl. MwSt.
zzgl. 6,90 € Versand (brutto)
einmalig pro Bestellung

Lieferzeit: 5 Werktage

Pos.
1/6/1
BOSCH Schraube M6x35 | Ersatzteile für AQUATAK 1500 SI | F016F03013
Hersteller: BOSCH
Artikelnummer: EB-0600875032-F016F03013
nur Informationsartikel
Nie mehr lieferbar
keine Alternativen
Pos.
1/6/125
BOSCH Verschlussplombe | Ersatzteile für AQUATAK 1500 SI | F016F03555
Hersteller: BOSCH
Artikelnummer: EB-0600875032-F016F03555
nur Informationsartikel
Nie mehr lieferbar
keine Alternativen
Pos.
1/7
BOSCH Anschlussverschraubung | Ersatzteile für AQUATAK 1500 SI | F016F03014
Hersteller: BOSCH
Artikelnummer: EB-0600875032-F016F03014
nur Informationsartikel
Nie mehr lieferbar
keine Alternativen
Pos.
1/8
BOSCH Gehäuse | Ersatzteile für AQUATAK 1500 SI | F016F03099
Hersteller: BOSCH
Artikelnummer: EB-0600875032-F016F03099
nur Informationsartikel
Nie mehr lieferbar
keine Alternativen
Pos.
1/8/121
BOSCH Verschlusskappe | Ersatzteile für AQUATAK 1500 SI | F016F03070
Hersteller: BOSCH
Artikelnummer: EB-0600875032-F016F03070
nur Informationsartikel
Nie mehr lieferbar
keine Alternativen
Pos.
1/8/122
BOSCH Verschlusskappe | Ersatzteile für AQUATAK 1500 SI | F016F03071
Hersteller: BOSCH
Artikelnummer: EB-0600875032-F016F03071
nur Informationsartikel
Nie mehr lieferbar
keine Alternativen
Pos.
1/8/123
BOSCH Vorlegscheibe D.13x19x1,5 | Ersatzteile für AQUATAK 1500 SI | F016F03072
Hersteller: BOSCH
Artikelnummer: EB-0600875032-F016F03072
nur Informationsartikel
Nie mehr lieferbar
keine Alternativen
Pos.
1/8/124
BOSCH Druckrohrstutzen 1/4"-3/4" | Ersatzteile für AQUATAK 1500 SI | F016F03073
Hersteller: BOSCH
Artikelnummer: EB-0600875032-F016F03073
nur Informationsartikel
Nie mehr lieferbar
keine Alternativen
Pos.
1/8/57
BOSCH O-Ring 80,60x2,62 | Ersatzteile für AQUATAK 1500 SI | F016F03016
Hersteller: BOSCH
Artikelnummer: EB-0600875032-F016F03016
Netto: 3,94 € zzgl. MwSt.
zzgl. 6,90 € Versand (brutto)
einmalig pro Bestellung

Lieferzeit: 5 Werktage

Pos.
1/8/81
BOSCH Schraube M6x30 ZINC. | Ersatzteile für AQUATAK 1500 SI | F016F03069
Hersteller: BOSCH
Artikelnummer: EB-0600875032-F016F03069
nur Informationsartikel
Nie mehr lieferbar
keine Alternativen
Pos.
1/9
BOSCH Kugellager | Ersatzteile für AQUATAK 1500 SI | F016F03017
Hersteller: BOSCH
Artikelnummer: EB-0600875032-F016F03017
Netto: 26,88 € zzgl. MwSt.
zzgl. 6,90 € Versand (brutto)
einmalig pro Bestellung

Lieferzeit: 5 Werktage

Pos.
2/11
BOSCH Schlauch | Ersatzteile für AQUATAK 1500 SI | F016F03119
Hersteller: BOSCH
Artikelnummer: EB-0600875032-F016F03119
nur Informationsartikel
Nie mehr lieferbar
keine Alternativen
Pos.
2/8
BOSCH Düse | Ersatzteile für AQUATAK 1500 SI | F016F03117
Hersteller: BOSCH
Artikelnummer: EB-0600875032-F016F03117
nur Informationsartikel
Nie mehr lieferbar
keine Alternativen

Angaben zur Produktsicherheit

Hersteller:
Robert Bosch Power Tools GmbH
Postfach 30 02 20
70442 Stuttgart

E-Mail:
kontakt@bosch.de