BOSCH Netzanschlussleitung THAILAND | Ersatzteile für AQUATAK 35-12 | F016F06049

Artikelnummer: EB-3600HA71K1-F016F06049

Position: 862

Marke: BOSCH


Bitte Kompatibilität prüfen!

Bitte prüfen Sie unbedingt die 10-stellige Typennummer Ihrer Maschine / Ihres Gerätes. Das Ersatzteil ist nur kompatibel, wenn Sie die Typennummer Ihrer Maschine in der unten stehenden Produktbeschreibung finden.

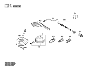
Bitte prüfen Sie ebenfalls detailliert die Explosionszeichnung mit Ihrem Artikelwunsch und der jeweiligen Pos-Nummer.

Alle Elemente, welche vom schwarzen Strich der Pos-Nummer ausgehend berührt / erfasst werden, gehören zu dieser Pos-Nummer und somit zu diesem Artikel. Jede Pos-Nummer ist ein eigenständiger Artikel, welchen Sie in der Auflistung finden.

Sie erhalten stets die aktuellste, neueste Produktversion zu der gewählten Pos-Nummer seitens des Herstellers. Es kann daher je nach Gerätealter vorkommen, dass Sie ggf. weitere, zugehörige Elemente, welche an diese Pos-Nummer grenzen, ebenfalls mittauschen müssen.

Nähere Informationen finden Sie unter dem Link
Hinweise zu Ihrer BOSCH Ersatzteilsuche

Preisübersicht

Einzelpreis: 15,75 €* (Brutto: 18,74 €)
Gesamtpreis: 15,75 €* 
Position:

Lieferzeit: 5 Werktage


Beschreibung

  • Netzanschlussleitung THAILAND
  • Original Bosch Zubehör / BOSCH Ersatzteil (F016F06049)
  • im Gerät verbaut: 1
Dieses BOSCH Ersatzteil ist mit folgendem Gerät und Modell kompatibel:
  • BOSCH Gerätename: AQUATAK 35-12
  • BOSCH Explosionszeichnung: Position 862
  • BOSCH Typennummer: 3600HA71K1
  • BOSCH Typennummer alternative Schreibweisen: 3 600 HA7 1K1, 3600 HA7 1K1, 3.600.HA7.1K1, 3-600-HA7-1K1
    Bitte prüfen Sie diese Typennummer auf Ihrem Gerät um die Kompatibilität des BOSCH Ersatzteils zu gewährleisten.
Weitere BOSCH Ersatzteile des Gerätes AQUATAK 35-12 (Hochdruckreiniger) mit der Typennummer 3600HA71K1 finden Sie in der nachfolgenden Darstellung und im Dropdown zu Ihrer Auswahl:

Pos.
801
BOSCH Elektromotor | Ersatzteile für AQUATAK 35-12 | F016F04456
Hersteller: BOSCH
Artikelnummer: EB-3600HA71K1-F016F04456
nur Informationsartikel
Nie mehr lieferbar
keine Alternativen
Pos.
808
BOSCH Typschild | Ersatzteile für AQUATAK 35-12 | F016F05083
Hersteller: BOSCH
Artikelnummer: EB-3600HA71K1-F016F05083
Netto: 4,53 € zzgl. MwSt.
zzgl. 6,90 € Versand (brutto)
einmalig pro Bestellung

Lieferzeit: 5 Werktage

Pos.
809
BOSCH Warnzettel | Ersatzteile für AQUATAK 35-12 | F016F05435
Hersteller: BOSCH
Artikelnummer: EB-3600HA71K1-F016F05435
Netto: 4,53 € zzgl. MwSt.
zzgl. 6,90 € Versand (brutto)
einmalig pro Bestellung

Lieferzeit: 5 Werktage

Pos.
810
BOSCH Torx-Zylinderschraube | Ersatzteile für AQUATAK 35-12 | F016F04810
Hersteller: BOSCH
Artikelnummer: EB-3600HA71K1-F016F04810
Netto: 3,63 € zzgl. MwSt.
zzgl. 6,90 € Versand (brutto)
einmalig pro Bestellung

Lieferzeit: 5 Werktage

Pos.
811
BOSCH Frontverkleidung | Ersatzteile für AQUATAK 35-12 | F016F04449
Hersteller: BOSCH
Artikelnummer: EB-3600HA71K1-F016F04449
Netto: 26,88 € zzgl. MwSt.
zzgl. 6,90 € Versand (brutto)
einmalig pro Bestellung

Lieferzeit: 5 Werktage

Pos.
812
BOSCH Frontverkleidung | Ersatzteile für AQUATAK 35-12 | F016F04451
Hersteller: BOSCH
Artikelnummer: EB-3600HA71K1-F016F04451
Netto: 8,33 € zzgl. MwSt.
zzgl. 6,90 € Versand (brutto)
einmalig pro Bestellung

Lieferzeit: 5 Werktage

Pos.
813
BOSCH Frontverkleidung | Ersatzteile für AQUATAK 35-12 | F016F04452
Hersteller: BOSCH
Artikelnummer: EB-3600HA71K1-F016F04452
Netto: 6,15 € zzgl. MwSt.
zzgl. 6,90 € Versand (brutto)
einmalig pro Bestellung

Lieferzeit: 5 Werktage

Pos.
820
BOSCH Abdeckung | Ersatzteile für AQUATAK 35-12 | F016F04454
Hersteller: BOSCH
Artikelnummer: EB-3600HA71K1-F016F04454
Netto: 35,77 € zzgl. MwSt.
zzgl. 6,90 € Versand (brutto)
einmalig pro Bestellung

Lieferzeit: 5 Werktage

Pos.
842
BOSCH O-Ring Ø 63 X 2,65 MM | Ersatzteile für AQUATAK 35-12 | F016F05637
Hersteller: BOSCH
Artikelnummer: EB-3600HA71K1-F016F05637
Netto: 3,94 € zzgl. MwSt.
zzgl. 6,90 € Versand (brutto)
einmalig pro Bestellung

Lieferzeit: 5 Werktage

Pos.
843
BOSCH O-Ring | Ersatzteile für AQUATAK 35-12 | F016F05402
Hersteller: BOSCH
Artikelnummer: EB-3600HA71K1-F016F05402
Netto: 3,94 € zzgl. MwSt.
zzgl. 6,90 € Versand (brutto)
einmalig pro Bestellung

Lieferzeit: 63 Werktage

Pos.
845
BOSCH Schlauch | Ersatzteile für AQUATAK 35-12 | F016F04438
Hersteller: BOSCH
Artikelnummer: EB-3600HA71K1-F016F04438
Netto: 6,15 € zzgl. MwSt.
zzgl. 6,90 € Versand (brutto)
einmalig pro Bestellung

Lieferzeit: 5 Werktage

Pos.
850
BOSCH O-Ring | Ersatzteile für AQUATAK 35-12 | F016F04459
Hersteller: BOSCH
Artikelnummer: EB-3600HA71K1-F016F04459
Netto: 7,76 € zzgl. MwSt.
zzgl. 6,90 € Versand (brutto)
einmalig pro Bestellung

Lieferzeit: 5 Werktage

Pos.
851
BOSCH Pumpenkopf | Ersatzteile für AQUATAK 35-12 | F016F04443
Hersteller: BOSCH
Artikelnummer: EB-3600HA71K1-F016F04443
Netto: 19,18 € zzgl. MwSt.
zzgl. 6,90 € Versand (brutto)
einmalig pro Bestellung

Lieferzeit: 5 Werktage

Pos.
852
BOSCH Kolbenführung | Ersatzteile für AQUATAK 35-12 | F016F04441
Hersteller: BOSCH
Artikelnummer: EB-3600HA71K1-F016F04441
Netto: 8,33 € zzgl. MwSt.
zzgl. 6,90 € Versand (brutto)
einmalig pro Bestellung

Lieferzeit: 5 Werktage

Pos.
853
BOSCH Pumpeneinheit | Ersatzteile für AQUATAK 35-12 | F016F04440
Hersteller: BOSCH
Artikelnummer: EB-3600HA71K1-F016F04440
Netto: 12,98 € zzgl. MwSt.
zzgl. 6,90 € Versand (brutto)
einmalig pro Bestellung

Lieferzeit: 5 Werktage

Pos.
854
BOSCH Axiallager | Ersatzteile für AQUATAK 35-12 | F016F04803
Hersteller: BOSCH
Artikelnummer: EB-3600HA71K1-F016F04803
Netto: 5,67 € zzgl. MwSt.
zzgl. 6,90 € Versand (brutto)
einmalig pro Bestellung

Lieferzeit: 5 Werktage

Pos.
855
BOSCH Getriebekasten | Ersatzteile für AQUATAK 35-12 | F016F04446
Hersteller: BOSCH
Artikelnummer: EB-3600HA71K1-F016F04446
Netto: 10,92 € zzgl. MwSt.
zzgl. 6,90 € Versand (brutto)
einmalig pro Bestellung

Lieferzeit: 5 Werktage

Pos.
856
BOSCH Rückschlagventil | Ersatzteile für AQUATAK 35-12 | F016F04460
Hersteller: BOSCH
Artikelnummer: EB-3600HA71K1-F016F04460
Netto: 7,30 € zzgl. MwSt.
zzgl. 6,90 € Versand (brutto)
einmalig pro Bestellung

Lieferzeit: 5 Werktage

Pos.
857
BOSCH Clip | Ersatzteile für AQUATAK 35-12 | F016F04681
Hersteller: BOSCH
Artikelnummer: EB-3600HA71K1-F016F04681
Netto: 3,63 € zzgl. MwSt.
zzgl. 6,90 € Versand (brutto)
einmalig pro Bestellung

Lieferzeit: 5 Werktage

Pos.
860
BOSCH Motordeckel | Ersatzteile für AQUATAK 35-12 | F016F05450
Hersteller: BOSCH
Artikelnummer: EB-3600HA71K1-F016F05450
Netto: 9,18 € zzgl. MwSt.
zzgl. 6,90 € Versand (brutto)
einmalig pro Bestellung

Lieferzeit: 5 Werktage

Pos.
861
BOSCH Schaltkasten | Ersatzteile für AQUATAK 35-12 | F016F04439
Hersteller: BOSCH
Artikelnummer: EB-3600HA71K1-F016F04439
Netto: 29,45 € zzgl. MwSt.
zzgl. 6,90 € Versand (brutto)
einmalig pro Bestellung

Lieferzeit: 5 Werktage

Pos.
862
BOSCH Netzanschlussleitung THAILAND | Ersatzteile für AQUATAK 35-12 | F016F06049
Hersteller: BOSCH
Artikelnummer: EB-3600HA71K1-F016F06049
Netto: 15,75 € zzgl. MwSt.
zzgl. 6,90 € Versand (brutto)
einmalig pro Bestellung

Lieferzeit: 5 Werktage

Pos.
863
BOSCH Schalterbetaetiger | Ersatzteile für AQUATAK 35-12 | F016F04613
Hersteller: BOSCH
Artikelnummer: EB-3600HA71K1-F016F04613
Netto: 24,13 € zzgl. MwSt.
zzgl. 6,90 € Versand (brutto)
einmalig pro Bestellung

Lieferzeit: 5 Werktage

Pos.
870
BOSCH Dichtungssatz 2 X (5.3 X 1.6), 2 X (8X2), 2 X (7.X1.6) | Ersatzteile für AQUATAK 35-12 | F016F04458
Hersteller: BOSCH
Artikelnummer: EB-3600HA71K1-F016F04458
Netto: 7,30 € zzgl. MwSt.
zzgl. 6,90 € Versand (brutto)
einmalig pro Bestellung

Lieferzeit: 5 Werktage

Pos.
871
BOSCH Auslöser | Ersatzteile für AQUATAK 35-12 | F016F05280
Hersteller: BOSCH
Artikelnummer: EB-3600HA71K1-F016F05280
Netto: 24,13 € zzgl. MwSt.
zzgl. 6,90 € Versand (brutto)
einmalig pro Bestellung

Lieferzeit: 5 Werktage

Pos.
872
BOSCH Lanze | Ersatzteile für AQUATAK 35-12 | F016F05135
Hersteller: BOSCH
Artikelnummer: EB-3600HA71K1-F016F05135
Netto: 9,95 € zzgl. MwSt.
zzgl. 6,90 € Versand (brutto)
einmalig pro Bestellung

Lieferzeit: 5 Werktage

Pos.
876
BOSCH 3-in-1-Spritzdüse | Ersatzteile für AQUATAK 35-12 | F016F06188
Hersteller: BOSCH
Artikelnummer: EB-3600HA71K1-F016F06188
Netto: 9,18 € zzgl. MwSt.
zzgl. 6,90 € Versand (brutto)
einmalig pro Bestellung

Lieferzeit: 5 Werktage

Pos.
882
BOSCH Wasserfilter | Ersatzteile für AQUATAK 35-12 | F016F05052
Hersteller: BOSCH
Artikelnummer: EB-3600HA71K1-F016F05052
Netto: 5,19 € zzgl. MwSt.
zzgl. 6,90 € Versand (brutto)
einmalig pro Bestellung

Lieferzeit: 5 Werktage

Pos.
883
BOSCH Hochdruckschlauch 5 M | Ersatzteile für AQUATAK 35-12 | F016F05013
Hersteller: BOSCH
Artikelnummer: EB-3600HA71K1-F016F05013
Netto: 15,75 € zzgl. MwSt.
zzgl. 6,90 € Versand (brutto)
einmalig pro Bestellung

Lieferzeit: 5 Werktage

Pos.
884
BOSCH Schlauchkupplung | Ersatzteile für AQUATAK 35-12 | F016F05492
Hersteller: BOSCH
Artikelnummer: EB-3600HA71K1-F016F05492
Netto: 4,82 € zzgl. MwSt.
zzgl. 6,90 € Versand (brutto)
einmalig pro Bestellung

Lieferzeit: 5 Werktage

Pos.
885
BOSCH Düsenhalterkombination | Ersatzteile für AQUATAK 35-12 | F016F04671
Hersteller: BOSCH
Artikelnummer: EB-3600HA71K1-F016F04671
Netto: 8,33 € zzgl. MwSt.
zzgl. 6,90 € Versand (brutto)
einmalig pro Bestellung

Lieferzeit: 5 Werktage

Pos.
886
BOSCH Terrassenreiniger | Ersatzteile für AQUATAK 35-12 | F016F04461
Hersteller: BOSCH
Artikelnummer: EB-3600HA71K1-F016F04461
nur Informationsartikel
Nie mehr lieferbar
keine Alternativen
Pos.
888
BOSCH Wasserfilter | Ersatzteile für AQUATAK 35-12 | F016F05661
Hersteller: BOSCH
Artikelnummer: EB-3600HA71K1-F016F05661
Netto: 3,94 € zzgl. MwSt.
zzgl. 6,90 € Versand (brutto)
einmalig pro Bestellung

Lieferzeit: 5 Werktage

Pos.
889
BOSCH Wasserfilter | Ersatzteile für AQUATAK 35-12 | F016F06182
Hersteller: BOSCH
Artikelnummer: EB-3600HA71K1-F016F06182
Netto: 4,53 € zzgl. MwSt.
zzgl. 6,90 € Versand (brutto)
einmalig pro Bestellung

Lieferzeit: 5 Werktage

Angaben zur Produktsicherheit

Hersteller:
Robert Bosch Power Tools GmbH
Postfach 30 02 20
70442 Stuttgart

E-Mail:
kontakt@bosch.de