BOSCH Nippel | Ersatzteile für AQUATAK CLIC 125 | F016F03865

Artikelnummer: EB-3600H79040-F016F03865

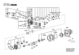
Position: 1/1/5

Marke: BOSCH


Bitte Kompatibilität prüfen!

Bitte prüfen Sie unbedingt die 10-stellige Typennummer Ihrer Maschine / Ihres Gerätes. Das Ersatzteil ist nur kompatibel, wenn Sie die Typennummer Ihrer Maschine in der unten stehenden Produktbeschreibung finden.

Bitte prüfen Sie ebenfalls detailliert die Explosionszeichnung mit Ihrem Artikelwunsch und der jeweiligen Pos-Nummer.

Alle Elemente, welche vom schwarzen Strich der Pos-Nummer ausgehend berührt / erfasst werden, gehören zu dieser Pos-Nummer und somit zu diesem Artikel. Jede Pos-Nummer ist ein eigenständiger Artikel, welchen Sie in der Auflistung finden.

Sie erhalten stets die aktuellste, neueste Produktversion zu der gewählten Pos-Nummer seitens des Herstellers. Es kann daher je nach Gerätealter vorkommen, dass Sie ggf. weitere, zugehörige Elemente, welche an diese Pos-Nummer grenzen, ebenfalls mittauschen müssen.

Nähere Informationen finden Sie unter dem Link
Hinweise zu Ihrer BOSCH Ersatzteilsuche

Preisübersicht

Einzelpreis: 3,63 €* (Brutto: 4,32 €)
Gesamtpreis: 3,63 €* 
Position:

Lieferzeit: 5 Werktage


Beschreibung

  • Nippel
  • Original Bosch Zubehör / BOSCH Ersatzteil (F016F03865)
  • im Gerät verbaut: 1
Dieses BOSCH Ersatzteil ist mit folgendem Gerät und Modell kompatibel:
  • BOSCH Gerätename: AQUATAK CLIC 125
  • BOSCH Explosionszeichnung: Position 1/1/5
  • BOSCH Typennummer: 3600H79040
  • BOSCH Typennummer alternative Schreibweisen: 3 600 H79 040, 3600 H79 040, 3.600.H79.040, 3-600-H79-040
    Bitte prüfen Sie diese Typennummer auf Ihrem Gerät um die Kompatibilität des BOSCH Ersatzteils zu gewährleisten.
Weitere BOSCH Ersatzteile des Gerätes AQUATAK CLIC 125 (Hochdruckreiniger) mit der Typennummer 3600H79040 finden Sie in der nachfolgenden Darstellung und im Dropdown zu Ihrer Auswahl:

Pos.
1/1
BOSCH Zylinderkopf | Ersatzteile für AQUATAK CLIC 125 | F016F03972
Hersteller: BOSCH
Artikelnummer: EB-3600H79040-F016F03972
Netto: 96,32 € zzgl. MwSt.
zzgl. 6,90 € Versand (brutto)
einmalig pro Bestellung

Lieferzeit: 5 Werktage

Pos.
1/1/1
BOSCH Haken | Ersatzteile für AQUATAK CLIC 125 | F016F03862
Hersteller: BOSCH
Artikelnummer: EB-3600H79040-F016F03862
nur Informationsartikel
Nie mehr lieferbar
keine Alternativen
Pos.
1/1/10
BOSCH Kolben | Ersatzteile für AQUATAK CLIC 125 | F016F03958
Hersteller: BOSCH
Artikelnummer: EB-3600H79040-F016F03958
nur Informationsartikel
Nie mehr lieferbar
keine Alternativen
Pos.
1/1/11
BOSCH Kolben | Ersatzteile für AQUATAK CLIC 125 | F016F03944
Hersteller: BOSCH
Artikelnummer: EB-3600H79040-F016F03944
nur Informationsartikel
Nie mehr lieferbar
keine Alternativen
Pos.
1/1/112
BOSCH Düse | Ersatzteile für AQUATAK CLIC 125 | F016F03967
Hersteller: BOSCH
Artikelnummer: EB-3600H79040-F016F03967
nur Informationsartikel
Nie mehr lieferbar
keine Alternativen
Pos.
1/1/12
BOSCH O-Ring | Ersatzteile für AQUATAK CLIC 125 | F016F03924
Hersteller: BOSCH
Artikelnummer: EB-3600H79040-F016F03924
Netto: 3,63 € zzgl. MwSt.
zzgl. 6,90 € Versand (brutto)
einmalig pro Bestellung

Lieferzeit: 5 Werktage

Pos.
1/1/13
BOSCH O-Ring | Ersatzteile für AQUATAK CLIC 125 | F016F03925
Hersteller: BOSCH
Artikelnummer: EB-3600H79040-F016F03925
Netto: 3,63 € zzgl. MwSt.
zzgl. 6,90 € Versand (brutto)
einmalig pro Bestellung

Lieferzeit: 5 Werktage

Pos.
1/1/14
BOSCH Ventil | Ersatzteile für AQUATAK CLIC 125 | F016F03941
Hersteller: BOSCH
Artikelnummer: EB-3600H79040-F016F03941
Netto: 3,63 € zzgl. MwSt.
zzgl. 6,90 € Versand (brutto)
einmalig pro Bestellung

Lieferzeit: 5 Werktage

Pos.
1/1/15
BOSCH Druckfeder | Ersatzteile für AQUATAK CLIC 125 | F016F03935
Hersteller: BOSCH
Artikelnummer: EB-3600H79040-F016F03935
Netto: 3,63 € zzgl. MwSt.
zzgl. 6,90 € Versand (brutto)
einmalig pro Bestellung

Lieferzeit: 5 Werktage

Pos.
1/1/17
BOSCH O-Ring | Ersatzteile für AQUATAK CLIC 125 | F016F03923
Hersteller: BOSCH
Artikelnummer: EB-3600H79040-F016F03923
Netto: 3,63 € zzgl. MwSt.
zzgl. 6,90 € Versand (brutto)
einmalig pro Bestellung

Lieferzeit: 5 Werktage

Pos.
1/1/18
BOSCH Düse | Ersatzteile für AQUATAK CLIC 125 | F016F03945
Hersteller: BOSCH
Artikelnummer: EB-3600H79040-F016F03945
Netto: 3,63 € zzgl. MwSt.
zzgl. 6,90 € Versand (brutto)
einmalig pro Bestellung

Lieferzeit: 5 Werktage

Pos.
1/1/19
BOSCH Lagerbuchse | Ersatzteile für AQUATAK CLIC 125 | F016F03929
Hersteller: BOSCH
Artikelnummer: EB-3600H79040-F016F03929
Netto: 4,82 € zzgl. MwSt.
zzgl. 6,90 € Versand (brutto)
einmalig pro Bestellung

Lieferzeit: 5 Werktage

Pos.
1/1/2
BOSCH Mikroschalter | Ersatzteile für AQUATAK CLIC 125 | F016F03863
Hersteller: BOSCH
Artikelnummer: EB-3600H79040-F016F03863
Netto: 9,18 € zzgl. MwSt.
zzgl. 6,90 € Versand (brutto)
einmalig pro Bestellung

Lieferzeit: 5 Werktage

Pos.
1/1/21
BOSCH Ventil | Ersatzteile für AQUATAK CLIC 125 | F016F03970
Hersteller: BOSCH
Artikelnummer: EB-3600H79040-F016F03970
Netto: 3,63 € zzgl. MwSt.
zzgl. 6,90 € Versand (brutto)
einmalig pro Bestellung

Lieferzeit: 5 Werktage

Pos.
1/1/22
BOSCH O-Ring | Ersatzteile für AQUATAK CLIC 125 | F016F03919
Hersteller: BOSCH
Artikelnummer: EB-3600H79040-F016F03919
nur Informationsartikel
Nie mehr lieferbar
keine Alternativen
Pos.
1/1/23
BOSCH Lagerbuchse | Ersatzteile für AQUATAK CLIC 125 | F016F03927
Hersteller: BOSCH
Artikelnummer: EB-3600H79040-F016F03927
Netto: 3,63 € zzgl. MwSt.
zzgl. 6,90 € Versand (brutto)
einmalig pro Bestellung

Lieferzeit: 5 Werktage

Pos.
1/1/24
BOSCH Beilegring | Ersatzteile für AQUATAK CLIC 125 | F016F03938
Hersteller: BOSCH
Artikelnummer: EB-3600H79040-F016F03938
Netto: 3,63 € zzgl. MwSt.
zzgl. 6,90 € Versand (brutto)
einmalig pro Bestellung

Lieferzeit: 5 Werktage

Pos.
1/1/25
BOSCH Nippel | Ersatzteile für AQUATAK CLIC 125 | F016F03942
Hersteller: BOSCH
Artikelnummer: EB-3600H79040-F016F03942
nur Informationsartikel
Nie mehr lieferbar
keine Alternativen
Pos.
1/1/26
BOSCH O-Ring | Ersatzteile für AQUATAK CLIC 125 | F016F03921
Hersteller: BOSCH
Artikelnummer: EB-3600H79040-F016F03921
Netto: 3,63 € zzgl. MwSt.
zzgl. 6,90 € Versand (brutto)
einmalig pro Bestellung

Lieferzeit: 5 Werktage

Pos.
1/1/27
BOSCH Druckfeder | Ersatzteile für AQUATAK CLIC 125 | F016F03934
Hersteller: BOSCH
Artikelnummer: EB-3600H79040-F016F03934
Netto: 3,63 € zzgl. MwSt.
zzgl. 6,90 € Versand (brutto)
einmalig pro Bestellung

Lieferzeit: 5 Werktage

Pos.
1/1/28
BOSCH Kugel | Ersatzteile für AQUATAK CLIC 125 | F016F03965
Hersteller: BOSCH
Artikelnummer: EB-3600H79040-F016F03965
Netto: 3,63 € zzgl. MwSt.
zzgl. 6,90 € Versand (brutto)
einmalig pro Bestellung

Lieferzeit: 5 Werktage

Pos.
1/1/29
BOSCH O-Ring | Ersatzteile für AQUATAK CLIC 125 | F016F03922
Hersteller: BOSCH
Artikelnummer: EB-3600H79040-F016F03922
Netto: 3,63 € zzgl. MwSt.
zzgl. 6,90 € Versand (brutto)
einmalig pro Bestellung

Lieferzeit: 5 Werktage

Pos.
1/1/3
BOSCH Klemmstück | Ersatzteile für AQUATAK CLIC 125 | F016F03864
Hersteller: BOSCH
Artikelnummer: EB-3600H79040-F016F03864
nur Informationsartikel
Nie mehr lieferbar
keine Alternativen
Pos.
1/1/30
BOSCH Nippel | Ersatzteile für AQUATAK CLIC 125 | F016F03943
Hersteller: BOSCH
Artikelnummer: EB-3600H79040-F016F03943
nur Informationsartikel
Nie mehr lieferbar
keine Alternativen
Pos.
1/1/31
BOSCH O-Ring 8,73x1,78 MM | Ersatzteile für AQUATAK CLIC 125 | F016F03483
Hersteller: BOSCH
Artikelnummer: EB-3600H79040-F016F03483
Netto: 3,63 € zzgl. MwSt.
zzgl. 6,90 € Versand (brutto)
einmalig pro Bestellung

Lieferzeit: 5 Werktage

Pos.
1/1/34
BOSCH Abdeckung | Ersatzteile für AQUATAK CLIC 125 | F016F03939
Hersteller: BOSCH
Artikelnummer: EB-3600H79040-F016F03939
nur Informationsartikel
Nie mehr lieferbar
keine Alternativen
Pos.
1/1/35
BOSCH Steuerkopf | Ersatzteile für AQUATAK CLIC 125 | F016F03932
Hersteller: BOSCH
Artikelnummer: EB-3600H79040-F016F03932
Netto: 35,77 € zzgl. MwSt.
zzgl. 6,90 € Versand (brutto)
einmalig pro Bestellung

Lieferzeit: 5 Werktage

Pos.
1/1/36
BOSCH Steckerstift | Ersatzteile für AQUATAK CLIC 125 | F016F03969
Hersteller: BOSCH
Artikelnummer: EB-3600H79040-F016F03969
nur Informationsartikel
Nie mehr lieferbar
keine Alternativen
Pos.
1/1/37
BOSCH Schraube M6x50 | Ersatzteile für AQUATAK CLIC 125 | F016F03371
Hersteller: BOSCH
Artikelnummer: EB-3600H79040-F016F03371
Netto: 8,33 € zzgl. MwSt.
zzgl. 6,90 € Versand (brutto)
einmalig pro Bestellung

Lieferzeit: 5 Werktage

Pos.
1/1/4
BOSCH O-Ring | Ersatzteile für AQUATAK CLIC 125 | F016F03867
Hersteller: BOSCH
Artikelnummer: EB-3600H79040-F016F03867
nur Informationsartikel
Nie mehr lieferbar
keine Alternativen
Pos.
1/1/5
BOSCH Nippel | Ersatzteile für AQUATAK CLIC 125 | F016F03865
Hersteller: BOSCH
Artikelnummer: EB-3600H79040-F016F03865
Netto: 3,63 € zzgl. MwSt.
zzgl. 6,90 € Versand (brutto)
einmalig pro Bestellung

Lieferzeit: 5 Werktage

Pos.
1/1/67
BOSCH Steckerstift | Ersatzteile für AQUATAK CLIC 125 | F016F04101
Hersteller: BOSCH
Artikelnummer: EB-3600H79040-F016F04101
nur Informationsartikel
Nie mehr lieferbar
keine Alternativen
Pos.
1/1/7
BOSCH Beilegring | Ersatzteile für AQUATAK CLIC 125 | F016F03866
Hersteller: BOSCH
Artikelnummer: EB-3600H79040-F016F03866
nur Informationsartikel
Nie mehr lieferbar
keine Alternativen
Pos.
1/1/8
BOSCH Druckfeder | Ersatzteile für AQUATAK CLIC 125 | F016F03936
Hersteller: BOSCH
Artikelnummer: EB-3600H79040-F016F03936
nur Informationsartikel
Nie mehr lieferbar
keine Alternativen
Pos.
1/1/9
BOSCH O-Ring | Ersatzteile für AQUATAK CLIC 125 | F016F03926
Hersteller: BOSCH
Artikelnummer: EB-3600H79040-F016F03926
Netto: 4,32 € zzgl. MwSt.
zzgl. 6,90 € Versand (brutto)
einmalig pro Bestellung

Lieferzeit: 5 Werktage

Pos.
1/100
BOSCH Abdeckung | Ersatzteile für AQUATAK CLIC 125 | F016F03980
Hersteller: BOSCH
Artikelnummer: EB-3600H79040-F016F03980
nur Informationsartikel
Nie mehr lieferbar
keine Alternativen
Pos.
1/101
BOSCH Lagerbuchse | Ersatzteile für AQUATAK CLIC 125 | F016F03968
Hersteller: BOSCH
Artikelnummer: EB-3600H79040-F016F03968
nur Informationsartikel
Nie mehr lieferbar
keine Alternativen
Pos.
1/102
BOSCH O-Ring | Ersatzteile für AQUATAK CLIC 125 | F016F03484
Hersteller: BOSCH
Artikelnummer: EB-3600H79040-F016F03484
Netto: 3,63 € zzgl. MwSt.
zzgl. 6,90 € Versand (brutto)
einmalig pro Bestellung

Lieferzeit: 5 Werktage

Pos.
1/103
BOSCH O-Ring | Ersatzteile für AQUATAK CLIC 125 | F016F03920
Hersteller: BOSCH
Artikelnummer: EB-3600H79040-F016F03920
nur Informationsartikel
Nie mehr lieferbar
keine Alternativen
Pos.
1/104
BOSCH Verteilerrohrsatz | Ersatzteile für AQUATAK CLIC 125 | F016F03966
Hersteller: BOSCH
Artikelnummer: EB-3600H79040-F016F03966
Netto: 26,88 € zzgl. MwSt.
zzgl. 6,90 € Versand (brutto)
einmalig pro Bestellung

Lieferzeit: 5 Werktage

Pos.
1/114
BOSCH Luftverteiler | Ersatzteile für AQUATAK CLIC 125 | F016F03959
Hersteller: BOSCH
Artikelnummer: EB-3600H79040-F016F03959
nur Informationsartikel
Nie mehr lieferbar
keine Alternativen
Pos.
1/114
BOSCH Packung | Ersatzteile für AQUATAK CLIC 125 | F016F03933
Hersteller: BOSCH
Artikelnummer: EB-3600H79040-F016F03933
nur Informationsartikel
Nie mehr lieferbar
keine Alternativen
Pos.
1/115
BOSCH O-Ring | Ersatzteile für AQUATAK CLIC 125 | F016F03761
Hersteller: BOSCH
Artikelnummer: EB-3600H79040-F016F03761
Netto: 3,63 € zzgl. MwSt.
zzgl. 6,90 € Versand (brutto)
einmalig pro Bestellung

Lieferzeit: 5 Werktage

Pos.
1/116
BOSCH Schraube 4,8x16 ZINC | Ersatzteile für AQUATAK CLIC 125 | F016F03034
Hersteller: BOSCH
Artikelnummer: EB-3600H79040-F016F03034
Netto: 3,63 € zzgl. MwSt.
zzgl. 6,90 € Versand (brutto)
einmalig pro Bestellung

Lieferzeit: 5 Werktage

Pos.
1/12
BOSCH Getriebegehäuse | Ersatzteile für AQUATAK CLIC 125 | F016F03974
Hersteller: BOSCH
Artikelnummer: EB-3600H79040-F016F03974
nur Informationsartikel
Nie mehr lieferbar
keine Alternativen
Pos.
1/12/50
BOSCH Lagerbuchse | Ersatzteile für AQUATAK CLIC 125 | F016F03962
Hersteller: BOSCH
Artikelnummer: EB-3600H79040-F016F03962
Netto: 3,63 € zzgl. MwSt.
zzgl. 6,90 € Versand (brutto)
einmalig pro Bestellung

Lieferzeit: 5 Werktage

Pos.
1/12/52
BOSCH O-Ring | Ersatzteile für AQUATAK CLIC 125 | F016F03753
Hersteller: BOSCH
Artikelnummer: EB-3600H79040-F016F03753
nur Informationsartikel
Nie mehr lieferbar
keine Alternativen
Pos.
1/121
BOSCH Anschlussverschraubung | Ersatzteile für AQUATAK CLIC 125 | F016F03359
Hersteller: BOSCH
Artikelnummer: EB-3600H79040-F016F03359
nur Informationsartikel
Nie mehr lieferbar
keine Alternativen
Pos.
1/122
BOSCH Durchführungsfilter | Ersatzteile für AQUATAK CLIC 125 | F016F03884
Hersteller: BOSCH
Artikelnummer: EB-3600H79040-F016F03884
Netto: 3,63 € zzgl. MwSt.
zzgl. 6,90 € Versand (brutto)
einmalig pro Bestellung

Lieferzeit: 5 Werktage

Pos.
1/123
BOSCH Verschlussstopfen | Ersatzteile für AQUATAK CLIC 125 | F016F04130
Hersteller: BOSCH
Artikelnummer: EB-3600H79040-F016F04130
Netto: 3,63 € zzgl. MwSt.
zzgl. 6,90 € Versand (brutto)
einmalig pro Bestellung

Lieferzeit: 5 Werktage

Pos.
1/2
BOSCH Pumpenflansch | Ersatzteile für AQUATAK CLIC 125 | F016F03973
Hersteller: BOSCH
Artikelnummer: EB-3600H79040-F016F03973
nur Informationsartikel
Nie mehr lieferbar
keine Alternativen
Pos.
1/2/38
BOSCH Lagerbuchse | Ersatzteile für AQUATAK CLIC 125 | F016F03963
Hersteller: BOSCH
Artikelnummer: EB-3600H79040-F016F03963
Netto: 5,67 € zzgl. MwSt.
zzgl. 6,90 € Versand (brutto)
einmalig pro Bestellung

Lieferzeit: 5 Werktage

Pos.
1/3
BOSCH Verbindungkabel | Ersatzteile für AQUATAK CLIC 125 | F016F03975
Hersteller: BOSCH
Artikelnummer: EB-3600H79040-F016F03975
nur Informationsartikel
Nie mehr lieferbar
keine Alternativen
Pos.
1/44
BOSCH Vorlegscheibe | Ersatzteile für AQUATAK CLIC 125 | F016F03918
Hersteller: BOSCH
Artikelnummer: EB-3600H79040-F016F03918
nur Informationsartikel
Nie mehr lieferbar
keine Alternativen
Pos.
1/45
BOSCH Lager | Ersatzteile für AQUATAK CLIC 125 | F016F03916
Hersteller: BOSCH
Artikelnummer: EB-3600H79040-F016F03916
nur Informationsartikel
Nie mehr lieferbar
keine Alternativen
Pos.
1/46
BOSCH Vorlegscheibe | Ersatzteile für AQUATAK CLIC 125 | F016F03917
Hersteller: BOSCH
Artikelnummer: EB-3600H79040-F016F03917
nur Informationsartikel
Nie mehr lieferbar
keine Alternativen
Pos.
1/54
BOSCH Elektromotor | Ersatzteile für AQUATAK CLIC 125 | F016F03977
Hersteller: BOSCH
Artikelnummer: EB-3600H79040-F016F03977
nur Informationsartikel
Nie mehr lieferbar
keine Alternativen
Pos.
1/58
BOSCH Dichtung | Ersatzteile für AQUATAK CLIC 125 | F016F03928
Hersteller: BOSCH
Artikelnummer: EB-3600H79040-F016F03928
nur Informationsartikel
Nie mehr lieferbar
keine Alternativen
Pos.
1/6
BOSCH Lüftergehäuse | Ersatzteile für AQUATAK CLIC 125 | F016F03976
Hersteller: BOSCH
Artikelnummer: EB-3600H79040-F016F03976
Netto: 17,38 € zzgl. MwSt.
zzgl. 6,90 € Versand (brutto)
einmalig pro Bestellung

Lieferzeit: 5 Werktage

Pos.
1/6/59
BOSCH Schraube | Ersatzteile für AQUATAK CLIC 125 | F016F03989
Hersteller: BOSCH
Artikelnummer: EB-3600H79040-F016F03989
nur Informationsartikel
Nie mehr lieferbar
keine Alternativen
Pos.
1/62
BOSCH Schraube | Ersatzteile für AQUATAK CLIC 125 | F016F03517
Hersteller: BOSCH
Artikelnummer: EB-3600H79040-F016F03517
Netto: 4,53 € zzgl. MwSt.
zzgl. 6,90 € Versand (brutto)
einmalig pro Bestellung

Lieferzeit: 5 Werktage

Pos.
1/66
BOSCH Zubehörablage | Ersatzteile für AQUATAK CLIC 125 | F016F03955
Hersteller: BOSCH
Artikelnummer: EB-3600H79040-F016F03956
Netto: 4,53 € zzgl. MwSt.
zzgl. 6,90 € Versand (brutto)
einmalig pro Bestellung

Lieferzeit: 5 Werktage

Pos.
1/7
BOSCH Gehäuse | Ersatzteile für AQUATAK CLIC 125 | F016F03971
Hersteller: BOSCH
Artikelnummer: EB-3600H79040-F016F03971
Netto: 35,77 € zzgl. MwSt.
zzgl. 6,90 € Versand (brutto)
einmalig pro Bestellung

Lieferzeit: 5 Werktage

Pos.
1/75
BOSCH Kappe | Ersatzteile für AQUATAK CLIC 125 | F016F03951
Hersteller: BOSCH
Artikelnummer: EB-3600H79040-F016F03951
Netto: 3,63 € zzgl. MwSt.
zzgl. 6,90 € Versand (brutto)
einmalig pro Bestellung

Lieferzeit: 5 Werktage

Pos.
1/76
BOSCH Rolle | Ersatzteile für AQUATAK CLIC 125 | F016F03964
Hersteller: BOSCH
Artikelnummer: EB-3600H79040-F016F03964
Netto: 7,76 € zzgl. MwSt.
zzgl. 6,90 € Versand (brutto)
einmalig pro Bestellung

Lieferzeit: 5 Werktage

Pos.
1/80
BOSCH Zubehörablage | Ersatzteile für AQUATAK CLIC 125 | F016F03954
Hersteller: BOSCH
Artikelnummer: EB-3600H79040-F016F03954
Netto: 5,67 € zzgl. MwSt.
zzgl. 6,90 € Versand (brutto)
einmalig pro Bestellung

Lieferzeit: 5 Werktage

Pos.
1/81
BOSCH Motorhaube | Ersatzteile für AQUATAK CLIC 125 | F016F03961
Hersteller: BOSCH
Artikelnummer: EB-3600H79040-F016F03961
nur Informationsartikel
Nie mehr lieferbar
keine Alternativen
Pos.
1/82
BOSCH Motorhaube | Ersatzteile für AQUATAK CLIC 125 | F016F03960
Hersteller: BOSCH
Artikelnummer: EB-3600H79040-F016F03960
Netto: 5,67 € zzgl. MwSt.
zzgl. 6,90 € Versand (brutto)
einmalig pro Bestellung

Lieferzeit: 5 Werktage

Pos.
1/83
BOSCH Zubehörablage | Ersatzteile für AQUATAK CLIC 125 | F016F03957
Hersteller: BOSCH
Artikelnummer: EB-3600H79040-F016F03957
Netto: 5,19 € zzgl. MwSt.
zzgl. 6,90 € Versand (brutto)
einmalig pro Bestellung

Lieferzeit: 5 Werktage

Pos.
1/85
BOSCH Handgriff | Ersatzteile für AQUATAK CLIC 125 | F016F03948
Hersteller: BOSCH
Artikelnummer: EB-3600H79040-F016F03948
Netto: 9,95 € zzgl. MwSt.
zzgl. 6,90 € Versand (brutto)
einmalig pro Bestellung

Lieferzeit: 5 Werktage

Pos.
1/86
BOSCH Tank | Ersatzteile für AQUATAK CLIC 125 | F016F03953
Hersteller: BOSCH
Artikelnummer: EB-3600H79040-F016F03953
Netto: 11,92 € zzgl. MwSt.
zzgl. 6,90 € Versand (brutto)
einmalig pro Bestellung

Lieferzeit: 5 Werktage

Pos.
1/87
BOSCH Pfropfen | Ersatzteile für AQUATAK CLIC 125 | F016F03952
Hersteller: BOSCH
Artikelnummer: EB-3600H79040-F016F03952
nur Informationsartikel
Nie mehr lieferbar
keine Alternativen
Pos.
1/88/1
BOSCH Aussengehäuse | Ersatzteile für AQUATAK CLIC 125 | F016F03981
Hersteller: BOSCH
Artikelnummer: EB-3600H79040-F016F03981
Netto: 14,92 € zzgl. MwSt.
zzgl. 6,90 € Versand (brutto)
einmalig pro Bestellung

Lieferzeit: 5 Werktage

Pos.
1/88/2
BOSCH Netzanschlussleitung | Ersatzteile für AQUATAK CLIC 125 | 2609004478
Hersteller: BOSCH
Artikelnummer: EB-3600H79040-2609004478
nur Informationsartikel
Nie mehr lieferbar
keine Alternativen
Pos.
1/88/3
BOSCH Trommeleinheit | Ersatzteile für AQUATAK CLIC 125 | F016F03990
Hersteller: BOSCH
Artikelnummer: EB-3600H79040-F016F03990
nur Informationsartikel
Nie mehr lieferbar
keine Alternativen
Pos.
1/88/3/4
BOSCH Hochdruckschlauch | Ersatzteile für AQUATAK CLIC 125 | F016F03983
Hersteller: BOSCH
Artikelnummer: EB-3600H79040-F016F03983
nur Informationsartikel
Nie mehr lieferbar
keine Alternativen
Pos.
1/88/5
BOSCH Abdeckkappe | Ersatzteile für AQUATAK CLIC 125 | F016F03985
Hersteller: BOSCH
Artikelnummer: EB-3600H79040-F016F03985
nur Informationsartikel
Nie mehr lieferbar
keine Alternativen
Pos.
1/89
BOSCH O-Ring | Ersatzteile für AQUATAK CLIC 125 | F016F03509
Hersteller: BOSCH
Artikelnummer: EB-3600H79040-F016F03509
Netto: 3,63 € zzgl. MwSt.
zzgl. 6,90 € Versand (brutto)
einmalig pro Bestellung

Lieferzeit: 5 Werktage

Pos.
1/90
BOSCH Schaltergehäuse | Ersatzteile für AQUATAK CLIC 125 | F016F04118
Hersteller: BOSCH
Artikelnummer: EB-3600H79040-F016F04118
Netto: 6,70 € zzgl. MwSt.
zzgl. 6,90 € Versand (brutto)
einmalig pro Bestellung

Lieferzeit: 5 Werktage

Pos.
1/91
BOSCH Schalterdeckel | Ersatzteile für AQUATAK CLIC 125 | F016F04119
Hersteller: BOSCH
Artikelnummer: EB-3600H79040-F016F04119
Netto: 4,32 € zzgl. MwSt.
zzgl. 6,90 € Versand (brutto)
einmalig pro Bestellung

Lieferzeit: 5 Werktage

Pos.
1/92
BOSCH Feder | Ersatzteile für AQUATAK CLIC 125 | F016F03937
Hersteller: BOSCH
Artikelnummer: EB-3600H79040-F016F03937
Netto: 3,63 € zzgl. MwSt.
zzgl. 6,90 € Versand (brutto)
einmalig pro Bestellung

Lieferzeit: 5 Werktage

Pos.
1/93
BOSCH Flachschalter | Ersatzteile für AQUATAK CLIC 125 | F016F03931
Hersteller: BOSCH
Artikelnummer: EB-3600H79040-F016F03931
Netto: 7,30 € zzgl. MwSt.
zzgl. 6,90 € Versand (brutto)
einmalig pro Bestellung

Lieferzeit: 5 Werktage

Pos.
1/94
BOSCH Schalterknopf | Ersatzteile für AQUATAK CLIC 125 | F016F04122
Hersteller: BOSCH
Artikelnummer: EB-3600H79040-F016F04122
nur Informationsartikel
Nie mehr lieferbar
keine Alternativen
Pos.
1/95
BOSCH Verbindungkabel | Ersatzteile für AQUATAK CLIC 125 | F016F03930
Hersteller: BOSCH
Artikelnummer: EB-3600H79040-F016F03930
Netto: 8,33 € zzgl. MwSt.
zzgl. 6,90 € Versand (brutto)
einmalig pro Bestellung

Lieferzeit: 5 Werktage

Pos.
1/97
BOSCH Schraube 4x16 | Ersatzteile für AQUATAK CLIC 125 | F016F03079
Hersteller: BOSCH
Artikelnummer: EB-3600H79040-F016F03079
nur Informationsartikel
Nie mehr lieferbar
keine Alternativen
Pos.
1/98
BOSCH Gehäuse | Ersatzteile für AQUATAK CLIC 125 | F016F03949
Hersteller: BOSCH
Artikelnummer: EB-3600H79040-F016F03949
nur Informationsartikel
Nie mehr lieferbar
keine Alternativen
Pos.
2/1
BOSCH Handgriff | Ersatzteile für AQUATAK CLIC 125 | F016F03978
Hersteller: BOSCH
Artikelnummer: EB-3600H79040-F016F03978
Netto: 39,11 € zzgl. MwSt.
zzgl. 6,90 € Versand (brutto)
einmalig pro Bestellung

Lieferzeit: 5 Werktage

Pos.
2/1/2
BOSCH Anschlagplatte | Ersatzteile für AQUATAK CLIC 125 | F016F03988
Hersteller: BOSCH
Artikelnummer: EB-3600H79040-F016F03988
Netto: 3,63 € zzgl. MwSt.
zzgl. 6,90 € Versand (brutto)
einmalig pro Bestellung

Lieferzeit: 5 Werktage

Pos.
2/3
BOSCH Strahlrohr | Ersatzteile für AQUATAK CLIC 125 | F016F03979
Hersteller: BOSCH
Artikelnummer: EB-3600H79040-F016F03979
nur Informationsartikel
Nie mehr lieferbar
keine Alternativen
Pos.
2/3/4
BOSCH O-Ring | Ersatzteile für AQUATAK CLIC 125 | F016F03541
Hersteller: BOSCH
Artikelnummer: EB-3600H79040-F016F03541
nur Informationsartikel
Nie mehr lieferbar
keine Alternativen
Pos.
805
BOSCH Schlauch | Ersatzteile für AQUATAK CLIC 125 | F016L72004
Hersteller: BOSCH
Artikelnummer: EB-3600H79040-F016L72004
Netto: 6,70 € zzgl. MwSt.
zzgl. 6,90 € Versand (brutto)
einmalig pro Bestellung

Lieferzeit: 5 Werktage

Angaben zur Produktsicherheit

Hersteller:
Robert Bosch Power Tools GmbH
Postfach 30 02 20
70442 Stuttgart

E-Mail:
kontakt@bosch.de