BOSCH Spiralfeder | Ersatzteile für ARM 32 | F016T49633

Artikelnummer: EB-0600897242-F016T49633

Position: 75/09

Marke: BOSCH


Bitte Kompatibilität prüfen!

Bitte prüfen Sie unbedingt die 10-stellige Typennummer Ihrer Maschine / Ihres Gerätes. Das Ersatzteil ist nur kompatibel, wenn Sie die Typennummer Ihrer Maschine in der unten stehenden Produktbeschreibung finden.

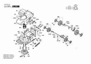
Bitte prüfen Sie ebenfalls detailliert die Explosionszeichnung mit Ihrem Artikelwunsch und der jeweiligen Pos-Nummer.

Alle Elemente, welche vom schwarzen Strich der Pos-Nummer ausgehend berührt / erfasst werden, gehören zu dieser Pos-Nummer und somit zu diesem Artikel. Jede Pos-Nummer ist ein eigenständiger Artikel, welchen Sie in der Auflistung finden.

Sie erhalten stets die aktuellste, neueste Produktversion zu der gewählten Pos-Nummer seitens des Herstellers. Es kann daher je nach Gerätealter vorkommen, dass Sie ggf. weitere, zugehörige Elemente, welche an diese Pos-Nummer grenzen, ebenfalls mittauschen müssen.

Nähere Informationen finden Sie unter dem Link
Hinweise zu Ihrer BOSCH Ersatzteilsuche

Preisübersicht

Einzelpreis: 4,36 €* (Brutto: 5,19 €)
Gesamtpreis: 4,36 €* 
Position:

Lieferzeit: 5 Werktage


Beschreibung

  • Spiralfeder
  • Original Bosch Zubehör / BOSCH Ersatzteil (F016T49633)
  • im Gerät verbaut: 1
Dieses BOSCH Ersatzteil ist mit folgendem Gerät und Modell kompatibel:
  • BOSCH Gerätename: ARM 32
  • BOSCH Explosionszeichnung: Position 75/09
  • BOSCH Typennummer: 0600897242
  • BOSCH Typennummer alternative Schreibweisen: 0 600 897 242, 0600 897 242, 0.600.897.242, 0-600-897-242
    Bitte prüfen Sie diese Typennummer auf Ihrem Gerät um die Kompatibilität des BOSCH Ersatzteils zu gewährleisten.
Weitere BOSCH Ersatzteile des Gerätes ARM 32 (Rasenmäher) mit der Typennummer 0600897242 finden Sie in der nachfolgenden Darstellung und im Dropdown zu Ihrer Auswahl:

Pos.
39/16
BOSCH Kabelklemme | Ersatzteile für ARM 32 | F016L59236
Hersteller: BOSCH
Artikelnummer: EB-0600897242-F016L59236
nur Informationsartikel
Nie mehr lieferbar
keine Alternativen
Pos.
39/17
BOSCH Gelenkbolzen | Ersatzteile für ARM 32 | F016L62095
Hersteller: BOSCH
Artikelnummer: EB-0600897242-F016L62095
Netto: 3,60 € zzgl. MwSt.
zzgl. 6,90 € Versand (brutto)
einmalig pro Bestellung

Lieferzeit: 5 Werktage

Pos.
39/20
BOSCH Bolzen M6x50 | Ersatzteile für ARM 32 | F016L59277
Hersteller: BOSCH
Artikelnummer: EB-0600897242-F016L59277
nur Informationsartikel
Nie mehr lieferbar
keine Alternativen
Pos.
43/01
BOSCH Abdeckung GRUEN | Ersatzteile für ARM 32 | F016L62162
Hersteller: BOSCH
Artikelnummer: EB-0600897242-F016L62162
nur Informationsartikel
Nie mehr lieferbar
keine Alternativen
Pos.
43/04
BOSCH Verschlusskappe | Ersatzteile für ARM 32 | F016L59186
Hersteller: BOSCH
Artikelnummer: EB-0600897242-F016L59186
Netto: 3,94 € zzgl. MwSt.
zzgl. 6,90 € Versand (brutto)
einmalig pro Bestellung

Lieferzeit: 5 Werktage

Pos.
43/07
BOSCH Klemmhebel | Ersatzteile für ARM 32 | F016L59334
Hersteller: BOSCH
Artikelnummer: EB-0600897242-F016L59334
Netto: 3,60 € zzgl. MwSt.
zzgl. 6,90 € Versand (brutto)
einmalig pro Bestellung

Lieferzeit: 5 Werktage

Pos.
43/08
BOSCH Schutzblech | Ersatzteile für ARM 32 | F016L59311
Hersteller: BOSCH
Artikelnummer: EB-0600897242-F016L59311
Netto: 6,27 € zzgl. MwSt.
zzgl. 6,90 € Versand (brutto)
einmalig pro Bestellung

Lieferzeit: 5 Werktage

Pos.
43/09
BOSCH Scharnierstift | Ersatzteile für ARM 32 | F016L59353
Hersteller: BOSCH
Artikelnummer: EB-0600897242-F016L59353
Netto: 3,60 € zzgl. MwSt.
zzgl. 6,90 € Versand (brutto)
einmalig pro Bestellung

Lieferzeit: 5 Werktage

Pos.
43/10
BOSCH Schenkelfeder | Ersatzteile für ARM 32 | F016L59352
Hersteller: BOSCH
Artikelnummer: EB-0600897242-F016L59352
nur Informationsartikel
Nie mehr lieferbar
keine Alternativen
Pos.
52/02
BOSCH Verstellhebel | Ersatzteile für ARM 32 | F016L59324
Hersteller: BOSCH
Artikelnummer: EB-0600897242-F016L59324
nur Informationsartikel
Nie mehr lieferbar
keine Alternativen
Pos.
52/03
BOSCH Beilegring | Ersatzteile für ARM 32 | F016L59373
Hersteller: BOSCH
Artikelnummer: EB-0600897242-F016L59373
nur Informationsartikel
Nie mehr lieferbar
keine Alternativen
Pos.
61/01
BOSCH Achse | Ersatzteile für ARM 32 | F016L59315
Hersteller: BOSCH
Artikelnummer: EB-0600897242-F016L59315
nur Informationsartikel
Nie mehr lieferbar
keine Alternativen
Pos.
61/03
BOSCH Beilegring | Ersatzteile für ARM 32 | F016L59325
Hersteller: BOSCH
Artikelnummer: EB-0600897242-F016L59325
Netto: 3,60 € zzgl. MwSt.
zzgl. 6,90 € Versand (brutto)
einmalig pro Bestellung

Lieferzeit: 5 Werktage

Pos.
75/01
BOSCH Rohrgestell | Ersatzteile für ARM 32 | F016L62654
Hersteller: BOSCH
Artikelnummer: EB-0600897242-F016L62654
nur Informationsartikel
Nie mehr lieferbar
keine Alternativen
Pos.
75/06
BOSCH Kabelhalter | Ersatzteile für ARM 32 | F016T49630
Hersteller: BOSCH
Artikelnummer: EB-0600897242-F016T49630
nur Informationsartikel
Nie mehr lieferbar
keine Alternativen
Pos.
75/07
BOSCH Ein/Aus-Schalter | Ersatzteile für ARM 32 | F016F05717
Hersteller: BOSCH
Artikelnummer: EB-0600897242-F016F05717
Netto: 12,50 € zzgl. MwSt.
zzgl. 6,90 € Versand (brutto)
einmalig pro Bestellung

Lieferzeit: 5 Werktage

Pos.
75/09
BOSCH Spiralfeder | Ersatzteile für ARM 32 | F016T49633
Hersteller: BOSCH
Artikelnummer: EB-0600897242-F016T49633
Netto: 4,36 € zzgl. MwSt.
zzgl. 6,90 € Versand (brutto)
einmalig pro Bestellung

Lieferzeit: 5 Werktage

Pos.
75/11
BOSCH Druckfeder | Ersatzteile für ARM 32 | F016T49226
Hersteller: BOSCH
Artikelnummer: EB-0600897242-F016T49226
nur Informationsartikel
Nie mehr lieferbar
keine Alternativen
Pos.
75/16
BOSCH Zugentlastung | Ersatzteile für ARM 32 | F016L65387
Hersteller: BOSCH
Artikelnummer: EB-0600897242-F016L65387
Netto: 8,23 € zzgl. MwSt.
zzgl. 6,90 € Versand (brutto)
einmalig pro Bestellung

Lieferzeit: 5 Werktage

Pos.
75/21
BOSCH Halterung | Ersatzteile für ARM 32 | F016T49629
Hersteller: BOSCH
Artikelnummer: EB-0600897242-F016T49629
nur Informationsartikel
Nie mehr lieferbar
keine Alternativen
Pos.
75/22
BOSCH Halterung | Ersatzteile für ARM 32 | F016T49628
Hersteller: BOSCH
Artikelnummer: EB-0600897242-F016T49628
nur Informationsartikel
Nie mehr lieferbar
keine Alternativen
Pos.
80/01
BOSCH Auffangbehälter | Ersatzteile für ARM 32 | F016L62806
Hersteller: BOSCH
Artikelnummer: EB-0600897242-F016L62806
Netto: 12,50 € zzgl. MwSt.
zzgl. 6,90 € Versand (brutto)
einmalig pro Bestellung

Lieferzeit: 5 Werktage

Pos.
839/18
BOSCH Spanngriff | Ersatzteile für ARM 32 | F016L66136
Hersteller: BOSCH
Artikelnummer: EB-0600897242-F016L66136
Netto: 5,65 € zzgl. MwSt.
zzgl. 6,90 € Versand (brutto)
einmalig pro Bestellung

Lieferzeit: 5 Werktage

Pos.
861/02
BOSCH Höhenverstellung | Ersatzteile für ARM 32 | F016102101
Hersteller: BOSCH
Artikelnummer: EB-0600897242-F016102101
nur Informationsartikel
Nie mehr lieferbar
keine Alternativen
Pos.
875/02
BOSCH Netzanschlussleitung GB 22m 2 x 0,75mm without plug | Ersatzteile für ARM 32 | F016104085
Hersteller: BOSCH
Artikelnummer: EB-0600897242-F016104085
Netto: 25,97 € zzgl. MwSt.
zzgl. 6,90 € Versand (brutto)
einmalig pro Bestellung

Lieferzeit: 5 Werktage

Pos.
875/03
BOSCH Verbindungsleitung | Ersatzteile für ARM 32 | F016102164
Hersteller: BOSCH
Artikelnummer: EB-0600897242-F016102164
nur Informationsartikel
Nie mehr lieferbar
keine Alternativen
Pos.
875/04
BOSCH Montagesatz | Ersatzteile für ARM 32 | F016103136
Hersteller: BOSCH
Artikelnummer: EB-0600897242-F016103136
nur Informationsartikel
Nie mehr lieferbar
keine Alternativen
Pos.
875/18
BOSCH Steuerleiste | Ersatzteile für ARM 32 | F016102331
Hersteller: BOSCH
Artikelnummer: EB-0600897242-F016102331
nur Informationsartikel
Nie mehr lieferbar
keine Alternativen
Pos.
875/30
BOSCH Bügel | Ersatzteile für ARM 32 | F016102163
Hersteller: BOSCH
Artikelnummer: EB-0600897242-F016102163
nur Informationsartikel
Nie mehr lieferbar
keine Alternativen
Pos.
883/01
BOSCH Abdeckkappe | Ersatzteile für ARM 32 | F016L59370
Hersteller: BOSCH
Artikelnummer: EB-0600897242-F016L59370
nur Informationsartikel
Nie mehr lieferbar
keine Alternativen
Pos.
883/02
BOSCH Zeigerhalter | Ersatzteile für ARM 32 | F016L59150
Hersteller: BOSCH
Artikelnummer: EB-0600897242-F016L59150
nur Informationsartikel
Nie mehr lieferbar
keine Alternativen
Pos.
30
BOSCH Kabelhalter | Ersatzteile für ARM 32 | F016T46305
Hersteller: BOSCH
Artikelnummer: EB-0600897242-F016T46305
Netto: 3,94 € zzgl. MwSt.
zzgl. 6,90 € Versand (brutto)
einmalig pro Bestellung

Lieferzeit: 5 Werktage

Pos.
32
BOSCH Gewindebolzen M8x20 | Ersatzteile für ARM 32 | F016L11301
Hersteller: BOSCH
Artikelnummer: EB-0600897242-F016L11301
Netto: 3,60 € zzgl. MwSt.
zzgl. 6,90 € Versand (brutto)
einmalig pro Bestellung

Lieferzeit: 5 Werktage

Pos.
35
BOSCH Unterlegscheibe 8,5 MM | Ersatzteile für ARM 32 | F016L35411
Hersteller: BOSCH
Artikelnummer: EB-0600897242-F016L35411
Netto: 3,60 € zzgl. MwSt.
zzgl. 6,90 € Versand (brutto)
einmalig pro Bestellung

Lieferzeit: 5 Werktage

Pos.
37
BOSCH Federscheibe 5/16 SW SE | Ersatzteile für ARM 32 | F016L35307
Hersteller: BOSCH
Artikelnummer: EB-0600897242-F016L35307
Netto: 3,60 € zzgl. MwSt.
zzgl. 6,90 € Versand (brutto)
einmalig pro Bestellung

Lieferzeit: 5 Werktage

Pos.
38
BOSCH Verschlusskappe | Ersatzteile für ARM 32 | F016L61530
Hersteller: BOSCH
Artikelnummer: EB-0600897242-F016L61530
nur Informationsartikel
Nie mehr lieferbar
keine Alternativen
Pos.
40
BOSCH Gehäuseunterteil | Ersatzteile für ARM 32 | F016L59301
Hersteller: BOSCH
Artikelnummer: EB-0600897242-F016L59301
nur Informationsartikel
Nie mehr lieferbar
keine Alternativen
Pos.
55
BOSCH Mähmesser | Ersatzteile für ARM 32 | F016L59314
Hersteller: BOSCH
Artikelnummer: EB-0600897242-F016L59314
nur Informationsartikel
Nie mehr lieferbar
keine Alternativen
Pos.
83
BOSCH Verschlussdeckel | Ersatzteile für ARM 32 | F016L61774
Hersteller: BOSCH
Artikelnummer: EB-0600897242-F016L61774
nur Informationsartikel
Nie mehr lieferbar
keine Alternativen
Pos.
86
BOSCH Abdeckkappe | Ersatzteile für ARM 32 | F016L59159
Hersteller: BOSCH
Artikelnummer: EB-0600897242-F016L59159
Netto: 3,60 € zzgl. MwSt.
zzgl. 6,90 € Versand (brutto)
einmalig pro Bestellung

Lieferzeit: 5 Werktage

Pos.
87
BOSCH Abdeckung | Ersatzteile für ARM 32 | F016L59360
Hersteller: BOSCH
Artikelnummer: EB-0600897242-F016L59360
nur Informationsartikel
Nie mehr lieferbar
keine Alternativen
Pos.
91
BOSCH Gelenkteil | Ersatzteile für ARM 32 | F016L61882
Hersteller: BOSCH
Artikelnummer: EB-0600897242-F016L61882
nur Informationsartikel
Nie mehr lieferbar
keine Alternativen
Pos.
92
BOSCH Anzeige | Ersatzteile für ARM 32 | F016L59346
Hersteller: BOSCH
Artikelnummer: EB-0600897242-F016L59346
nur Informationsartikel
Nie mehr lieferbar
keine Alternativen
Pos.
94
BOSCH Stopfen | Ersatzteile für ARM 32 | F016L59372
Hersteller: BOSCH
Artikelnummer: EB-0600897242-F016L59372
Netto: 3,60 € zzgl. MwSt.
zzgl. 6,90 € Versand (brutto)
einmalig pro Bestellung

Lieferzeit: 5 Werktage

Pos.
95
BOSCH Abdeckung GRUEN | Ersatzteile für ARM 32 | F016L59318
Hersteller: BOSCH
Artikelnummer: EB-0600897242-F016L59318
Netto: 7,26 € zzgl. MwSt.
zzgl. 6,90 € Versand (brutto)
einmalig pro Bestellung

Lieferzeit: 5 Werktage

Pos.
98
BOSCH Schutzschild | Ersatzteile für ARM 32 | F016L61602
Hersteller: BOSCH
Artikelnummer: EB-0600897242-F016L61602
nur Informationsartikel
Nie mehr lieferbar
keine Alternativen
Pos.
99
BOSCH Feder | Ersatzteile für ARM 32 | F016L59327
Hersteller: BOSCH
Artikelnummer: EB-0600897242-F016L59327
Netto: 4,80 € zzgl. MwSt.
zzgl. 6,90 € Versand (brutto)
einmalig pro Bestellung

Lieferzeit: 5 Werktage

Pos.
100
BOSCH Schenkelfeder | Ersatzteile für ARM 32 | F016L61597
Hersteller: BOSCH
Artikelnummer: EB-0600897242-F016L61597
Netto: 3,60 € zzgl. MwSt.
zzgl. 6,90 € Versand (brutto)
einmalig pro Bestellung

Lieferzeit: 5 Werktage

Pos.
111
BOSCH Blattfeder | Ersatzteile für ARM 32 | F016L61609
Hersteller: BOSCH
Artikelnummer: EB-0600897242-F016L61609
Netto: 4,80 € zzgl. MwSt.
zzgl. 6,90 € Versand (brutto)
einmalig pro Bestellung

Lieferzeit: 5 Werktage

Pos.
120
BOSCH Klappe | Ersatzteile für ARM 32 | F016L61752
Hersteller: BOSCH
Artikelnummer: EB-0600897242-F016L61752
Netto: 3,60 € zzgl. MwSt.
zzgl. 6,90 € Versand (brutto)
einmalig pro Bestellung

Lieferzeit: 5 Werktage

Pos.
121
BOSCH Klammer | Ersatzteile für ARM 32 | F016L61751
Hersteller: BOSCH
Artikelnummer: EB-0600897242-F016L61751
nur Informationsartikel
Nie mehr lieferbar
keine Alternativen
Pos.
451
BOSCH Hinweisschild | Ersatzteile für ARM 32 | F016L59364
Hersteller: BOSCH
Artikelnummer: EB-0600897242-F016L59364
nur Informationsartikel
Nie mehr lieferbar
keine Alternativen
Pos.
453
BOSCH Warnschild | Ersatzteile für ARM 32 | F016L61441
Hersteller: BOSCH
Artikelnummer: EB-0600897242-F016L61441
nur Informationsartikel
Nie mehr lieferbar
keine Alternativen
Pos.
454
BOSCH Hinweisschild | Ersatzteile für ARM 32 | F016L61268
Hersteller: BOSCH
Artikelnummer: EB-0600897242-F016L61268
nur Informationsartikel
Nie mehr lieferbar
keine Alternativen
Pos.
500
BOSCH Halteklammer | Ersatzteile für ARM 32 | F016L61747
Hersteller: BOSCH
Artikelnummer: EB-0600897242-F016L61747
Netto: 3,60 € zzgl. MwSt.
zzgl. 6,90 € Versand (brutto)
einmalig pro Bestellung

Lieferzeit: 5 Werktage

Pos.
501
BOSCH Sicherungsring | Ersatzteile für ARM 32 | F016T46941
Hersteller: BOSCH
Artikelnummer: EB-0600897242-F016T46941
Netto: 3,94 € zzgl. MwSt.
zzgl. 6,90 € Versand (brutto)
einmalig pro Bestellung

Lieferzeit: 5 Werktage

Pos.
502
BOSCH Unterlegscheibe M5 | Ersatzteile für ARM 32 | F016T48428
Hersteller: BOSCH
Artikelnummer: EB-0600897242-F016T48428
nur Informationsartikel
Nie mehr lieferbar
keine Alternativen
Pos.
503
BOSCH Gewindeschneidschraube 4x19 MM | Ersatzteile für ARM 32 | F016T49429
Hersteller: BOSCH
Artikelnummer: EB-0600897242-F016T49429
Netto: 3,60 € zzgl. MwSt.
zzgl. 6,90 € Versand (brutto)
einmalig pro Bestellung

Lieferzeit: 5 Werktage

Pos.
510
BOSCH Unterlegscheibe | Ersatzteile für ARM 32 | F016L57338
Hersteller: BOSCH
Artikelnummer: EB-0600897242-F016L57338
nur Informationsartikel
Nie mehr lieferbar
keine Alternativen
Pos.
801
BOSCH Elektromotor | Ersatzteile für ARM 32 | F016L59335
Hersteller: BOSCH
Artikelnummer: EB-0600897242-F016L59335
nur Informationsartikel
Nie mehr lieferbar
keine Alternativen
Pos.
857
BOSCH Lüfter | Ersatzteile für ARM 32 | F016102328
Hersteller: BOSCH
Artikelnummer: EB-0600897242-F016102328
nur Informationsartikel
Nie mehr lieferbar
keine Alternativen
Pos.
859
BOSCH Mutter | Ersatzteile für ARM 32 | F016102096
Hersteller: BOSCH
Artikelnummer: EB-0600897242-F016102096
nur Informationsartikel
Nie mehr lieferbar
keine Alternativen
Pos.
878
BOSCH Rohrgestell | Ersatzteile für ARM 32 | F016102211
Hersteller: BOSCH
Artikelnummer: EB-0600897242-F016102211
nur Informationsartikel
Nie mehr lieferbar
keine Alternativen
Pos.
880
BOSCH Auffangbehälter | Ersatzteile für ARM 32 | F016102375
Hersteller: BOSCH
Artikelnummer: EB-0600897242-F016102375
nur Informationsartikel
Nie mehr lieferbar
keine Alternativen
Pos.
885
BOSCH Achse | Ersatzteile für ARM 32 | F016102106
Hersteller: BOSCH
Artikelnummer: EB-0600897242-F016102106
nur Informationsartikel
Nie mehr lieferbar
keine Alternativen
Pos.
888
BOSCH Rad | Ersatzteile für ARM 32 | F016102145
Hersteller: BOSCH
Artikelnummer: EB-0600897242-F016102145
nur Informationsartikel
Nie mehr lieferbar
keine Alternativen
Pos.
889
BOSCH Rad | Ersatzteile für ARM 32 | F016102146
Hersteller: BOSCH
Artikelnummer: EB-0600897242-F016102146
nur Informationsartikel
Nie mehr lieferbar
keine Alternativen
Pos.
8150
BOSCH Auswuchtstücke | Ersatzteile für ARM 32 | F016102207
Hersteller: BOSCH
Artikelnummer: EB-0600897242-F016102207
nur Informationsartikel
Nie mehr lieferbar
keine Alternativen

Angaben zur Produktsicherheit

Hersteller:
Robert Bosch Power Tools GmbH
Postfach 30 02 20
70442 Stuttgart

E-Mail:
kontakt@bosch.de