BOSCH Scharnierstift | Ersatzteile für ARM 32 ACCU | F016L59353

Artikelnummer: EB-0600898042-F016L59353

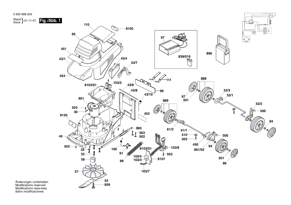
Position: 43/9

Marke: BOSCH


Bitte Kompatibilität prüfen!

Bitte prüfen Sie unbedingt die 10-stellige Typennummer Ihrer Maschine / Ihres Gerätes. Das Ersatzteil ist nur kompatibel, wenn Sie die Typennummer Ihrer Maschine in der unten stehenden Produktbeschreibung finden.

Bitte prüfen Sie ebenfalls detailliert die Explosionszeichnung mit Ihrem Artikelwunsch und der jeweiligen Pos-Nummer.

Alle Elemente, welche vom schwarzen Strich der Pos-Nummer ausgehend berührt / erfasst werden, gehören zu dieser Pos-Nummer und somit zu diesem Artikel. Jede Pos-Nummer ist ein eigenständiger Artikel, welchen Sie in der Auflistung finden.

Sie erhalten stets die aktuellste, neueste Produktversion zu der gewählten Pos-Nummer seitens des Herstellers. Es kann daher je nach Gerätealter vorkommen, dass Sie ggf. weitere, zugehörige Elemente, welche an diese Pos-Nummer grenzen, ebenfalls mittauschen müssen.

Nähere Informationen finden Sie unter dem Link
Hinweise zu Ihrer BOSCH Ersatzteilsuche

Preisübersicht

Einzelpreis: 3,60 €* (Brutto: 4,28 €)
Gesamtpreis: 3,60 €* 
Position:

Lieferzeit: 5 Werktage


Beschreibung

  • Scharnierstift
  • Original Bosch Zubehör / BOSCH Ersatzteil (F016L59353)
  • im Gerät verbaut: 1
Dieses BOSCH Ersatzteil ist mit folgendem Gerät und Modell kompatibel:
  • BOSCH Gerätename: ARM 32 ACCU
  • BOSCH Explosionszeichnung: Position 43/9
  • BOSCH Typennummer: 0600898042
  • BOSCH Typennummer alternative Schreibweisen: 0 600 898 042, 0600 898 042, 0.600.898.042, 0-600-898-042
    Bitte prüfen Sie diese Typennummer auf Ihrem Gerät um die Kompatibilität des BOSCH Ersatzteils zu gewährleisten.
Weitere BOSCH Ersatzteile des Gerätes ARM 32 ACCU (Rasenmäher) mit der Typennummer 0600898042 finden Sie in der nachfolgenden Darstellung und im Dropdown zu Ihrer Auswahl:

Pos.
103/3
BOSCH Steckverbindergehäuse | Ersatzteile für ARM 32 ACCU | F016L61468
Hersteller: BOSCH
Artikelnummer: EB-0600898042-F016L61468
nur Informationsartikel
Nie mehr lieferbar
keine Alternativen
Pos.
103/5
BOSCH Leitungsschutzschalter | Ersatzteile für ARM 32 ACCU | F016L61464
Hersteller: BOSCH
Artikelnummer: EB-0600898042-F016L61464
Netto: 7,76 € zzgl. MwSt.
zzgl. 6,90 € Versand (brutto)
einmalig pro Bestellung

Lieferzeit: 5 Werktage

Pos.
103/7
BOSCH Verbindungskabel | Ersatzteile für ARM 32 ACCU | F016L62049
Hersteller: BOSCH
Artikelnummer: EB-0600898042-F016L62049
nur Informationsartikel
Nie mehr lieferbar
keine Alternativen
Pos.
103/8
BOSCH Stellring | Ersatzteile für ARM 32 ACCU | F016L61796
Hersteller: BOSCH
Artikelnummer: EB-0600898042-F016L61796
nur Informationsartikel
Nie mehr lieferbar
keine Alternativen
Pos.
39/16
BOSCH Kabelklemme | Ersatzteile für ARM 32 ACCU | F016L59236
Hersteller: BOSCH
Artikelnummer: EB-0600898042-F016L59236
nur Informationsartikel
Nie mehr lieferbar
keine Alternativen
Pos.
39/17
BOSCH Gelenkbolzen | Ersatzteile für ARM 32 ACCU | F016L62095
Hersteller: BOSCH
Artikelnummer: EB-0600898042-F016L62095
Netto: 3,63 € zzgl. MwSt.
zzgl. 6,90 € Versand (brutto)
einmalig pro Bestellung

Lieferzeit: 5 Werktage

Pos.
39/20
BOSCH Bolzen M6x50 | Ersatzteile für ARM 32 ACCU | F016L59277
Hersteller: BOSCH
Artikelnummer: EB-0600898042-F016L59277
nur Informationsartikel
Nie mehr lieferbar
keine Alternativen
Pos.
43/1
BOSCH Gehäuse GRUEN | Ersatzteile für ARM 32 ACCU | F016L62161
Hersteller: BOSCH
Artikelnummer: EB-0600898042-F016L62161
nur Informationsartikel
Nie mehr lieferbar
keine Alternativen
Pos.
43/10
BOSCH Schenkelfeder | Ersatzteile für ARM 32 ACCU | F016L59352
Hersteller: BOSCH
Artikelnummer: EB-0600898042-F016L59352
nur Informationsartikel
Nie mehr lieferbar
keine Alternativen
Pos.
43/9
BOSCH Scharnierstift | Ersatzteile für ARM 32 ACCU | F016L59353
Hersteller: BOSCH
Artikelnummer: EB-0600898042-F016L59353
Netto: 3,60 € zzgl. MwSt.
zzgl. 6,90 € Versand (brutto)
einmalig pro Bestellung

Lieferzeit: 5 Werktage

Pos.
52/3
BOSCH Beilegring | Ersatzteile für ARM 32 ACCU | F016L59373
Hersteller: BOSCH
Artikelnummer: EB-0600898042-F016L59373
nur Informationsartikel
Nie mehr lieferbar
keine Alternativen
Pos.
75/1
BOSCH Rohrgestell | Ersatzteile für ARM 32 ACCU | F016L59351
Hersteller: BOSCH
Artikelnummer: EB-0600898042-F016L59351
nur Informationsartikel
Nie mehr lieferbar
keine Alternativen
Pos.
75/10
BOSCH Knopf | Ersatzteile für ARM 32 ACCU | F016T49223
Hersteller: BOSCH
Artikelnummer: EB-0600898042-F016T49223
nur Informationsartikel
Nie mehr lieferbar
keine Alternativen
Pos.
75/11
BOSCH Druckfeder | Ersatzteile für ARM 32 ACCU | F016T49226
Hersteller: BOSCH
Artikelnummer: EB-0600898042-F016T49226
nur Informationsartikel
Nie mehr lieferbar
keine Alternativen
Pos.
75/12
BOSCH Kabelhalter | Ersatzteile für ARM 32 ACCU | F016T49636
Hersteller: BOSCH
Artikelnummer: EB-0600898042-F016T49636
nur Informationsartikel
Nie mehr lieferbar
keine Alternativen
Pos.
75/15
BOSCH Hinweisschild | Ersatzteile für ARM 32 ACCU | F016L62122
Hersteller: BOSCH
Artikelnummer: EB-0600898042-F016L62122
nur Informationsartikel
Nie mehr lieferbar
keine Alternativen
Pos.
75/19
BOSCH Halterung | Ersatzteile für ARM 32 ACCU | F016T49634
Hersteller: BOSCH
Artikelnummer: EB-0600898042-F016T49634
nur Informationsartikel
Nie mehr lieferbar
keine Alternativen
Pos.
75/20
BOSCH Zylinderstift | Ersatzteile für ARM 32 ACCU | F016T56145
Hersteller: BOSCH
Artikelnummer: EB-0600898042-F016T56145
Netto: 3,63 € zzgl. MwSt.
zzgl. 6,90 € Versand (brutto)
einmalig pro Bestellung

Lieferzeit: 5 Werktage

Pos.
75/21
BOSCH Halterung | Ersatzteile für ARM 32 ACCU | F016T49629
Hersteller: BOSCH
Artikelnummer: EB-0600898042-F016T49629
nur Informationsartikel
Nie mehr lieferbar
keine Alternativen
Pos.
75/22
BOSCH Halterung | Ersatzteile für ARM 32 ACCU | F016T49628
Hersteller: BOSCH
Artikelnummer: EB-0600898042-F016T49628
nur Informationsartikel
Nie mehr lieferbar
keine Alternativen
Pos.
75/4
BOSCH Schalterdeckel | Ersatzteile für ARM 32 ACCU | F016L36449
Hersteller: BOSCH
Artikelnummer: EB-0600898042-F016L36449
nur Informationsartikel
Nie mehr lieferbar
keine Alternativen
Pos.
75/5
BOSCH Schaltergehäuse | Ersatzteile für ARM 32 ACCU | F016T49637
Hersteller: BOSCH
Artikelnummer: EB-0600898042-F016T49637
nur Informationsartikel
Nie mehr lieferbar
keine Alternativen
Pos.
75/6
BOSCH Kabelhalter | Ersatzteile für ARM 32 ACCU | F016T49630
Hersteller: BOSCH
Artikelnummer: EB-0600898042-F016T49630
nur Informationsartikel
Nie mehr lieferbar
keine Alternativen
Pos.
75/7
BOSCH Ein/Aus-Schalter | Ersatzteile für ARM 32 ACCU | F016L59288
Hersteller: BOSCH
Artikelnummer: EB-0600898042-F016L59288
Netto: 5,17 € zzgl. MwSt.
zzgl. 6,90 € Versand (brutto)
einmalig pro Bestellung

Lieferzeit: 5 Werktage

Pos.
75/8
BOSCH Endschalter | Ersatzteile für ARM 32 ACCU | F016T49627
Hersteller: BOSCH
Artikelnummer: EB-0600898042-F016T49627
Netto: 3,60 € zzgl. MwSt.
zzgl. 6,90 € Versand (brutto)
einmalig pro Bestellung

Lieferzeit: 5 Werktage

Pos.
75/9
BOSCH Spiralfeder | Ersatzteile für ARM 32 ACCU | F016T49633
Hersteller: BOSCH
Artikelnummer: EB-0600898042-F016T49633
Netto: 4,36 € zzgl. MwSt.
zzgl. 6,90 € Versand (brutto)
einmalig pro Bestellung

Lieferzeit: 5 Werktage

Pos.
839/018
BOSCH Spanngriff | Ersatzteile für ARM 32 ACCU | F016L66136
Hersteller: BOSCH
Artikelnummer: EB-0600898042-F016L66136
Netto: 5,67 € zzgl. MwSt.
zzgl. 6,90 € Versand (brutto)
einmalig pro Bestellung

Lieferzeit: 5 Werktage

Pos.
875/018
BOSCH Bügel | Ersatzteile für ARM 32 ACCU | F016102166
Hersteller: BOSCH
Artikelnummer: EB-0600898042-F016102166
Netto: 11,41 € zzgl. MwSt.
zzgl. 6,90 € Versand (brutto)
einmalig pro Bestellung

Lieferzeit: 5 Werktage

Pos.
875/03
BOSCH Verbindungsleitung | Ersatzteile für ARM 32 ACCU | F016102170
Hersteller: BOSCH
Artikelnummer: EB-0600898042-F016102170
nur Informationsartikel
Nie mehr lieferbar
keine Alternativen
Pos.
883/01
BOSCH Abdeckkappe | Ersatzteile für ARM 32 ACCU | F016L59370
Hersteller: BOSCH
Artikelnummer: EB-0600898042-F016L59370
nur Informationsartikel
Nie mehr lieferbar
keine Alternativen
Pos.
883/02
BOSCH Zeigerhalter | Ersatzteile für ARM 32 ACCU | F016L59150
Hersteller: BOSCH
Artikelnummer: EB-0600898042-F016L59150
nur Informationsartikel
Nie mehr lieferbar
keine Alternativen
Pos.
30
BOSCH Kabelhalter | Ersatzteile für ARM 32 ACCU | F016T46305
Hersteller: BOSCH
Artikelnummer: EB-0600898042-F016T46305
Netto: 3,94 € zzgl. MwSt.
zzgl. 6,90 € Versand (brutto)
einmalig pro Bestellung

Lieferzeit: 5 Werktage

Pos.
32
BOSCH Gewindebolzen M6x25 MM | Ersatzteile für ARM 32 ACCU | F016L11371
Hersteller: BOSCH
Artikelnummer: EB-0600898042-F016L11371
Netto: 4,53 € zzgl. MwSt.
zzgl. 6,90 € Versand (brutto)
einmalig pro Bestellung

Lieferzeit: 5 Werktage

Pos.
58
BOSCH Beilegring | Ersatzteile für ARM 32 ACCU | F016L61473
Hersteller: BOSCH
Artikelnummer: EB-0600898042-F016L61473
nur Informationsartikel
Nie mehr lieferbar
keine Alternativen
Pos.
80
BOSCH Auffangbehälter | Ersatzteile für ARM 32 ACCU | F016L62806
Hersteller: BOSCH
Artikelnummer: EB-0600898042-F016L62806
Netto: 12,50 € zzgl. MwSt.
zzgl. 6,90 € Versand (brutto)
einmalig pro Bestellung

Lieferzeit: 5 Werktage

Pos.
83
BOSCH Verschlussdeckel | Ersatzteile für ARM 32 ACCU | F016L61774
Hersteller: BOSCH
Artikelnummer: EB-0600898042-F016L61774
nur Informationsartikel
Nie mehr lieferbar
keine Alternativen
Pos.
87
BOSCH Abdeckung | Ersatzteile für ARM 32 ACCU | F016L59360
Hersteller: BOSCH
Artikelnummer: EB-0600898042-F016L59360
nur Informationsartikel
Nie mehr lieferbar
keine Alternativen
Pos.
91
BOSCH Gelenkteil | Ersatzteile für ARM 32 ACCU | F016L61882
Hersteller: BOSCH
Artikelnummer: EB-0600898042-F016L61882
nur Informationsartikel
Nie mehr lieferbar
keine Alternativen
Pos.
94
BOSCH Stopfen | Ersatzteile für ARM 32 ACCU | F016L59372
Hersteller: BOSCH
Artikelnummer: EB-0600898042-F016L59372
nur Informationsartikel
Nie mehr lieferbar
keine Alternativen
Pos.
99
BOSCH Feder | Ersatzteile für ARM 32 ACCU | F016L59327
Hersteller: BOSCH
Artikelnummer: EB-0600898042-F016L59327
Netto: 4,82 € zzgl. MwSt.
zzgl. 6,90 € Versand (brutto)
einmalig pro Bestellung

Lieferzeit: 5 Werktage

Pos.
100
BOSCH Schenkelfeder | Ersatzteile für ARM 32 ACCU | F016L61597
Hersteller: BOSCH
Artikelnummer: EB-0600898042-F016L61597
Netto: 3,60 € zzgl. MwSt.
zzgl. 6,90 € Versand (brutto)
einmalig pro Bestellung

Lieferzeit: 5 Werktage

Pos.
110
BOSCH Abdeckung | Ersatzteile für ARM 32 ACCU | F016L59377
Hersteller: BOSCH
Artikelnummer: EB-0600898042-F016L59377
nur Informationsartikel
Nie mehr lieferbar
keine Alternativen
Pos.
450
BOSCH Anzeige | Ersatzteile für ARM 32 ACCU | F016L59346
Hersteller: BOSCH
Artikelnummer: EB-0600898042-F016L59346
nur Informationsartikel
Nie mehr lieferbar
keine Alternativen
Pos.
451
BOSCH Hinweisschild | Ersatzteile für ARM 32 ACCU | F016L59393
Hersteller: BOSCH
Artikelnummer: EB-0600898042-F016L59393
nur Informationsartikel
Nie mehr lieferbar
keine Alternativen
Pos.
453
BOSCH Hinweisschild ACHTUNG | Ersatzteile für ARM 32 ACCU | F016L61442
Hersteller: BOSCH
Artikelnummer: EB-0600898042-F016L61442
nur Informationsartikel
Nie mehr lieferbar
keine Alternativen
Pos.
454
BOSCH Hinweisschild | Ersatzteile für ARM 32 ACCU | F016L61268
Hersteller: BOSCH
Artikelnummer: EB-0600898042-F016L61268
nur Informationsartikel
Nie mehr lieferbar
keine Alternativen
Pos.
500
BOSCH Halteklammer | Ersatzteile für ARM 32 ACCU | F016L61747
Hersteller: BOSCH
Artikelnummer: EB-0600898042-F016L61747
Netto: 3,60 € zzgl. MwSt.
zzgl. 6,90 € Versand (brutto)
einmalig pro Bestellung

Lieferzeit: 5 Werktage

Pos.
501
BOSCH Sicherungsring | Ersatzteile für ARM 32 ACCU | F016T46941
Hersteller: BOSCH
Artikelnummer: EB-0600898042-F016T46941
Netto: 3,94 € zzgl. MwSt.
zzgl. 6,90 € Versand (brutto)
einmalig pro Bestellung

Lieferzeit: 5 Werktage

Pos.
502
BOSCH Unterlegscheibe M5 | Ersatzteile für ARM 32 ACCU | F016T48428
Hersteller: BOSCH
Artikelnummer: EB-0600898042-F016T48428
nur Informationsartikel
Nie mehr lieferbar
keine Alternativen
Pos.
503
BOSCH Gewindeschneidschraube 4x19 MM | Ersatzteile für ARM 32 ACCU | F016T49429
Hersteller: BOSCH
Artikelnummer: EB-0600898042-F016T49429
Netto: 3,63 € zzgl. MwSt.
zzgl. 6,90 € Versand (brutto)
einmalig pro Bestellung

Lieferzeit: 5 Werktage

Pos.
801
BOSCH Elektromotor | Ersatzteile für ARM 32 ACCU | F016L59389
Hersteller: BOSCH
Artikelnummer: EB-0600898042-F016L59389
Netto: 116,63 € zzgl. MwSt.
zzgl. 6,90 € Versand (brutto)
einmalig pro Bestellung

Lieferzeit: 5 Werktage

Pos.
878
BOSCH Rohrgestell | Ersatzteile für ARM 32 ACCU | F016102211
Hersteller: BOSCH
Artikelnummer: EB-0600898042-F016102211
nur Informationsartikel
Nie mehr lieferbar
keine Alternativen

Angaben zur Produktsicherheit

Hersteller:
Robert Bosch Power Tools GmbH
Postfach 30 02 20
70442 Stuttgart

E-Mail:
kontakt@bosch.de