BOSCH Sicherungsring | Ersatzteile für ARM 32 E | F016T46941

Artikelnummer: EB-0600897137-F016T46941

Position: 501

Marke: BOSCH


Bitte Kompatibilität prüfen!

Bitte prüfen Sie unbedingt die 10-stellige Typennummer Ihrer Maschine / Ihres Gerätes. Das Ersatzteil ist nur kompatibel, wenn Sie die Typennummer Ihrer Maschine in der unten stehenden Produktbeschreibung finden.

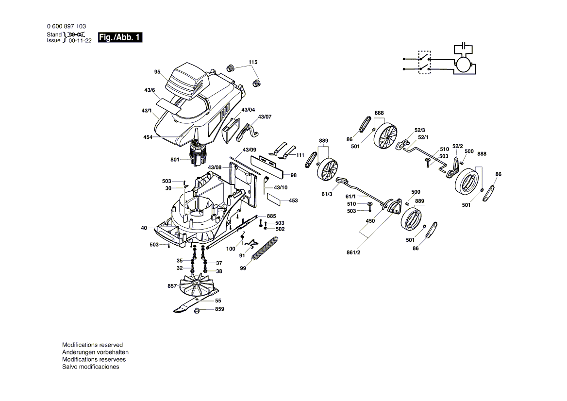
Bitte prüfen Sie ebenfalls detailliert die Explosionszeichnung mit Ihrem Artikelwunsch und der jeweiligen Pos-Nummer.

Alle Elemente, welche vom schwarzen Strich der Pos-Nummer ausgehend berührt / erfasst werden, gehören zu dieser Pos-Nummer und somit zu diesem Artikel. Jede Pos-Nummer ist ein eigenständiger Artikel, welchen Sie in der Auflistung finden.

Sie erhalten stets die aktuellste, neueste Produktversion zu der gewählten Pos-Nummer seitens des Herstellers. Es kann daher je nach Gerätealter vorkommen, dass Sie ggf. weitere, zugehörige Elemente, welche an diese Pos-Nummer grenzen, ebenfalls mittauschen müssen.

Nähere Informationen finden Sie unter dem Link
Hinweise zu Ihrer BOSCH Ersatzteilsuche

Preisübersicht

Einzelpreis: 3,94 €* (Brutto: 4,69 €)
Gesamtpreis: 3,94 €* 
Position:

Lieferzeit: 5 Werktage


Beschreibung

  • Sicherungsring
  • Original Bosch Zubehör / BOSCH Ersatzteil (F016T46941)
  • im Gerät verbaut: 1
Dieses BOSCH Ersatzteil ist mit folgendem Gerät und Modell kompatibel:
  • BOSCH Gerätename: ARM 32 E
  • BOSCH Explosionszeichnung: Position 501
  • BOSCH Typennummer: 0600897137
  • BOSCH Typennummer alternative Schreibweisen: 0 600 897 137, 0600 897 137, 0.600.897.137, 0-600-897-137
    Bitte prüfen Sie diese Typennummer auf Ihrem Gerät um die Kompatibilität des BOSCH Ersatzteils zu gewährleisten.
Weitere BOSCH Ersatzteile des Gerätes ARM 32 E (Rasenmäher) mit der Typennummer 0600897137 finden Sie in der nachfolgenden Darstellung und im Dropdown zu Ihrer Auswahl:

Pos.
39/15
BOSCH Zugentlastung | Ersatzteile für ARM 32 E | F016L65387
Hersteller: BOSCH
Artikelnummer: EB-0600897137-F016L65387
Netto: 8,33 € zzgl. MwSt.
zzgl. 6,90 € Versand (brutto)
einmalig pro Bestellung

Lieferzeit: 5 Werktage

Pos.
39/16
BOSCH Kabelhalter | Ersatzteile für ARM 32 E | F016L11580
Hersteller: BOSCH
Artikelnummer: EB-0600897137-F016L11580
nur Informationsartikel
Nie mehr lieferbar
keine Alternativen
Pos.
39/17
BOSCH Gelenkbolzen | Ersatzteile für ARM 32 E | F016L62095
Hersteller: BOSCH
Artikelnummer: EB-0600897137-F016L62095
Netto: 3,63 € zzgl. MwSt.
zzgl. 6,90 € Versand (brutto)
einmalig pro Bestellung

Lieferzeit: 5 Werktage

Pos.
39/20
BOSCH Bolzen M6x50 | Ersatzteile für ARM 32 E | F016L59277
Hersteller: BOSCH
Artikelnummer: EB-0600897137-F016L59277
nur Informationsartikel
Nie mehr lieferbar
keine Alternativen
Pos.
43/1
BOSCH Abdeckung GRUEN | Ersatzteile für ARM 32 E | F016L62162
Hersteller: BOSCH
Artikelnummer: EB-0600897137-F016L62162
nur Informationsartikel
Nie mehr lieferbar
keine Alternativen
Pos.
43/10
BOSCH Schenkelfeder | Ersatzteile für ARM 32 E | F016L59352
Hersteller: BOSCH
Artikelnummer: EB-0600897137-F016L59352
nur Informationsartikel
Nie mehr lieferbar
keine Alternativen
Pos.
43/6
BOSCH Hinweisschild | Ersatzteile für ARM 32 E | F016L62114
Hersteller: BOSCH
Artikelnummer: EB-0600897137-F016L62114
nur Informationsartikel
Nie mehr lieferbar
keine Alternativen
Pos.
52/3
BOSCH Beilegring | Ersatzteile für ARM 32 E | F016L59373
Hersteller: BOSCH
Artikelnummer: EB-0600897137-F016L59373
nur Informationsartikel
Nie mehr lieferbar
keine Alternativen
Pos.
75/01
BOSCH Griff | Ersatzteile für ARM 32 E | F016L57062
Hersteller: BOSCH
Artikelnummer: EB-0600897137-F016L57062
nur Informationsartikel
Nie mehr lieferbar
keine Alternativen
Pos.
75/06
BOSCH Klemmstück | Ersatzteile für ARM 32 E | F016T56180
Hersteller: BOSCH
Artikelnummer: EB-0600897137-F016T56180
Netto: 6,27 € zzgl. MwSt.
zzgl. 6,90 € Versand (brutto)
einmalig pro Bestellung

Lieferzeit: 5 Werktage

Pos.
75/07
BOSCH Ein/Aus-Schalter | Ersatzteile für ARM 32 E | F016F05717
Hersteller: BOSCH
Artikelnummer: EB-0600897137-F016F05717
Netto: 12,98 € zzgl. MwSt.
zzgl. 6,90 € Versand (brutto)
einmalig pro Bestellung

Lieferzeit: 5 Werktage

Pos.
75/08
BOSCH Stellhebel SCHWARZ | Ersatzteile für ARM 32 E | F016L65676
Hersteller: BOSCH
Artikelnummer: EB-0600897137-F016L65676
nur Informationsartikel
Nie mehr lieferbar
keine Alternativen
Pos.
75/09
BOSCH Federhebel | Ersatzteile für ARM 32 E | F016T49845
Hersteller: BOSCH
Artikelnummer: EB-0600897137-F016T49845
nur Informationsartikel
Nie mehr lieferbar
keine Alternativen
Pos.
75/11
BOSCH Druckfeder | Ersatzteile für ARM 32 E | F016T49226
Hersteller: BOSCH
Artikelnummer: EB-0600897137-F016T49226
nur Informationsartikel
Nie mehr lieferbar
keine Alternativen
Pos.
80/01
BOSCH Auffangbehälter | Ersatzteile für ARM 32 E | F016L62806
Hersteller: BOSCH
Artikelnummer: EB-0600897137-F016L62806
Netto: 12,50 € zzgl. MwSt.
zzgl. 6,90 € Versand (brutto)
einmalig pro Bestellung

Lieferzeit: 5 Werktage

Pos.
839/18
BOSCH Spanngriff | Ersatzteile für ARM 32 E | F016L66136
Hersteller: BOSCH
Artikelnummer: EB-0600897137-F016L66136
Netto: 5,67 € zzgl. MwSt.
zzgl. 6,90 € Versand (brutto)
einmalig pro Bestellung

Lieferzeit: 5 Werktage

Pos.
875/02
BOSCH Netzanschlussleitung | Ersatzteile für ARM 32 E | F016102381
Hersteller: BOSCH
Artikelnummer: EB-0600897137-F016102381
nur Informationsartikel
Nie mehr lieferbar
keine Alternativen
Pos.
875/03
BOSCH Verbindungsleitung | Ersatzteile für ARM 32 E | F016102107
Hersteller: BOSCH
Artikelnummer: EB-0600897137-F016102107
nur Informationsartikel
Nie mehr lieferbar
keine Alternativen
Pos.
875/04
BOSCH Montagesatz | Ersatzteile für ARM 32 E | F016103136
Hersteller: BOSCH
Artikelnummer: EB-0600897137-F016103136
nur Informationsartikel
Nie mehr lieferbar
keine Alternativen
Pos.
30
BOSCH Kabelhalter | Ersatzteile für ARM 32 E | F016T46305
Hersteller: BOSCH
Artikelnummer: EB-0600897137-F016T46305
Netto: 3,94 € zzgl. MwSt.
zzgl. 6,90 € Versand (brutto)
einmalig pro Bestellung

Lieferzeit: 5 Werktage

Pos.
38
BOSCH Verschlusskappe | Ersatzteile für ARM 32 E | F016L61530
Hersteller: BOSCH
Artikelnummer: EB-0600897137-F016L61530
nur Informationsartikel
Nie mehr lieferbar
keine Alternativen
Pos.
83
BOSCH Verschlussdeckel | Ersatzteile für ARM 32 E | F016L61773
Hersteller: BOSCH
Artikelnummer: EB-0600897137-F016L61773
Netto: 12,98 € zzgl. MwSt.
zzgl. 6,90 € Versand (brutto)
einmalig pro Bestellung

Lieferzeit: 5 Werktage

Pos.
86
BOSCH Verschlusskappe | Ersatzteile für ARM 32 E | F016L62104
Hersteller: BOSCH
Artikelnummer: EB-0600897137-F016L62104
Netto: 3,60 € zzgl. MwSt.
zzgl. 6,90 € Versand (brutto)
einmalig pro Bestellung

Lieferzeit: 5 Werktage

Pos.
91
BOSCH Gelenkteil | Ersatzteile für ARM 32 E | F016L61882
Hersteller: BOSCH
Artikelnummer: EB-0600897137-F016L61882
nur Informationsartikel
Nie mehr lieferbar
keine Alternativen
Pos.
99
BOSCH Feder | Ersatzteile für ARM 32 E | F016L59327
Hersteller: BOSCH
Artikelnummer: EB-0600897137-F016L59327
Netto: 4,82 € zzgl. MwSt.
zzgl. 6,90 € Versand (brutto)
einmalig pro Bestellung

Lieferzeit: 5 Werktage

Pos.
100
BOSCH Schenkelfeder | Ersatzteile für ARM 32 E | F016L61597
Hersteller: BOSCH
Artikelnummer: EB-0600897137-F016L61597
Netto: 3,60 € zzgl. MwSt.
zzgl. 6,90 € Versand (brutto)
einmalig pro Bestellung

Lieferzeit: 5 Werktage

Pos.
111
BOSCH Blattfeder | Ersatzteile für ARM 32 E | F016L61609
Hersteller: BOSCH
Artikelnummer: EB-0600897137-F016L61609
Netto: 4,80 € zzgl. MwSt.
zzgl. 6,90 € Versand (brutto)
einmalig pro Bestellung

Lieferzeit: 5 Werktage

Pos.
115
BOSCH Stecker | Ersatzteile für ARM 32 E | F016T48419
Hersteller: BOSCH
Artikelnummer: EB-0600897137-F016T48419
nur Informationsartikel
Nie mehr lieferbar
keine Alternativen
Pos.
453
BOSCH Warnschild | Ersatzteile für ARM 32 E | F016L61441
Hersteller: BOSCH
Artikelnummer: EB-0600897137-F016L61441
nur Informationsartikel
Nie mehr lieferbar
keine Alternativen
Pos.
454
BOSCH Hinweisschild | Ersatzteile für ARM 32 E | F016L61268
Hersteller: BOSCH
Artikelnummer: EB-0600897137-F016L61268
nur Informationsartikel
Nie mehr lieferbar
keine Alternativen
Pos.
500
BOSCH Halteklammer | Ersatzteile für ARM 32 E | F016L61747
Hersteller: BOSCH
Artikelnummer: EB-0600897137-F016L61747
Netto: 3,60 € zzgl. MwSt.
zzgl. 6,90 € Versand (brutto)
einmalig pro Bestellung

Lieferzeit: 5 Werktage

Pos.
501
BOSCH Sicherungsring | Ersatzteile für ARM 32 E | F016T46941
Hersteller: BOSCH
Artikelnummer: EB-0600897137-F016T46941
Netto: 3,94 € zzgl. MwSt.
zzgl. 6,90 € Versand (brutto)
einmalig pro Bestellung

Lieferzeit: 5 Werktage

Pos.
502
BOSCH Unterlegscheibe M5 | Ersatzteile für ARM 32 E | F016T48428
Hersteller: BOSCH
Artikelnummer: EB-0600897137-F016T48428
nur Informationsartikel
Nie mehr lieferbar
keine Alternativen
Pos.
503
BOSCH Gewindeschneidschraube 4x19 MM | Ersatzteile für ARM 32 E | F016T49429
Hersteller: BOSCH
Artikelnummer: EB-0600897137-F016T49429
Netto: 3,63 € zzgl. MwSt.
zzgl. 6,90 € Versand (brutto)
einmalig pro Bestellung

Lieferzeit: 5 Werktage

Pos.
878
BOSCH Handgriff | Ersatzteile für ARM 32 E | F016102263
Hersteller: BOSCH
Artikelnummer: EB-0600897137-F016102263
nur Informationsartikel
Nie mehr lieferbar
keine Alternativen
Pos.
880
BOSCH Auffangbehälter | Ersatzteile für ARM 32 E | F016102375
Hersteller: BOSCH
Artikelnummer: EB-0600897137-F016102375
nur Informationsartikel
Nie mehr lieferbar
keine Alternativen

Angaben zur Produktsicherheit

Hersteller:
Robert Bosch Power Tools GmbH
Postfach 30 02 20
70442 Stuttgart

E-Mail:
kontakt@bosch.de