BOSCH Sicherungsring | Ersatzteile für ARM 32 E | F016T46941

Artikelnummer: EB-0600897142-F016T46941

Position: 501

Marke: BOSCH


Bitte Kompatibilität prüfen!

Bitte prüfen Sie unbedingt die 10-stellige Typennummer Ihrer Maschine / Ihres Gerätes. Das Ersatzteil ist nur kompatibel, wenn Sie die Typennummer Ihrer Maschine in der unten stehenden Produktbeschreibung finden.

Bitte prüfen Sie ebenfalls detailliert die Explosionszeichnung mit Ihrem Artikelwunsch und der jeweiligen Pos-Nummer.

Alle Elemente, welche vom schwarzen Strich der Pos-Nummer ausgehend berührt / erfasst werden, gehören zu dieser Pos-Nummer und somit zu diesem Artikel. Jede Pos-Nummer ist ein eigenständiger Artikel, welchen Sie in der Auflistung finden.

Sie erhalten stets die aktuellste, neueste Produktversion zu der gewählten Pos-Nummer seitens des Herstellers. Es kann daher je nach Gerätealter vorkommen, dass Sie ggf. weitere, zugehörige Elemente, welche an diese Pos-Nummer grenzen, ebenfalls mittauschen müssen.

Nähere Informationen finden Sie unter dem Link
Hinweise zu Ihrer BOSCH Ersatzteilsuche

Preisübersicht

Einzelpreis: 3,94 €* (Brutto: 4,69 €)
Gesamtpreis: 3,94 €* 
Position:

Lieferzeit: 5 Werktage


Beschreibung

  • Sicherungsring
  • Original Bosch Zubehör / BOSCH Ersatzteil (F016T46941)
  • im Gerät verbaut: 1
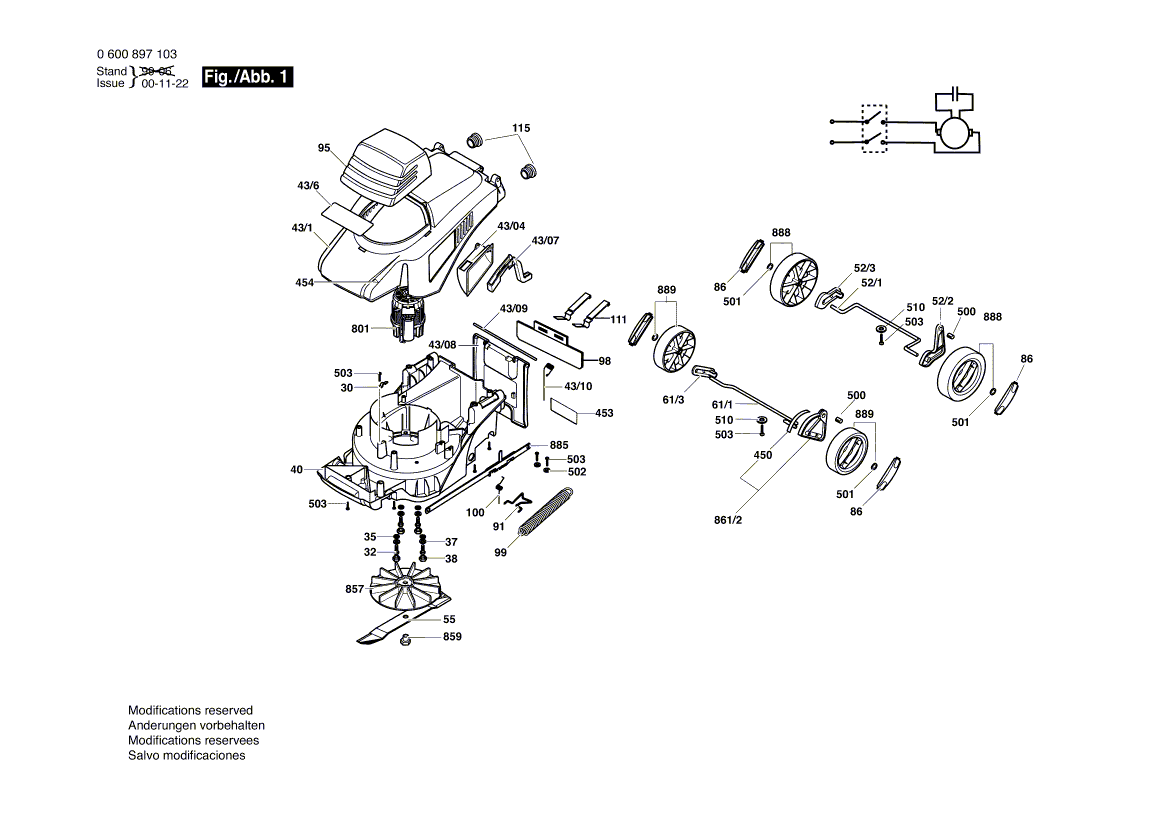
Dieses BOSCH Ersatzteil ist mit folgendem Gerät und Modell kompatibel:
  • BOSCH Gerätename: ARM 32 E
  • BOSCH Explosionszeichnung: Position 501
  • BOSCH Typennummer: 0600897142
  • BOSCH Typennummer alternative Schreibweisen: 0 600 897 142, 0600 897 142, 0.600.897.142, 0-600-897-142
    Bitte prüfen Sie diese Typennummer auf Ihrem Gerät um die Kompatibilität des BOSCH Ersatzteils zu gewährleisten.
Weitere BOSCH Ersatzteile des Gerätes ARM 32 E (Rasenmäher) mit der Typennummer 0600897142 finden Sie in der nachfolgenden Darstellung und im Dropdown zu Ihrer Auswahl:

Pos.
39/15
BOSCH Zugentlastung | Ersatzteile für ARM 32 E | F016L65387
Hersteller: BOSCH
Artikelnummer: EB-0600897142-F016L65387
Netto: 8,23 € zzgl. MwSt.
zzgl. 6,90 € Versand (brutto)
einmalig pro Bestellung

Lieferzeit: 5 Werktage

Pos.
39/16
BOSCH Kabelhalter | Ersatzteile für ARM 32 E | F016L11580
Hersteller: BOSCH
Artikelnummer: EB-0600897142-F016L11580
nur Informationsartikel
Nie mehr lieferbar
keine Alternativen
Pos.
39/17
BOSCH Gelenkbolzen | Ersatzteile für ARM 32 E | F016L62095
Hersteller: BOSCH
Artikelnummer: EB-0600897142-F016L62095
Netto: 3,60 € zzgl. MwSt.
zzgl. 6,90 € Versand (brutto)
einmalig pro Bestellung

Lieferzeit: 5 Werktage

Pos.
39/20
BOSCH Bolzen M6x50 | Ersatzteile für ARM 32 E | F016L59277
Hersteller: BOSCH
Artikelnummer: EB-0600897142-F016L59277
nur Informationsartikel
Nie mehr lieferbar
keine Alternativen
Pos.
43/04
BOSCH Verschlusskappe | Ersatzteile für ARM 32 E | F016L59186
Hersteller: BOSCH
Artikelnummer: EB-0600897142-F016L59186
Netto: 3,94 € zzgl. MwSt.
zzgl. 6,90 € Versand (brutto)
einmalig pro Bestellung

Lieferzeit: 5 Werktage

Pos.
43/07
BOSCH Klemmhebel | Ersatzteile für ARM 32 E | F016L59334
Hersteller: BOSCH
Artikelnummer: EB-0600897142-F016L59334
Netto: 3,60 € zzgl. MwSt.
zzgl. 6,90 € Versand (brutto)
einmalig pro Bestellung

Lieferzeit: 5 Werktage

Pos.
43/08
BOSCH Schutzblech | Ersatzteile für ARM 32 E | F016L59311
Hersteller: BOSCH
Artikelnummer: EB-0600897142-F016L59311
Netto: 6,27 € zzgl. MwSt.
zzgl. 6,90 € Versand (brutto)
einmalig pro Bestellung

Lieferzeit: 5 Werktage

Pos.
43/09
BOSCH Scharnierstift | Ersatzteile für ARM 32 E | F016L59353
Hersteller: BOSCH
Artikelnummer: EB-0600897142-F016L59353
Netto: 3,60 € zzgl. MwSt.
zzgl. 6,90 € Versand (brutto)
einmalig pro Bestellung

Lieferzeit: 5 Werktage

Pos.
43/1
BOSCH Abdeckung GRUEN | Ersatzteile für ARM 32 E | F016L62162
Hersteller: BOSCH
Artikelnummer: EB-0600897142-F016L62162
nur Informationsartikel
Nie mehr lieferbar
keine Alternativen
Pos.
43/10
BOSCH Schenkelfeder | Ersatzteile für ARM 32 E | F016L59352
Hersteller: BOSCH
Artikelnummer: EB-0600897142-F016L59352
nur Informationsartikel
Nie mehr lieferbar
keine Alternativen
Pos.
43/6
BOSCH Hinweisschild | Ersatzteile für ARM 32 E | F016L62114
Hersteller: BOSCH
Artikelnummer: EB-0600897142-F016L62114
nur Informationsartikel
Nie mehr lieferbar
keine Alternativen
Pos.
52/2
BOSCH Verstellhebel | Ersatzteile für ARM 32 E | F016L59324
Hersteller: BOSCH
Artikelnummer: EB-0600897142-F016L59324
nur Informationsartikel
Nie mehr lieferbar
keine Alternativen
Pos.
52/3
BOSCH Beilegring | Ersatzteile für ARM 32 E | F016L59373
Hersteller: BOSCH
Artikelnummer: EB-0600897142-F016L59373
nur Informationsartikel
Nie mehr lieferbar
keine Alternativen
Pos.
61/1
BOSCH Achse | Ersatzteile für ARM 32 E | F016L59315
Hersteller: BOSCH
Artikelnummer: EB-0600897142-F016L59315
nur Informationsartikel
Nie mehr lieferbar
keine Alternativen
Pos.
61/3
BOSCH Beilegring | Ersatzteile für ARM 32 E | F016L59325
Hersteller: BOSCH
Artikelnummer: EB-0600897142-F016L59325
Netto: 3,60 € zzgl. MwSt.
zzgl. 6,90 € Versand (brutto)
einmalig pro Bestellung

Lieferzeit: 5 Werktage

Pos.
75/01
BOSCH Griff | Ersatzteile für ARM 32 E | F016L57062
Hersteller: BOSCH
Artikelnummer: EB-0600897142-F016L57062
nur Informationsartikel
Nie mehr lieferbar
keine Alternativen
Pos.
75/06
BOSCH Klemmstück | Ersatzteile für ARM 32 E | F016T56180
Hersteller: BOSCH
Artikelnummer: EB-0600897142-F016T56180
Netto: 6,27 € zzgl. MwSt.
zzgl. 6,90 € Versand (brutto)
einmalig pro Bestellung

Lieferzeit: 5 Werktage

Pos.
75/07
BOSCH Ein/Aus-Schalter | Ersatzteile für ARM 32 E | F016F05717
Hersteller: BOSCH
Artikelnummer: EB-0600897142-F016F05717
Netto: 12,50 € zzgl. MwSt.
zzgl. 6,90 € Versand (brutto)
einmalig pro Bestellung

Lieferzeit: 5 Werktage

Pos.
75/08
BOSCH Stellhebel SCHWARZ | Ersatzteile für ARM 32 E | F016L65676
Hersteller: BOSCH
Artikelnummer: EB-0600897142-F016L65676
nur Informationsartikel
Nie mehr lieferbar
keine Alternativen
Pos.
75/09
BOSCH Federhebel | Ersatzteile für ARM 32 E | F016T49845
Hersteller: BOSCH
Artikelnummer: EB-0600897142-F016T49845
nur Informationsartikel
Nie mehr lieferbar
keine Alternativen
Pos.
75/11
BOSCH Druckfeder | Ersatzteile für ARM 32 E | F016T49226
Hersteller: BOSCH
Artikelnummer: EB-0600897142-F016T49226
nur Informationsartikel
Nie mehr lieferbar
keine Alternativen
Pos.
80/01
BOSCH Auffangbehälter | Ersatzteile für ARM 32 E | F016L62806
Hersteller: BOSCH
Artikelnummer: EB-0600897142-F016L62806
Netto: 12,50 € zzgl. MwSt.
zzgl. 6,90 € Versand (brutto)
einmalig pro Bestellung

Lieferzeit: 5 Werktage

Pos.
839/18
BOSCH Spanngriff | Ersatzteile für ARM 32 E | F016L66136
Hersteller: BOSCH
Artikelnummer: EB-0600897142-F016L66136
Netto: 5,65 € zzgl. MwSt.
zzgl. 6,90 € Versand (brutto)
einmalig pro Bestellung

Lieferzeit: 5 Werktage

Pos.
861/2
BOSCH Höhenverstellung | Ersatzteile für ARM 32 E | F016102101
Hersteller: BOSCH
Artikelnummer: EB-0600897142-F016102101
nur Informationsartikel
Nie mehr lieferbar
keine Alternativen
Pos.
875/02
BOSCH Netzanschlussleitung GB 22m 2 x 0,75mm without plug | Ersatzteile für ARM 32 E | F016104085
Hersteller: BOSCH
Artikelnummer: EB-0600897142-F016104085
Netto: 25,97 € zzgl. MwSt.
zzgl. 6,90 € Versand (brutto)
einmalig pro Bestellung

Lieferzeit: 5 Werktage

Pos.
875/03
BOSCH Verbindungsleitung | Ersatzteile für ARM 32 E | F016102107
Hersteller: BOSCH
Artikelnummer: EB-0600897142-F016102107
nur Informationsartikel
Nie mehr lieferbar
keine Alternativen
Pos.
875/04
BOSCH Montagesatz | Ersatzteile für ARM 32 E | F016103136
Hersteller: BOSCH
Artikelnummer: EB-0600897142-F016103136
nur Informationsartikel
Nie mehr lieferbar
keine Alternativen
Pos.
30
BOSCH Kabelhalter | Ersatzteile für ARM 32 E | F016T46305
Hersteller: BOSCH
Artikelnummer: EB-0600897142-F016T46305
Netto: 3,94 € zzgl. MwSt.
zzgl. 6,90 € Versand (brutto)
einmalig pro Bestellung

Lieferzeit: 5 Werktage

Pos.
32
BOSCH Gewindebolzen M8x20 | Ersatzteile für ARM 32 E | F016L11301
Hersteller: BOSCH
Artikelnummer: EB-0600897142-F016L11301
Netto: 3,60 € zzgl. MwSt.
zzgl. 6,90 € Versand (brutto)
einmalig pro Bestellung

Lieferzeit: 5 Werktage

Pos.
35
BOSCH Unterlegscheibe 8,5 MM | Ersatzteile für ARM 32 E | F016L35411
Hersteller: BOSCH
Artikelnummer: EB-0600897142-F016L35411
Netto: 3,60 € zzgl. MwSt.
zzgl. 6,90 € Versand (brutto)
einmalig pro Bestellung

Lieferzeit: 5 Werktage

Pos.
37
BOSCH Federscheibe 5/16 SW SE | Ersatzteile für ARM 32 E | F016L35307
Hersteller: BOSCH
Artikelnummer: EB-0600897142-F016L35307
Netto: 3,60 € zzgl. MwSt.
zzgl. 6,90 € Versand (brutto)
einmalig pro Bestellung

Lieferzeit: 5 Werktage

Pos.
38
BOSCH Verschlusskappe | Ersatzteile für ARM 32 E | F016L61530
Hersteller: BOSCH
Artikelnummer: EB-0600897142-F016L61530
nur Informationsartikel
Nie mehr lieferbar
keine Alternativen
Pos.
40
BOSCH Gehäuseunterteil | Ersatzteile für ARM 32 E | F016L59301
Hersteller: BOSCH
Artikelnummer: EB-0600897142-F016L59301
nur Informationsartikel
Nie mehr lieferbar
keine Alternativen
Pos.
55
BOSCH Mähmesser | Ersatzteile für ARM 32 E | F016L59314
Hersteller: BOSCH
Artikelnummer: EB-0600897142-F016L59314
nur Informationsartikel
Nie mehr lieferbar
keine Alternativen
Pos.
83
BOSCH Verschlussdeckel | Ersatzteile für ARM 32 E | F016L61773
Hersteller: BOSCH
Artikelnummer: EB-0600897142-F016L61773
Netto: 12,50 € zzgl. MwSt.
zzgl. 6,90 € Versand (brutto)
einmalig pro Bestellung

Lieferzeit: 5 Werktage

Pos.
86
BOSCH Verschlusskappe | Ersatzteile für ARM 32 E | F016L62104
Hersteller: BOSCH
Artikelnummer: EB-0600897142-F016L62104
Netto: 3,60 € zzgl. MwSt.
zzgl. 6,90 € Versand (brutto)
einmalig pro Bestellung

Lieferzeit: 5 Werktage

Pos.
91
BOSCH Gelenkteil | Ersatzteile für ARM 32 E | F016L61882
Hersteller: BOSCH
Artikelnummer: EB-0600897142-F016L61882
nur Informationsartikel
Nie mehr lieferbar
keine Alternativen
Pos.
95
BOSCH Abdeckung GRUEN | Ersatzteile für ARM 32 E | F016L59318
Hersteller: BOSCH
Artikelnummer: EB-0600897142-F016L59318
Netto: 7,26 € zzgl. MwSt.
zzgl. 6,90 € Versand (brutto)
einmalig pro Bestellung

Lieferzeit: 5 Werktage

Pos.
99
BOSCH Feder | Ersatzteile für ARM 32 E | F016L59327
Hersteller: BOSCH
Artikelnummer: EB-0600897142-F016L59327
Netto: 4,80 € zzgl. MwSt.
zzgl. 6,90 € Versand (brutto)
einmalig pro Bestellung

Lieferzeit: 5 Werktage

Pos.
100
BOSCH Schenkelfeder | Ersatzteile für ARM 32 E | F016L61597
Hersteller: BOSCH
Artikelnummer: EB-0600897142-F016L61597
Netto: 3,60 € zzgl. MwSt.
zzgl. 6,90 € Versand (brutto)
einmalig pro Bestellung

Lieferzeit: 5 Werktage

Pos.
111
BOSCH Blattfeder | Ersatzteile für ARM 32 E | F016L61609
Hersteller: BOSCH
Artikelnummer: EB-0600897142-F016L61609
Netto: 4,80 € zzgl. MwSt.
zzgl. 6,90 € Versand (brutto)
einmalig pro Bestellung

Lieferzeit: 5 Werktage

Pos.
115
BOSCH Stecker | Ersatzteile für ARM 32 E | F016T48419
Hersteller: BOSCH
Artikelnummer: EB-0600897142-F016T48419
nur Informationsartikel
Nie mehr lieferbar
keine Alternativen
Pos.
450
BOSCH Anzeige | Ersatzteile für ARM 32 E | F016L59346
Hersteller: BOSCH
Artikelnummer: EB-0600897142-F016L59346
nur Informationsartikel
Nie mehr lieferbar
keine Alternativen
Pos.
453
BOSCH Warnschild | Ersatzteile für ARM 32 E | F016L61441
Hersteller: BOSCH
Artikelnummer: EB-0600897142-F016L61441
nur Informationsartikel
Nie mehr lieferbar
keine Alternativen
Pos.
454
BOSCH Hinweisschild | Ersatzteile für ARM 32 E | F016L61268
Hersteller: BOSCH
Artikelnummer: EB-0600897142-F016L61268
nur Informationsartikel
Nie mehr lieferbar
keine Alternativen
Pos.
500
BOSCH Halteklammer | Ersatzteile für ARM 32 E | F016L61747
Hersteller: BOSCH
Artikelnummer: EB-0600897142-F016L61747
Netto: 3,60 € zzgl. MwSt.
zzgl. 6,90 € Versand (brutto)
einmalig pro Bestellung

Lieferzeit: 5 Werktage

Pos.
501
BOSCH Sicherungsring | Ersatzteile für ARM 32 E | F016T46941
Hersteller: BOSCH
Artikelnummer: EB-0600897142-F016T46941
Netto: 3,94 € zzgl. MwSt.
zzgl. 6,90 € Versand (brutto)
einmalig pro Bestellung

Lieferzeit: 5 Werktage

Pos.
502
BOSCH Unterlegscheibe M5 | Ersatzteile für ARM 32 E | F016T48428
Hersteller: BOSCH
Artikelnummer: EB-0600897142-F016T48428
nur Informationsartikel
Nie mehr lieferbar
keine Alternativen
Pos.
503
BOSCH Gewindeschneidschraube 4x19 MM | Ersatzteile für ARM 32 E | F016T49429
Hersteller: BOSCH
Artikelnummer: EB-0600897142-F016T49429
Netto: 3,60 € zzgl. MwSt.
zzgl. 6,90 € Versand (brutto)
einmalig pro Bestellung

Lieferzeit: 5 Werktage

Pos.
510
BOSCH Unterlegscheibe | Ersatzteile für ARM 32 E | F016L57338
Hersteller: BOSCH
Artikelnummer: EB-0600897142-F016L57338
nur Informationsartikel
Nie mehr lieferbar
keine Alternativen
Pos.
801
BOSCH Elektromotor | Ersatzteile für ARM 32 E | F016L59335
Hersteller: BOSCH
Artikelnummer: EB-0600897142-F016L59335
nur Informationsartikel
Nie mehr lieferbar
keine Alternativen
Pos.
857
BOSCH Lüfter | Ersatzteile für ARM 32 E | F016102328
Hersteller: BOSCH
Artikelnummer: EB-0600897142-F016102328
nur Informationsartikel
Nie mehr lieferbar
keine Alternativen
Pos.
859
BOSCH Mutter | Ersatzteile für ARM 32 E | F016102096
Hersteller: BOSCH
Artikelnummer: EB-0600897142-F016102096
nur Informationsartikel
Nie mehr lieferbar
keine Alternativen
Pos.
878
BOSCH Handgriff | Ersatzteile für ARM 32 E | F016102263
Hersteller: BOSCH
Artikelnummer: EB-0600897142-F016102263
nur Informationsartikel
Nie mehr lieferbar
keine Alternativen
Pos.
880
BOSCH Auffangbehälter | Ersatzteile für ARM 32 E | F016102375
Hersteller: BOSCH
Artikelnummer: EB-0600897142-F016102375
nur Informationsartikel
Nie mehr lieferbar
keine Alternativen
Pos.
885
BOSCH Achse | Ersatzteile für ARM 32 E | F016102106
Hersteller: BOSCH
Artikelnummer: EB-0600897142-F016102106
nur Informationsartikel
Nie mehr lieferbar
keine Alternativen
Pos.
888
BOSCH Rad | Ersatzteile für ARM 32 E | F016102102
Hersteller: BOSCH
Artikelnummer: EB-0600897142-F016102102
nur Informationsartikel
Nie mehr lieferbar
keine Alternativen
Pos.
889
BOSCH Rad | Ersatzteile für ARM 32 E | F016102103
Hersteller: BOSCH
Artikelnummer: EB-0600897142-F016102103
nur Informationsartikel
Nie mehr lieferbar
keine Alternativen

Angaben zur Produktsicherheit

Hersteller:
Robert Bosch Power Tools GmbH
Postfach 30 02 20
70442 Stuttgart

E-Mail:
kontakt@bosch.de