BOSCH Gewindeschneidschraube 4x19 MM | Ersatzteile für ARM 320 | F016T49429

Artikelnummer: EB-0600899032-F016T49429

Position: 506

Marke: BOSCH


Bitte Kompatibilität prüfen!

Bitte prüfen Sie unbedingt die 10-stellige Typennummer Ihrer Maschine / Ihres Gerätes. Das Ersatzteil ist nur kompatibel, wenn Sie die Typennummer Ihrer Maschine in der unten stehenden Produktbeschreibung finden.

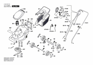
Bitte prüfen Sie ebenfalls detailliert die Explosionszeichnung mit Ihrem Artikelwunsch und der jeweiligen Pos-Nummer.

Alle Elemente, welche vom schwarzen Strich der Pos-Nummer ausgehend berührt / erfasst werden, gehören zu dieser Pos-Nummer und somit zu diesem Artikel. Jede Pos-Nummer ist ein eigenständiger Artikel, welchen Sie in der Auflistung finden.

Sie erhalten stets die aktuellste, neueste Produktversion zu der gewählten Pos-Nummer seitens des Herstellers. Es kann daher je nach Gerätealter vorkommen, dass Sie ggf. weitere, zugehörige Elemente, welche an diese Pos-Nummer grenzen, ebenfalls mittauschen müssen.

Nähere Informationen finden Sie unter dem Link
Hinweise zu Ihrer BOSCH Ersatzteilsuche

Preisübersicht

Einzelpreis: 3,63 €* (Brutto: 4,32 €)
Gesamtpreis: 3,63 €* 
Position:

Lieferzeit: 5 Werktage


Beschreibung

  • Gewindeschneidschraube 4x19 MM
  • Original Bosch Zubehör / BOSCH Ersatzteil (F016T49429)
  • im Gerät verbaut: 1
Dieses BOSCH Ersatzteil ist mit folgendem Gerät und Modell kompatibel:
  • BOSCH Gerätename: ARM 320
  • BOSCH Explosionszeichnung: Position 506
  • BOSCH Typennummer: 0600899032
  • BOSCH Typennummer alternative Schreibweisen: 0 600 899 032, 0600 899 032, 0.600.899.032, 0-600-899-032
    Bitte prüfen Sie diese Typennummer auf Ihrem Gerät um die Kompatibilität des BOSCH Ersatzteils zu gewährleisten.
Weitere BOSCH Ersatzteile des Gerätes ARM 320 (RASENMAEHER) mit der Typennummer 0600899032 finden Sie in der nachfolgenden Darstellung und im Dropdown zu Ihrer Auswahl:

Pos.
39/16
BOSCH Kabelhalter | Ersatzteile für ARM 320 | F016L11580
Hersteller: BOSCH
Artikelnummer: EB-0600899032-F016L11580
nur Informationsartikel
Nie mehr lieferbar
keine Alternativen
Pos.
75/01
BOSCH Griff | Ersatzteile für ARM 320 | F016L57062
Hersteller: BOSCH
Artikelnummer: EB-0600899032-F016L57062
nur Informationsartikel
Nie mehr lieferbar
keine Alternativen
Pos.
75/07
BOSCH Ein/Aus-Schalter | Ersatzteile für ARM 320 | F016F05717
Hersteller: BOSCH
Artikelnummer: EB-0600899032-F016F05717
Netto: 12,98 € zzgl. MwSt.
zzgl. 6,90 € Versand (brutto)
einmalig pro Bestellung

Lieferzeit: 5 Werktage

Pos.
875/02
BOSCH Netzanschlussleitung CH | Ersatzteile für ARM 320 | F016104359
Hersteller: BOSCH
Artikelnummer: EB-0600899032-F016104359
nur Informationsartikel
Nie mehr lieferbar
keine Alternativen
Pos.
875/03
BOSCH Verbindungsleitung | Ersatzteile für ARM 320 | F016102107
Hersteller: BOSCH
Artikelnummer: EB-0600899032-F016102107
nur Informationsartikel
Nie mehr lieferbar
keine Alternativen
Pos.
875/04
BOSCH Montagesatz | Ersatzteile für ARM 320 | F016103136
Hersteller: BOSCH
Artikelnummer: EB-0600899032-F016103136
nur Informationsartikel
Nie mehr lieferbar
keine Alternativen
Pos.
32
BOSCH Gewindebolzen M8x20 | Ersatzteile für ARM 320 | F016L11301
Hersteller: BOSCH
Artikelnummer: EB-0600899032-F016L11301
Netto: 3,63 € zzgl. MwSt.
zzgl. 6,90 € Versand (brutto)
einmalig pro Bestellung

Lieferzeit: 5 Werktage

Pos.
35
BOSCH Unterlegscheibe 8,5 MM | Ersatzteile für ARM 320 | F016L35411
Hersteller: BOSCH
Artikelnummer: EB-0600899032-F016L35411
Netto: 3,63 € zzgl. MwSt.
zzgl. 6,90 € Versand (brutto)
einmalig pro Bestellung

Lieferzeit: 5 Werktage

Pos.
37
BOSCH Federscheibe 5/16 SW SE | Ersatzteile für ARM 320 | F016L35307
Hersteller: BOSCH
Artikelnummer: EB-0600899032-F016L35307
Netto: 3,60 € zzgl. MwSt.
zzgl. 6,90 € Versand (brutto)
einmalig pro Bestellung

Lieferzeit: 5 Werktage

Pos.
38
BOSCH Verschlusskappe | Ersatzteile für ARM 320 | F016L61530
Hersteller: BOSCH
Artikelnummer: EB-0600899032-F016L61530
nur Informationsartikel
Nie mehr lieferbar
keine Alternativen
Pos.
55
BOSCH Mähmesser | Ersatzteile für ARM 320 | F016L59314
Hersteller: BOSCH
Artikelnummer: EB-0600899032-F016L59314
nur Informationsartikel
Nie mehr lieferbar
keine Alternativen
Pos.
82
BOSCH Schutzblech | Ersatzteile für ARM 320 | F016L59311
Hersteller: BOSCH
Artikelnummer: EB-0600899032-F016L59311
Netto: 6,27 € zzgl. MwSt.
zzgl. 6,90 € Versand (brutto)
einmalig pro Bestellung

Lieferzeit: 5 Werktage

Pos.
83
BOSCH Verschlussdeckel | Ersatzteile für ARM 320 | F016L61773
Hersteller: BOSCH
Artikelnummer: EB-0600899032-F016L61773
Netto: 12,50 € zzgl. MwSt.
zzgl. 6,90 € Versand (brutto)
einmalig pro Bestellung

Lieferzeit: 5 Werktage

Pos.
85
BOSCH Schenkelfeder | Ersatzteile für ARM 320 | F016L59352
Hersteller: BOSCH
Artikelnummer: EB-0600899032-F016L59352
nur Informationsartikel
Nie mehr lieferbar
keine Alternativen
Pos.
86
BOSCH Scharnierstift | Ersatzteile für ARM 320 | F016L59353
Hersteller: BOSCH
Artikelnummer: EB-0600899032-F016L59353
Netto: 3,60 € zzgl. MwSt.
zzgl. 6,90 € Versand (brutto)
einmalig pro Bestellung

Lieferzeit: 5 Werktage

Pos.
88
BOSCH Verschlusskappe | Ersatzteile für ARM 320 | F016L62104
Hersteller: BOSCH
Artikelnummer: EB-0600899032-F016L62104
Netto: 3,60 € zzgl. MwSt.
zzgl. 6,90 € Versand (brutto)
einmalig pro Bestellung

Lieferzeit: 5 Werktage

Pos.
92
BOSCH Verschlussdeckel | Ersatzteile für ARM 320 | F016L62211
Hersteller: BOSCH
Artikelnummer: EB-0600899032-F016L62211
nur Informationsartikel
Nie mehr lieferbar
keine Alternativen
Pos.
453
BOSCH Hinweisschild | Ersatzteile für ARM 320 | F016L59456
Hersteller: BOSCH
Artikelnummer: EB-0600899032-F016L59456
nur Informationsartikel
Nie mehr lieferbar
keine Alternativen
Pos.
502
BOSCH Schraube M5x8 Csk Hd. | Ersatzteile für ARM 320 | F016L36542
Hersteller: BOSCH
Artikelnummer: EB-0600899032-F016L36542
Netto: 4,53 € zzgl. MwSt.
zzgl. 6,90 € Versand (brutto)
einmalig pro Bestellung

Lieferzeit: 5 Werktage

Pos.
506
BOSCH Gewindeschneidschraube 4x19 MM | Ersatzteile für ARM 320 | F016T49429
Hersteller: BOSCH
Artikelnummer: EB-0600899032-F016T49429
Netto: 3,63 € zzgl. MwSt.
zzgl. 6,90 € Versand (brutto)
einmalig pro Bestellung

Lieferzeit: 5 Werktage

Pos.
801
BOSCH Elektromotor | Ersatzteile für ARM 320 | F016L59335
Hersteller: BOSCH
Artikelnummer: EB-0600899032-F016L59335
nur Informationsartikel
Nie mehr lieferbar
keine Alternativen
Pos.
840
BOSCH Gehäuse | Ersatzteile für ARM 320 | F016102362
Hersteller: BOSCH
Artikelnummer: EB-0600899032-F016102362
Netto: 20,80 € zzgl. MwSt.
zzgl. 6,90 € Versand (brutto)
einmalig pro Bestellung

Lieferzeit: 5 Werktage

Pos.
857
BOSCH Lüfter | Ersatzteile für ARM 320 | F016102328
Hersteller: BOSCH
Artikelnummer: EB-0600899032-F016102328
nur Informationsartikel
Nie mehr lieferbar
keine Alternativen
Pos.
859
BOSCH Mutter | Ersatzteile für ARM 320 | F016102096
Hersteller: BOSCH
Artikelnummer: EB-0600899032-F016102096
nur Informationsartikel
Nie mehr lieferbar
keine Alternativen
Pos.
878
BOSCH Handgriff | Ersatzteile für ARM 320 | F016102187
Hersteller: BOSCH
Artikelnummer: EB-0600899032-F016102187
Netto: 7,30 € zzgl. MwSt.
zzgl. 6,90 € Versand (brutto)
einmalig pro Bestellung

Lieferzeit: 5 Werktage

Pos.
879
BOSCH Handgriff | Ersatzteile für ARM 320 | F016102188
Hersteller: BOSCH
Artikelnummer: EB-0600899032-F016102188
Netto: 7,30 € zzgl. MwSt.
zzgl. 6,90 € Versand (brutto)
einmalig pro Bestellung

Lieferzeit: 5 Werktage

Pos.
887
BOSCH Rad | Ersatzteile für ARM 320 | F016102189
Hersteller: BOSCH
Artikelnummer: EB-0600899032-F016102189
Netto: 5,65 € zzgl. MwSt.
zzgl. 6,90 € Versand (brutto)
einmalig pro Bestellung

Lieferzeit: 5 Werktage

Angaben zur Produktsicherheit

Hersteller:
Robert Bosch Power Tools GmbH
Postfach 30 02 20
70442 Stuttgart

E-Mail:
kontakt@bosch.de