BOSCH Laufbolzen M6 x48 | Ersatzteile für ARM 320 | F016T49623

Artikelnummer: EB-0600899042-F016T49623

Position: 39/20

Marke: BOSCH


Bitte Kompatibilität prüfen!

Bitte prüfen Sie unbedingt die 10-stellige Typennummer Ihrer Maschine / Ihres Gerätes. Das Ersatzteil ist nur kompatibel, wenn Sie die Typennummer Ihrer Maschine in der unten stehenden Produktbeschreibung finden.

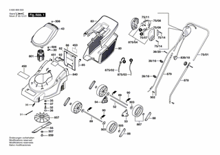
Bitte prüfen Sie ebenfalls detailliert die Explosionszeichnung mit Ihrem Artikelwunsch und der jeweiligen Pos-Nummer.

Alle Elemente, welche vom schwarzen Strich der Pos-Nummer ausgehend berührt / erfasst werden, gehören zu dieser Pos-Nummer und somit zu diesem Artikel. Jede Pos-Nummer ist ein eigenständiger Artikel, welchen Sie in der Auflistung finden.

Sie erhalten stets die aktuellste, neueste Produktversion zu der gewählten Pos-Nummer seitens des Herstellers. Es kann daher je nach Gerätealter vorkommen, dass Sie ggf. weitere, zugehörige Elemente, welche an diese Pos-Nummer grenzen, ebenfalls mittauschen müssen.

Nähere Informationen finden Sie unter dem Link
Hinweise zu Ihrer BOSCH Ersatzteilsuche

Preisübersicht

Einzelpreis: 4,82 €* (Brutto: 5,74 €)
Gesamtpreis: 4,82 €* 
Position:

Lieferzeit: 5 Werktage


Beschreibung

  • Laufbolzen M6 x48
  • Original Bosch Zubehör / BOSCH Ersatzteil (F016T49623)
  • im Gerät verbaut: 1
Dieses BOSCH Ersatzteil ist mit folgendem Gerät und Modell kompatibel:
  • BOSCH Gerätename: ARM 320
  • BOSCH Explosionszeichnung: Position 39/20
  • BOSCH Typennummer: 0600899042
  • BOSCH Typennummer alternative Schreibweisen: 0 600 899 042, 0600 899 042, 0.600.899.042, 0-600-899-042
    Bitte prüfen Sie diese Typennummer auf Ihrem Gerät um die Kompatibilität des BOSCH Ersatzteils zu gewährleisten.
Weitere BOSCH Ersatzteile des Gerätes ARM 320 (RASENMAEHER) mit der Typennummer 0600899042 finden Sie in der nachfolgenden Darstellung und im Dropdown zu Ihrer Auswahl:

Pos.
39/20
BOSCH Laufbolzen M6 x48 | Ersatzteile für ARM 320 | F016T49623
Hersteller: BOSCH
Artikelnummer: EB-0600899042-F016T49623
Netto: 4,80 € zzgl. MwSt.
zzgl. 6,90 € Versand (brutto)
einmalig pro Bestellung

Lieferzeit: 5 Werktage

Pos.
75/07
BOSCH Ein/Aus-Schalter | Ersatzteile für ARM 320 | F016F05717
Hersteller: BOSCH
Artikelnummer: EB-0600899042-F016F05717
Netto: 12,50 € zzgl. MwSt.
zzgl. 6,90 € Versand (brutto)
einmalig pro Bestellung

Lieferzeit: 5 Werktage

Pos.
75/08
BOSCH Stellhebel SCHWARZ | Ersatzteile für ARM 320 | F016L65676
Hersteller: BOSCH
Artikelnummer: EB-0600899042-F016L65676
nur Informationsartikel
Nie mehr lieferbar
keine Alternativen
Pos.
75/09
BOSCH Federhebel | Ersatzteile für ARM 320 | F016T49845
Hersteller: BOSCH
Artikelnummer: EB-0600899042-F016T49845
nur Informationsartikel
Nie mehr lieferbar
keine Alternativen
Pos.
75/11
BOSCH Druckfeder | Ersatzteile für ARM 320 | F016T49226
Hersteller: BOSCH
Artikelnummer: EB-0600899042-F016T49226
nur Informationsartikel
Nie mehr lieferbar
keine Alternativen
Pos.
839/18
BOSCH Spanngriff | Ersatzteile für ARM 320 | F016L66136
Hersteller: BOSCH
Artikelnummer: EB-0600899042-F016L66136
Netto: 5,65 € zzgl. MwSt.
zzgl. 6,90 € Versand (brutto)
einmalig pro Bestellung

Lieferzeit: 5 Werktage

Pos.
875/02
BOSCH Netzanschlussleitung GB 22m 2 x 0,75mm without plug | Ersatzteile für ARM 320 | F016104085
Hersteller: BOSCH
Artikelnummer: EB-0600899042-F016104085
nur Informationsartikel
Nie mehr lieferbar
keine Alternativen
Pos.
30
BOSCH Kabelhalter | Ersatzteile für ARM 320 | F016T46305
Hersteller: BOSCH
Artikelnummer: EB-0600899042-F016T46305
Netto: 3,94 € zzgl. MwSt.
zzgl. 6,90 € Versand (brutto)
einmalig pro Bestellung

Lieferzeit: 5 Werktage

Pos.
80
BOSCH Auffangbehälter | Ersatzteile für ARM 320 | F016L62806
Hersteller: BOSCH
Artikelnummer: EB-0600899042-F016L62806
Netto: 12,50 € zzgl. MwSt.
zzgl. 6,90 € Versand (brutto)
einmalig pro Bestellung

Lieferzeit: 5 Werktage

Pos.
85
BOSCH Schenkelfeder | Ersatzteile für ARM 320 | F016L59352
Hersteller: BOSCH
Artikelnummer: EB-0600899042-F016L59352
nur Informationsartikel
Nie mehr lieferbar
keine Alternativen
Pos.
89
BOSCH Achse | Ersatzteile für ARM 320 | F016L62712
Hersteller: BOSCH
Artikelnummer: EB-0600899042-F016L62712
Netto: 3,60 € zzgl. MwSt.
zzgl. 6,90 € Versand (brutto)
einmalig pro Bestellung

Lieferzeit: 5 Werktage

Pos.
90
BOSCH Feder | Ersatzteile für ARM 320 | F016L62807
Hersteller: BOSCH
Artikelnummer: EB-0600899042-F016L62807
nur Informationsartikel
Nie mehr lieferbar
keine Alternativen
Pos.
91
BOSCH Ladezustandsanzeiger | Ersatzteile für ARM 320 | F016L62756
Hersteller: BOSCH
Artikelnummer: EB-0600899042-F016L62756
nur Informationsartikel
Nie mehr lieferbar
keine Alternativen
Pos.
96
BOSCH Kontaktlasche | Ersatzteile für ARM 320 | F016L62832
Hersteller: BOSCH
Artikelnummer: EB-0600899042-F016L62832
Netto: 3,60 € zzgl. MwSt.
zzgl. 6,90 € Versand (brutto)
einmalig pro Bestellung

Lieferzeit: 5 Werktage

Pos.
451
BOSCH Klebeschild | Ersatzteile für ARM 320 | F016L62799
Hersteller: BOSCH
Artikelnummer: EB-0600899042-F016L62799
nur Informationsartikel
Nie mehr lieferbar
keine Alternativen
Pos.
505
BOSCH Stellring 12 MM T40 | Ersatzteile für ARM 320 | F016T49100
Hersteller: BOSCH
Artikelnummer: EB-0600899042-F016T49100
nur Informationsartikel
Nie mehr lieferbar
keine Alternativen
Pos.
506
BOSCH Gewindeschneidschraube 4x19 MM | Ersatzteile für ARM 320 | F016T49429
Hersteller: BOSCH
Artikelnummer: EB-0600899042-F016T49429
Netto: 3,60 € zzgl. MwSt.
zzgl. 6,90 € Versand (brutto)
einmalig pro Bestellung

Lieferzeit: 5 Werktage

Pos.
507
BOSCH Vorlegscheibe | Ersatzteile für ARM 320 | F016L62812
Hersteller: BOSCH
Artikelnummer: EB-0600899042-F016L62812
nur Informationsartikel
Nie mehr lieferbar
keine Alternativen

Angaben zur Produktsicherheit

Hersteller:
Robert Bosch Power Tools GmbH
Postfach 30 02 20
70442 Stuttgart

E-Mail:
kontakt@bosch.de