BOSCH Gewindebolzen M8x20 | Ersatzteile für ARM 36 | F016L11301

Artikelnummer: EB-0600892042-F016L11301

Position: 32

Marke: BOSCH


Bitte Kompatibilität prüfen!

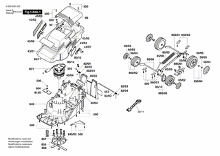
Bitte prüfen Sie unbedingt die 10-stellige Typennummer Ihrer Maschine / Ihres Gerätes. Das Ersatzteil ist nur kompatibel, wenn Sie die Typennummer Ihrer Maschine in der unten stehenden Produktbeschreibung finden.

Bitte prüfen Sie ebenfalls detailliert die Explosionszeichnung mit Ihrem Artikelwunsch und der jeweiligen Pos-Nummer.

Alle Elemente, welche vom schwarzen Strich der Pos-Nummer ausgehend berührt / erfasst werden, gehören zu dieser Pos-Nummer und somit zu diesem Artikel. Jede Pos-Nummer ist ein eigenständiger Artikel, welchen Sie in der Auflistung finden.

Sie erhalten stets die aktuellste, neueste Produktversion zu der gewählten Pos-Nummer seitens des Herstellers. Es kann daher je nach Gerätealter vorkommen, dass Sie ggf. weitere, zugehörige Elemente, welche an diese Pos-Nummer grenzen, ebenfalls mittauschen müssen.

Nähere Informationen finden Sie unter dem Link
Hinweise zu Ihrer BOSCH Ersatzteilsuche

Preisübersicht

Einzelpreis: 3,60 €* (Brutto: 4,28 €)
Gesamtpreis: 3,60 €* 
Position:

Lieferzeit: 5 Werktage


Beschreibung

  • Gewindebolzen M8x20
  • Original Bosch Zubehör / BOSCH Ersatzteil (F016L11301)
  • im Gerät verbaut: 1
Dieses BOSCH Ersatzteil ist mit folgendem Gerät und Modell kompatibel:
  • BOSCH Gerätename: ARM 36
  • BOSCH Explosionszeichnung: Position 32
  • BOSCH Typennummer: 0600892042
  • BOSCH Typennummer alternative Schreibweisen: 0 600 892 042, 0600 892 042, 0.600.892.042, 0-600-892-042
    Bitte prüfen Sie diese Typennummer auf Ihrem Gerät um die Kompatibilität des BOSCH Ersatzteils zu gewährleisten.
Weitere BOSCH Ersatzteile des Gerätes ARM 36 (RASENMAEHER) mit der Typennummer 0600892042 finden Sie in der nachfolgenden Darstellung und im Dropdown zu Ihrer Auswahl:

Pos.
39/11
BOSCH Schlüssel | Ersatzteile für ARM 36 | F016T49656
Hersteller: BOSCH
Artikelnummer: EB-0600892042-F016T49656
nur Informationsartikel
Nie mehr lieferbar
keine Alternativen
Pos.
40/03
BOSCH Rückwand | Ersatzteile für ARM 36 | F016L59225
Hersteller: BOSCH
Artikelnummer: EB-0600892042-F016L59225
nur Informationsartikel
Nie mehr lieferbar
keine Alternativen
Pos.
40/04
BOSCH Halteblech | Ersatzteile für ARM 36 | F016T49664
Hersteller: BOSCH
Artikelnummer: EB-0600892042-F016T49664
nur Informationsartikel
Nie mehr lieferbar
keine Alternativen
Pos.
43/01
BOSCH Abdeckung | Ersatzteile für ARM 36 | F016L59144
Hersteller: BOSCH
Artikelnummer: EB-0600892042-F016L59144
nur Informationsartikel
Nie mehr lieferbar
keine Alternativen
Pos.
43/02
BOSCH Filter | Ersatzteile für ARM 36 | F016L59183
Hersteller: BOSCH
Artikelnummer: EB-0600892042-F016L59183
nur Informationsartikel
Nie mehr lieferbar
keine Alternativen
Pos.
43/03
BOSCH Halterahmen | Ersatzteile für ARM 36 | F016L59182
Hersteller: BOSCH
Artikelnummer: EB-0600892042-F016L59182
nur Informationsartikel
Nie mehr lieferbar
keine Alternativen
Pos.
43/04
BOSCH Verschlusskappe | Ersatzteile für ARM 36 | F016L59186
Hersteller: BOSCH
Artikelnummer: EB-0600892042-F016L59186
Netto: 3,94 € zzgl. MwSt.
zzgl. 6,90 € Versand (brutto)
einmalig pro Bestellung

Lieferzeit: 5 Werktage

Pos.
43/05
BOSCH Handgriff | Ersatzteile für ARM 36 | F016L59199
Hersteller: BOSCH
Artikelnummer: EB-0600892042-F016L59199
nur Informationsartikel
Nie mehr lieferbar
keine Alternativen
Pos.
43/06
BOSCH Hinweisschild | Ersatzteile für ARM 36 | F016L59221
Hersteller: BOSCH
Artikelnummer: EB-0600892042-F016L59221
nur Informationsartikel
Nie mehr lieferbar
keine Alternativen
Pos.
43/07
BOSCH Klemmhebel | Ersatzteile für ARM 36 | F016L59187
Hersteller: BOSCH
Artikelnummer: EB-0600892042-F016L59187
nur Informationsartikel
Nie mehr lieferbar
keine Alternativen
Pos.
50/03
BOSCH Abdeckkappe | Ersatzteile für ARM 36 | F016L59160
Hersteller: BOSCH
Artikelnummer: EB-0600892042-F016L59160
nur Informationsartikel
Nie mehr lieferbar
keine Alternativen
Pos.
50/05
BOSCH Sicherungsscheibe | Ersatzteile für ARM 36 | F016T48537
Hersteller: BOSCH
Artikelnummer: EB-0600892042-F016T48537
Netto: 3,94 € zzgl. MwSt.
zzgl. 6,90 € Versand (brutto)
einmalig pro Bestellung

Lieferzeit: 5 Werktage

Pos.
60/03
BOSCH Abdeckkappe | Ersatzteile für ARM 36 | F016L59159
Hersteller: BOSCH
Artikelnummer: EB-0600892042-F016L59159
Netto: 3,60 € zzgl. MwSt.
zzgl. 6,90 € Versand (brutto)
einmalig pro Bestellung

Lieferzeit: 5 Werktage

Pos.
60/04
BOSCH Unterlegscheibe | Ersatzteile für ARM 36 | F016L17849
Hersteller: BOSCH
Artikelnummer: EB-0600892042-F016L17849
Netto: 3,60 € zzgl. MwSt.
zzgl. 6,90 € Versand (brutto)
einmalig pro Bestellung

Lieferzeit: 5 Werktage

Pos.
60/06
BOSCH Befestigungsplatte | Ersatzteile für ARM 36 | F016T48406
Hersteller: BOSCH
Artikelnummer: EB-0600892042-F016T48406
nur Informationsartikel
Nie mehr lieferbar
keine Alternativen
Pos.
75/07
BOSCH Ein/Aus-Schalter | Ersatzteile für ARM 36 | F016F05717
Hersteller: BOSCH
Artikelnummer: EB-0600892042-F016F05717
Netto: 12,50 € zzgl. MwSt.
zzgl. 6,90 € Versand (brutto)
einmalig pro Bestellung

Lieferzeit: 5 Werktage

Pos.
75/11
BOSCH Druckfeder | Ersatzteile für ARM 36 | F016T49226
Hersteller: BOSCH
Artikelnummer: EB-0600892042-F016T49226
nur Informationsartikel
Nie mehr lieferbar
keine Alternativen
Pos.
75/14
BOSCH Ein/Aus-Schalter | Ersatzteile für ARM 36 | F016T49427
Hersteller: BOSCH
Artikelnummer: EB-0600892042-F016T49427
nur Informationsartikel
Nie mehr lieferbar
keine Alternativen
Pos.
75/16
BOSCH Zugentlastung | Ersatzteile für ARM 36 | F016L65387
Hersteller: BOSCH
Artikelnummer: EB-0600892042-F016L65387
Netto: 8,23 € zzgl. MwSt.
zzgl. 6,90 € Versand (brutto)
einmalig pro Bestellung

Lieferzeit: 5 Werktage

Pos.
75/18/02
BOSCH Endschalter | Ersatzteile für ARM 36 | F016T49627
Hersteller: BOSCH
Artikelnummer: EB-0600892042-F016T49627
Netto: 3,60 € zzgl. MwSt.
zzgl. 6,90 € Versand (brutto)
einmalig pro Bestellung

Lieferzeit: 5 Werktage

Pos.
75/21
BOSCH Halterung | Ersatzteile für ARM 36 | F016T49629
Hersteller: BOSCH
Artikelnummer: EB-0600892042-F016T49629
nur Informationsartikel
Nie mehr lieferbar
keine Alternativen
Pos.
75/22
BOSCH Halterung | Ersatzteile für ARM 36 | F016T49628
Hersteller: BOSCH
Artikelnummer: EB-0600892042-F016T49628
nur Informationsartikel
Nie mehr lieferbar
keine Alternativen
Pos.
75/23
BOSCH Bolzen M6x50 | Ersatzteile für ARM 36 | F016L59277
Hersteller: BOSCH
Artikelnummer: EB-0600892042-F016L59277
nur Informationsartikel
Nie mehr lieferbar
keine Alternativen
Pos.
75/27
BOSCH Kabelklemme | Ersatzteile für ARM 36 | F016L59236
Hersteller: BOSCH
Artikelnummer: EB-0600892042-F016L59236
nur Informationsartikel
Nie mehr lieferbar
keine Alternativen
Pos.
75/28
BOSCH Verschlusskappe | Ersatzteile für ARM 36 | F016T48526
Hersteller: BOSCH
Artikelnummer: EB-0600892042-F016T48526
nur Informationsartikel
Nie mehr lieferbar
keine Alternativen
Pos.
75/32
BOSCH Feststellschraube | Ersatzteile für ARM 36 | F016L59284
Hersteller: BOSCH
Artikelnummer: EB-0600892042-F016L59284
nur Informationsartikel
Nie mehr lieferbar
keine Alternativen
Pos.
80/03
BOSCH Behälteraufnahme | Ersatzteile für ARM 36 | F016L59257
Hersteller: BOSCH
Artikelnummer: EB-0600892042-F016L59257
nur Informationsartikel
Nie mehr lieferbar
keine Alternativen
Pos.
80/04
BOSCH Haltewinkel | Ersatzteile für ARM 36 | F016L61808
Hersteller: BOSCH
Artikelnummer: EB-0600892042-F016L61808
nur Informationsartikel
Nie mehr lieferbar
keine Alternativen
Pos.
80/07
BOSCH Scharnierleiste | Ersatzteile für ARM 36 | F016L59190
Hersteller: BOSCH
Artikelnummer: EB-0600892042-F016L59190
nur Informationsartikel
Nie mehr lieferbar
keine Alternativen
Pos.
80/08
BOSCH Tülle | Ersatzteile für ARM 36 | F016L59228
Hersteller: BOSCH
Artikelnummer: EB-0600892042-F016L59228
nur Informationsartikel
Nie mehr lieferbar
keine Alternativen
Pos.
80/09
BOSCH Sicherungsklemme | Ersatzteile für ARM 36 | F016L59198
Hersteller: BOSCH
Artikelnummer: EB-0600892042-F016L59198
nur Informationsartikel
Nie mehr lieferbar
keine Alternativen
Pos.
80/11
BOSCH Teilesatz | Ersatzteile für ARM 36 | F016L37693
Hersteller: BOSCH
Artikelnummer: EB-0600892042-F016L37693
Netto: 3,60 € zzgl. MwSt.
zzgl. 6,90 € Versand (brutto)
einmalig pro Bestellung

Lieferzeit: 5 Werktage

Pos.
80/13
BOSCH Klammer | Ersatzteile für ARM 36 | F016L61768
Hersteller: BOSCH
Artikelnummer: EB-0600892042-F016L61768
nur Informationsartikel
Nie mehr lieferbar
keine Alternativen
Pos.
80/14
BOSCH Verschluss | Ersatzteile für ARM 36 | F016L61803
Hersteller: BOSCH
Artikelnummer: EB-0600892042-F016L61803
nur Informationsartikel
Nie mehr lieferbar
keine Alternativen
Pos.
80/15
BOSCH Halterahmen | Ersatzteile für ARM 36 | F016L59173
Hersteller: BOSCH
Artikelnummer: EB-0600892042-F016L59173
nur Informationsartikel
Nie mehr lieferbar
keine Alternativen
Pos.
82/02
BOSCH Scharnierleiste | Ersatzteile für ARM 36 | F016L59189
Hersteller: BOSCH
Artikelnummer: EB-0600892042-F016L59189
nur Informationsartikel
Nie mehr lieferbar
keine Alternativen
Pos.
82/03
BOSCH Drehfeder | Ersatzteile für ARM 36 | F016L61460
Hersteller: BOSCH
Artikelnummer: EB-0600892042-F016L61460
nur Informationsartikel
Nie mehr lieferbar
keine Alternativen
Pos.
82/04
BOSCH Kappe | Ersatzteile für ARM 36 | F016L36262
Hersteller: BOSCH
Artikelnummer: EB-0600892042-F016L36262
Netto: 3,60 € zzgl. MwSt.
zzgl. 6,90 € Versand (brutto)
einmalig pro Bestellung

Lieferzeit: 5 Werktage

Pos.
840/02
BOSCH Abdeckblende | Ersatzteile für ARM 36 | F016L59147
Hersteller: BOSCH
Artikelnummer: EB-0600892042-F016L59147
nur Informationsartikel
Nie mehr lieferbar
keine Alternativen
Pos.
85/02
BOSCH Grundplatte | Ersatzteile für ARM 36 | F016102151
Hersteller: BOSCH
Artikelnummer: EB-0600892042-F016102151
nur Informationsartikel
Nie mehr lieferbar
keine Alternativen
Pos.
85/03
BOSCH Zugfeder | Ersatzteile für ARM 36 | F016L59218
Hersteller: BOSCH
Artikelnummer: EB-0600892042-F016L59218
nur Informationsartikel
Nie mehr lieferbar
keine Alternativen
Pos.
85/05
BOSCH Sicherungsring | Ersatzteile für ARM 36 | F016T46941
Hersteller: BOSCH
Artikelnummer: EB-0600892042-F016T46941
Netto: 3,94 € zzgl. MwSt.
zzgl. 6,90 € Versand (brutto)
einmalig pro Bestellung

Lieferzeit: 5 Werktage

Pos.
85/08
BOSCH Halteklammer | Ersatzteile für ARM 36 | F016L59255
Hersteller: BOSCH
Artikelnummer: EB-0600892042-F016L59255
nur Informationsartikel
Nie mehr lieferbar
keine Alternativen
Pos.
85/10
BOSCH Klebeschild | Ersatzteile für ARM 36 | F016L61267
Hersteller: BOSCH
Artikelnummer: EB-0600892042-F016L61267
nur Informationsartikel
Nie mehr lieferbar
keine Alternativen
Pos.
85/11
BOSCH Hinweisschild | Ersatzteile für ARM 36 | F016L61268
Hersteller: BOSCH
Artikelnummer: EB-0600892042-F016L61268
nur Informationsartikel
Nie mehr lieferbar
keine Alternativen
Pos.
850/01
BOSCH Achse | Ersatzteile für ARM 36 | F016102121
Hersteller: BOSCH
Artikelnummer: EB-0600892042-F016102121
nur Informationsartikel
Nie mehr lieferbar
keine Alternativen
Pos.
850/02
BOSCH Befestigungswinkel | Ersatzteile für ARM 36 | F016102123
Hersteller: BOSCH
Artikelnummer: EB-0600892042-F016102123
nur Informationsartikel
Nie mehr lieferbar
keine Alternativen
Pos.
850/04
BOSCH Rad | Ersatzteile für ARM 36 | F016102013
Hersteller: BOSCH
Artikelnummer: EB-0600892042-F016102013
nur Informationsartikel
Nie mehr lieferbar
keine Alternativen
Pos.
860/01
BOSCH Achse | Ersatzteile für ARM 36 | F016102122
Hersteller: BOSCH
Artikelnummer: EB-0600892042-F016102122
nur Informationsartikel
Nie mehr lieferbar
keine Alternativen
Pos.
860/02
BOSCH Rad | Ersatzteile für ARM 36 | F016102015
Hersteller: BOSCH
Artikelnummer: EB-0600892042-F016102015
nur Informationsartikel
Nie mehr lieferbar
keine Alternativen
Pos.
875/01
BOSCH Rohrgestell | Ersatzteile für ARM 36 | F016102018
Hersteller: BOSCH
Artikelnummer: EB-0600892042-F016102018
nur Informationsartikel
Nie mehr lieferbar
keine Alternativen
Pos.
875/02
BOSCH Netzanschlussleitung GB 22m 2 x 0,75mm without plug | Ersatzteile für ARM 36 | F016104085
Hersteller: BOSCH
Artikelnummer: EB-0600892042-F016104085
Netto: 25,97 € zzgl. MwSt.
zzgl. 6,90 € Versand (brutto)
einmalig pro Bestellung

Lieferzeit: 5 Werktage

Pos.
875/03
BOSCH Verbindungsleitung | Ersatzteile für ARM 36 | F016102019
Hersteller: BOSCH
Artikelnummer: EB-0600892042-F016102019
Netto: 7,66 € zzgl. MwSt.
zzgl. 6,90 € Versand (brutto)
einmalig pro Bestellung

Lieferzeit: 5 Werktage

Pos.
875/04
BOSCH Montagesatz | Ersatzteile für ARM 36 | F016103136
Hersteller: BOSCH
Artikelnummer: EB-0600892042-F016103136
nur Informationsartikel
Nie mehr lieferbar
keine Alternativen
Pos.
875/18
BOSCH Bügel | Ersatzteile für ARM 36 | F016102021
Hersteller: BOSCH
Artikelnummer: EB-0600892042-F016102021
nur Informationsartikel
Nie mehr lieferbar
keine Alternativen
Pos.
875/25
BOSCH Rändelschraube | Ersatzteile für ARM 36 | F016102095
Hersteller: BOSCH
Artikelnummer: EB-0600892042-F016102095
Netto: 5,65 € zzgl. MwSt.
zzgl. 6,90 € Versand (brutto)
einmalig pro Bestellung

Lieferzeit: 5 Werktage

Pos.
875/26
BOSCH Spanngriff | Ersatzteile für ARM 36 | F016L66136
Hersteller: BOSCH
Artikelnummer: EB-0600892042-F016L66136
Netto: 5,65 € zzgl. MwSt.
zzgl. 6,90 € Versand (brutto)
einmalig pro Bestellung

Lieferzeit: 5 Werktage

Pos.
875/30
BOSCH Bügel | Ersatzteile für ARM 36 | F016102097
Hersteller: BOSCH
Artikelnummer: EB-0600892042-F016102097
nur Informationsartikel
Nie mehr lieferbar
keine Alternativen
Pos.
880/01
BOSCH Verschlussdeckel | Ersatzteile für ARM 36 | F016L59226
Hersteller: BOSCH
Artikelnummer: EB-0600892042-F016L59226
nur Informationsartikel
Nie mehr lieferbar
keine Alternativen
Pos.
880/01/20
BOSCH Zeigerhalter | Ersatzteile für ARM 36 | F016L59150
Hersteller: BOSCH
Artikelnummer: EB-0600892042-F016L59150
nur Informationsartikel
Nie mehr lieferbar
keine Alternativen
Pos.
880/04
BOSCH Auffangbehälter | Ersatzteile für ARM 36 | F016L62094
Hersteller: BOSCH
Artikelnummer: EB-0600892042-F016L62094
nur Informationsartikel
Nie mehr lieferbar
keine Alternativen
Pos.
882/01
BOSCH Schutzlappen | Ersatzteile für ARM 36 | F016102016
Hersteller: BOSCH
Artikelnummer: EB-0600892042-F016102016
nur Informationsartikel
Nie mehr lieferbar
keine Alternativen
Pos.
885/01
BOSCH Gelenkteil | Ersatzteile für ARM 36 | F016102124
Hersteller: BOSCH
Artikelnummer: EB-0600892042-F016102124
nur Informationsartikel
Nie mehr lieferbar
keine Alternativen
Pos.
885/06
BOSCH Anzeige | Ersatzteile für ARM 36 | F016102099
Hersteller: BOSCH
Artikelnummer: EB-0600892042-F016102099
nur Informationsartikel
Nie mehr lieferbar
keine Alternativen
Pos.
30
BOSCH Kabelhalter | Ersatzteile für ARM 36 | F016T46305
Hersteller: BOSCH
Artikelnummer: EB-0600892042-F016T46305
Netto: 3,94 € zzgl. MwSt.
zzgl. 6,90 € Versand (brutto)
einmalig pro Bestellung

Lieferzeit: 5 Werktage

Pos.
32
BOSCH Gewindebolzen M8x20 | Ersatzteile für ARM 36 | F016L11301
Hersteller: BOSCH
Artikelnummer: EB-0600892042-F016L11301
Netto: 3,60 € zzgl. MwSt.
zzgl. 6,90 € Versand (brutto)
einmalig pro Bestellung

Lieferzeit: 5 Werktage

Pos.
35
BOSCH Unterlegscheibe 8,5 MM | Ersatzteile für ARM 36 | F016T48531
Hersteller: BOSCH
Artikelnummer: EB-0600892042-F016T48531
nur Informationsartikel
Nie mehr lieferbar
keine Alternativen
Pos.
38
BOSCH Verschlusskappe | Ersatzteile für ARM 36 | F016L61530
Hersteller: BOSCH
Artikelnummer: EB-0600892042-F016L61530
nur Informationsartikel
Nie mehr lieferbar
keine Alternativen
Pos.
86
BOSCH Abdeckhaube | Ersatzteile für ARM 36 | F016L59146
Hersteller: BOSCH
Artikelnummer: EB-0600892042-F016L59146
nur Informationsartikel
Nie mehr lieferbar
keine Alternativen
Pos.
453
BOSCH Hinweisschild | Ersatzteile für ARM 36 | F016L59240
Hersteller: BOSCH
Artikelnummer: EB-0600892042-F016L59240
nur Informationsartikel
Nie mehr lieferbar
keine Alternativen
Pos.
500
BOSCH Schraube | Ersatzteile für ARM 36 | F016T56363
Hersteller: BOSCH
Artikelnummer: EB-0600892042-F016T56363
Netto: 3,60 € zzgl. MwSt.
zzgl. 6,90 € Versand (brutto)
einmalig pro Bestellung

Lieferzeit: 5 Werktage

Pos.
503
BOSCH Gewindeschneidschraube 4x19 MM | Ersatzteile für ARM 36 | F016T49429
Hersteller: BOSCH
Artikelnummer: EB-0600892042-F016T49429
Netto: 3,60 € zzgl. MwSt.
zzgl. 6,90 € Versand (brutto)
einmalig pro Bestellung

Lieferzeit: 5 Werktage

Pos.
504
BOSCH Unterlegscheibe | Ersatzteile für ARM 36 | F016L57338
Hersteller: BOSCH
Artikelnummer: EB-0600892042-F016L57338
nur Informationsartikel
Nie mehr lieferbar
keine Alternativen
Pos.
801
BOSCH Elektromotor | Ersatzteile für ARM 36 | F016L59184
Hersteller: BOSCH
Artikelnummer: EB-0600892042-F016L59184
nur Informationsartikel
Nie mehr lieferbar
keine Alternativen
Pos.
840
BOSCH Gehäuseunterteil | Ersatzteile für ARM 36 | F016102012
Hersteller: BOSCH
Artikelnummer: EB-0600892042-F016102012
nur Informationsartikel
Nie mehr lieferbar
keine Alternativen
Pos.
855
BOSCH Mähmesser | Ersatzteile für ARM 36 | F016102014
Hersteller: BOSCH
Artikelnummer: EB-0600892042-F016102014
nur Informationsartikel
Nie mehr lieferbar
keine Alternativen
Pos.
857
BOSCH Lüfter | Ersatzteile für ARM 36 | F016102327
Hersteller: BOSCH
Artikelnummer: EB-0600892042-F016102327
nur Informationsartikel
Nie mehr lieferbar
keine Alternativen
Pos.
859
BOSCH Mutter | Ersatzteile für ARM 36 | F016102096
Hersteller: BOSCH
Artikelnummer: EB-0600892042-F016102096
nur Informationsartikel
Nie mehr lieferbar
keine Alternativen
Pos.
878
BOSCH Rohrgestell | Ersatzteile für ARM 36 | F016102017
Hersteller: BOSCH
Artikelnummer: EB-0600892042-F016102017
nur Informationsartikel
Nie mehr lieferbar
keine Alternativen
Pos.
880
BOSCH Auffangbehälter | Ersatzteile für ARM 36 | F016102034
Hersteller: BOSCH
Artikelnummer: EB-0600892042-F016102034
Netto: 55,88 € zzgl. MwSt.
zzgl. 6,90 € Versand (brutto)
einmalig pro Bestellung

Lieferzeit: 5 Werktage

Pos.
8150
BOSCH Auswuchtstücke | Ersatzteile für ARM 36 | F016102207
Hersteller: BOSCH
Artikelnummer: EB-0600892042-F016102207
nur Informationsartikel
Nie mehr lieferbar
keine Alternativen

Angaben zur Produktsicherheit

Hersteller:
Robert Bosch Power Tools GmbH
Postfach 30 02 20
70442 Stuttgart

E-Mail:
kontakt@bosch.de