BOSCH Sicherungsscheibe | Ersatzteile für ARM 36 ACCU | F016T48537

Artikelnummer: EB-0600890032-F016T48537

Position: 506

Marke: BOSCH


Bitte Kompatibilität prüfen!

Bitte prüfen Sie unbedingt die 10-stellige Typennummer Ihrer Maschine / Ihres Gerätes. Das Ersatzteil ist nur kompatibel, wenn Sie die Typennummer Ihrer Maschine in der unten stehenden Produktbeschreibung finden.

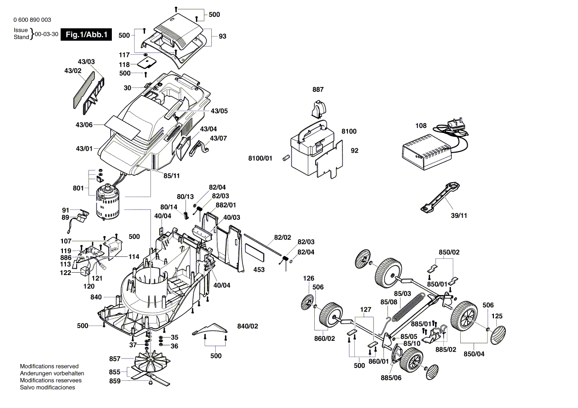
Bitte prüfen Sie ebenfalls detailliert die Explosionszeichnung mit Ihrem Artikelwunsch und der jeweiligen Pos-Nummer.

Alle Elemente, welche vom schwarzen Strich der Pos-Nummer ausgehend berührt / erfasst werden, gehören zu dieser Pos-Nummer und somit zu diesem Artikel. Jede Pos-Nummer ist ein eigenständiger Artikel, welchen Sie in der Auflistung finden.

Sie erhalten stets die aktuellste, neueste Produktversion zu der gewählten Pos-Nummer seitens des Herstellers. Es kann daher je nach Gerätealter vorkommen, dass Sie ggf. weitere, zugehörige Elemente, welche an diese Pos-Nummer grenzen, ebenfalls mittauschen müssen.

Nähere Informationen finden Sie unter dem Link
Hinweise zu Ihrer BOSCH Ersatzteilsuche

Preisübersicht

Einzelpreis: 3,94 €* (Brutto: 4,69 €)
Gesamtpreis: 3,94 €* 
Position:

Lieferzeit: 5 Werktage


Beschreibung

  • Sicherungsscheibe
  • Original Bosch Zubehör / BOSCH Ersatzteil (F016T48537)
  • im Gerät verbaut: 1
Dieses BOSCH Ersatzteil ist mit folgendem Gerät und Modell kompatibel:
  • BOSCH Gerätename: ARM 36 ACCU
  • BOSCH Explosionszeichnung: Position 506
  • BOSCH Typennummer: 0600890032
  • BOSCH Typennummer alternative Schreibweisen: 0 600 890 032, 0600 890 032, 0.600.890.032, 0-600-890-032
    Bitte prüfen Sie diese Typennummer auf Ihrem Gerät um die Kompatibilität des BOSCH Ersatzteils zu gewährleisten.
Weitere BOSCH Ersatzteile des Gerätes ARM 36 ACCU (Rasenmäher) mit der Typennummer 0600890032 finden Sie in der nachfolgenden Darstellung und im Dropdown zu Ihrer Auswahl:

Pos.
39/11
BOSCH Schlüssel | Ersatzteile für ARM 36 ACCU | F016T49656
Hersteller: BOSCH
Artikelnummer: EB-0600890032-F016T49656
nur Informationsartikel
Nie mehr lieferbar
keine Alternativen
Pos.
40/04
BOSCH Halteblech | Ersatzteile für ARM 36 ACCU | F016T49664
Hersteller: BOSCH
Artikelnummer: EB-0600890032-F016T49664
nur Informationsartikel
Nie mehr lieferbar
keine Alternativen
Pos.
43/02
BOSCH Filter | Ersatzteile für ARM 36 ACCU | F016L59183
Hersteller: BOSCH
Artikelnummer: EB-0600890032-F016L59183
nur Informationsartikel
Nie mehr lieferbar
keine Alternativen
Pos.
75/07
BOSCH Ein/Aus-Schalter | Ersatzteile für ARM 36 ACCU | F016L59288
Hersteller: BOSCH
Artikelnummer: EB-0600890032-F016L59288
Netto: 5,17 € zzgl. MwSt.
zzgl. 6,90 € Versand (brutto)
einmalig pro Bestellung

Lieferzeit: 5 Werktage

Pos.
75/09
BOSCH Spiralfeder | Ersatzteile für ARM 36 ACCU | F016T49633
Hersteller: BOSCH
Artikelnummer: EB-0600890032-F016T49633
Netto: 4,33 € zzgl. MwSt.
zzgl. 6,90 € Versand (brutto)
einmalig pro Bestellung

Lieferzeit: 5 Werktage

Pos.
75/11
BOSCH Druckfeder | Ersatzteile für ARM 36 ACCU | F016T49226
Hersteller: BOSCH
Artikelnummer: EB-0600890032-F016T49226
nur Informationsartikel
Nie mehr lieferbar
keine Alternativen
Pos.
75/14
BOSCH Gewindeschneidschraube 4x19 MM | Ersatzteile für ARM 36 ACCU | F016T49429
Hersteller: BOSCH
Artikelnummer: EB-0600890032-F016T49429
Netto: 3,60 € zzgl. MwSt.
zzgl. 6,90 € Versand (brutto)
einmalig pro Bestellung

Lieferzeit: 5 Werktage

Pos.
75/18/02
BOSCH Endschalter | Ersatzteile für ARM 36 ACCU | F016T49627
Hersteller: BOSCH
Artikelnummer: EB-0600890032-F016T49627
Netto: 3,60 € zzgl. MwSt.
zzgl. 6,90 € Versand (brutto)
einmalig pro Bestellung

Lieferzeit: 5 Werktage

Pos.
75/18/03
BOSCH Halterung | Ersatzteile für ARM 36 ACCU | F016T49634
Hersteller: BOSCH
Artikelnummer: EB-0600890032-F016T49634
nur Informationsartikel
Nie mehr lieferbar
keine Alternativen
Pos.
75/18/04
BOSCH Zylinderstift | Ersatzteile für ARM 36 ACCU | F016T56145
Hersteller: BOSCH
Artikelnummer: EB-0600890032-F016T56145
Netto: 3,60 € zzgl. MwSt.
zzgl. 6,90 € Versand (brutto)
einmalig pro Bestellung

Lieferzeit: 5 Werktage

Pos.
75/21
BOSCH Halterung | Ersatzteile für ARM 36 ACCU | F016T49629
Hersteller: BOSCH
Artikelnummer: EB-0600890032-F016T49629
nur Informationsartikel
Nie mehr lieferbar
keine Alternativen
Pos.
75/22
BOSCH Halterung | Ersatzteile für ARM 36 ACCU | F016T49628
Hersteller: BOSCH
Artikelnummer: EB-0600890032-F016T49628
nur Informationsartikel
Nie mehr lieferbar
keine Alternativen
Pos.
75/23
BOSCH Bolzen M6x50 | Ersatzteile für ARM 36 ACCU | F016L59277
Hersteller: BOSCH
Artikelnummer: EB-0600890032-F016L59277
nur Informationsartikel
Nie mehr lieferbar
keine Alternativen
Pos.
75/27
BOSCH Kabelklemme | Ersatzteile für ARM 36 ACCU | F016L59236
Hersteller: BOSCH
Artikelnummer: EB-0600890032-F016L59236
nur Informationsartikel
Nie mehr lieferbar
keine Alternativen
Pos.
75/28
BOSCH Verschlusskappe | Ersatzteile für ARM 36 ACCU | F016T48526
Hersteller: BOSCH
Artikelnummer: EB-0600890032-F016T48526
nur Informationsartikel
Nie mehr lieferbar
keine Alternativen
Pos.
75/32
BOSCH Feststellschraube | Ersatzteile für ARM 36 ACCU | F016L59284
Hersteller: BOSCH
Artikelnummer: EB-0600890032-F016L59284
nur Informationsartikel
Nie mehr lieferbar
keine Alternativen
Pos.
80/01
BOSCH Verschlussdeckel | Ersatzteile für ARM 36 ACCU | F016L59226
Hersteller: BOSCH
Artikelnummer: EB-0600890032-F016L59226
nur Informationsartikel
Nie mehr lieferbar
keine Alternativen
Pos.
80/02
BOSCH Auffangbehälter | Ersatzteile für ARM 36 ACCU | F016L62094
Hersteller: BOSCH
Artikelnummer: EB-0600890032-F016L62094
nur Informationsartikel
Nie mehr lieferbar
keine Alternativen
Pos.
80/03
BOSCH Behälteraufnahme | Ersatzteile für ARM 36 ACCU | F016L59257
Hersteller: BOSCH
Artikelnummer: EB-0600890032-F016L59257
nur Informationsartikel
Nie mehr lieferbar
keine Alternativen
Pos.
80/04
BOSCH Haltewinkel | Ersatzteile für ARM 36 ACCU | F016L61808
Hersteller: BOSCH
Artikelnummer: EB-0600890032-F016L61808
nur Informationsartikel
Nie mehr lieferbar
keine Alternativen
Pos.
80/07
BOSCH Scharnierleiste | Ersatzteile für ARM 36 ACCU | F016L59190
Hersteller: BOSCH
Artikelnummer: EB-0600890032-F016L59190
nur Informationsartikel
Nie mehr lieferbar
keine Alternativen
Pos.
80/08
BOSCH Tülle | Ersatzteile für ARM 36 ACCU | F016L59228
Hersteller: BOSCH
Artikelnummer: EB-0600890032-F016L59228
nur Informationsartikel
Nie mehr lieferbar
keine Alternativen
Pos.
80/09
BOSCH Sicherungsklemme | Ersatzteile für ARM 36 ACCU | F016L59198
Hersteller: BOSCH
Artikelnummer: EB-0600890032-F016L59198
nur Informationsartikel
Nie mehr lieferbar
keine Alternativen
Pos.
80/11
BOSCH Teilesatz | Ersatzteile für ARM 36 ACCU | F016L37693
Hersteller: BOSCH
Artikelnummer: EB-0600890032-F016L37693
Netto: 3,60 € zzgl. MwSt.
zzgl. 6,90 € Versand (brutto)
einmalig pro Bestellung

Lieferzeit: 5 Werktage

Pos.
80/13
BOSCH Klammer | Ersatzteile für ARM 36 ACCU | F016L61768
Hersteller: BOSCH
Artikelnummer: EB-0600890032-F016L61768
nur Informationsartikel
Nie mehr lieferbar
keine Alternativen
Pos.
80/14
BOSCH Verschluss | Ersatzteile für ARM 36 ACCU | F016L61803
Hersteller: BOSCH
Artikelnummer: EB-0600890032-F016L61803
nur Informationsartikel
Nie mehr lieferbar
keine Alternativen
Pos.
80/15
BOSCH Halterahmen | Ersatzteile für ARM 36 ACCU | F016L59173
Hersteller: BOSCH
Artikelnummer: EB-0600890032-F016L59173
nur Informationsartikel
Nie mehr lieferbar
keine Alternativen
Pos.
82/03
BOSCH Drehfeder | Ersatzteile für ARM 36 ACCU | F016L61460
Hersteller: BOSCH
Artikelnummer: EB-0600890032-F016L61460
nur Informationsartikel
Nie mehr lieferbar
keine Alternativen
Pos.
85/05
BOSCH Sicherungsring | Ersatzteile für ARM 36 ACCU | F016T46941
Hersteller: BOSCH
Artikelnummer: EB-0600890032-F016T46941
Netto: 3,94 € zzgl. MwSt.
zzgl. 6,90 € Versand (brutto)
einmalig pro Bestellung

Lieferzeit: 5 Werktage

Pos.
85/10
BOSCH Klebeschild | Ersatzteile für ARM 36 ACCU | F016L61267
Hersteller: BOSCH
Artikelnummer: EB-0600890032-F016L61267
nur Informationsartikel
Nie mehr lieferbar
keine Alternativen
Pos.
85/11
BOSCH Hinweisschild | Ersatzteile für ARM 36 ACCU | F016L61268
Hersteller: BOSCH
Artikelnummer: EB-0600890032-F016L61268
nur Informationsartikel
Nie mehr lieferbar
keine Alternativen
Pos.
875/01
BOSCH Rohrgestell | Ersatzteile für ARM 36 ACCU | F016102018
Hersteller: BOSCH
Artikelnummer: EB-0600890032-F016102018
nur Informationsartikel
Nie mehr lieferbar
keine Alternativen
Pos.
875/03
BOSCH Verbindungsleitung | Ersatzteile für ARM 36 ACCU | F016102035
Hersteller: BOSCH
Artikelnummer: EB-0600890032-F016102035
Netto: 6,27 € zzgl. MwSt.
zzgl. 6,90 € Versand (brutto)
einmalig pro Bestellung

Lieferzeit: 5 Werktage

Pos.
875/04
BOSCH Schalter | Ersatzteile für ARM 36 ACCU | F016102324
Hersteller: BOSCH
Artikelnummer: EB-0600890032-F016102324
Netto: 6,69 € zzgl. MwSt.
zzgl. 6,90 € Versand (brutto)
einmalig pro Bestellung

Lieferzeit: 5 Werktage

Pos.
875/18
BOSCH Bügel | Ersatzteile für ARM 36 ACCU | F016102021
Hersteller: BOSCH
Artikelnummer: EB-0600890032-F016102021
nur Informationsartikel
Nie mehr lieferbar
keine Alternativen
Pos.
875/25
BOSCH Rändelschraube | Ersatzteile für ARM 36 ACCU | F016102095
Hersteller: BOSCH
Artikelnummer: EB-0600890032-F016102095
Netto: 5,65 € zzgl. MwSt.
zzgl. 6,90 € Versand (brutto)
einmalig pro Bestellung

Lieferzeit: 5 Werktage

Pos.
875/26
BOSCH Spanngriff | Ersatzteile für ARM 36 ACCU | F016L66136
Hersteller: BOSCH
Artikelnummer: EB-0600890032-F016L66136
Netto: 5,59 € zzgl. MwSt.
zzgl. 6,90 € Versand (brutto)
einmalig pro Bestellung

Lieferzeit: 5 Werktage

Pos.
880/01/21
BOSCH Zeigerhalter | Ersatzteile für ARM 36 ACCU | F016L59150
Hersteller: BOSCH
Artikelnummer: EB-0600890032-F016L59150
nur Informationsartikel
Nie mehr lieferbar
keine Alternativen
Pos.
887/1
BOSCH Sicherung 40 A | Ersatzteile für ARM 36 ACCU | F016L61802
Hersteller: BOSCH
Artikelnummer: EB-0600890032-F016L61802
Netto: 5,65 € zzgl. MwSt.
zzgl. 6,90 € Versand (brutto)
einmalig pro Bestellung

Lieferzeit: 5 Werktage

Pos.
30
BOSCH Kabelhalter | Ersatzteile für ARM 36 ACCU | F016T46305
Hersteller: BOSCH
Artikelnummer: EB-0600890032-F016T46305
Netto: 3,94 € zzgl. MwSt.
zzgl. 6,90 € Versand (brutto)
einmalig pro Bestellung

Lieferzeit: 5 Werktage

Pos.
35
BOSCH Unterlegscheibe 8,5 MM | Ersatzteile für ARM 36 ACCU | F016T48531
Hersteller: BOSCH
Artikelnummer: EB-0600890032-F016T48531
nur Informationsartikel
Nie mehr lieferbar
keine Alternativen
Pos.
37
BOSCH Unterlegscheibe | Ersatzteile für ARM 36 ACCU | F016T48541
Hersteller: BOSCH
Artikelnummer: EB-0600890032-F016T48541
nur Informationsartikel
Nie mehr lieferbar
keine Alternativen
Pos.
91
BOSCH Abdeckung | Ersatzteile für ARM 36 ACCU | F016L59281
Hersteller: BOSCH
Artikelnummer: EB-0600890032-F016L59281
nur Informationsartikel
Nie mehr lieferbar
keine Alternativen
Pos.
92
BOSCH Hinweisschild | Ersatzteile für ARM 36 ACCU | F016L61284
Hersteller: BOSCH
Artikelnummer: EB-0600890032-F016L61284
nur Informationsartikel
Nie mehr lieferbar
keine Alternativen
Pos.
113
BOSCH Verbindungsleitung | Ersatzteile für ARM 36 ACCU | F016L61401
Hersteller: BOSCH
Artikelnummer: EB-0600890032-F016L61401
nur Informationsartikel
Nie mehr lieferbar
keine Alternativen
Pos.
114
BOSCH Verbindungsleitung | Ersatzteile für ARM 36 ACCU | F016L61400
Hersteller: BOSCH
Artikelnummer: EB-0600890032-F016L61400
Netto: 3,60 € zzgl. MwSt.
zzgl. 6,90 € Versand (brutto)
einmalig pro Bestellung

Lieferzeit: 5 Werktage

Pos.
117
BOSCH Tülle | Ersatzteile für ARM 36 ACCU | F016L61832
Hersteller: BOSCH
Artikelnummer: EB-0600890032-F016L61832
nur Informationsartikel
Nie mehr lieferbar
keine Alternativen
Pos.
118
BOSCH Abdeckblende | Ersatzteile für ARM 36 ACCU | F016L61831
Hersteller: BOSCH
Artikelnummer: EB-0600890032-F016L61831
nur Informationsartikel
Nie mehr lieferbar
keine Alternativen
Pos.
119
BOSCH Verbindungsleitung | Ersatzteile für ARM 36 ACCU | F016L61804
Hersteller: BOSCH
Artikelnummer: EB-0600890032-F016L61804
nur Informationsartikel
Nie mehr lieferbar
keine Alternativen
Pos.
120
BOSCH Verbindungsleitung | Ersatzteile für ARM 36 ACCU | F016L61805
Hersteller: BOSCH
Artikelnummer: EB-0600890032-F016L61805
nur Informationsartikel
Nie mehr lieferbar
keine Alternativen
Pos.
121
BOSCH Verbindungsleitung | Ersatzteile für ARM 36 ACCU | F016L61809
Hersteller: BOSCH
Artikelnummer: EB-0600890032-F016L61809
nur Informationsartikel
Nie mehr lieferbar
keine Alternativen
Pos.
122
BOSCH Relais | Ersatzteile für ARM 36 ACCU | F016L61487
Hersteller: BOSCH
Artikelnummer: EB-0600890032-F016L61487
Netto: 6,21 € zzgl. MwSt.
zzgl. 6,90 € Versand (brutto)
einmalig pro Bestellung

Lieferzeit: 5 Werktage

Pos.
127
BOSCH Befestigungsplatte | Ersatzteile für ARM 36 ACCU | F016T48406
Hersteller: BOSCH
Artikelnummer: EB-0600890032-F016T48406
nur Informationsartikel
Nie mehr lieferbar
keine Alternativen
Pos.
500
BOSCH Schraube | Ersatzteile für ARM 36 ACCU | F016T56363
Hersteller: BOSCH
Artikelnummer: EB-0600890032-F016T56363
Netto: 3,60 € zzgl. MwSt.
zzgl. 6,90 € Versand (brutto)
einmalig pro Bestellung

Lieferzeit: 5 Werktage

Pos.
506
BOSCH Sicherungsscheibe | Ersatzteile für ARM 36 ACCU | F016T48537
Hersteller: BOSCH
Artikelnummer: EB-0600890032-F016T48537
Netto: 3,93 € zzgl. MwSt.
zzgl. 6,90 € Versand (brutto)
einmalig pro Bestellung

Lieferzeit: 5 Werktage

Pos.
878
BOSCH Rohrgestell | Ersatzteile für ARM 36 ACCU | F016102017
Hersteller: BOSCH
Artikelnummer: EB-0600890032-F016102017
nur Informationsartikel
Nie mehr lieferbar
keine Alternativen
Pos.
880
BOSCH Auffangbehälter | Ersatzteile für ARM 36 ACCU | F016102034
Hersteller: BOSCH
Artikelnummer: EB-0600890032-F016102034
Netto: 55,88 € zzgl. MwSt.
zzgl. 6,90 € Versand (brutto)
einmalig pro Bestellung

Lieferzeit: 5 Werktage

Angaben zur Produktsicherheit

Hersteller:
Robert Bosch Power Tools GmbH
Postfach 30 02 20
70442 Stuttgart

E-Mail:
kontakt@bosch.de