BOSCH Abdeckkappe | Ersatzteile für ARM 36 ACCU | F016L59159

Artikelnummer: EB-0600890042-F016L59159

Position: 126

Marke: BOSCH


Bitte Kompatibilität prüfen!

Bitte prüfen Sie unbedingt die 10-stellige Typennummer Ihrer Maschine / Ihres Gerätes. Das Ersatzteil ist nur kompatibel, wenn Sie die Typennummer Ihrer Maschine in der unten stehenden Produktbeschreibung finden.

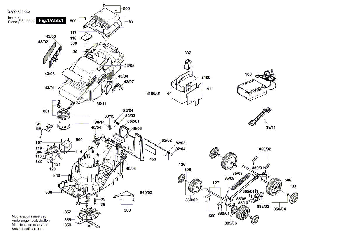
Bitte prüfen Sie ebenfalls detailliert die Explosionszeichnung mit Ihrem Artikelwunsch und der jeweiligen Pos-Nummer.

Alle Elemente, welche vom schwarzen Strich der Pos-Nummer ausgehend berührt / erfasst werden, gehören zu dieser Pos-Nummer und somit zu diesem Artikel. Jede Pos-Nummer ist ein eigenständiger Artikel, welchen Sie in der Auflistung finden.

Sie erhalten stets die aktuellste, neueste Produktversion zu der gewählten Pos-Nummer seitens des Herstellers. Es kann daher je nach Gerätealter vorkommen, dass Sie ggf. weitere, zugehörige Elemente, welche an diese Pos-Nummer grenzen, ebenfalls mittauschen müssen.

Nähere Informationen finden Sie unter dem Link
Hinweise zu Ihrer BOSCH Ersatzteilsuche

Preisübersicht

Einzelpreis: 3,60 €* (Brutto: 4,28 €)
Gesamtpreis: 3,60 €* 
Position:

Lieferzeit: 5 Werktage


Beschreibung

  • Abdeckkappe
  • Original Bosch Zubehör / BOSCH Ersatzteil (F016L59159)
  • im Gerät verbaut: 1
Dieses BOSCH Ersatzteil ist mit folgendem Gerät und Modell kompatibel:
  • BOSCH Gerätename: ARM 36 ACCU
  • BOSCH Explosionszeichnung: Position 126
  • BOSCH Typennummer: 0600890042
  • BOSCH Typennummer alternative Schreibweisen: 0 600 890 042, 0600 890 042, 0.600.890.042, 0-600-890-042
    Bitte prüfen Sie diese Typennummer auf Ihrem Gerät um die Kompatibilität des BOSCH Ersatzteils zu gewährleisten.
Weitere BOSCH Ersatzteile des Gerätes ARM 36 ACCU (.) mit der Typennummer 0600890042 finden Sie in der nachfolgenden Darstellung und im Dropdown zu Ihrer Auswahl:

Pos.
40/03
BOSCH Rückwand | Ersatzteile für ARM 36 ACCU | F016L59225
Hersteller: BOSCH
Artikelnummer: EB-0600890042-F016L59225
nur Informationsartikel
Nie mehr lieferbar
keine Alternativen
Pos.
43/01
BOSCH Abdeckung | Ersatzteile für ARM 36 ACCU | F016L59144
Hersteller: BOSCH
Artikelnummer: EB-0600890042-F016L59144
nur Informationsartikel
Nie mehr lieferbar
keine Alternativen
Pos.
43/02
BOSCH Filter | Ersatzteile für ARM 36 ACCU | F016L59183
Hersteller: BOSCH
Artikelnummer: EB-0600890042-F016L59183
nur Informationsartikel
Nie mehr lieferbar
keine Alternativen
Pos.
43/03
BOSCH Halterahmen | Ersatzteile für ARM 36 ACCU | F016L59182
Hersteller: BOSCH
Artikelnummer: EB-0600890042-F016L59182
nur Informationsartikel
Nie mehr lieferbar
keine Alternativen
Pos.
43/04
BOSCH Verschlusskappe | Ersatzteile für ARM 36 ACCU | F016L59186
Hersteller: BOSCH
Artikelnummer: EB-0600890042-F016L59186
Netto: 3,94 € zzgl. MwSt.
zzgl. 6,90 € Versand (brutto)
einmalig pro Bestellung

Lieferzeit: 5 Werktage

Pos.
43/05
BOSCH Handgriff | Ersatzteile für ARM 36 ACCU | F016L59199
Hersteller: BOSCH
Artikelnummer: EB-0600890042-F016L59199
nur Informationsartikel
Nie mehr lieferbar
keine Alternativen
Pos.
43/06
BOSCH Hinweisschild | Ersatzteile für ARM 36 ACCU | F016L59265
Hersteller: BOSCH
Artikelnummer: EB-0600890042-F016L59265
nur Informationsartikel
Nie mehr lieferbar
keine Alternativen
Pos.
43/07
BOSCH Klemmhebel | Ersatzteile für ARM 36 ACCU | F016L59187
Hersteller: BOSCH
Artikelnummer: EB-0600890042-F016L59187
nur Informationsartikel
Nie mehr lieferbar
keine Alternativen
Pos.
75/14
BOSCH Gewindeschneidschraube 4x19 MM | Ersatzteile für ARM 36 ACCU | F016T49429
Hersteller: BOSCH
Artikelnummer: EB-0600890042-F016T49429
Netto: 3,60 € zzgl. MwSt.
zzgl. 6,90 € Versand (brutto)
einmalig pro Bestellung

Lieferzeit: 5 Werktage

Pos.
75/22
BOSCH Halterung | Ersatzteile für ARM 36 ACCU | F016T49628
Hersteller: BOSCH
Artikelnummer: EB-0600890042-F016T49628
nur Informationsartikel
Nie mehr lieferbar
keine Alternativen
Pos.
75/23
BOSCH Bolzen M6x50 | Ersatzteile für ARM 36 ACCU | F016L59277
Hersteller: BOSCH
Artikelnummer: EB-0600890042-F016L59277
nur Informationsartikel
Nie mehr lieferbar
keine Alternativen
Pos.
8100/01
BOSCH Sicherung | Ersatzteile für ARM 36 ACCU | F016102208
Hersteller: BOSCH
Artikelnummer: EB-0600890042-F016102208
nur Informationsartikel
Nie mehr lieferbar
keine Alternativen
Pos.
82/02
BOSCH Scharnierleiste | Ersatzteile für ARM 36 ACCU | F016L59189
Hersteller: BOSCH
Artikelnummer: EB-0600890042-F016L59189
nur Informationsartikel
Nie mehr lieferbar
keine Alternativen
Pos.
82/04
BOSCH Kappe | Ersatzteile für ARM 36 ACCU | F016L36262
Hersteller: BOSCH
Artikelnummer: EB-0600890042-F016L36262
Netto: 3,60 € zzgl. MwSt.
zzgl. 6,90 € Versand (brutto)
einmalig pro Bestellung

Lieferzeit: 5 Werktage

Pos.
840/02
BOSCH Abdeckblende | Ersatzteile für ARM 36 ACCU | F016L59147
Hersteller: BOSCH
Artikelnummer: EB-0600890042-F016L59147
nur Informationsartikel
Nie mehr lieferbar
keine Alternativen
Pos.
85/03
BOSCH Zugfeder | Ersatzteile für ARM 36 ACCU | F016L59218
Hersteller: BOSCH
Artikelnummer: EB-0600890042-F016L59218
nur Informationsartikel
Nie mehr lieferbar
keine Alternativen
Pos.
85/08
BOSCH Halteklammer | Ersatzteile für ARM 36 ACCU | F016L59255
Hersteller: BOSCH
Artikelnummer: EB-0600890042-F016L59255
nur Informationsartikel
Nie mehr lieferbar
keine Alternativen
Pos.
85/10
BOSCH Klebeschild | Ersatzteile für ARM 36 ACCU | F016L61267
Hersteller: BOSCH
Artikelnummer: EB-0600890042-F016L61267
nur Informationsartikel
Nie mehr lieferbar
keine Alternativen
Pos.
85/11
BOSCH Hinweisschild | Ersatzteile für ARM 36 ACCU | F016L61268
Hersteller: BOSCH
Artikelnummer: EB-0600890042-F016L61268
nur Informationsartikel
Nie mehr lieferbar
keine Alternativen
Pos.
850/01
BOSCH Achse | Ersatzteile für ARM 36 ACCU | F016102121
Hersteller: BOSCH
Artikelnummer: EB-0600890042-F016102121
nur Informationsartikel
Nie mehr lieferbar
keine Alternativen
Pos.
850/02
BOSCH Befestigungswinkel | Ersatzteile für ARM 36 ACCU | F016102123
Hersteller: BOSCH
Artikelnummer: EB-0600890042-F016102123
nur Informationsartikel
Nie mehr lieferbar
keine Alternativen
Pos.
850/04
BOSCH Rad | Ersatzteile für ARM 36 ACCU | F016102013
Hersteller: BOSCH
Artikelnummer: EB-0600890042-F016102013
nur Informationsartikel
Nie mehr lieferbar
keine Alternativen
Pos.
860/01
BOSCH Achse | Ersatzteile für ARM 36 ACCU | F016102122
Hersteller: BOSCH
Artikelnummer: EB-0600890042-F016102122
nur Informationsartikel
Nie mehr lieferbar
keine Alternativen
Pos.
860/02
BOSCH Rad | Ersatzteile für ARM 36 ACCU | F016102015
Hersteller: BOSCH
Artikelnummer: EB-0600890042-F016102015
nur Informationsartikel
Nie mehr lieferbar
keine Alternativen
Pos.
882/01
BOSCH Schutzlappen | Ersatzteile für ARM 36 ACCU | F016102016
Hersteller: BOSCH
Artikelnummer: EB-0600890042-F016102016
nur Informationsartikel
Nie mehr lieferbar
keine Alternativen
Pos.
885/01
BOSCH Gelenkteil | Ersatzteile für ARM 36 ACCU | F016102124
Hersteller: BOSCH
Artikelnummer: EB-0600890042-F016102124
nur Informationsartikel
Nie mehr lieferbar
keine Alternativen
Pos.
885/02
BOSCH Grundplatte | Ersatzteile für ARM 36 ACCU | F016102151
Hersteller: BOSCH
Artikelnummer: EB-0600890042-F016102151
nur Informationsartikel
Nie mehr lieferbar
keine Alternativen
Pos.
885/06
BOSCH Anzeige | Ersatzteile für ARM 36 ACCU | F016102099
Hersteller: BOSCH
Artikelnummer: EB-0600890042-F016102099
nur Informationsartikel
Nie mehr lieferbar
keine Alternativen
Pos.
36
BOSCH Mutter M6 | Ersatzteile für ARM 36 ACCU | F016L35329
Hersteller: BOSCH
Artikelnummer: EB-0600890042-F016L35329
Netto: 3,94 € zzgl. MwSt.
zzgl. 6,90 € Versand (brutto)
einmalig pro Bestellung

Lieferzeit: 5 Werktage

Pos.
89
BOSCH Anzeigegerät | Ersatzteile für ARM 36 ACCU | F016L59262
Hersteller: BOSCH
Artikelnummer: EB-0600890042-F016L59262
nur Informationsartikel
Nie mehr lieferbar
keine Alternativen
Pos.
91
BOSCH Abdeckung | Ersatzteile für ARM 36 ACCU | F016L59281
Hersteller: BOSCH
Artikelnummer: EB-0600890042-F016L59281
nur Informationsartikel
Nie mehr lieferbar
keine Alternativen
Pos.
92
BOSCH Hinweisschild | Ersatzteile für ARM 36 ACCU | F016L61284
Hersteller: BOSCH
Artikelnummer: EB-0600890042-F016L61284
nur Informationsartikel
Nie mehr lieferbar
keine Alternativen
Pos.
93
BOSCH Abdeckung | Ersatzteile für ARM 36 ACCU | F016L59140
Hersteller: BOSCH
Artikelnummer: EB-0600890042-F016L59140
nur Informationsartikel
Nie mehr lieferbar
keine Alternativen
Pos.
107
BOSCH Haltewinkel | Ersatzteile für ARM 36 ACCU | F016L59239
Hersteller: BOSCH
Artikelnummer: EB-0600890042-F016L59239
nur Informationsartikel
Nie mehr lieferbar
keine Alternativen
Pos.
108
BOSCH Ladegerät | Ersatzteile für ARM 36 ACCU | F016102990
Hersteller: BOSCH
Artikelnummer: EB-0600890042-F016102990
nur Informationsartikel
Nie mehr lieferbar
keine Alternativen
Pos.
114
BOSCH Verbindungsleitung | Ersatzteile für ARM 36 ACCU | F016L61400
Hersteller: BOSCH
Artikelnummer: EB-0600890042-F016L61400
Netto: 3,60 € zzgl. MwSt.
zzgl. 6,90 € Versand (brutto)
einmalig pro Bestellung

Lieferzeit: 5 Werktage

Pos.
125
BOSCH Abdeckkappe | Ersatzteile für ARM 36 ACCU | F016L59160
Hersteller: BOSCH
Artikelnummer: EB-0600890042-F016L59160
nur Informationsartikel
Nie mehr lieferbar
keine Alternativen
Pos.
126
BOSCH Abdeckkappe | Ersatzteile für ARM 36 ACCU | F016L59159
Hersteller: BOSCH
Artikelnummer: EB-0600890042-F016L59159
Netto: 3,60 € zzgl. MwSt.
zzgl. 6,90 € Versand (brutto)
einmalig pro Bestellung

Lieferzeit: 5 Werktage

Pos.
453
BOSCH Hinweisschild | Ersatzteile für ARM 36 ACCU | F016L59269
Hersteller: BOSCH
Artikelnummer: EB-0600890042-F016L59269
nur Informationsartikel
Nie mehr lieferbar
keine Alternativen
Pos.
801
BOSCH Elektromotor | Ersatzteile für ARM 36 ACCU | F016L59185
Hersteller: BOSCH
Artikelnummer: EB-0600890042-F016L59185
nur Informationsartikel
Nie mehr lieferbar
keine Alternativen
Pos.
840
BOSCH Gehäuseunterteil | Ersatzteile für ARM 36 ACCU | F016102012
Hersteller: BOSCH
Artikelnummer: EB-0600890042-F016102012
nur Informationsartikel
Nie mehr lieferbar
keine Alternativen
Pos.
855
BOSCH Mähmesser | Ersatzteile für ARM 36 ACCU | F016102014
Hersteller: BOSCH
Artikelnummer: EB-0600890042-F016102014
nur Informationsartikel
Nie mehr lieferbar
keine Alternativen
Pos.
857
BOSCH Lüfter | Ersatzteile für ARM 36 ACCU | F016102297
Hersteller: BOSCH
Artikelnummer: EB-0600890042-F016102297
nur Informationsartikel
Nie mehr lieferbar
keine Alternativen
Pos.
859
BOSCH Mutter | Ersatzteile für ARM 36 ACCU | F016102096
Hersteller: BOSCH
Artikelnummer: EB-0600890042-F016102096
nur Informationsartikel
Nie mehr lieferbar
keine Alternativen
Pos.
886
BOSCH Steuereinheit | Ersatzteile für ARM 36 ACCU | F016102126
Hersteller: BOSCH
Artikelnummer: EB-0600890042-F016102126
Netto: 51,18 € zzgl. MwSt.
zzgl. 6,90 € Versand (brutto)
einmalig pro Bestellung

Lieferzeit: 5 Werktage

Pos.
887
BOSCH Sicherheitsschalter | Ersatzteile für ARM 36 ACCU | F016102127
Hersteller: BOSCH
Artikelnummer: EB-0600890042-F016102127
nur Informationsartikel
Nie mehr lieferbar
keine Alternativen
Pos.
8100
BOSCH Batterie Ba25 | Ersatzteile für ARM 36 ACCU | F016102125
Hersteller: BOSCH
Artikelnummer: EB-0600890042-F016102125
nur Informationsartikel
Nie mehr lieferbar
keine Alternativen

Angaben zur Produktsicherheit

Hersteller:
Robert Bosch Power Tools GmbH
Postfach 30 02 20
70442 Stuttgart

E-Mail:
kontakt@bosch.de