BOSCH Tülle Ø7,2-Ø9,5x81 MM | Ersatzteile für ART 23 | 1600703026

Artikelnummer: EB-0600821832-1600703026

Position: 806

Marke: BOSCH


Bitte Kompatibilität prüfen!

Bitte prüfen Sie unbedingt die 10-stellige Typennummer Ihrer Maschine / Ihres Gerätes. Das Ersatzteil ist nur kompatibel, wenn Sie die Typennummer Ihrer Maschine in der unten stehenden Produktbeschreibung finden.

Bitte prüfen Sie ebenfalls detailliert die Explosionszeichnung mit Ihrem Artikelwunsch und der jeweiligen Pos-Nummer.

Alle Elemente, welche vom schwarzen Strich der Pos-Nummer ausgehend berührt / erfasst werden, gehören zu dieser Pos-Nummer und somit zu diesem Artikel. Jede Pos-Nummer ist ein eigenständiger Artikel, welchen Sie in der Auflistung finden.

Sie erhalten stets die aktuellste, neueste Produktversion zu der gewählten Pos-Nummer seitens des Herstellers. Es kann daher je nach Gerätealter vorkommen, dass Sie ggf. weitere, zugehörige Elemente, welche an diese Pos-Nummer grenzen, ebenfalls mittauschen müssen.

Nähere Informationen finden Sie unter dem Link
Hinweise zu Ihrer BOSCH Ersatzteilsuche

Preisübersicht

Einzelpreis: 4,36 €* (Brutto: 5,19 €)
Gesamtpreis: 4,36 €* 
Position:

Lieferzeit: 5 Werktage


Beschreibung

  • Tülle Ø7,2-Ø9,5x81 MM
  • Original Bosch Zubehör / BOSCH Ersatzteil (1600703026)
  • im Gerät verbaut: 1
Dieses BOSCH Ersatzteil ist mit folgendem Gerät und Modell kompatibel:
  • BOSCH Gerätename: ART 23
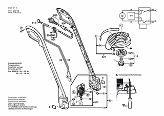
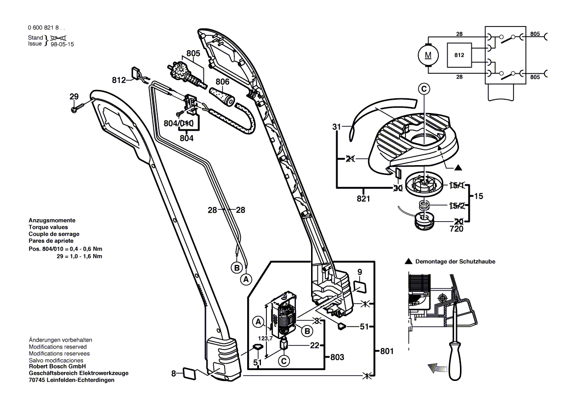
  • BOSCH Explosionszeichnung: Position 806
  • BOSCH Typennummer: 0600821832
  • BOSCH Typennummer alternative Schreibweisen: 0 600 821 832, 0600 821 832, 0.600.821.832, 0-600-821-832
    Bitte prüfen Sie diese Typennummer auf Ihrem Gerät um die Kompatibilität des BOSCH Ersatzteils zu gewährleisten.
Weitere BOSCH Ersatzteile des Gerätes ART 23 (Rasentrimmer) mit der Typennummer 0600821832 finden Sie in der nachfolgenden Darstellung und im Dropdown zu Ihrer Auswahl:

Pos.
8
BOSCH Typschild | Ersatzteile für ART 23 | 1601118982
Hersteller: BOSCH
Artikelnummer: EB-0600821832-1601118982
Netto: 2,21 € zzgl. MwSt.
zzgl. 6,90 € Versand (brutto)
einmalig pro Bestellung

Lieferzeit: 5 Werktage

Pos.
9
BOSCH Firmenschild | Ersatzteile für ART 23 | 1601118978
Hersteller: BOSCH
Artikelnummer: EB-0600821832-1601118978
nur Informationsartikel
Nie mehr lieferbar
keine Alternativen
Pos.
15
BOSCH Fadenspender | Ersatzteile für ART 23 | 1606610138
Hersteller: BOSCH
Artikelnummer: EB-0600821832-1606610138
nur Informationsartikel
Nie mehr lieferbar
keine Alternativen
Pos.
22
BOSCH Klemmhalter | Ersatzteile für ART 23 | 1608040113
Hersteller: BOSCH
Artikelnummer: EB-0600821832-1608040113
Netto: 4,56 € zzgl. MwSt.
zzgl. 6,90 € Versand (brutto)
einmalig pro Bestellung

Lieferzeit: 5 Werktage

Pos.
28
BOSCH Verbindungsleitung L=780 MM WEISS | Ersatzteile für ART 23 | 1604448014
Hersteller: BOSCH
Artikelnummer: EB-0600821832-1604448014
nur Informationsartikel
Nie mehr lieferbar
keine Alternativen
Pos.
29
BOSCH Linsenschraube 4x18 MM,TORX T20 | Ersatzteile für ART 23 | 2914201506
Hersteller: BOSCH
Artikelnummer: EB-0600821832-2914201506
Netto: 3,60 € zzgl. MwSt.
zzgl. 6,90 € Versand (brutto)
einmalig pro Bestellung

Lieferzeit: 5 Werktage

Pos.
31
BOSCH Hinweisschild | Ersatzteile für ART 23 | 1601118987
Hersteller: BOSCH
Artikelnummer: EB-0600821832-1601118987
nur Informationsartikel
Nie mehr lieferbar
keine Alternativen
Pos.
51
BOSCH Gummieinlage | Ersatzteile für ART 23 | 1601006012
Hersteller: BOSCH
Artikelnummer: EB-0600821832-1601006012
nur Informationsartikel
Nie mehr lieferbar
keine Alternativen
Pos.
720
BOSCH Fadenspender | Ersatzteile für ART 23 | F016102388
Hersteller: BOSCH
Artikelnummer: EB-0600821832-F016102388
nur Informationsartikel
Nie mehr lieferbar
keine Alternativen
Pos.
801
BOSCH Motorgehäuse GRUEN | Ersatzteile für ART 23 | 1607000864
Hersteller: BOSCH
Artikelnummer: EB-0600821832-1607000864
nur Informationsartikel
Nie mehr lieferbar
keine Alternativen
Pos.
803
BOSCH Wechselstrommotor | Ersatzteile für ART 23 | 1607220045
Hersteller: BOSCH
Artikelnummer: EB-0600821832-1607220045
Netto: 18,86 € zzgl. MwSt.
zzgl. 6,90 € Versand (brutto)
einmalig pro Bestellung

Lieferzeit: 5 Werktage

Pos.
804
BOSCH Schalter | Ersatzteile für ART 23 | 1607200116
Hersteller: BOSCH
Artikelnummer: EB-0600821832-1607200116
nur Informationsartikel
Nie mehr lieferbar
keine Alternativen
Pos.
805
BOSCH Netzanschlussleitung CH 0,4m 2 x 1,0mm H05 VV-F | Ersatzteile für ART 23 | 1604460437
Hersteller: BOSCH
Artikelnummer: EB-0600821832-1604460437
nur Informationsartikel
Nie mehr lieferbar
keine Alternativen
Pos.
806
BOSCH Tülle Ø7,2-Ø9,5x81 MM | Ersatzteile für ART 23 | 1600703026
Hersteller: BOSCH
Artikelnummer: EB-0600821832-1600703026
Netto: 4,36 € zzgl. MwSt.
zzgl. 6,90 € Versand (brutto)
einmalig pro Bestellung

Lieferzeit: 5 Werktage

Pos.
812
BOSCH Entstörfilter | Ersatzteile für ART 23 | 1607328028
Hersteller: BOSCH
Artikelnummer: EB-0600821832-1607328028
Netto: 6,27 € zzgl. MwSt.
zzgl. 6,90 € Versand (brutto)
einmalig pro Bestellung

Lieferzeit: 5 Werktage

Pos.
821
BOSCH Schutzhaube | Ersatzteile für ART 23 | 1607000866
Hersteller: BOSCH
Artikelnummer: EB-0600821832-1607000866
nur Informationsartikel
Nie mehr lieferbar
keine Alternativen

Angaben zur Produktsicherheit

Hersteller:
Robert Bosch Power Tools GmbH
Postfach 30 02 20
70442 Stuttgart

E-Mail:
kontakt@bosch.de