BOSCH Entstörfilter | Ersatzteile für ART 25 F | 1607328028

Artikelnummer: EB-0600822168-1607328028

Position: 812

Marke: BOSCH


Bitte Kompatibilität prüfen!

Bitte prüfen Sie unbedingt die 10-stellige Typennummer Ihrer Maschine / Ihres Gerätes. Das Ersatzteil ist nur kompatibel, wenn Sie die Typennummer Ihrer Maschine in der unten stehenden Produktbeschreibung finden.

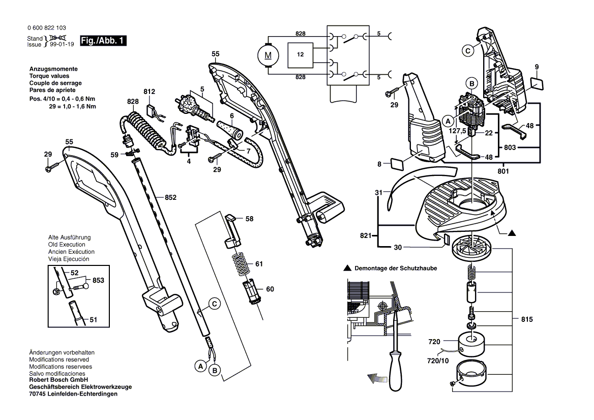
Bitte prüfen Sie ebenfalls detailliert die Explosionszeichnung mit Ihrem Artikelwunsch und der jeweiligen Pos-Nummer.

Alle Elemente, welche vom schwarzen Strich der Pos-Nummer ausgehend berührt / erfasst werden, gehören zu dieser Pos-Nummer und somit zu diesem Artikel. Jede Pos-Nummer ist ein eigenständiger Artikel, welchen Sie in der Auflistung finden.

Sie erhalten stets die aktuellste, neueste Produktversion zu der gewählten Pos-Nummer seitens des Herstellers. Es kann daher je nach Gerätealter vorkommen, dass Sie ggf. weitere, zugehörige Elemente, welche an diese Pos-Nummer grenzen, ebenfalls mittauschen müssen.

Nähere Informationen finden Sie unter dem Link
Hinweise zu Ihrer BOSCH Ersatzteilsuche

Preisübersicht

Einzelpreis: 6,27 €* (Brutto: 7,46 €)
Gesamtpreis: 6,27 €* 
Position:

Lieferzeit: 5 Werktage


Beschreibung

  • Entstörfilter
  • Original Bosch Zubehör / BOSCH Ersatzteil (1607328028)
  • im Gerät verbaut: 1
Dieses BOSCH Ersatzteil ist mit folgendem Gerät und Modell kompatibel:
  • BOSCH Gerätename: ART 25 F
  • BOSCH Explosionszeichnung: Position 812
  • BOSCH Typennummer: 0600822168
  • BOSCH Typennummer alternative Schreibweisen: 0 600 822 168, 0600 822 168, 0.600.822.168, 0-600-822-168
    Bitte prüfen Sie diese Typennummer auf Ihrem Gerät um die Kompatibilität des BOSCH Ersatzteils zu gewährleisten.
Weitere BOSCH Ersatzteile des Gerätes ART 25 F (Hw-Rasentrimmer) mit der Typennummer 0600822168 finden Sie in der nachfolgenden Darstellung und im Dropdown zu Ihrer Auswahl:

Pos.
4
BOSCH Schalter | Ersatzteile für ART 25 F | 1607200116
Hersteller: BOSCH
Artikelnummer: EB-0600822168-1607200116
nur Informationsartikel
Nie mehr lieferbar
keine Alternativen
Pos.
5
BOSCH Netzanschlussleitung GB 240V 10,2m 2 x 1,0mm H05 VV-F | Ersatzteile für ART 25 F | 1604460184
Hersteller: BOSCH
Artikelnummer: EB-0600822168-1604460184
Netto: 28,93 € zzgl. MwSt.
zzgl. 6,90 € Versand (brutto)
einmalig pro Bestellung

Lieferzeit: 5 Werktage

Pos.
6
BOSCH Tülle Ø7,2-Ø9,5x81 MM | Ersatzteile für ART 25 F | 1600703026
Hersteller: BOSCH
Artikelnummer: EB-0600822168-1600703026
Netto: 4,36 € zzgl. MwSt.
zzgl. 6,90 € Versand (brutto)
einmalig pro Bestellung

Lieferzeit: 5 Werktage

Pos.
7
BOSCH Leitungshalter | Ersatzteile für ART 25 F | 2601035001
Hersteller: BOSCH
Artikelnummer: EB-0600822168-2601035001
Netto: 3,94 € zzgl. MwSt.
zzgl. 6,90 € Versand (brutto)
einmalig pro Bestellung

Lieferzeit: 5 Werktage

Pos.
9
BOSCH Firmenschild | Ersatzteile für ART 25 F | 1601118035
Hersteller: BOSCH
Artikelnummer: EB-0600822168-1601118035
nur Informationsartikel
Nie mehr lieferbar
keine Alternativen
Pos.
22
BOSCH Klemmhalter | Ersatzteile für ART 25 F | 1608040116
Hersteller: BOSCH
Artikelnummer: EB-0600822168-1608040116
nur Informationsartikel
Nie mehr lieferbar
keine Alternativen
Pos.
29
BOSCH Linsenschraube 4x18 MM,TORX T20 | Ersatzteile für ART 25 F | 2914201506
Hersteller: BOSCH
Artikelnummer: EB-0600822168-2914201506
Netto: 3,60 € zzgl. MwSt.
zzgl. 6,90 € Versand (brutto)
einmalig pro Bestellung

Lieferzeit: 5 Werktage

Pos.
30
BOSCH Messerplatte | Ersatzteile für ART 25 F | 1608635042
Hersteller: BOSCH
Artikelnummer: EB-0600822168-1608635042
nur Informationsartikel
Nie mehr lieferbar
keine Alternativen
Pos.
48
BOSCH Gummiplatte | Ersatzteile für ART 25 F | 1601016012
Hersteller: BOSCH
Artikelnummer: EB-0600822168-1601016012
nur Informationsartikel
Nie mehr lieferbar
keine Alternativen
Pos.
55
BOSCH Griffschale GRUEN | Ersatzteile für ART 25 F | 1605133040
Hersteller: BOSCH
Artikelnummer: EB-0600822168-1605133040
nur Informationsartikel
Nie mehr lieferbar
keine Alternativen
Pos.
58
BOSCH Führungshülse SCHWARZ | Ersatzteile für ART 25 F | 1600499008
Hersteller: BOSCH
Artikelnummer: EB-0600822168-1600499008
nur Informationsartikel
Nie mehr lieferbar
keine Alternativen
Pos.
59
BOSCH Anschlagplatte | Ersatzteile für ART 25 F | 1602388032
Hersteller: BOSCH
Artikelnummer: EB-0600822168-1602388032
nur Informationsartikel
Nie mehr lieferbar
keine Alternativen
Pos.
60
BOSCH Federhülse | Ersatzteile für ART 25 F | 1600499009
Hersteller: BOSCH
Artikelnummer: EB-0600822168-1600499009
nur Informationsartikel
Nie mehr lieferbar
keine Alternativen
Pos.
61
BOSCH Druckfeder | Ersatzteile für ART 25 F | 1604615013
Hersteller: BOSCH
Artikelnummer: EB-0600822168-1604615013
nur Informationsartikel
Nie mehr lieferbar
keine Alternativen
Pos.
803
BOSCH Wechselstrommotor | Ersatzteile für ART 25 F | 1607220033
Hersteller: BOSCH
Artikelnummer: EB-0600822168-1607220033
nur Informationsartikel
Nie mehr lieferbar
keine Alternativen
Pos.
812
BOSCH Entstörfilter | Ersatzteile für ART 25 F | 1607328028
Hersteller: BOSCH
Artikelnummer: EB-0600822168-1607328028
Netto: 6,27 € zzgl. MwSt.
zzgl. 6,90 € Versand (brutto)
einmalig pro Bestellung

Lieferzeit: 5 Werktage

Pos.
815
BOSCH Fadenspender | Ersatzteile für ART 25 F | F016102658
Hersteller: BOSCH
Artikelnummer: EB-0600822168-F016102658
nur Informationsartikel
Nie mehr lieferbar
keine Alternativen
Pos.
821
BOSCH Schutzhaube | Ersatzteile für ART 25 F | 1607000954
Hersteller: BOSCH
Artikelnummer: EB-0600822168-1607000954
nur Informationsartikel
Nie mehr lieferbar
keine Alternativen
Pos.
828
BOSCH Verbindungsleitung | Ersatzteile für ART 25 F | 1604420024
Hersteller: BOSCH
Artikelnummer: EB-0600822168-1604420024
nur Informationsartikel
Nie mehr lieferbar
keine Alternativen
Pos.
852
BOSCH Führungsrohr | Ersatzteile für ART 25 F | 1607000870
Hersteller: BOSCH
Artikelnummer: EB-0600822168-1607000870
nur Informationsartikel
Nie mehr lieferbar
keine Alternativen
Pos.
853
BOSCH Flachrundschraube | Ersatzteile für ART 25 F | 1607000255
Hersteller: BOSCH
Artikelnummer: EB-0600822168-1607000255
nur Informationsartikel
Nie mehr lieferbar
keine Alternativen

Angaben zur Produktsicherheit

Hersteller:
Robert Bosch Power Tools GmbH
Postfach 30 02 20
70442 Stuttgart

E-Mail:
kontakt@bosch.de