BOSCH Zugentlastung | Ersatzteile für ASM 30 | F016L65387

Artikelnummer: EB-0600894003-F016L65387

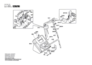
Position: 75/16

Marke: BOSCH


Bitte Kompatibilität prüfen!

Bitte prüfen Sie unbedingt die 10-stellige Typennummer Ihrer Maschine / Ihres Gerätes. Das Ersatzteil ist nur kompatibel, wenn Sie die Typennummer Ihrer Maschine in der unten stehenden Produktbeschreibung finden.

Bitte prüfen Sie ebenfalls detailliert die Explosionszeichnung mit Ihrem Artikelwunsch und der jeweiligen Pos-Nummer.

Alle Elemente, welche vom schwarzen Strich der Pos-Nummer ausgehend berührt / erfasst werden, gehören zu dieser Pos-Nummer und somit zu diesem Artikel. Jede Pos-Nummer ist ein eigenständiger Artikel, welchen Sie in der Auflistung finden.

Sie erhalten stets die aktuellste, neueste Produktversion zu der gewählten Pos-Nummer seitens des Herstellers. Es kann daher je nach Gerätealter vorkommen, dass Sie ggf. weitere, zugehörige Elemente, welche an diese Pos-Nummer grenzen, ebenfalls mittauschen müssen.

Nähere Informationen finden Sie unter dem Link
Hinweise zu Ihrer BOSCH Ersatzteilsuche

Preisübersicht

Einzelpreis: 8,23 €* (Brutto: 9,79 €)
Gesamtpreis: 8,23 €* 
Position:

Lieferzeit: 5 Werktage


Beschreibung

  • Zugentlastung
  • Original Bosch Zubehör / BOSCH Ersatzteil (F016L65387)
  • im Gerät verbaut: 1
Dieses BOSCH Ersatzteil ist mit folgendem Gerät und Modell kompatibel:
  • BOSCH Gerätename: ASM 30
  • BOSCH Explosionszeichnung: Position 75/16
  • BOSCH Typennummer: 0600894003
  • BOSCH Typennummer alternative Schreibweisen: 0 600 894 003, 0600 894 003, 0.600.894.003, 0-600-894-003
    Bitte prüfen Sie diese Typennummer auf Ihrem Gerät um die Kompatibilität des BOSCH Ersatzteils zu gewährleisten.
Weitere BOSCH Ersatzteile des Gerätes ASM 30 (Rasenmäher) mit der Typennummer 0600894003 finden Sie in der nachfolgenden Darstellung und im Dropdown zu Ihrer Auswahl:

Pos.
30
BOSCH Kabelhalter | Ersatzteile für ASM 30 | F016T46305
Hersteller: BOSCH
Artikelnummer: EB-0600894003-F016T46305
Netto: 3,94 € zzgl. MwSt.
zzgl. 6,90 € Versand (brutto)
einmalig pro Bestellung

Lieferzeit: 5 Werktage

Pos.
75/17
BOSCH Kabelklemme | Ersatzteile für ASM 30 | F016T56393
Hersteller: BOSCH
Artikelnummer: EB-0600894003-F016T56393
nur Informationsartikel
Nie mehr lieferbar
keine Alternativen
Pos.
75/19
BOSCH Halterung | Ersatzteile für ASM 30 | F016T49634
Hersteller: BOSCH
Artikelnummer: EB-0600894003-F016T49634
nur Informationsartikel
Nie mehr lieferbar
keine Alternativen
Pos.
75/7
BOSCH Ein/Aus-Schalter | Ersatzteile für ASM 30 | F016T49427
Hersteller: BOSCH
Artikelnummer: EB-0600894003-F016T49427
nur Informationsartikel
Nie mehr lieferbar
keine Alternativen
Pos.
80/2
BOSCH Bodenverdichter | Ersatzteile für ASM 30 | F016T46387
Hersteller: BOSCH
Artikelnummer: EB-0600894003-F016T46387
nur Informationsartikel
Nie mehr lieferbar
keine Alternativen
Pos.
875/18
BOSCH Schalthebel | Ersatzteile für ASM 30 | F016102114
Hersteller: BOSCH
Artikelnummer: EB-0600894003-F016102114
nur Informationsartikel
Nie mehr lieferbar
keine Alternativen
Pos.
31
BOSCH Gewindeschneidschraube | Ersatzteile für ASM 30 | F016L37433
Hersteller: BOSCH
Artikelnummer: EB-0600894003-F016L37433
Netto: 3,60 € zzgl. MwSt.
zzgl. 6,90 € Versand (brutto)
einmalig pro Bestellung

Lieferzeit: 5 Werktage

Pos.
32
BOSCH Gewindebolzen 5/16 UNC X 17/32 | Ersatzteile für ASM 30 | F016T40588
Hersteller: BOSCH
Artikelnummer: EB-0600894003-F016T40588
Netto: 3,49 € zzgl. MwSt.
zzgl. 6,90 € Versand (brutto)
einmalig pro Bestellung

Lieferzeit: 5 Werktage

Pos.
35
BOSCH Unterlegscheibe 8,5 MM | Ersatzteile für ASM 30 | F016T48531
Hersteller: BOSCH
Artikelnummer: EB-0600894003-F016T48531
nur Informationsartikel
Nie mehr lieferbar
keine Alternativen
Pos.
36
BOSCH Sechskantmutter | Ersatzteile für ASM 30 | F016T40589
Hersteller: BOSCH
Artikelnummer: EB-0600894003-F016T40589
Netto: 3,49 € zzgl. MwSt.
zzgl. 6,90 € Versand (brutto)
einmalig pro Bestellung

Lieferzeit: 5 Werktage

Pos.
39/16
BOSCH Kabelklemme | Ersatzteile für ASM 30 | F016L59236
Hersteller: BOSCH
Artikelnummer: EB-0600894003-F016L59236
Netto: 3,50 € zzgl. MwSt.
zzgl. 6,90 € Versand (brutto)
einmalig pro Bestellung

Lieferzeit: 5 Werktage

Pos.
39/5/1
BOSCH Montierschlüssel | Ersatzteile für ASM 30 | F016T47898
Hersteller: BOSCH
Artikelnummer: EB-0600894003-F016T47898
Netto: 4,10 € zzgl. MwSt.
zzgl. 6,90 € Versand (brutto)
einmalig pro Bestellung

Lieferzeit: 5 Werktage

Pos.
39/5/3
BOSCH Halteklammer | Ersatzteile für ASM 30 | F016T45870
Hersteller: BOSCH
Artikelnummer: EB-0600894003-F016T45870
Netto: 3,60 € zzgl. MwSt.
zzgl. 6,90 € Versand (brutto)
einmalig pro Bestellung

Lieferzeit: 5 Werktage

Pos.
39/5/5
BOSCH Haltebolzen M 6X40 | Ersatzteile für ASM 30 | F016L37879
Hersteller: BOSCH
Artikelnummer: EB-0600894003-F016L37879
Netto: 3,49 € zzgl. MwSt.
zzgl. 6,90 € Versand (brutto)
einmalig pro Bestellung

Lieferzeit: 5 Werktage

Pos.
50
BOSCH Walze | Ersatzteile für ASM 30 | F016T43911
Hersteller: BOSCH
Artikelnummer: EB-0600894003-F016T43911
Netto: 8,23 € zzgl. MwSt.
zzgl. 6,90 € Versand (brutto)
einmalig pro Bestellung

Lieferzeit: 5 Werktage

Pos.
52
BOSCH Führung | Ersatzteile für ASM 30 | F016T48782
Hersteller: BOSCH
Artikelnummer: EB-0600894003-F016T48782
Netto: 5,65 € zzgl. MwSt.
zzgl. 6,90 € Versand (brutto)
einmalig pro Bestellung

Lieferzeit: 5 Werktage

Pos.
55/1
BOSCH Lagerbuchse | Ersatzteile für ASM 30 | F016T40530
Hersteller: BOSCH
Artikelnummer: EB-0600894003-F016T40530
Netto: 3,94 € zzgl. MwSt.
zzgl. 6,90 € Versand (brutto)
einmalig pro Bestellung

Lieferzeit: 5 Werktage

Pos.
60
BOSCH Rad | Ersatzteile für ASM 30 | F016T48903
Hersteller: BOSCH
Artikelnummer: EB-0600894003-F016T48903
Netto: 7,66 € zzgl. MwSt.
zzgl. 6,90 € Versand (brutto)
einmalig pro Bestellung

Lieferzeit: 5 Werktage

Pos.
75/1
BOSCH Halterahmen | Ersatzteile für ASM 30 | F016L61236
Hersteller: BOSCH
Artikelnummer: EB-0600894003-F016L61236
Netto: 14,13 € zzgl. MwSt.
zzgl. 6,90 € Versand (brutto)
einmalig pro Bestellung

Lieferzeit: 5 Werktage

Pos.
75/10
BOSCH Knopf | Ersatzteile für ASM 30 | F016T49223
Hersteller: BOSCH
Artikelnummer: EB-0600894003-F016T49223
Netto: 3,75 € zzgl. MwSt.
zzgl. 6,90 € Versand (brutto)
einmalig pro Bestellung

Lieferzeit: 5 Werktage

Pos.
75/11
BOSCH Druckfeder | Ersatzteile für ASM 30 | F016T49226
Hersteller: BOSCH
Artikelnummer: EB-0600894003-F016T49226
nur Informationsartikel
Nie mehr lieferbar
keine Alternativen
Pos.
75/12
BOSCH Kabelhalter | Ersatzteile für ASM 30 | F016T49636
Hersteller: BOSCH
Artikelnummer: EB-0600894003-F016T49636
nur Informationsartikel
Nie mehr lieferbar
keine Alternativen
Pos.
75/13
BOSCH Kondensator | Ersatzteile für ASM 30 | F016L36952
Hersteller: BOSCH
Artikelnummer: EB-0600894003-F016L36952
Netto: 3,60 € zzgl. MwSt.
zzgl. 6,90 € Versand (brutto)
einmalig pro Bestellung

Lieferzeit: 5 Werktage

Pos.
75/16
BOSCH Zugentlastung | Ersatzteile für ASM 30 | F016L65387
Hersteller: BOSCH
Artikelnummer: EB-0600894003-F016L65387
Netto: 8,23 € zzgl. MwSt.
zzgl. 6,90 € Versand (brutto)
einmalig pro Bestellung

Lieferzeit: 5 Werktage

Pos.
75/20
BOSCH Zylinderstift | Ersatzteile für ASM 30 | F016T56145
Hersteller: BOSCH
Artikelnummer: EB-0600894003-F016T56145
Netto: 3,60 € zzgl. MwSt.
zzgl. 6,90 € Versand (brutto)
einmalig pro Bestellung

Lieferzeit: 5 Werktage

Pos.
75/22
BOSCH Halterung | Ersatzteile für ASM 30 | F016T49628
Hersteller: BOSCH
Artikelnummer: EB-0600894003-F016T49628
nur Informationsartikel
Nie mehr lieferbar
keine Alternativen
Pos.
75/4
BOSCH Schalterdeckel | Ersatzteile für ASM 30 | F016L36449
Hersteller: BOSCH
Artikelnummer: EB-0600894003-F016L36449
Netto: 4,45 € zzgl. MwSt.
zzgl. 6,90 € Versand (brutto)
einmalig pro Bestellung

Lieferzeit: 5 Werktage

Pos.
75/6
BOSCH Kabelhalter | Ersatzteile für ASM 30 | F016T49630
Hersteller: BOSCH
Artikelnummer: EB-0600894003-F016T49630
nur Informationsartikel
Nie mehr lieferbar
keine Alternativen
Pos.
75/8
BOSCH Endschalter | Ersatzteile für ASM 30 | F016T49627
Hersteller: BOSCH
Artikelnummer: EB-0600894003-F016T49627
Netto: 3,60 € zzgl. MwSt.
zzgl. 6,90 € Versand (brutto)
einmalig pro Bestellung

Lieferzeit: 5 Werktage

Pos.
75/9
BOSCH Spiralfeder | Ersatzteile für ASM 30 | F016T49633
Hersteller: BOSCH
Artikelnummer: EB-0600894003-F016T49633
Netto: 4,36 € zzgl. MwSt.
zzgl. 6,90 € Versand (brutto)
einmalig pro Bestellung

Lieferzeit: 5 Werktage

Pos.
80/5
BOSCH Schnur | Ersatzteile für ASM 30 | F016T48063
Hersteller: BOSCH
Artikelnummer: EB-0600894003-F016T48063
Netto: 3,49 € zzgl. MwSt.
zzgl. 6,90 € Versand (brutto)
einmalig pro Bestellung

Lieferzeit: 5 Werktage

Pos.
80/6
BOSCH Verschlusskappe | Ersatzteile für ASM 30 | F016T48901
Hersteller: BOSCH
Artikelnummer: EB-0600894003-F016T48901
Netto: 10,70 € zzgl. MwSt.
zzgl. 6,90 € Versand (brutto)
einmalig pro Bestellung

Lieferzeit: 5 Werktage

Pos.
86
BOSCH Verschlussdeckel | Ersatzteile für ASM 30 | F016L61227
Hersteller: BOSCH
Artikelnummer: EB-0600894003-F016L61227
Netto: 5,17 € zzgl. MwSt.
zzgl. 6,90 € Versand (brutto)
einmalig pro Bestellung

Lieferzeit: 5 Werktage

Pos.
88
BOSCH Druckfeder | Ersatzteile für ASM 30 | F016L61461
Hersteller: BOSCH
Artikelnummer: EB-0600894003-F016L61461
Netto: 3,60 € zzgl. MwSt.
zzgl. 6,90 € Versand (brutto)
einmalig pro Bestellung

Lieferzeit: 5 Werktage

Pos.
90
BOSCH Gewindebuchse | Ersatzteile für ASM 30 | F016T45585
Hersteller: BOSCH
Artikelnummer: EB-0600894003-F016T45585
Netto: 3,49 € zzgl. MwSt.
zzgl. 6,90 € Versand (brutto)
einmalig pro Bestellung

Lieferzeit: 5 Werktage

Pos.
91
BOSCH Teilesatz | Ersatzteile für ASM 30 | F016T45586
Hersteller: BOSCH
Artikelnummer: EB-0600894003-F016T45586
Netto: 4,45 € zzgl. MwSt.
zzgl. 6,90 € Versand (brutto)
einmalig pro Bestellung

Lieferzeit: 5 Werktage

Pos.
92
BOSCH Abdeckung | Ersatzteile für ASM 30 | F016T46665
Hersteller: BOSCH
Artikelnummer: EB-0600894003-F016T46665
Netto: 4,82 € zzgl. MwSt.
zzgl. 6,90 € Versand (brutto)
einmalig pro Bestellung

Lieferzeit: 5 Werktage

Pos.
94
BOSCH Filter | Ersatzteile für ASM 30 | F016T46774
Hersteller: BOSCH
Artikelnummer: EB-0600894003-F016T46774
nur Informationsartikel
Nie mehr lieferbar
keine Alternativen
Pos.
96
BOSCH Verschlusskappe | Ersatzteile für ASM 30 | F016L61234
Hersteller: BOSCH
Artikelnummer: EB-0600894003-F016L61234
nur Informationsartikel
Nie mehr lieferbar
keine Alternativen
Pos.
97
BOSCH Lager SCHWARZ | Ersatzteile für ASM 30 | F016T48875
Hersteller: BOSCH
Artikelnummer: EB-0600894003-F016T48875
Netto: 3,60 € zzgl. MwSt.
zzgl. 6,90 € Versand (brutto)
einmalig pro Bestellung

Lieferzeit: 5 Werktage

Pos.
98
BOSCH Haltebolzen | Ersatzteile für ASM 30 | F016T48910
Hersteller: BOSCH
Artikelnummer: EB-0600894003-F016T48910
Netto: 3,78 € zzgl. MwSt.
zzgl. 6,90 € Versand (brutto)
einmalig pro Bestellung

Lieferzeit: 5 Werktage

Pos.
451
BOSCH Hinweisschild | Ersatzteile für ASM 30 | F016L61228
Hersteller: BOSCH
Artikelnummer: EB-0600894003-F016L61228
Netto: 3,75 € zzgl. MwSt.
zzgl. 6,90 € Versand (brutto)
einmalig pro Bestellung

Lieferzeit: 5 Werktage

Pos.
453
BOSCH Hinweisschild | Ersatzteile für ASM 30 | F016L61033
Hersteller: BOSCH
Artikelnummer: EB-0600894003-F016L61033
Netto: 3,60 € zzgl. MwSt.
zzgl. 6,90 € Versand (brutto)
einmalig pro Bestellung

Lieferzeit: 5 Werktage

Pos.
39
BOSCH Beilage | Ersatzteile für ASM 30 | F016L56894
Hersteller: BOSCH
Artikelnummer: EB-0600894003-F016L56894
nur Informationsartikel
Nie mehr lieferbar
keine Alternativen
Pos.
39/5/4
BOSCH Laufbolzen | Ersatzteile für ASM 30 | F016T46339
Hersteller: BOSCH
Artikelnummer: EB-0600894003-F016T46339
nur Informationsartikel
Nie mehr lieferbar
keine Alternativen
Pos.
500
BOSCH Mutter M6 | Ersatzteile für ASM 30 | F016L35329
Hersteller: BOSCH
Artikelnummer: EB-0600894003-F016L35329
Netto: 3,94 € zzgl. MwSt.
zzgl. 6,90 € Versand (brutto)
einmalig pro Bestellung

Lieferzeit: 5 Werktage

Pos.
40
BOSCH Motorgehäuse | Ersatzteile für ASM 30 | F016L61201
Hersteller: BOSCH
Artikelnummer: EB-0600894003-F016L61201
nur Informationsartikel
Nie mehr lieferbar
keine Alternativen
Pos.
501
BOSCH Schraube | Ersatzteile für ASM 30 | F016L36179
Hersteller: BOSCH
Artikelnummer: EB-0600894003-F016L36179
Netto: 3,60 € zzgl. MwSt.
zzgl. 6,90 € Versand (brutto)
einmalig pro Bestellung

Lieferzeit: 5 Werktage

Pos.
502
BOSCH Schraube M 6 | Ersatzteile für ASM 30 | F016T43163
Hersteller: BOSCH
Artikelnummer: EB-0600894003-F016T43163
Netto: 4,45 € zzgl. MwSt.
zzgl. 6,90 € Versand (brutto)
einmalig pro Bestellung

Lieferzeit: 5 Werktage

Pos.
504
BOSCH Sechskantschraube M8 | Ersatzteile für ASM 30 | F016T48048
Hersteller: BOSCH
Artikelnummer: EB-0600894003-F016T48048
Netto: 3,60 € zzgl. MwSt.
zzgl. 6,90 € Versand (brutto)
einmalig pro Bestellung

Lieferzeit: 5 Werktage

Pos.
43
BOSCH Abdeckung | Ersatzteile für ASM 30 | F016L61202
Hersteller: BOSCH
Artikelnummer: EB-0600894003-F016L61202
nur Informationsartikel
Nie mehr lieferbar
keine Alternativen
Pos.
505
BOSCH Scheibe | Ersatzteile für ASM 30 | F016T48053
Hersteller: BOSCH
Artikelnummer: EB-0600894003-F016T48053
Netto: 3,60 € zzgl. MwSt.
zzgl. 6,90 € Versand (brutto)
einmalig pro Bestellung

Lieferzeit: 5 Werktage

Pos.
506
BOSCH Unterlegscheibe | Ersatzteile für ASM 30 | F016T48058
Hersteller: BOSCH
Artikelnummer: EB-0600894003-F016T48058
Netto: 3,50 € zzgl. MwSt.
zzgl. 6,90 € Versand (brutto)
einmalig pro Bestellung

Lieferzeit: 5 Werktage

Pos.
507
BOSCH Mutter | Ersatzteile für ASM 30 | F016L18048
Hersteller: BOSCH
Artikelnummer: EB-0600894003-F016L18048
nur Informationsartikel
Nie mehr lieferbar
keine Alternativen
Pos.
509
BOSCH Gewindeschneidschraube 4x19 MM | Ersatzteile für ASM 30 | F016T49429
Hersteller: BOSCH
Artikelnummer: EB-0600894003-F016T49429
Netto: 3,60 € zzgl. MwSt.
zzgl. 6,90 € Versand (brutto)
einmalig pro Bestellung

Lieferzeit: 5 Werktage

Pos.
510
BOSCH Unterlegscheibe M5 | Ersatzteile für ASM 30 | F016T48428
Hersteller: BOSCH
Artikelnummer: EB-0600894003-F016T48428
Netto: 3,50 € zzgl. MwSt.
zzgl. 6,90 € Versand (brutto)
einmalig pro Bestellung

Lieferzeit: 5 Werktage

Pos.
511
BOSCH Unterlegscheibe | Ersatzteile für ASM 30 | F016L57338
Hersteller: BOSCH
Artikelnummer: EB-0600894003-F016L57338
Netto: 4,45 € zzgl. MwSt.
zzgl. 6,90 € Versand (brutto)
einmalig pro Bestellung

Lieferzeit: 5 Werktage

Pos.
512
BOSCH Unterlegscheibe | Ersatzteile für ASM 30 | F016T48727
Hersteller: BOSCH
Artikelnummer: EB-0600894003-F016T48727
Netto: 4,56 € zzgl. MwSt.
zzgl. 6,90 € Versand (brutto)
einmalig pro Bestellung

Lieferzeit: 5 Werktage

Pos.
839/17
BOSCH Spanngriff | Ersatzteile für ASM 30 | F016L66136
Hersteller: BOSCH
Artikelnummer: EB-0600894003-F016L66136
Netto: 5,65 € zzgl. MwSt.
zzgl. 6,90 € Versand (brutto)
einmalig pro Bestellung

Lieferzeit: 5 Werktage

Pos.
856
BOSCH Bodenplatte | Ersatzteile für ASM 30 | F016102111
Hersteller: BOSCH
Artikelnummer: EB-0600894003-F016102111
Netto: 7,22 € zzgl. MwSt.
zzgl. 6,90 € Versand (brutto)
einmalig pro Bestellung

Lieferzeit: 5 Werktage

Pos.
875/2
BOSCH Netzanschlussleitung EU | Ersatzteile für ASM 30 | F016104086
Hersteller: BOSCH
Artikelnummer: EB-0600894003-F016104086
nur Informationsartikel
Nie mehr lieferbar
keine Alternativen
Pos.
875/3
BOSCH Netzanschlussleitung | Ersatzteile für ASM 30 | F016102113
Hersteller: BOSCH
Artikelnummer: EB-0600894003-F016102113
nur Informationsartikel
Nie mehr lieferbar
keine Alternativen
Pos.
880
BOSCH Auffangbehaelter | Ersatzteile für ASM 30 | F016102117
Hersteller: BOSCH
Artikelnummer: EB-0600894003-F016102117
nur Informationsartikel
Nie mehr lieferbar
keine Alternativen
Pos.
55
BOSCH Spindel | Ersatzteile für ASM 30 | F016T49214
Hersteller: BOSCH
Artikelnummer: EB-0600894003-F016T49214
nur Informationsartikel
Nie mehr lieferbar
keine Alternativen
Pos.
899
BOSCH Achse | Ersatzteile für ASM 30 | F016T45591
Hersteller: BOSCH
Artikelnummer: EB-0600894003-F016T45591
Netto: 7,26 € zzgl. MwSt.
zzgl. 6,90 € Versand (brutto)
einmalig pro Bestellung

Lieferzeit: 5 Werktage

Pos.
75/21
BOSCH Halterung | Ersatzteile für ASM 30 | F016T49629
Hersteller: BOSCH
Artikelnummer: EB-0600894003-F016T49629
nur Informationsartikel
Nie mehr lieferbar
keine Alternativen
Pos.
89
BOSCH Zahnriemenrad | Ersatzteile für ASM 30 | F016T44491
Hersteller: BOSCH
Artikelnummer: EB-0600894003-F016T44491
nur Informationsartikel
Nie mehr lieferbar
keine Alternativen
Pos.
93
BOSCH Halterung | Ersatzteile für ASM 30 | F016T46724
Hersteller: BOSCH
Artikelnummer: EB-0600894003-F016T46724
nur Informationsartikel
Nie mehr lieferbar
keine Alternativen
Pos.
95
BOSCH Zahnriemen | Ersatzteile für ASM 30 | F016T41945
Hersteller: BOSCH
Artikelnummer: EB-0600894003-F016T41945
nur Informationsartikel
Nie mehr lieferbar
keine Alternativen
Pos.
101
BOSCH Halteband | Ersatzteile für ASM 30 | F016L61548
Hersteller: BOSCH
Artikelnummer: EB-0600894003-F016L61548
nur Informationsartikel
Nie mehr lieferbar
keine Alternativen
Pos.
450
BOSCH Hinweisschild | Ersatzteile für ASM 30 | F016L61219
Hersteller: BOSCH
Artikelnummer: EB-0600894003-F016L61219
nur Informationsartikel
Nie mehr lieferbar
keine Alternativen
Pos.
508
BOSCH Blechschraube | Ersatzteile für ASM 30 | F016T48977
Hersteller: BOSCH
Artikelnummer: EB-0600894003-F016T48977
nur Informationsartikel
Nie mehr lieferbar
keine Alternativen
Pos.
801
BOSCH Elektromotor | Ersatzteile für ASM 30 | F016L80623
Hersteller: BOSCH
Artikelnummer: EB-0600894003-F016L80623
nur Informationsartikel
Nie mehr lieferbar
keine Alternativen
Pos.
841
BOSCH Seitenplatte | Ersatzteile für ASM 30 | F016102109
Hersteller: BOSCH
Artikelnummer: EB-0600894003-F016102109
nur Informationsartikel
Nie mehr lieferbar
keine Alternativen
Pos.
842
BOSCH Seitenplatte | Ersatzteile für ASM 30 | F016102110
Hersteller: BOSCH
Artikelnummer: EB-0600894003-F016102110
nur Informationsartikel
Nie mehr lieferbar
keine Alternativen
Pos.
875
BOSCH Schaltergehäuse | Ersatzteile für ASM 30 | F016T49637
Hersteller: BOSCH
Artikelnummer: EB-0600894003-F016T49637
nur Informationsartikel
Nie mehr lieferbar
keine Alternativen
Pos.
876
BOSCH Rohrgestell | Ersatzteile für ASM 30 | F016102115
Hersteller: BOSCH
Artikelnummer: EB-0600894003-F016102115
nur Informationsartikel
Nie mehr lieferbar
keine Alternativen
Pos.
878
BOSCH Halterahmen | Ersatzteile für ASM 30 | F016102116
Hersteller: BOSCH
Artikelnummer: EB-0600894003-F016102116
nur Informationsartikel
Nie mehr lieferbar
keine Alternativen
Pos.
8100
BOSCH Auswuchtstücke | Ersatzteile für ASM 30 | F016102118
Hersteller: BOSCH
Artikelnummer: EB-0600894003-F016102118
nur Informationsartikel
Nie mehr lieferbar
keine Alternativen
Pos.
8102
BOSCH Gewicht | Ersatzteile für ASM 30 | F016102119
Hersteller: BOSCH
Artikelnummer: EB-0600894003-F016102119
nur Informationsartikel
Nie mehr lieferbar
keine Alternativen

Angaben zur Produktsicherheit

Hersteller:
Robert Bosch Power Tools GmbH
Postfach 30 02 20
70442 Stuttgart

E-Mail:
kontakt@bosch.de