BOSCH Schraube M5x8 Csk Hd. | Ersatzteile für ASM 32 | F016L36542

Artikelnummer: EB-0600889037-F016L36542

Position: 501

Marke: BOSCH


Bitte Kompatibilität prüfen!

Bitte prüfen Sie unbedingt die 10-stellige Typennummer Ihrer Maschine / Ihres Gerätes. Das Ersatzteil ist nur kompatibel, wenn Sie die Typennummer Ihrer Maschine in der unten stehenden Produktbeschreibung finden.

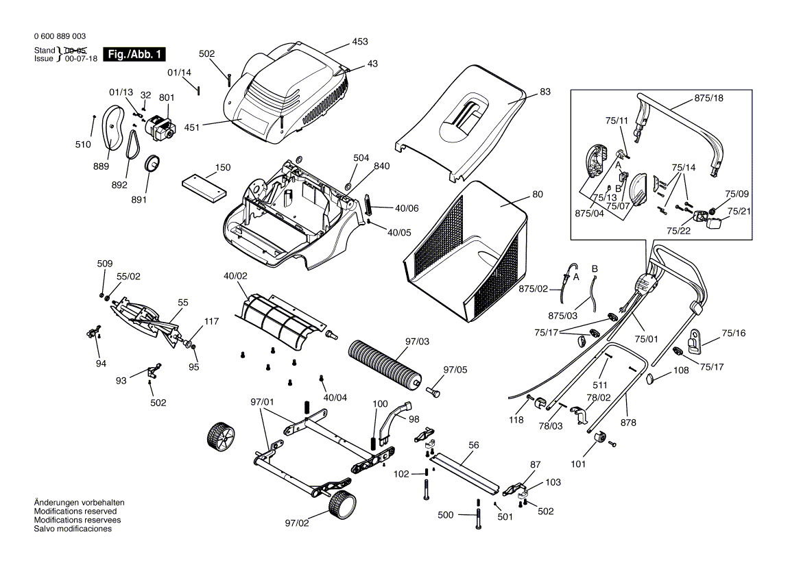
Bitte prüfen Sie ebenfalls detailliert die Explosionszeichnung mit Ihrem Artikelwunsch und der jeweiligen Pos-Nummer.

Alle Elemente, welche vom schwarzen Strich der Pos-Nummer ausgehend berührt / erfasst werden, gehören zu dieser Pos-Nummer und somit zu diesem Artikel. Jede Pos-Nummer ist ein eigenständiger Artikel, welchen Sie in der Auflistung finden.

Sie erhalten stets die aktuellste, neueste Produktversion zu der gewählten Pos-Nummer seitens des Herstellers. Es kann daher je nach Gerätealter vorkommen, dass Sie ggf. weitere, zugehörige Elemente, welche an diese Pos-Nummer grenzen, ebenfalls mittauschen müssen.

Nähere Informationen finden Sie unter dem Link
Hinweise zu Ihrer BOSCH Ersatzteilsuche

Preisübersicht

Einzelpreis: 4,56 €* (Brutto: 5,43 €)
Gesamtpreis: 4,56 €* 
Position:

Lieferzeit: 5 Werktage


Beschreibung

  • Schraube M5x8 Csk Hd.
  • Original Bosch Zubehör / BOSCH Ersatzteil (F016L36542)
  • im Gerät verbaut: 1
Dieses BOSCH Ersatzteil ist mit folgendem Gerät und Modell kompatibel:
  • BOSCH Gerätename: ASM 32
  • BOSCH Explosionszeichnung: Position 501
  • BOSCH Typennummer: 0600889037
  • BOSCH Typennummer alternative Schreibweisen: 0 600 889 037, 0600 889 037, 0.600.889.037, 0-600-889-037
    Bitte prüfen Sie diese Typennummer auf Ihrem Gerät um die Kompatibilität des BOSCH Ersatzteils zu gewährleisten.
Weitere BOSCH Ersatzteile des Gerätes ASM 32 (Rasenmäher) mit der Typennummer 0600889037 finden Sie in der nachfolgenden Darstellung und im Dropdown zu Ihrer Auswahl:

Pos.
40/06
BOSCH Einsatz | Ersatzteile für ASM 32 | F016102782
Hersteller: BOSCH
Artikelnummer: EB-0600889037-F016102782
Netto: 4,56 € zzgl. MwSt.
zzgl. 6,90 € Versand (brutto)
einmalig pro Bestellung

Lieferzeit: 5 Werktage

Pos.
55/02
BOSCH Rillenkugellager 6200-2Z DIN 625 | Ersatzteile für ASM 32 | 1900905232
Hersteller: BOSCH
Artikelnummer: EB-0600889037-1900905232
Netto: 18,86 € zzgl. MwSt.
zzgl. 6,90 € Versand (brutto)
einmalig pro Bestellung

Lieferzeit: 5 Werktage

Pos.
75/07
BOSCH Ein/Aus-Schalter | Ersatzteile für ASM 32 | F016F05717
Hersteller: BOSCH
Artikelnummer: EB-0600889037-F016F05717
Netto: 12,50 € zzgl. MwSt.
zzgl. 6,90 € Versand (brutto)
einmalig pro Bestellung

Lieferzeit: 5 Werktage

Pos.
75/13
BOSCH Kondensator | Ersatzteile für ASM 32 | F016L36952
Hersteller: BOSCH
Artikelnummer: EB-0600889037-F016L36952
Netto: 3,60 € zzgl. MwSt.
zzgl. 6,90 € Versand (brutto)
einmalig pro Bestellung

Lieferzeit: 5 Werktage

Pos.
75/22
BOSCH Halterung | Ersatzteile für ASM 32 | F016T49628
Hersteller: BOSCH
Artikelnummer: EB-0600889037-F016T49628
nur Informationsartikel
Nie mehr lieferbar
keine Alternativen
Pos.
875/02
BOSCH Netzanschlussleitung | Ersatzteile für ASM 32 | F016102381
Hersteller: BOSCH
Artikelnummer: EB-0600889037-F016102381
nur Informationsartikel
Nie mehr lieferbar
keine Alternativen
Pos.
875/03
BOSCH Verbindungskabel | Ersatzteile für ASM 32 | F016102355
Hersteller: BOSCH
Artikelnummer: EB-0600889037-F016102355
Netto: 6,75 € zzgl. MwSt.
zzgl. 6,90 € Versand (brutto)
einmalig pro Bestellung

Lieferzeit: 5 Werktage

Pos.
875/04
BOSCH Montagesatz | Ersatzteile für ASM 32 | F016103136
Hersteller: BOSCH
Artikelnummer: EB-0600889037-F016103136
nur Informationsartikel
Nie mehr lieferbar
keine Alternativen
Pos.
875/18
BOSCH Steuerleiste | Ersatzteile für ASM 32 | F016102331
Hersteller: BOSCH
Artikelnummer: EB-0600889037-F016102331
nur Informationsartikel
Nie mehr lieferbar
keine Alternativen
Pos.
97/01
BOSCH Gestänge | Ersatzteile für ASM 32 | F016102751
Hersteller: BOSCH
Artikelnummer: EB-0600889037-F016102751
nur Informationsartikel
Nie mehr lieferbar
keine Alternativen
Pos.
32
BOSCH Gewindeschneidschraube | Ersatzteile für ASM 32 | F016L37433
Hersteller: BOSCH
Artikelnummer: EB-0600889037-F016L37433
Netto: 3,60 € zzgl. MwSt.
zzgl. 6,90 € Versand (brutto)
einmalig pro Bestellung

Lieferzeit: 5 Werktage

Pos.
56
BOSCH Untermesser | Ersatzteile für ASM 32 | F016102772
Hersteller: BOSCH
Artikelnummer: EB-0600889037-F016102772
nur Informationsartikel
Nie mehr lieferbar
keine Alternativen
Pos.
85
BOSCH Kabelhalter | Ersatzteile für ASM 32 | F016L11580
Hersteller: BOSCH
Artikelnummer: EB-0600889037-F016L11580
nur Informationsartikel
Nie mehr lieferbar
keine Alternativen
Pos.
501
BOSCH Schraube M5x8 Csk Hd. | Ersatzteile für ASM 32 | F016L36542
Hersteller: BOSCH
Artikelnummer: EB-0600889037-F016L36542
Netto: 4,56 € zzgl. MwSt.
zzgl. 6,90 € Versand (brutto)
einmalig pro Bestellung

Lieferzeit: 5 Werktage

Pos.
510
BOSCH Gewindeschneidschraube 4x19 MM | Ersatzteile für ASM 32 | F016T49429
Hersteller: BOSCH
Artikelnummer: EB-0600889037-F016T49429
Netto: 3,60 € zzgl. MwSt.
zzgl. 6,90 € Versand (brutto)
einmalig pro Bestellung

Lieferzeit: 5 Werktage

Pos.
511
BOSCH Bolzen M6x50 | Ersatzteile für ASM 32 | F016L59277
Hersteller: BOSCH
Artikelnummer: EB-0600889037-F016L59277
nur Informationsartikel
Nie mehr lieferbar
keine Alternativen
Pos.
801
BOSCH Elektromotor | Ersatzteile für ASM 32 | F016103627
Hersteller: BOSCH
Artikelnummer: EB-0600889037-F016103627
Netto: 67,29 € zzgl. MwSt.
zzgl. 6,90 € Versand (brutto)
einmalig pro Bestellung

Lieferzeit: 5 Werktage

Pos.
840
BOSCH Montageplatte | Ersatzteile für ASM 32 | F016102380
Hersteller: BOSCH
Artikelnummer: EB-0600889037-F016102380
Netto: 26,41 € zzgl. MwSt.
zzgl. 6,90 € Versand (brutto)
einmalig pro Bestellung

Lieferzeit: 5 Werktage

Pos.
878
BOSCH Handgriff | Ersatzteile für ASM 32 | F016102330
Hersteller: BOSCH
Artikelnummer: EB-0600889037-F016102330
Netto: 10,62 € zzgl. MwSt.
zzgl. 6,90 € Versand (brutto)
einmalig pro Bestellung

Lieferzeit: 5 Werktage

Pos.
889
BOSCH Bandabdeckung | Ersatzteile für ASM 32 | F016102356
Hersteller: BOSCH
Artikelnummer: EB-0600889037-F016102356
Netto: 5,17 € zzgl. MwSt.
zzgl. 6,90 € Versand (brutto)
einmalig pro Bestellung

Lieferzeit: 5 Werktage

Pos.
891
BOSCH Riemenscheibe | Ersatzteile für ASM 32 | F016102357
Hersteller: BOSCH
Artikelnummer: EB-0600889037-F016102357
Netto: 4,80 € zzgl. MwSt.
zzgl. 6,90 € Versand (brutto)
einmalig pro Bestellung

Lieferzeit: 5 Werktage

Pos.
892
BOSCH Antriebsriemen | Ersatzteile für ASM 32 | F016102358
Hersteller: BOSCH
Artikelnummer: EB-0600889037-F016102358
nur Informationsartikel
Nie mehr lieferbar
keine Alternativen

Angaben zur Produktsicherheit

Hersteller:
Robert Bosch Power Tools GmbH
Postfach 30 02 20
70442 Stuttgart

E-Mail:
kontakt@bosch.de