BOSCH Lagerdeckel | Ersatzteile für ASM 32 | F016L65939

Artikelnummer: EB-3600H89A70-F016L65939

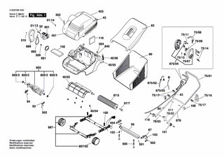
Position: 855/2

Marke: BOSCH


Bitte Kompatibilität prüfen!

Bitte prüfen Sie unbedingt die 10-stellige Typennummer Ihrer Maschine / Ihres Gerätes. Das Ersatzteil ist nur kompatibel, wenn Sie die Typennummer Ihrer Maschine in der unten stehenden Produktbeschreibung finden.

Bitte prüfen Sie ebenfalls detailliert die Explosionszeichnung mit Ihrem Artikelwunsch und der jeweiligen Pos-Nummer.

Alle Elemente, welche vom schwarzen Strich der Pos-Nummer ausgehend berührt / erfasst werden, gehören zu dieser Pos-Nummer und somit zu diesem Artikel. Jede Pos-Nummer ist ein eigenständiger Artikel, welchen Sie in der Auflistung finden.

Sie erhalten stets die aktuellste, neueste Produktversion zu der gewählten Pos-Nummer seitens des Herstellers. Es kann daher je nach Gerätealter vorkommen, dass Sie ggf. weitere, zugehörige Elemente, welche an diese Pos-Nummer grenzen, ebenfalls mittauschen müssen.

Nähere Informationen finden Sie unter dem Link
Hinweise zu Ihrer BOSCH Ersatzteilsuche

Preisübersicht

Einzelpreis: 3,94 €* (Brutto: 4,69 €)
Gesamtpreis: 3,94 €* 
Position:

Lieferzeit: 5 Werktage


Beschreibung

  • Lagerdeckel
  • Original Bosch Zubehör / BOSCH Ersatzteil (F016L65939)
  • im Gerät verbaut: 1
Dieses BOSCH Ersatzteil ist mit folgendem Gerät und Modell kompatibel:
  • BOSCH Gerätename: ASM 32
  • BOSCH Explosionszeichnung: Position 855/2
  • BOSCH Typennummer: 3600H89A70
  • BOSCH Typennummer alternative Schreibweisen: 3 600 H89 A70, 3600 H89 A70, 3.600.H89.A70, 3-600-H89-A70
    Bitte prüfen Sie diese Typennummer auf Ihrem Gerät um die Kompatibilität des BOSCH Ersatzteils zu gewährleisten.
Weitere BOSCH Ersatzteile des Gerätes ASM 32 (Rasenmäher) mit der Typennummer 3600H89A70 finden Sie in der nachfolgenden Darstellung und im Dropdown zu Ihrer Auswahl:

Pos.
01/13
BOSCH Ritzel | Ersatzteile für ASM 32 | F016L62280
Hersteller: BOSCH
Artikelnummer: EB-3600H89A70-F016L62280
nur Informationsartikel
Nie mehr lieferbar
keine Alternativen
Pos.
01/14
BOSCH Spiralspannstift | Ersatzteile für ASM 32 | F016T44492
Hersteller: BOSCH
Artikelnummer: EB-3600H89A70-F016T44492
Netto: 4,56 € zzgl. MwSt.
zzgl. 6,90 € Versand (brutto)
einmalig pro Bestellung

Lieferzeit: 5 Werktage

Pos.
40/02
BOSCH Ablenkplatte | Ersatzteile für ASM 32 | F016L62281
Hersteller: BOSCH
Artikelnummer: EB-3600H89A70-F016L62281
nur Informationsartikel
Nie mehr lieferbar
keine Alternativen
Pos.
40/04
BOSCH Gewindeschneidschraube 3x8 MM | Ersatzteile für ASM 32 | F016L66420
Hersteller: BOSCH
Artikelnummer: EB-3600H89A70-F016L66420
Netto: 4,56 € zzgl. MwSt.
zzgl. 6,90 € Versand (brutto)
einmalig pro Bestellung

Lieferzeit: 5 Werktage

Pos.
40/06
BOSCH Einsatz | Ersatzteile für ASM 32 | F016102782
Hersteller: BOSCH
Artikelnummer: EB-3600H89A70-F016102782
Netto: 4,56 € zzgl. MwSt.
zzgl. 6,90 € Versand (brutto)
einmalig pro Bestellung

Lieferzeit: 5 Werktage

Pos.
75/01
BOSCH Handgriff | Ersatzteile für ASM 32 | F016L62651
Hersteller: BOSCH
Artikelnummer: EB-3600H89A70-F016L62651
nur Informationsartikel
Nie mehr lieferbar
keine Alternativen
Pos.
75/07
BOSCH Ein/Aus-Schalter | Ersatzteile für ASM 32 | F016F05717
Hersteller: BOSCH
Artikelnummer: EB-3600H89A70-F016F05717
Netto: 12,50 € zzgl. MwSt.
zzgl. 6,90 € Versand (brutto)
einmalig pro Bestellung

Lieferzeit: 5 Werktage

Pos.
75/08
BOSCH Stellhebel SCHWARZ | Ersatzteile für ASM 32 | F016L65676
Hersteller: BOSCH
Artikelnummer: EB-3600H89A70-F016L65676
nur Informationsartikel
Nie mehr lieferbar
keine Alternativen
Pos.
75/09
BOSCH Spiralfeder | Ersatzteile für ASM 32 | F016T49633
Hersteller: BOSCH
Artikelnummer: EB-3600H89A70-F016T49633
Netto: 4,36 € zzgl. MwSt.
zzgl. 6,90 € Versand (brutto)
einmalig pro Bestellung

Lieferzeit: 5 Werktage

Pos.
75/11
BOSCH Druckfeder | Ersatzteile für ASM 32 | F016T49226
Hersteller: BOSCH
Artikelnummer: EB-3600H89A70-F016T49226
nur Informationsartikel
Nie mehr lieferbar
keine Alternativen
Pos.
75/13
BOSCH Kondensator | Ersatzteile für ASM 32 | F016L36952
Hersteller: BOSCH
Artikelnummer: EB-3600H89A70-F016L36952
Netto: 3,60 € zzgl. MwSt.
zzgl. 6,90 € Versand (brutto)
einmalig pro Bestellung

Lieferzeit: 5 Werktage

Pos.
75/16
BOSCH Zugentlastung | Ersatzteile für ASM 32 | F016L65387
Hersteller: BOSCH
Artikelnummer: EB-3600H89A70-F016L65387
Netto: 8,23 € zzgl. MwSt.
zzgl. 6,90 € Versand (brutto)
einmalig pro Bestellung

Lieferzeit: 5 Werktage

Pos.
75/17
BOSCH Kabelklemme | Ersatzteile für ASM 32 | F016T56393
Hersteller: BOSCH
Artikelnummer: EB-3600H89A70-F016T56393
nur Informationsartikel
Nie mehr lieferbar
keine Alternativen
Pos.
78/02
BOSCH Abschlussstück | Ersatzteile für ASM 32 | F016L62669
Hersteller: BOSCH
Artikelnummer: EB-3600H89A70-F016L62669
Netto: 3,94 € zzgl. MwSt.
zzgl. 6,90 € Versand (brutto)
einmalig pro Bestellung

Lieferzeit: 5 Werktage

Pos.
78/03
BOSCH Spiralspannstift | Ersatzteile für ASM 32 | F016L62760
Hersteller: BOSCH
Artikelnummer: EB-3600H89A70-F016L62760
Netto: 3,60 € zzgl. MwSt.
zzgl. 6,90 € Versand (brutto)
einmalig pro Bestellung

Lieferzeit: 5 Werktage

Pos.
855/2
BOSCH Lagerdeckel | Ersatzteile für ASM 32 | F016L65939
Hersteller: BOSCH
Artikelnummer: EB-3600H89A70-F016L65939
Netto: 3,94 € zzgl. MwSt.
zzgl. 6,90 € Versand (brutto)
einmalig pro Bestellung

Lieferzeit: 5 Werktage

Pos.
855/3
BOSCH Rillenkugellager 6200-2Z DIN 625 | Ersatzteile für ASM 32 | 1900905232
Hersteller: BOSCH
Artikelnummer: EB-3600H89A70-1900905232
Netto: 18,86 € zzgl. MwSt.
zzgl. 6,90 € Versand (brutto)
einmalig pro Bestellung

Lieferzeit: 5 Werktage

Pos.
875/02
BOSCH Netzanschlussleitung GB 22m 2 x 0,75mm without plug | Ersatzteile für ASM 32 | F016104085
Hersteller: BOSCH
Artikelnummer: EB-3600H89A70-F016104085
Netto: 25,97 € zzgl. MwSt.
zzgl. 6,90 € Versand (brutto)
einmalig pro Bestellung

Lieferzeit: 5 Werktage

Pos.
875/03
BOSCH Verbindungskabel | Ersatzteile für ASM 32 | F016102355
Hersteller: BOSCH
Artikelnummer: EB-3600H89A70-F016102355
Netto: 6,75 € zzgl. MwSt.
zzgl. 6,90 € Versand (brutto)
einmalig pro Bestellung

Lieferzeit: 5 Werktage

Pos.
875/04
BOSCH Montagesatz | Ersatzteile für ASM 32 | F016103136
Hersteller: BOSCH
Artikelnummer: EB-3600H89A70-F016103136
nur Informationsartikel
Nie mehr lieferbar
keine Alternativen
Pos.
897/02
BOSCH Rad | Ersatzteile für ASM 32 | F016L62270
Hersteller: BOSCH
Artikelnummer: EB-3600H89A70-F016L62270
Netto: 4,56 € zzgl. MwSt.
zzgl. 6,90 € Versand (brutto)
einmalig pro Bestellung

Lieferzeit: 5 Werktage

Pos.
97/5
BOSCH Rolle | Ersatzteile für ASM 32 | F016L62282
Hersteller: BOSCH
Artikelnummer: EB-3600H89A70-F016L62282
Netto: 7,66 € zzgl. MwSt.
zzgl. 6,90 € Versand (brutto)
einmalig pro Bestellung

Lieferzeit: 5 Werktage

Pos.
97/7
BOSCH Flanschwelle | Ersatzteile für ASM 32 | F016L63341
Hersteller: BOSCH
Artikelnummer: EB-3600H89A70-F016L63341
Netto: 4,80 € zzgl. MwSt.
zzgl. 6,90 € Versand (brutto)
einmalig pro Bestellung

Lieferzeit: 5 Werktage

Pos.
32
BOSCH Gewindeschneidschraube | Ersatzteile für ASM 32 | F016L37433
Hersteller: BOSCH
Artikelnummer: EB-3600H89A70-F016L37433
Netto: 3,60 € zzgl. MwSt.
zzgl. 6,90 € Versand (brutto)
einmalig pro Bestellung

Lieferzeit: 5 Werktage

Pos.
43
BOSCH Motorhaube | Ersatzteile für ASM 32 | F016L62269
Hersteller: BOSCH
Artikelnummer: EB-3600H89A70-F016L62269
nur Informationsartikel
Nie mehr lieferbar
keine Alternativen
Pos.
56
BOSCH Untermesser | Ersatzteile für ASM 32 | F016102772
Hersteller: BOSCH
Artikelnummer: EB-3600H89A70-F016102772
nur Informationsartikel
Nie mehr lieferbar
keine Alternativen
Pos.
80
BOSCH Fangkorb Unterteil | Ersatzteile für ASM 32 | F016L62300
Hersteller: BOSCH
Artikelnummer: EB-3600H89A70-F016L62300
Netto: 15,15 € zzgl. MwSt.
zzgl. 6,90 € Versand (brutto)
einmalig pro Bestellung

Lieferzeit: 5 Werktage

Pos.
83
BOSCH Fangkorb Oberteil | Ersatzteile für ASM 32 | F016L62299
Hersteller: BOSCH
Artikelnummer: EB-3600H89A70-F016L62299
Netto: 12,50 € zzgl. MwSt.
zzgl. 6,90 € Versand (brutto)
einmalig pro Bestellung

Lieferzeit: 5 Werktage

Pos.
85
BOSCH Kabelhalter | Ersatzteile für ASM 32 | F016L11580
Hersteller: BOSCH
Artikelnummer: EB-3600H89A70-F016L11580
nur Informationsartikel
Nie mehr lieferbar
keine Alternativen
Pos.
87
BOSCH Messerhalter | Ersatzteile für ASM 32 | F016L62272
Hersteller: BOSCH
Artikelnummer: EB-3600H89A70-F016L62272
Netto: 4,56 € zzgl. MwSt.
zzgl. 6,90 € Versand (brutto)
einmalig pro Bestellung

Lieferzeit: 5 Werktage

Pos.
93
BOSCH Lagerhalter | Ersatzteile für ASM 32 | F016L65830
Hersteller: BOSCH
Artikelnummer: EB-3600H89A70-F016L65830
nur Informationsartikel
Nie mehr lieferbar
keine Alternativen
Pos.
94
BOSCH Lagerhalter | Ersatzteile für ASM 32 | F016L65831
Hersteller: BOSCH
Artikelnummer: EB-3600H89A70-F016L65831
nur Informationsartikel
Nie mehr lieferbar
keine Alternativen
Pos.
100
BOSCH Druckfeder | Ersatzteile für ASM 32 | F016L62298
Hersteller: BOSCH
Artikelnummer: EB-3600H89A70-F016L62298
nur Informationsartikel
Nie mehr lieferbar
keine Alternativen
Pos.
101
BOSCH Zapfen | Ersatzteile für ASM 32 | F016L62285
Hersteller: BOSCH
Artikelnummer: EB-3600H89A70-F016L62285
nur Informationsartikel
Nie mehr lieferbar
keine Alternativen
Pos.
102
BOSCH Druckfeder | Ersatzteile für ASM 32 | F016L62284
Hersteller: BOSCH
Artikelnummer: EB-3600H89A70-F016L62284
nur Informationsartikel
Nie mehr lieferbar
keine Alternativen
Pos.
103
BOSCH Klemmstein | Ersatzteile für ASM 32 | F016L62283
Hersteller: BOSCH
Artikelnummer: EB-3600H89A70-F016L62283
Netto: 3,60 € zzgl. MwSt.
zzgl. 6,90 € Versand (brutto)
einmalig pro Bestellung

Lieferzeit: 5 Werktage

Pos.
108
BOSCH Spanngriff | Ersatzteile für ASM 32 | F016L66136
Hersteller: BOSCH
Artikelnummer: EB-3600H89A70-F016L66136
Netto: 5,65 € zzgl. MwSt.
zzgl. 6,90 € Versand (brutto)
einmalig pro Bestellung

Lieferzeit: 5 Werktage

Pos.
116
BOSCH Luftfilter | Ersatzteile für ASM 32 | F016L62487
Hersteller: BOSCH
Artikelnummer: EB-3600H89A70-F016L62487
nur Informationsartikel
Nie mehr lieferbar
keine Alternativen
Pos.
118
BOSCH Gelenkbolzen | Ersatzteile für ASM 32 | F016L64240
Hersteller: BOSCH
Artikelnummer: EB-3600H89A70-F016L64240
nur Informationsartikel
Nie mehr lieferbar
keine Alternativen
Pos.
150
BOSCH Auswuchtstücke | Ersatzteile für ASM 32 | F016L62596
Hersteller: BOSCH
Artikelnummer: EB-3600H89A70-F016L62596
nur Informationsartikel
Nie mehr lieferbar
keine Alternativen
Pos.
451
BOSCH Klebeschild | Ersatzteile für ASM 32 | F016L62309
Hersteller: BOSCH
Artikelnummer: EB-3600H89A70-F016L62309
Netto: 5,17 € zzgl. MwSt.
zzgl. 6,90 € Versand (brutto)
einmalig pro Bestellung

Lieferzeit: 5 Werktage

Pos.
453
BOSCH Hinweisschild | Ersatzteile für ASM 32 | F016L61033
Hersteller: BOSCH
Artikelnummer: EB-3600H89A70-F016L61033
Netto: 3,60 € zzgl. MwSt.
zzgl. 6,90 € Versand (brutto)
einmalig pro Bestellung

Lieferzeit: 5 Werktage

Pos.
454
BOSCH Klebeschild | Ersatzteile für ASM 32 | F016L64170
Hersteller: BOSCH
Artikelnummer: EB-3600H89A70-F016L64170
nur Informationsartikel
Nie mehr lieferbar
keine Alternativen
Pos.
500
BOSCH Bolzen | Ersatzteile für ASM 32 | F016L62288
Hersteller: BOSCH
Artikelnummer: EB-3600H89A70-F016L62288
nur Informationsartikel
Nie mehr lieferbar
keine Alternativen
Pos.
501
BOSCH Schraube M5x8 Csk Hd. | Ersatzteile für ASM 32 | F016L36542
Hersteller: BOSCH
Artikelnummer: EB-3600H89A70-F016L36542
Netto: 4,56 € zzgl. MwSt.
zzgl. 6,90 € Versand (brutto)
einmalig pro Bestellung

Lieferzeit: 5 Werktage

Pos.
504
BOSCH Stellring 12 MM T40 | Ersatzteile für ASM 32 | F016T49100
Hersteller: BOSCH
Artikelnummer: EB-3600H89A70-F016T49100
nur Informationsartikel
Nie mehr lieferbar
keine Alternativen
Pos.
509
BOSCH Mutter | Ersatzteile für ASM 32 | F016L62388
Hersteller: BOSCH
Artikelnummer: EB-3600H89A70-F016L62388
Netto: 3,94 € zzgl. MwSt.
zzgl. 6,90 € Versand (brutto)
einmalig pro Bestellung

Lieferzeit: 5 Werktage

Pos.
510
BOSCH Gewindeschneidschraube 4x19 MM | Ersatzteile für ASM 32 | F016T49429
Hersteller: BOSCH
Artikelnummer: EB-3600H89A70-F016T49429
Netto: 3,60 € zzgl. MwSt.
zzgl. 6,90 € Versand (brutto)
einmalig pro Bestellung

Lieferzeit: 5 Werktage

Pos.
511
BOSCH Bolzen M6x50 | Ersatzteile für ASM 32 | F016L59277
Hersteller: BOSCH
Artikelnummer: EB-3600H89A70-F016L59277
nur Informationsartikel
Nie mehr lieferbar
keine Alternativen
Pos.
801
BOSCH Elektromotor | Ersatzteile für ASM 32 | F016L80980
Hersteller: BOSCH
Artikelnummer: EB-3600H89A70-F016L80980
nur Informationsartikel
Nie mehr lieferbar
keine Alternativen
Pos.
840
BOSCH Teilesatz | Ersatzteile für ASM 32 | F016103636
Hersteller: BOSCH
Artikelnummer: EB-3600H89A70-F016103636
nur Informationsartikel
Nie mehr lieferbar
keine Alternativen
Pos.
855
BOSCH Maehspindel | Ersatzteile für ASM 32 | F016103681
Hersteller: BOSCH
Artikelnummer: EB-3600H89A70-F016103681
nur Informationsartikel
Nie mehr lieferbar
keine Alternativen
Pos.
878
BOSCH Handgriff | Ersatzteile für ASM 32 | F016102330
Hersteller: BOSCH
Artikelnummer: EB-3600H89A70-F016102330
Netto: 10,62 € zzgl. MwSt.
zzgl. 6,90 € Versand (brutto)
einmalig pro Bestellung

Lieferzeit: 5 Werktage

Pos.
889
BOSCH Bandabdeckung | Ersatzteile für ASM 32 | F016102356
Hersteller: BOSCH
Artikelnummer: EB-3600H89A70-F016102356
Netto: 5,17 € zzgl. MwSt.
zzgl. 6,90 € Versand (brutto)
einmalig pro Bestellung

Lieferzeit: 5 Werktage

Pos.
891
BOSCH Riemenscheibe | Ersatzteile für ASM 32 | F016102357
Hersteller: BOSCH
Artikelnummer: EB-3600H89A70-F016102357
Netto: 4,80 € zzgl. MwSt.
zzgl. 6,90 € Versand (brutto)
einmalig pro Bestellung

Lieferzeit: 5 Werktage

Pos.
892
BOSCH Antriebsriemen | Ersatzteile für ASM 32 | F016102358
Hersteller: BOSCH
Artikelnummer: EB-3600H89A70-F016102358
nur Informationsartikel
Nie mehr lieferbar
keine Alternativen
Pos.
897
BOSCH Teilesatz | Ersatzteile für ASM 32 | F016103640
Hersteller: BOSCH
Artikelnummer: EB-3600H89A70-F016103640
nur Informationsartikel
Nie mehr lieferbar
keine Alternativen

Angaben zur Produktsicherheit

Hersteller:
Robert Bosch Power Tools GmbH
Postfach 30 02 20
70442 Stuttgart

E-Mail:
kontakt@bosch.de