BOSCH Rolle | Ersatzteile für ASM 32 ACCU | F016L62282

Artikelnummer: EB-0600889532-F016L62282

Position: 97/03

Marke: BOSCH


Bitte Kompatibilität prüfen!

Bitte prüfen Sie unbedingt die 10-stellige Typennummer Ihrer Maschine / Ihres Gerätes. Das Ersatzteil ist nur kompatibel, wenn Sie die Typennummer Ihrer Maschine in der unten stehenden Produktbeschreibung finden.

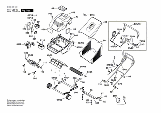
Bitte prüfen Sie ebenfalls detailliert die Explosionszeichnung mit Ihrem Artikelwunsch und der jeweiligen Pos-Nummer.

Alle Elemente, welche vom schwarzen Strich der Pos-Nummer ausgehend berührt / erfasst werden, gehören zu dieser Pos-Nummer und somit zu diesem Artikel. Jede Pos-Nummer ist ein eigenständiger Artikel, welchen Sie in der Auflistung finden.

Sie erhalten stets die aktuellste, neueste Produktversion zu der gewählten Pos-Nummer seitens des Herstellers. Es kann daher je nach Gerätealter vorkommen, dass Sie ggf. weitere, zugehörige Elemente, welche an diese Pos-Nummer grenzen, ebenfalls mittauschen müssen.

Nähere Informationen finden Sie unter dem Link
Hinweise zu Ihrer BOSCH Ersatzteilsuche

Preisübersicht

Einzelpreis: 7,76 €* (Brutto: 9,23 €)
Gesamtpreis: 7,76 €* 
Position:

Lieferzeit: 5 Werktage


Beschreibung

  • Rolle
  • Original Bosch Zubehör / BOSCH Ersatzteil (F016L62282)
  • im Gerät verbaut: 1
Dieses BOSCH Ersatzteil ist mit folgendem Gerät und Modell kompatibel:
  • BOSCH Gerätename: ASM 32 ACCU
  • BOSCH Explosionszeichnung: Position 97/03
  • BOSCH Typennummer: 0600889532
  • BOSCH Typennummer alternative Schreibweisen: 0 600 889 532, 0600 889 532, 0.600.889.532, 0-600-889-532
    Bitte prüfen Sie diese Typennummer auf Ihrem Gerät um die Kompatibilität des BOSCH Ersatzteils zu gewährleisten.
Weitere BOSCH Ersatzteile des Gerätes ASM 32 ACCU (RASENMAEHER) mit der Typennummer 0600889532 finden Sie in der nachfolgenden Darstellung und im Dropdown zu Ihrer Auswahl:

Pos.
01/13
BOSCH Ritzel | Ersatzteile für ASM 32 ACCU | F016L62280
Hersteller: BOSCH
Artikelnummer: EB-0600889532-F016L62280
nur Informationsartikel
Nie mehr lieferbar
keine Alternativen
Pos.
01/14
BOSCH Spiralspannstift | Ersatzteile für ASM 32 ACCU | F016T44492
Hersteller: BOSCH
Artikelnummer: EB-0600889532-F016T44492
Netto: 4,53 € zzgl. MwSt.
zzgl. 6,90 € Versand (brutto)
einmalig pro Bestellung

Lieferzeit: 5 Werktage

Pos.
40/02
BOSCH Ablenkplatte | Ersatzteile für ASM 32 ACCU | F016L62281
Hersteller: BOSCH
Artikelnummer: EB-0600889532-F016L62281
nur Informationsartikel
Nie mehr lieferbar
keine Alternativen
Pos.
40/04
BOSCH Gewindeschneidschraube 3x8 MM | Ersatzteile für ASM 32 ACCU | F016L66420
Hersteller: BOSCH
Artikelnummer: EB-0600889532-F016L66420
Netto: 4,56 € zzgl. MwSt.
zzgl. 6,90 € Versand (brutto)
einmalig pro Bestellung

Lieferzeit: 5 Werktage

Pos.
40/06
BOSCH Einsatz | Ersatzteile für ASM 32 ACCU | F016L63327
Hersteller: BOSCH
Artikelnummer: EB-0600889532-F016L63327
nur Informationsartikel
Nie mehr lieferbar
keine Alternativen
Pos.
75/01
BOSCH Handgriff | Ersatzteile für ASM 32 ACCU | F016L62651
Hersteller: BOSCH
Artikelnummer: EB-0600889532-F016L62651
nur Informationsartikel
Nie mehr lieferbar
keine Alternativen
Pos.
75/09
BOSCH Spiralfeder | Ersatzteile für ASM 32 ACCU | F016T49633
Hersteller: BOSCH
Artikelnummer: EB-0600889532-F016T49633
Netto: 4,36 € zzgl. MwSt.
zzgl. 6,90 € Versand (brutto)
einmalig pro Bestellung

Lieferzeit: 5 Werktage

Pos.
75/11
BOSCH Druckfeder | Ersatzteile für ASM 32 ACCU | F016T49226
Hersteller: BOSCH
Artikelnummer: EB-0600889532-F016T49226
nur Informationsartikel
Nie mehr lieferbar
keine Alternativen
Pos.
75/14
BOSCH Gewindeschneidschraube 4x19 MM | Ersatzteile für ASM 32 ACCU | F016T49429
Hersteller: BOSCH
Artikelnummer: EB-0600889532-F016T49429
Netto: 3,63 € zzgl. MwSt.
zzgl. 6,90 € Versand (brutto)
einmalig pro Bestellung

Lieferzeit: 5 Werktage

Pos.
75/21
BOSCH Halterung | Ersatzteile für ASM 32 ACCU | F016T49629
Hersteller: BOSCH
Artikelnummer: EB-0600889532-F016T49629
nur Informationsartikel
Nie mehr lieferbar
keine Alternativen
Pos.
75/22
BOSCH Halterung | Ersatzteile für ASM 32 ACCU | F016T49628
Hersteller: BOSCH
Artikelnummer: EB-0600889532-F016T49628
nur Informationsartikel
Nie mehr lieferbar
keine Alternativen
Pos.
78/02
BOSCH Abschlussstück | Ersatzteile für ASM 32 ACCU | F016L62669
Hersteller: BOSCH
Artikelnummer: EB-0600889532-F016L62669
Netto: 3,94 € zzgl. MwSt.
zzgl. 6,90 € Versand (brutto)
einmalig pro Bestellung

Lieferzeit: 5 Werktage

Pos.
78/03
BOSCH Spiralspannstift | Ersatzteile für ASM 32 ACCU | F016L62760
Hersteller: BOSCH
Artikelnummer: EB-0600889532-F016L62760
Netto: 3,60 € zzgl. MwSt.
zzgl. 6,90 € Versand (brutto)
einmalig pro Bestellung

Lieferzeit: 5 Werktage

Pos.
97/03
BOSCH Rolle | Ersatzteile für ASM 32 ACCU | F016L62282
Hersteller: BOSCH
Artikelnummer: EB-0600889532-F016L62282
Netto: 7,76 € zzgl. MwSt.
zzgl. 6,90 € Versand (brutto)
einmalig pro Bestellung

Lieferzeit: 5 Werktage

Pos.
97/05
BOSCH Flanschwelle | Ersatzteile für ASM 32 ACCU | F016L63341
Hersteller: BOSCH
Artikelnummer: EB-0600889532-F016L63341
Netto: 4,80 € zzgl. MwSt.
zzgl. 6,90 € Versand (brutto)
einmalig pro Bestellung

Lieferzeit: 5 Werktage

Pos.
32
BOSCH Gewindeschneidschraube | Ersatzteile für ASM 32 ACCU | F016L37433
Hersteller: BOSCH
Artikelnummer: EB-0600889532-F016L37433
Netto: 3,63 € zzgl. MwSt.
zzgl. 6,90 € Versand (brutto)
einmalig pro Bestellung

Lieferzeit: 5 Werktage

Pos.
43
BOSCH Deckel | Ersatzteile für ASM 32 ACCU | F016L62401
Hersteller: BOSCH
Artikelnummer: EB-0600889532-F016L62401
nur Informationsartikel
Nie mehr lieferbar
keine Alternativen
Pos.
44
BOSCH Deckel | Ersatzteile für ASM 32 ACCU | F016L62398
Hersteller: BOSCH
Artikelnummer: EB-0600889532-F016L62398
nur Informationsartikel
Nie mehr lieferbar
keine Alternativen
Pos.
55
BOSCH Zylinder | Ersatzteile für ASM 32 ACCU | F016L62486
Hersteller: BOSCH
Artikelnummer: EB-0600889532-F016L62486
nur Informationsartikel
Nie mehr lieferbar
keine Alternativen
Pos.
56
BOSCH Untermesser | Ersatzteile für ASM 32 ACCU | F016L63318
Hersteller: BOSCH
Artikelnummer: EB-0600889532-F016L63318
nur Informationsartikel
Nie mehr lieferbar
keine Alternativen
Pos.
80
BOSCH Fangkorb Unterteil | Ersatzteile für ASM 32 ACCU | F016L62300
Hersteller: BOSCH
Artikelnummer: EB-0600889532-F016L62300
Netto: 15,15 € zzgl. MwSt.
zzgl. 6,90 € Versand (brutto)
einmalig pro Bestellung

Lieferzeit: 5 Werktage

Pos.
83
BOSCH Fangkorb Oberteil | Ersatzteile für ASM 32 ACCU | F016L62299
Hersteller: BOSCH
Artikelnummer: EB-0600889532-F016L62299
Netto: 12,98 € zzgl. MwSt.
zzgl. 6,90 € Versand (brutto)
einmalig pro Bestellung

Lieferzeit: 5 Werktage

Pos.
94
BOSCH Anschlussklemme R/H | Ersatzteile für ASM 32 ACCU | F016L62279
Hersteller: BOSCH
Artikelnummer: EB-0600889532-F016L62279
Netto: 3,63 € zzgl. MwSt.
zzgl. 6,90 € Versand (brutto)
einmalig pro Bestellung

Lieferzeit: 5 Werktage

Pos.
95
BOSCH Lagerbuchse | Ersatzteile für ASM 32 ACCU | F016T40513
Hersteller: BOSCH
Artikelnummer: EB-0600889532-F016T40513
Netto: 7,30 € zzgl. MwSt.
zzgl. 6,90 € Versand (brutto)
einmalig pro Bestellung

Lieferzeit: 5 Werktage

Pos.
98
BOSCH Handgriff | Ersatzteile für ASM 32 ACCU | F016L62292
Hersteller: BOSCH
Artikelnummer: EB-0600889532-F016L62292
Netto: 5,17 € zzgl. MwSt.
zzgl. 6,90 € Versand (brutto)
einmalig pro Bestellung

Lieferzeit: 5 Werktage

Pos.
100
BOSCH Druckfeder | Ersatzteile für ASM 32 ACCU | F016L62298
Hersteller: BOSCH
Artikelnummer: EB-0600889532-F016L62298
nur Informationsartikel
Nie mehr lieferbar
keine Alternativen
Pos.
101
BOSCH Zapfen | Ersatzteile für ASM 32 ACCU | F016L62285
Hersteller: BOSCH
Artikelnummer: EB-0600889532-F016L62285
nur Informationsartikel
Nie mehr lieferbar
keine Alternativen
Pos.
102
BOSCH Druckfeder | Ersatzteile für ASM 32 ACCU | F016L62284
Hersteller: BOSCH
Artikelnummer: EB-0600889532-F016L62284
nur Informationsartikel
Nie mehr lieferbar
keine Alternativen
Pos.
103
BOSCH Klemmstein | Ersatzteile für ASM 32 ACCU | F016L62283
Hersteller: BOSCH
Artikelnummer: EB-0600889532-F016L62283
Netto: 3,60 € zzgl. MwSt.
zzgl. 6,90 € Versand (brutto)
einmalig pro Bestellung

Lieferzeit: 5 Werktage

Pos.
108
BOSCH Spanngriff | Ersatzteile für ASM 32 ACCU | F016L66136
Hersteller: BOSCH
Artikelnummer: EB-0600889532-F016L66136
Netto: 5,65 € zzgl. MwSt.
zzgl. 6,90 € Versand (brutto)
einmalig pro Bestellung

Lieferzeit: 5 Werktage

Pos.
116
BOSCH Luftfilter | Ersatzteile für ASM 32 ACCU | F016L62487
Hersteller: BOSCH
Artikelnummer: EB-0600889532-F016L62487
nur Informationsartikel
Nie mehr lieferbar
keine Alternativen
Pos.
117
BOSCH Lagerring | Ersatzteile für ASM 32 ACCU | F016L62488
Hersteller: BOSCH
Artikelnummer: EB-0600889532-F016L62488
Netto: 3,60 € zzgl. MwSt.
zzgl. 6,90 € Versand (brutto)
einmalig pro Bestellung

Lieferzeit: 5 Werktage

Pos.
118
BOSCH Gelenkbolzen | Ersatzteile für ASM 32 ACCU | F016L64240
Hersteller: BOSCH
Artikelnummer: EB-0600889532-F016L64240
nur Informationsartikel
Nie mehr lieferbar
keine Alternativen
Pos.
451
BOSCH Firmenschild | Ersatzteile für ASM 32 ACCU | F016L62405
Hersteller: BOSCH
Artikelnummer: EB-0600889532-F016L62405
nur Informationsartikel
Nie mehr lieferbar
keine Alternativen
Pos.
453
BOSCH Hinweisschild | Ersatzteile für ASM 32 ACCU | F016L62409
Hersteller: BOSCH
Artikelnummer: EB-0600889532-F016L62409
nur Informationsartikel
Nie mehr lieferbar
keine Alternativen
Pos.
454
BOSCH Klebeschild | Ersatzteile für ASM 32 ACCU | F016L63314
Hersteller: BOSCH
Artikelnummer: EB-0600889532-F016L63314
nur Informationsartikel
Nie mehr lieferbar
keine Alternativen
Pos.
500
BOSCH Bolzen | Ersatzteile für ASM 32 ACCU | F016L62288
Hersteller: BOSCH
Artikelnummer: EB-0600889532-F016L62288
nur Informationsartikel
Nie mehr lieferbar
keine Alternativen
Pos.
504
BOSCH Stellring 12 MM T40 | Ersatzteile für ASM 32 ACCU | F016T49100
Hersteller: BOSCH
Artikelnummer: EB-0600889532-F016T49100
nur Informationsartikel
Nie mehr lieferbar
keine Alternativen
Pos.
509
BOSCH Mutter | Ersatzteile für ASM 32 ACCU | F016L62388
Hersteller: BOSCH
Artikelnummer: EB-0600889532-F016L62388
Netto: 3,94 € zzgl. MwSt.
zzgl. 6,90 € Versand (brutto)
einmalig pro Bestellung

Lieferzeit: 5 Werktage

Pos.
511
BOSCH Bolzen M6x50 | Ersatzteile für ASM 32 ACCU | F016L59277
Hersteller: BOSCH
Artikelnummer: EB-0600889532-F016L59277
nur Informationsartikel
Nie mehr lieferbar
keine Alternativen
Pos.
801
BOSCH Gleichstrommotor | Ersatzteile für ASM 32 ACCU | F016L80954
Hersteller: BOSCH
Artikelnummer: EB-0600889532-F016L80954
nur Informationsartikel
Nie mehr lieferbar
keine Alternativen
Pos.
891
BOSCH Riemenscheibe | Ersatzteile für ASM 32 ACCU | F016102357
Hersteller: BOSCH
Artikelnummer: EB-0600889532-F016102357
Netto: 4,82 € zzgl. MwSt.
zzgl. 6,90 € Versand (brutto)
einmalig pro Bestellung

Lieferzeit: 5 Werktage

Pos.
892
BOSCH Antriebsriemen | Ersatzteile für ASM 32 ACCU | F016102358
Hersteller: BOSCH
Artikelnummer: EB-0600889532-F016102358
nur Informationsartikel
Nie mehr lieferbar
keine Alternativen
Pos.
8111
BOSCH Batterie-Ladegerät CH 230/12V | Ersatzteile für ASM 32 ACCU | F016102775
Hersteller: BOSCH
Artikelnummer: EB-0600889532-F016102775
nur Informationsartikel
Nie mehr lieferbar
keine Alternativen

Angaben zur Produktsicherheit

Hersteller:
Robert Bosch Power Tools GmbH
Postfach 30 02 20
70442 Stuttgart

E-Mail:
kontakt@bosch.de