BOSCH Einsatz | Ersatzteile für AXT 25 TC | 2609003834

Artikelnummer: EB-3600H03301-2609003834

Position: 2/2/15

Marke: BOSCH


Bitte Kompatibilität prüfen!

Bitte prüfen Sie unbedingt die 10-stellige Typennummer Ihrer Maschine / Ihres Gerätes. Das Ersatzteil ist nur kompatibel, wenn Sie die Typennummer Ihrer Maschine in der unten stehenden Produktbeschreibung finden.

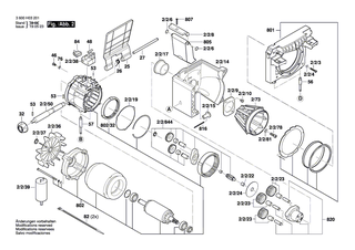
Bitte prüfen Sie ebenfalls detailliert die Explosionszeichnung mit Ihrem Artikelwunsch und der jeweiligen Pos-Nummer.

Alle Elemente, welche vom schwarzen Strich der Pos-Nummer ausgehend berührt / erfasst werden, gehören zu dieser Pos-Nummer und somit zu diesem Artikel. Jede Pos-Nummer ist ein eigenständiger Artikel, welchen Sie in der Auflistung finden.

Sie erhalten stets die aktuellste, neueste Produktversion zu der gewählten Pos-Nummer seitens des Herstellers. Es kann daher je nach Gerätealter vorkommen, dass Sie ggf. weitere, zugehörige Elemente, welche an diese Pos-Nummer grenzen, ebenfalls mittauschen müssen.

Nähere Informationen finden Sie unter dem Link
Hinweise zu Ihrer BOSCH Ersatzteilsuche

Preisübersicht

Einzelpreis: 6,75 €* (Brutto: 8,03 €)
Gesamtpreis: 6,75 €* 
Position:

Lieferzeit: 5 Werktage


Beschreibung

  • Einsatz
  • Original Bosch Zubehör / BOSCH Ersatzteil (2609003834)
  • im Gerät verbaut: 1
Dieses BOSCH Ersatzteil ist mit folgendem Gerät und Modell kompatibel:
  • BOSCH Gerätename: AXT 25 TC
  • BOSCH Explosionszeichnung: Position 2/2/15
  • BOSCH Typennummer: 3600H03301
  • BOSCH Typennummer alternative Schreibweisen: 3 600 H03 301, 3600 H03 301, 3.600.H03.301, 3-600-H03-301
    Bitte prüfen Sie diese Typennummer auf Ihrem Gerät um die Kompatibilität des BOSCH Ersatzteils zu gewährleisten.
Weitere BOSCH Ersatzteile des Gerätes AXT 25 TC (Häcksler) mit der Typennummer 3600H03301 finden Sie in der nachfolgenden Darstellung und im Dropdown zu Ihrer Auswahl:

Pos.
2/2/10
BOSCH Schraube | Ersatzteile für AXT 25 TC | 2609003830
Hersteller: BOSCH
Artikelnummer: EB-3600H03301-2609003830
Netto: 3,60 € zzgl. MwSt.
zzgl. 6,90 € Versand (brutto)
einmalig pro Bestellung

Lieferzeit: 5 Werktage

Pos.
5/1
BOSCH Kabelgarnitur UK | Ersatzteile für AXT 25 TC | 2609003515
Hersteller: BOSCH
Artikelnummer: EB-3600H03301-2609003515
Netto: 42,08 € zzgl. MwSt.
zzgl. 6,90 € Versand (brutto)
einmalig pro Bestellung

Lieferzeit: 5 Werktage

Pos.
2/2/14
BOSCH Gehäuse | Ersatzteile für AXT 25 TC | 2609003833
Hersteller: BOSCH
Artikelnummer: EB-3600H03301-2609003833
Netto: 61,64 € zzgl. MwSt.
zzgl. 6,90 € Versand (brutto)
einmalig pro Bestellung

Lieferzeit: 5 Werktage

Pos.
2/2/15
BOSCH Einsatz | Ersatzteile für AXT 25 TC | 2609003834
Hersteller: BOSCH
Artikelnummer: EB-3600H03301-2609003834
Netto: 6,75 € zzgl. MwSt.
zzgl. 6,90 € Versand (brutto)
einmalig pro Bestellung

Lieferzeit: 5 Werktage

Pos.
2/2/17
BOSCH Flanschlager | Ersatzteile für AXT 25 TC | 2609003836
Hersteller: BOSCH
Artikelnummer: EB-3600H03301-2609003836
Netto: 12,50 € zzgl. MwSt.
zzgl. 6,90 € Versand (brutto)
einmalig pro Bestellung

Lieferzeit: 5 Werktage

Pos.
2/2/19
BOSCH Dichtring | Ersatzteile für AXT 25 TC | 2609003838
Hersteller: BOSCH
Artikelnummer: EB-3600H03301-2609003838
Netto: 3,60 € zzgl. MwSt.
zzgl. 6,90 € Versand (brutto)
einmalig pro Bestellung

Lieferzeit: 5 Werktage

Pos.
2/2/22
BOSCH Sinterlager | Ersatzteile für AXT 25 TC | 2609003841
Hersteller: BOSCH
Artikelnummer: EB-3600H03301-2609003841
Netto: 3,94 € zzgl. MwSt.
zzgl. 6,90 € Versand (brutto)
einmalig pro Bestellung

Lieferzeit: 5 Werktage

Pos.
2/2/23
BOSCH Planetenrad | Ersatzteile für AXT 25 TC | 2609003842
Hersteller: BOSCH
Artikelnummer: EB-3600H03301-2609003842
Netto: 16,70 € zzgl. MwSt.
zzgl. 6,90 € Versand (brutto)
einmalig pro Bestellung

Lieferzeit: 5 Werktage

Pos.
2/2/24
BOSCH Scheibe | Ersatzteile für AXT 25 TC | 2609003843
Hersteller: BOSCH
Artikelnummer: EB-3600H03301-2609003843
Netto: 4,56 € zzgl. MwSt.
zzgl. 6,90 € Versand (brutto)
einmalig pro Bestellung

Lieferzeit: 5 Werktage

Pos.
2/2/3
BOSCH Schraube | Ersatzteile für AXT 25 TC | 2609003824
Hersteller: BOSCH
Artikelnummer: EB-3600H03301-2609003824
Netto: 3,60 € zzgl. MwSt.
zzgl. 6,90 € Versand (brutto)
einmalig pro Bestellung

Lieferzeit: 5 Werktage

Pos.
9
BOSCH Firmenschild AXT 2550 TC | Ersatzteile für AXT 25 TC | 160111C08D
Hersteller: BOSCH
Artikelnummer: EB-3600H03301-160111C0N6
nur Informationsartikel
Nie mehr lieferbar
keine Alternativen
Pos.
2/2/36
BOSCH Lüfter | Ersatzteile für AXT 25 TC | 2609003854
Hersteller: BOSCH
Artikelnummer: EB-3600H03301-2609003854
Netto: 8,23 € zzgl. MwSt.
zzgl. 6,90 € Versand (brutto)
einmalig pro Bestellung

Lieferzeit: 5 Werktage

Pos.
2/2/37
BOSCH Sicherungsring | Ersatzteile für AXT 25 TC | 2609003855
Hersteller: BOSCH
Artikelnummer: EB-3600H03301-2609003855
Netto: 3,60 € zzgl. MwSt.
zzgl. 6,90 € Versand (brutto)
einmalig pro Bestellung

Lieferzeit: 5 Werktage

Pos.
2/2/38
BOSCH Klemmstück | Ersatzteile für AXT 25 TC | 2609004582
Hersteller: BOSCH
Artikelnummer: EB-3600H03301-2609004582
Netto: 7,26 € zzgl. MwSt.
zzgl. 6,90 € Versand (brutto)
einmalig pro Bestellung

Lieferzeit: 5 Werktage

Pos.
2/2/39
BOSCH Motorkondensator | Ersatzteile für AXT 25 TC | 2609007667
Hersteller: BOSCH
Artikelnummer: EB-3600H03301-2609007667
nur Informationsartikel
Nie mehr lieferbar
keine Alternativen
Pos.
2/2/4
BOSCH Federscheibe | Ersatzteile für AXT 25 TC | 2609003825
Hersteller: BOSCH
Artikelnummer: EB-3600H03301-2609003825
Netto: 3,60 € zzgl. MwSt.
zzgl. 6,90 € Versand (brutto)
einmalig pro Bestellung

Lieferzeit: 5 Werktage

Pos.
2/2/50
BOSCH Bolzen | Ersatzteile für AXT 25 TC | 2609004520
Hersteller: BOSCH
Artikelnummer: EB-3600H03301-2609004520
Netto: 18,86 € zzgl. MwSt.
zzgl. 6,90 € Versand (brutto)
einmalig pro Bestellung

Lieferzeit: 5 Werktage

Pos.
2/2/78
BOSCH Innensechskantschraube | Ersatzteile für AXT 25 TC | 2910400244
Hersteller: BOSCH
Artikelnummer: EB-3600H03301-2910400244
Netto: 3,60 € zzgl. MwSt.
zzgl. 6,90 € Versand (brutto)
einmalig pro Bestellung

Lieferzeit: 5 Werktage

Pos.
2/2/8
BOSCH Verbindungsplatte | Ersatzteile für AXT 25 TC | 2609003828
Hersteller: BOSCH
Artikelnummer: EB-3600H03301-2609003828
Netto: 10,62 € zzgl. MwSt.
zzgl. 6,90 € Versand (brutto)
einmalig pro Bestellung

Lieferzeit: 5 Werktage

Pos.
2/2/81
BOSCH Sicherungsscheibe | Ersatzteile für AXT 25 TC | 2609003315
Hersteller: BOSCH
Artikelnummer: EB-3600H03301-2609003315
Netto: 3,60 € zzgl. MwSt.
zzgl. 6,90 € Versand (brutto)
einmalig pro Bestellung

Lieferzeit: 5 Werktage

Pos.
2/2/844
BOSCH Getriebekasten | Ersatzteile für AXT 25 TC | 2609007456
Hersteller: BOSCH
Artikelnummer: EB-3600H03301-2609007456
Netto: 35,13 € zzgl. MwSt.
zzgl. 6,90 € Versand (brutto)
einmalig pro Bestellung

Lieferzeit: 5 Werktage

Pos.
2/2/9
BOSCH Platte | Ersatzteile für AXT 25 TC | 2609003829
Hersteller: BOSCH
Artikelnummer: EB-3600H03301-2609003829
Netto: 7,26 € zzgl. MwSt.
zzgl. 6,90 € Versand (brutto)
einmalig pro Bestellung

Lieferzeit: 5 Werktage

Pos.
2/73
BOSCH Turbinenmesser | Ersatzteile für AXT 25 TC | 2609002763
Hersteller: BOSCH
Artikelnummer: EB-3600H03301-2609002763
Netto: 101,78 € zzgl. MwSt.
zzgl. 6,90 € Versand (brutto)
einmalig pro Bestellung

Lieferzeit: 5 Werktage

Pos.
5
BOSCH Gerätesteckersatz EU | Ersatzteile für AXT 25 TC | 2609003149
Hersteller: BOSCH
Artikelnummer: EB-3600H03301-2609003149
nur Informationsartikel
Nie mehr lieferbar
keine Alternativen
Pos.
9
BOSCH Firmenschild AXT 25 TC | Ersatzteile für AXT 25 TC | 2609003153
Hersteller: BOSCH
Artikelnummer: EB-3600H03301-2609003153
Netto: 4,80 € zzgl. MwSt.
zzgl. 6,90 € Versand (brutto)
einmalig pro Bestellung

Lieferzeit: 5 Werktage

Pos.
9
BOSCH Firmenschild AXT Expert | Ersatzteile für AXT 25 TC | 160111C0N6
Hersteller: BOSCH
Artikelnummer: EB-3600H03301-160111C0N6
nur Informationsartikel
Nie mehr lieferbar
keine Alternativen
Pos.
22
BOSCH Gehäuse | Ersatzteile für AXT 25 TC | 2609004511
Hersteller: BOSCH
Artikelnummer: EB-3600H03301-2609004511
Netto: 32,16 € zzgl. MwSt.
zzgl. 6,90 € Versand (brutto)
einmalig pro Bestellung

Lieferzeit: 5 Werktage

Pos.
23
BOSCH Gehäuseoberteil | Ersatzteile für AXT 25 TC | 2609004512
Hersteller: BOSCH
Artikelnummer: EB-3600H03301-2609004512
Netto: 18,86 € zzgl. MwSt.
zzgl. 6,90 € Versand (brutto)
einmalig pro Bestellung

Lieferzeit: 5 Werktage

Pos.
25
BOSCH Klappe | Ersatzteile für AXT 25 TC | 2609004514
Hersteller: BOSCH
Artikelnummer: EB-3600H03301-2609004514
Netto: 6,27 € zzgl. MwSt.
zzgl. 6,90 € Versand (brutto)
einmalig pro Bestellung

Lieferzeit: 5 Werktage

Pos.
26
BOSCH Feder | Ersatzteile für AXT 25 TC | 2609003144
Hersteller: BOSCH
Artikelnummer: EB-3600H03301-2609003144
Netto: 3,94 € zzgl. MwSt.
zzgl. 6,90 € Versand (brutto)
einmalig pro Bestellung

Lieferzeit: 5 Werktage

Pos.
27
BOSCH Bolzen | Ersatzteile für AXT 25 TC | 2609002795
Hersteller: BOSCH
Artikelnummer: EB-3600H03301-2609002795
Netto: 4,36 € zzgl. MwSt.
zzgl. 6,90 € Versand (brutto)
einmalig pro Bestellung

Lieferzeit: 5 Werktage

Pos.
32
BOSCH Knopf | Ersatzteile für AXT 25 TC | 2609004515
Hersteller: BOSCH
Artikelnummer: EB-3600H03301-2609004515
Netto: 4,36 € zzgl. MwSt.
zzgl. 6,90 € Versand (brutto)
einmalig pro Bestellung

Lieferzeit: 5 Werktage

Pos.
35
BOSCH Knopf | Ersatzteile für AXT 25 TC | 2609004516
Hersteller: BOSCH
Artikelnummer: EB-3600H03301-2609004516
Netto: 4,36 € zzgl. MwSt.
zzgl. 6,90 € Versand (brutto)
einmalig pro Bestellung

Lieferzeit: 5 Werktage

Pos.
38
BOSCH Einstellschraube | Ersatzteile für AXT 25 TC | 2609004602
Hersteller: BOSCH
Artikelnummer: EB-3600H03301-2609004602
Netto: 7,26 € zzgl. MwSt.
zzgl. 6,90 € Versand (brutto)
einmalig pro Bestellung

Lieferzeit: 5 Werktage

Pos.
40
BOSCH Halterung | Ersatzteile für AXT 25 TC | 2609004640
Hersteller: BOSCH
Artikelnummer: EB-3600H03301-2609004640
Netto: 5,17 € zzgl. MwSt.
zzgl. 6,90 € Versand (brutto)
einmalig pro Bestellung

Lieferzeit: 5 Werktage

Pos.
41
BOSCH Kappe | Ersatzteile für AXT 25 TC | 2609003399
Hersteller: BOSCH
Artikelnummer: EB-3600H03301-2609003399
Netto: 3,94 € zzgl. MwSt.
zzgl. 6,90 € Versand (brutto)
einmalig pro Bestellung

Lieferzeit: 5 Werktage

Pos.
42
BOSCH Kappe | Ersatzteile für AXT 25 TC | 2609003400
Hersteller: BOSCH
Artikelnummer: EB-3600H03301-2609003400
Netto: 3,94 € zzgl. MwSt.
zzgl. 6,90 € Versand (brutto)
einmalig pro Bestellung

Lieferzeit: 5 Werktage

Pos.
43
BOSCH Kappe | Ersatzteile für AXT 25 TC | 2609003401
Hersteller: BOSCH
Artikelnummer: EB-3600H03301-2609003401
Netto: 3,94 € zzgl. MwSt.
zzgl. 6,90 € Versand (brutto)
einmalig pro Bestellung

Lieferzeit: 5 Werktage

Pos.
44
BOSCH Gummi-Ohrkissen | Ersatzteile für AXT 25 TC | 2609002755
Hersteller: BOSCH
Artikelnummer: EB-3600H03301-2609002755
Netto: 10,62 € zzgl. MwSt.
zzgl. 6,90 € Versand (brutto)
einmalig pro Bestellung

Lieferzeit: 5 Werktage

Pos.
45
BOSCH Abdeckplatte | Ersatzteile für AXT 25 TC | 2609004607
Hersteller: BOSCH
Artikelnummer: EB-3600H03301-2609004607
Netto: 4,80 € zzgl. MwSt.
zzgl. 6,90 € Versand (brutto)
einmalig pro Bestellung

Lieferzeit: 5 Werktage

Pos.
46
BOSCH Linsenschraube M4x8 | Ersatzteile für AXT 25 TC | 2603413035
Hersteller: BOSCH
Artikelnummer: EB-3600H03301-2603413035
Netto: 3,60 € zzgl. MwSt.
zzgl. 6,90 € Versand (brutto)
einmalig pro Bestellung

Lieferzeit: 5 Werktage

Pos.
47
BOSCH Steckdosengehäuse | Ersatzteile für AXT 25 TC | 2609004519
Hersteller: BOSCH
Artikelnummer: EB-3600H03301-2609004519
Netto: 5,17 € zzgl. MwSt.
zzgl. 6,90 € Versand (brutto)
einmalig pro Bestellung

Lieferzeit: 5 Werktage

Pos.
48
BOSCH Reedkontakt | Ersatzteile für AXT 25 TC | 2609002800
Hersteller: BOSCH
Artikelnummer: EB-3600H03301-2609002800
nur Informationsartikel
Nie mehr lieferbar
keine Alternativen
Pos.
48
BOSCH Relais | Ersatzteile für AXT 25 TC | 2609005130
Hersteller: BOSCH
Artikelnummer: EB-3600H03301-2609005130
nur Informationsartikel
Nie mehr lieferbar
keine Alternativen
Pos.
49
BOSCH Reedkontakt | Ersatzteile für AXT 25 TC | 2609003540
Hersteller: BOSCH
Artikelnummer: EB-3600H03301-2609003540
Netto: 16,70 € zzgl. MwSt.
zzgl. 6,90 € Versand (brutto)
einmalig pro Bestellung

Lieferzeit: 5 Werktage

Pos.
50
BOSCH Wippenstange | Ersatzteile für AXT 25 TC | 2609004603
Hersteller: BOSCH
Artikelnummer: EB-3600H03301-2609004603
Netto: 4,56 € zzgl. MwSt.
zzgl. 6,90 € Versand (brutto)
einmalig pro Bestellung

Lieferzeit: 5 Werktage

Pos.
51
BOSCH Bolzen | Ersatzteile für AXT 25 TC | 2609002846
Hersteller: BOSCH
Artikelnummer: EB-3600H03301-2609002846
Netto: 6,27 € zzgl. MwSt.
zzgl. 6,90 € Versand (brutto)
einmalig pro Bestellung

Lieferzeit: 5 Werktage

Pos.
52
BOSCH Feder | Ersatzteile für AXT 25 TC | 2609002847
Hersteller: BOSCH
Artikelnummer: EB-3600H03301-2609002847
Netto: 3,60 € zzgl. MwSt.
zzgl. 6,90 € Versand (brutto)
einmalig pro Bestellung

Lieferzeit: 5 Werktage

Pos.
53
BOSCH Spannstift | Ersatzteile für AXT 25 TC | 2609002793
Hersteller: BOSCH
Artikelnummer: EB-3600H03301-2609002793
Netto: 3,60 € zzgl. MwSt.
zzgl. 6,90 € Versand (brutto)
einmalig pro Bestellung

Lieferzeit: 5 Werktage

Pos.
56
BOSCH Haltestift | Ersatzteile für AXT 25 TC | 2609003267
Hersteller: BOSCH
Artikelnummer: EB-3600H03301-2609003267
Netto: 6,27 € zzgl. MwSt.
zzgl. 6,90 € Versand (brutto)
einmalig pro Bestellung

Lieferzeit: 5 Werktage

Pos.
57
BOSCH Haltestift | Ersatzteile für AXT 25 TC | 2609003268
Hersteller: BOSCH
Artikelnummer: EB-3600H03301-2609003268
Netto: 6,75 € zzgl. MwSt.
zzgl. 6,90 € Versand (brutto)
einmalig pro Bestellung

Lieferzeit: 5 Werktage

Pos.
58
BOSCH Mutter | Ersatzteile für AXT 25 TC | 2609003551
Hersteller: BOSCH
Artikelnummer: EB-3600H03301-2609003551
Netto: 3,94 € zzgl. MwSt.
zzgl. 6,90 € Versand (brutto)
einmalig pro Bestellung

Lieferzeit: 5 Werktage

Pos.
63
BOSCH Gewindefurchschraube 4,8x22 | Ersatzteile für AXT 25 TC | 2609003552
Hersteller: BOSCH
Artikelnummer: EB-3600H03301-2609003552
Netto: 3,60 € zzgl. MwSt.
zzgl. 6,90 € Versand (brutto)
einmalig pro Bestellung

Lieferzeit: 5 Werktage

Pos.
65/21
BOSCH Torx-Linsenschraube 4x25 | Ersatzteile für AXT 25 TC | 2603490024
Hersteller: BOSCH
Artikelnummer: EB-3600H03301-2603490024
Netto: 3,94 € zzgl. MwSt.
zzgl. 6,90 € Versand (brutto)
einmalig pro Bestellung

Lieferzeit: 5 Werktage

Pos.
54
BOSCH Spannstift | Ersatzteile für AXT 25 TC | 1600A020TT
Hersteller: BOSCH
Artikelnummer: EB-3600H03301-1600A020TT
Netto: 3,60 € zzgl. MwSt.
zzgl. 6,90 € Versand (brutto)
einmalig pro Bestellung

Lieferzeit: 5 Werktage

Pos.
65/24
BOSCH Gehäuserückteil | Ersatzteile für AXT 25 TC | 2609004513
Hersteller: BOSCH
Artikelnummer: EB-3600H03301-2609004513
Netto: 16,70 € zzgl. MwSt.
zzgl. 6,90 € Versand (brutto)
einmalig pro Bestellung

Lieferzeit: 5 Werktage

Pos.
65/55
BOSCH Stützrahmen | Ersatzteile für AXT 25 TC | 2609004243
Hersteller: BOSCH
Artikelnummer: EB-3600H03301-2609004243
Netto: 101,78 € zzgl. MwSt.
zzgl. 6,90 € Versand (brutto)
einmalig pro Bestellung

Lieferzeit: 5 Werktage

Pos.
65/59
BOSCH Rad | Ersatzteile für AXT 25 TC | 2609003159
Hersteller: BOSCH
Artikelnummer: EB-3600H03301-2609003159
Netto: 9,05 € zzgl. MwSt.
zzgl. 6,90 € Versand (brutto)
einmalig pro Bestellung

Lieferzeit: 5 Werktage

Pos.
65/62
BOSCH Haltebolzen | Ersatzteile für AXT 25 TC | F016L64669
Hersteller: BOSCH
Artikelnummer: EB-3600H03301-F016L64669
Netto: 3,94 € zzgl. MwSt.
zzgl. 6,90 € Versand (brutto)
einmalig pro Bestellung

Lieferzeit: 5 Werktage

Pos.
65/66
BOSCH Schieber | Ersatzteile für AXT 25 TC | 2609002752
Hersteller: BOSCH
Artikelnummer: EB-3600H03301-2609002752
Netto: 7,26 € zzgl. MwSt.
zzgl. 6,90 € Versand (brutto)
einmalig pro Bestellung

Lieferzeit: 5 Werktage

Pos.
65/68
BOSCH Griff | Ersatzteile für AXT 25 TC | 2609004641
Hersteller: BOSCH
Artikelnummer: EB-3600H03301-2609004641
Netto: 23,72 € zzgl. MwSt.
zzgl. 6,90 € Versand (brutto)
einmalig pro Bestellung

Lieferzeit: 5 Werktage

Pos.
65/69
BOSCH Firmenzeichen AXT 25 D | Ersatzteile für AXT 25 TC | 2609002685
Hersteller: BOSCH
Artikelnummer: EB-3600H03301-2609002685
Netto: 7,26 € zzgl. MwSt.
zzgl. 6,90 € Versand (brutto)
einmalig pro Bestellung

Lieferzeit: 5 Werktage

Pos.
65/70
BOSCH Magazin | Ersatzteile für AXT 25 TC | 2609004606
Hersteller: BOSCH
Artikelnummer: EB-3600H03301-2609004606
Netto: 15,15 € zzgl. MwSt.
zzgl. 6,90 € Versand (brutto)
einmalig pro Bestellung

Lieferzeit: 5 Werktage

Pos.
65/72
BOSCH Magnet | Ersatzteile für AXT 25 TC | 2609002799
Hersteller: BOSCH
Artikelnummer: EB-3600H03301-2609002799
Netto: 5,65 € zzgl. MwSt.
zzgl. 6,90 € Versand (brutto)
einmalig pro Bestellung

Lieferzeit: 5 Werktage

Pos.
65/865
BOSCH Auffangbehälter | Ersatzteile für AXT 25 TC | 2609006904
Hersteller: BOSCH
Artikelnummer: EB-3600H03301-2609006904
Netto: 35,13 € zzgl. MwSt.
zzgl. 6,90 € Versand (brutto)
einmalig pro Bestellung

Lieferzeit: 5 Werktage

Pos.
65/871
BOSCH Schacht | Ersatzteile für AXT 25 TC | 2609006903
Hersteller: BOSCH
Artikelnummer: EB-3600H03301-2609006903
Netto: 28,93 € zzgl. MwSt.
zzgl. 6,90 € Versand (brutto)
einmalig pro Bestellung

Lieferzeit: 5 Werktage

Pos.
76
BOSCH Zahnscheibe DIN 6797-A4,3-FST | Ersatzteile für AXT 25 TC | 2916030006
Hersteller: BOSCH
Artikelnummer: EB-3600H03301-2916030006
Netto: 3,60 € zzgl. MwSt.
zzgl. 6,90 € Versand (brutto)
einmalig pro Bestellung

Lieferzeit: 5 Werktage

Pos.
77
BOSCH Druckfeder | Ersatzteile für AXT 25 TC | 2609003683
Hersteller: BOSCH
Artikelnummer: EB-3600H03301-2609003683
Netto: 3,94 € zzgl. MwSt.
zzgl. 6,90 € Versand (brutto)
einmalig pro Bestellung

Lieferzeit: 5 Werktage

Pos.
78
BOSCH Schwingfeder | Ersatzteile für AXT 25 TC | 2609004604
Hersteller: BOSCH
Artikelnummer: EB-3600H03301-2609004604
Netto: 3,60 € zzgl. MwSt.
zzgl. 6,90 € Versand (brutto)
einmalig pro Bestellung

Lieferzeit: 5 Werktage

Pos.
80
BOSCH Scheibe DIN 9021-6,4x18x1,6 | Ersatzteile für AXT 25 TC | 2610386712
Hersteller: BOSCH
Artikelnummer: EB-3600H03301-2610386712
Netto: 4,56 € zzgl. MwSt.
zzgl. 6,90 € Versand (brutto)
einmalig pro Bestellung

Lieferzeit: 5 Werktage

Pos.
82
BOSCH Kabelbinder | Ersatzteile für AXT 25 TC | 2609003117
Hersteller: BOSCH
Artikelnummer: EB-3600H03301-2609003117
Netto: 3,60 € zzgl. MwSt.
zzgl. 6,90 € Versand (brutto)
einmalig pro Bestellung

Lieferzeit: 5 Werktage

Pos.
84
BOSCH Schalter | Ersatzteile für AXT 25 TC | 2609003145
Hersteller: BOSCH
Artikelnummer: EB-3600H03301-2609003145
Netto: 7,66 € zzgl. MwSt.
zzgl. 6,90 € Versand (brutto)
einmalig pro Bestellung

Lieferzeit: 5 Werktage

Pos.
85
BOSCH Schalterwippe | Ersatzteile für AXT 25 TC | 2609003517
Hersteller: BOSCH
Artikelnummer: EB-3600H03301-2609003517
Netto: 7,66 € zzgl. MwSt.
zzgl. 6,90 € Versand (brutto)
einmalig pro Bestellung

Lieferzeit: 5 Werktage

Pos.
801
BOSCH Tragplatte | Ersatzteile für AXT 25 TC | 2609004913
Hersteller: BOSCH
Artikelnummer: EB-3600H03301-2609004913
Netto: 61,64 € zzgl. MwSt.
zzgl. 6,90 € Versand (brutto)
einmalig pro Bestellung

Lieferzeit: 5 Werktage

Pos.
802
BOSCH Elektromotor | Ersatzteile für AXT 25 TC | 2609004990
Hersteller: BOSCH
Artikelnummer: EB-3600H03301-2609004990
Netto: 185,46 € zzgl. MwSt.
zzgl. 6,90 € Versand (brutto)
einmalig pro Bestellung

Lieferzeit: 5 Werktage

Pos.
802/32
BOSCH Hohlrad | Ersatzteile für AXT 25 TC | 2609003851
Hersteller: BOSCH
Artikelnummer: EB-3600H03301-2609003851
Netto: 11,58 € zzgl. MwSt.
zzgl. 6,90 € Versand (brutto)
einmalig pro Bestellung

Lieferzeit: 5 Werktage

Pos.
804
BOSCH EL-Baugruppe | Ersatzteile für AXT 25 TC | 1600A00H67
Hersteller: BOSCH
Artikelnummer: EB-3600H03301-1600A00H67
Netto: 74,05 € zzgl. MwSt.
zzgl. 6,90 € Versand (brutto)
einmalig pro Bestellung

Lieferzeit: 5 Werktage

Pos.
805
BOSCH Leitblech | Ersatzteile für AXT 25 TC | 2609004916
Hersteller: BOSCH
Artikelnummer: EB-3600H03301-2609004916
Netto: 23,72 € zzgl. MwSt.
zzgl. 6,90 € Versand (brutto)
einmalig pro Bestellung

Lieferzeit: 5 Werktage

Pos.
805/6
BOSCH O-Ring | Ersatzteile für AXT 25 TC | 2609004197
Hersteller: BOSCH
Artikelnummer: EB-3600H03301-2609004197
Netto: 3,60 € zzgl. MwSt.
zzgl. 6,90 € Versand (brutto)
einmalig pro Bestellung

Lieferzeit: 5 Werktage

Pos.
807
BOSCH Schraube | Ersatzteile für AXT 25 TC | 2609003827
Hersteller: BOSCH
Artikelnummer: EB-3600H03301-2609003827
Netto: 3,94 € zzgl. MwSt.
zzgl. 6,90 € Versand (brutto)
einmalig pro Bestellung

Lieferzeit: 5 Werktage

Pos.
816
BOSCH Splint | Ersatzteile für AXT 25 TC | 2609004989
Hersteller: BOSCH
Artikelnummer: EB-3600H03301-2609004989
Netto: 4,36 € zzgl. MwSt.
zzgl. 6,90 € Versand (brutto)
einmalig pro Bestellung

Lieferzeit: 5 Werktage

Pos.
820
BOSCH Welle | Ersatzteile für AXT 25 TC | 2609006274
Hersteller: BOSCH
Artikelnummer: EB-3600H03301-2609006274
Netto: 28,93 € zzgl. MwSt.
zzgl. 6,90 € Versand (brutto)
einmalig pro Bestellung

Lieferzeit: 64 Werktage

Pos.
83
BOSCH Kabelbinder | Ersatzteile für AXT 25 TC | 2609005100
Hersteller: BOSCH
Artikelnummer: EB-3600H03301-2609005100
Netto: 3,60 € zzgl. MwSt.
zzgl. 6,90 € Versand (brutto)
einmalig pro Bestellung

Lieferzeit: 5 Werktage

Pos.
808
BOSCH Typschild | Ersatzteile für AXT 25 TC | 2609004534
Hersteller: BOSCH
Artikelnummer: EB-3600H03301-160111A3XG
Netto: 4,56 € zzgl. MwSt.
zzgl. 6,90 € Versand (brutto)
einmalig pro Bestellung

Lieferzeit: 5 Werktage

Angaben zur Produktsicherheit

Hersteller:
Robert Bosch Power Tools GmbH
Postfach 30 02 20
70442 Stuttgart

E-Mail:
kontakt@bosch.de