BOSCH Blechschraube DIN 7971-ST3,9x16-F | Ersatzteile für B 310 | 2910211019

Artikelnummer: EB-0603112250-2910211019

Position: 70

Marke: BOSCH


Bitte Kompatibilität prüfen!

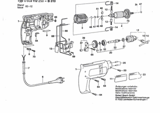
Bitte prüfen Sie unbedingt die 10-stellige Typennummer Ihrer Maschine / Ihres Gerätes. Das Ersatzteil ist nur kompatibel, wenn Sie die Typennummer Ihrer Maschine in der unten stehenden Produktbeschreibung finden.

Bitte prüfen Sie ebenfalls detailliert die Explosionszeichnung mit Ihrem Artikelwunsch und der jeweiligen Pos-Nummer.

Alle Elemente, welche vom schwarzen Strich der Pos-Nummer ausgehend berührt / erfasst werden, gehören zu dieser Pos-Nummer und somit zu diesem Artikel. Jede Pos-Nummer ist ein eigenständiger Artikel, welchen Sie in der Auflistung finden.

Sie erhalten stets die aktuellste, neueste Produktversion zu der gewählten Pos-Nummer seitens des Herstellers. Es kann daher je nach Gerätealter vorkommen, dass Sie ggf. weitere, zugehörige Elemente, welche an diese Pos-Nummer grenzen, ebenfalls mittauschen müssen.

Nähere Informationen finden Sie unter dem Link
Hinweise zu Ihrer BOSCH Ersatzteilsuche

Preisübersicht

Einzelpreis: 3,63 €* (Brutto: 4,32 €)
Gesamtpreis: 3,63 €* 
Position:

Lieferzeit: 5 Werktage


Beschreibung

  • Blechschraube DIN 7971-ST3,9x16-F
  • Original Bosch Zubehör / BOSCH Ersatzteil (2910211019)
  • im Gerät verbaut: 1
Dieses BOSCH Ersatzteil ist mit folgendem Gerät und Modell kompatibel:
  • BOSCH Gerätename: B 310
  • BOSCH Explosionszeichnung: Position 70
  • BOSCH Typennummer: 0603112250
  • BOSCH Typennummer alternative Schreibweisen: 0 603 112 250, 0603 112 250, 0.603.112.250, 0-603-112-250
    Bitte prüfen Sie diese Typennummer auf Ihrem Gerät um die Kompatibilität des BOSCH Ersatzteils zu gewährleisten.
Weitere BOSCH Ersatzteile des Gerätes B 310 (Bohrmaschine) mit der Typennummer 0603112250 finden Sie in der nachfolgenden Darstellung und im Dropdown zu Ihrer Auswahl:

Pos.
1
BOSCH Gehäuseschale GRUEN | Ersatzteile für B 310 | 2605104968
Hersteller: BOSCH
Artikelnummer: EB-0603112250-2605104968
nur Informationsartikel
Nie mehr lieferbar
keine Alternativen
Pos.
18/10
BOSCH Bohrfutterschlüssel SG2 | Ersatzteile für B 310 | 2607950007
Hersteller: BOSCH
Artikelnummer: EB-0603112250-2607950007
Netto: 7,30 € zzgl. MwSt.
zzgl. 6,90 € Versand (brutto)
einmalig pro Bestellung

Lieferzeit: 5 Werktage

Pos.
3
BOSCH Polschuh 240V | Ersatzteile für B 310 | 2604220398
Hersteller: BOSCH
Artikelnummer: EB-0603112250-2604220398
nur Informationsartikel
Nie mehr lieferbar
keine Alternativen
Pos.
4
BOSCH Anker 220V | Ersatzteile für B 310 | 2604010529
Hersteller: BOSCH
Artikelnummer: EB-0603112250-2604010529
nur Informationsartikel
Nie mehr lieferbar
keine Alternativen
Pos.
5
BOSCH Schalter | Ersatzteile für B 310 | 2607200084
Hersteller: BOSCH
Artikelnummer: EB-0603112250-2607200084
Netto: 9,18 € zzgl. MwSt.
zzgl. 6,90 € Versand (brutto)
einmalig pro Bestellung

Lieferzeit: 5 Werktage

Pos.
6
BOSCH Netzanschlussleitung EU 2,65m 2 x 1,0mm H05 RN-F | Ersatzteile für B 310 | 1607000388
Hersteller: BOSCH
Artikelnummer: EB-0603112250-1607000388
Netto: 10,92 € zzgl. MwSt.
zzgl. 6,90 € Versand (brutto)
einmalig pro Bestellung

Lieferzeit: 5 Werktage

Pos.
7
BOSCH Tülle Ø6,9 MM | Ersatzteile für B 310 | 2600707059
Hersteller: BOSCH
Artikelnummer: EB-0603112250-2600707059
Netto: 5,19 € zzgl. MwSt.
zzgl. 6,90 € Versand (brutto)
einmalig pro Bestellung

Lieferzeit: 5 Werktage

Pos.
8
BOSCH Leitungshalter | Ersatzteile für B 310 | 2601035001
Hersteller: BOSCH
Artikelnummer: EB-0603112250-2601035001
Netto: 3,94 € zzgl. MwSt.
zzgl. 6,90 € Versand (brutto)
einmalig pro Bestellung

Lieferzeit: 5 Werktage

Pos.
9
BOSCH Typschild | Ersatzteile für B 310 | 2601105052
Hersteller: BOSCH
Artikelnummer: EB-0603112250-2601105052
nur Informationsartikel
Nie mehr lieferbar
keine Alternativen
Pos.
11
BOSCH Klebeschild | Ersatzteile für B 310 | 2601110079
Hersteller: BOSCH
Artikelnummer: EB-0603112250-2601110079
nur Informationsartikel
Nie mehr lieferbar
keine Alternativen
Pos.
12
BOSCH Kohlebürstensatz | Ersatzteile für B 310 | 2604321904
Hersteller: BOSCH
Artikelnummer: EB-0603112250-2604321904
Netto: 9,18 € zzgl. MwSt.
zzgl. 6,90 € Versand (brutto)
einmalig pro Bestellung

Lieferzeit: 5 Werktage

Pos.
13
BOSCH Entstörkondensator | Ersatzteile für B 310 | 2607329095
Hersteller: BOSCH
Artikelnummer: EB-0603112250-2607329095
nur Informationsartikel
Nie mehr lieferbar
keine Alternativen
Pos.
14
BOSCH Bürstenhalter | Ersatzteile für B 310 | 1604449002
Hersteller: BOSCH
Artikelnummer: EB-0603112250-1604449002
Netto: 3,94 € zzgl. MwSt.
zzgl. 6,90 € Versand (brutto)
einmalig pro Bestellung

Lieferzeit: 5 Werktage

Pos.
18
BOSCH Zahnkranzbohrfutter Ø 1-10 MM, 3/8" | Ersatzteile für B 310 | 1608571047
Hersteller: BOSCH
Artikelnummer: EB-0603112250-1608571047
nur Informationsartikel
Nie mehr lieferbar
keine Alternativen
Pos.
18
BOSCH Zahnkranzbohrfutter Ø1,5-10 MM, 3/8" | Ersatzteile für B 310 | 1608571053
Hersteller: BOSCH
Artikelnummer: EB-0603112250-1608571053
nur Informationsartikel
Nie mehr lieferbar
keine Alternativen
Pos.
20
BOSCH Bohrspindel Z=46 | Ersatzteile für B 310 | 2606135901
Hersteller: BOSCH
Artikelnummer: EB-0603112250-2606135901
nur Informationsartikel
Nie mehr lieferbar
keine Alternativen
Pos.
23
BOSCH Klebeschild | Ersatzteile für B 310 | 2601110324
Hersteller: BOSCH
Artikelnummer: EB-0603112250-2601110324
nur Informationsartikel
Nie mehr lieferbar
keine Alternativen
Pos.
25
BOSCH O-Ring 28x3 MM | Ersatzteile für B 310 | 1900210129
Hersteller: BOSCH
Artikelnummer: EB-0603112250-1900210129
Netto: 4,53 € zzgl. MwSt.
zzgl. 6,90 € Versand (brutto)
einmalig pro Bestellung

Lieferzeit: 5 Werktage

Pos.
27
BOSCH Filzring | Ersatzteile für B 310 | 2600205002
Hersteller: BOSCH
Artikelnummer: EB-0603112250-2600205002
nur Informationsartikel
Nie mehr lieferbar
keine Alternativen
Pos.
31
BOSCH Sicherungsring DIN 471-10x1MM-FSt | Ersatzteile für B 310 | 2916650001
Hersteller: BOSCH
Artikelnummer: EB-0603112250-2916650001
Netto: 4,53 € zzgl. MwSt.
zzgl. 6,90 € Versand (brutto)
einmalig pro Bestellung

Lieferzeit: 5 Werktage

Pos.
32
BOSCH Rillenkugellager 6200 DIN 625 | Ersatzteile für B 310 | 1900900301
Hersteller: BOSCH
Artikelnummer: EB-0603112250-1900900301
nur Informationsartikel
Nie mehr lieferbar
keine Alternativen
Pos.
33
BOSCH Torx-Linsenschraube 3x18 | Ersatzteile für B 310 | 2603490018
Hersteller: BOSCH
Artikelnummer: EB-0603112250-2603490018
nur Informationsartikel
Nie mehr lieferbar
keine Alternativen
Pos.
37
BOSCH Nadelhülse Ø8xØ12x10 MM | Ersatzteile für B 310 | 1610910057
Hersteller: BOSCH
Artikelnummer: EB-0603112250-1610910057
nur Informationsartikel
Nie mehr lieferbar
keine Alternativen
Pos.
38
BOSCH Kugel DIN 5401-5 G28 | Ersatzteile für B 310 | 1903230009
Hersteller: BOSCH
Artikelnummer: EB-0603112250-1903230009
Netto: 3,63 € zzgl. MwSt.
zzgl. 6,90 € Versand (brutto)
einmalig pro Bestellung

Lieferzeit: 5 Werktage

Pos.
39
BOSCH Lagerbrücke | Ersatzteile für B 310 | 2605807904
Hersteller: BOSCH
Artikelnummer: EB-0603112250-2605807904
nur Informationsartikel
Nie mehr lieferbar
keine Alternativen
Pos.
45
BOSCH Sinterbuchse | Ersatzteile für B 310 | 1900301004
Hersteller: BOSCH
Artikelnummer: EB-0603112250-1900301004
nur Informationsartikel
Nie mehr lieferbar
keine Alternativen
Pos.
46
BOSCH Zwischenplatte 0,3 MM | Ersatzteile für B 310 | 2601000018
Hersteller: BOSCH
Artikelnummer: EB-0603112250-2601000018
nur Informationsartikel
Nie mehr lieferbar
keine Alternativen
Pos.
47
BOSCH Druckplatte 1,5 MM | Ersatzteile für B 310 | 1601000013
Hersteller: BOSCH
Artikelnummer: EB-0603112250-1601000013
nur Informationsartikel
Nie mehr lieferbar
keine Alternativen
Pos.
48
BOSCH Schmierfilz | Ersatzteile für B 310 | 2601020005
Hersteller: BOSCH
Artikelnummer: EB-0603112250-2601020005
nur Informationsartikel
Nie mehr lieferbar
keine Alternativen
Pos.
51
BOSCH O-Ring 8,0x2,5 MM | Ersatzteile für B 310 | 1610210014
Hersteller: BOSCH
Artikelnummer: EB-0603112250-1610210014
nur Informationsartikel
Nie mehr lieferbar
keine Alternativen
Pos.
54
BOSCH Dämmplatte | Ersatzteile für B 310 | 2601022000
Hersteller: BOSCH
Artikelnummer: EB-0603112250-2601022000
nur Informationsartikel
Nie mehr lieferbar
keine Alternativen
Pos.
64
BOSCH Blechschraube DIN 7981-ST3,9x16-C-H | Ersatzteile für B 310 | 2910611019
Hersteller: BOSCH
Artikelnummer: EB-0603112250-2910611019
nur Informationsartikel
Nie mehr lieferbar
keine Alternativen
Pos.
66
BOSCH Linsenkopfschraube 4x32 | Ersatzteile für B 310 | 2603490026
Hersteller: BOSCH
Artikelnummer: EB-0603112250-2603490026
Netto: 3,63 € zzgl. MwSt.
zzgl. 6,90 € Versand (brutto)
einmalig pro Bestellung

Lieferzeit: 5 Werktage

Pos.
68
BOSCH Verbindungsleitung L=154 MM WEISS | Ersatzteile für B 310 | 2604448000
Hersteller: BOSCH
Artikelnummer: EB-0603112250-2604448000
nur Informationsartikel
Nie mehr lieferbar
keine Alternativen
Pos.
69
BOSCH Zylinderschraube M3x6,5-4.8 | Ersatzteile für B 310 | 2603410001
Hersteller: BOSCH
Artikelnummer: EB-0603112250-2603410001
Netto: 3,94 € zzgl. MwSt.
zzgl. 6,90 € Versand (brutto)
einmalig pro Bestellung

Lieferzeit: 5 Werktage

Pos.
70
BOSCH Blechschraube DIN 7971-ST3,9x16-F | Ersatzteile für B 310 | 2910211019
Hersteller: BOSCH
Artikelnummer: EB-0603112250-2910211019
Netto: 3,63 € zzgl. MwSt.
zzgl. 6,90 € Versand (brutto)
einmalig pro Bestellung

Lieferzeit: 5 Werktage

Pos.
75
BOSCH Lüfter | Ersatzteile für B 310 | 2606610047
Hersteller: BOSCH
Artikelnummer: EB-0603112250-2606610047
nur Informationsartikel
Nie mehr lieferbar
keine Alternativen
Pos.
85
BOSCH Sechskantmutter DIN 934-M6-8-A | Ersatzteile für B 310 | 2915011007
Hersteller: BOSCH
Artikelnummer: EB-0603112250-2915011007
Netto: 3,63 € zzgl. MwSt.
zzgl. 6,90 € Versand (brutto)
einmalig pro Bestellung

Lieferzeit: 5 Werktage

Angaben zur Produktsicherheit

Hersteller:
Robert Bosch Power Tools GmbH
Postfach 30 02 20
70442 Stuttgart

E-Mail:
kontakt@bosch.de