BOSCH Sicherungsring | Ersatzteile für B 5610 | 2610350683

Artikelnummer: EB-0601655935-2610350683

Position: 53

Marke: BOSCH


Bitte Kompatibilität prüfen!

Bitte prüfen Sie unbedingt die 10-stellige Typennummer Ihrer Maschine / Ihres Gerätes. Das Ersatzteil ist nur kompatibel, wenn Sie die Typennummer Ihrer Maschine in der unten stehenden Produktbeschreibung finden.

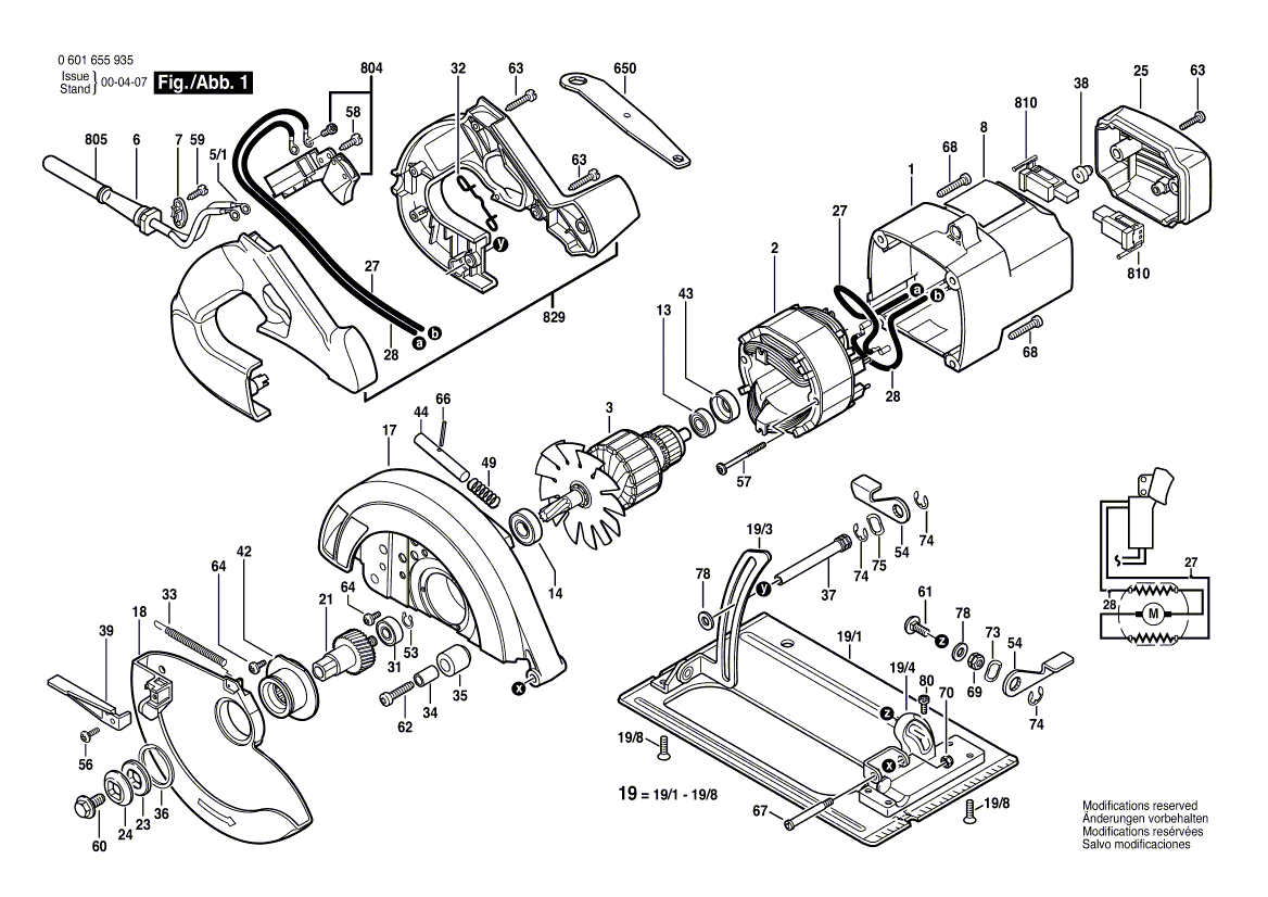
Bitte prüfen Sie ebenfalls detailliert die Explosionszeichnung mit Ihrem Artikelwunsch und der jeweiligen Pos-Nummer.

Alle Elemente, welche vom schwarzen Strich der Pos-Nummer ausgehend berührt / erfasst werden, gehören zu dieser Pos-Nummer und somit zu diesem Artikel. Jede Pos-Nummer ist ein eigenständiger Artikel, welchen Sie in der Auflistung finden.

Sie erhalten stets die aktuellste, neueste Produktversion zu der gewählten Pos-Nummer seitens des Herstellers. Es kann daher je nach Gerätealter vorkommen, dass Sie ggf. weitere, zugehörige Elemente, welche an diese Pos-Nummer grenzen, ebenfalls mittauschen müssen.

Nähere Informationen finden Sie unter dem Link
Hinweise zu Ihrer BOSCH Ersatzteilsuche

Preisübersicht

Einzelpreis: 4,32 €* (Brutto: 5,14 €)
Gesamtpreis: 4,32 €* 
Position:

Lieferzeit: 5 Werktage


Beschreibung

  • Sicherungsring
  • Original Bosch Zubehör / BOSCH Ersatzteil (2610350683)
  • im Gerät verbaut: 1
Dieses BOSCH Ersatzteil ist mit folgendem Gerät und Modell kompatibel:
  • BOSCH Gerätename: B 5610
  • BOSCH Explosionszeichnung: Position 53
  • BOSCH Typennummer: 0601655935
  • BOSCH Typennummer alternative Schreibweisen: 0 601 655 935, 0601 655 935, 0.601.655.935, 0-601-655-935
    Bitte prüfen Sie diese Typennummer auf Ihrem Gerät um die Kompatibilität des BOSCH Ersatzteils zu gewährleisten.
Weitere BOSCH Ersatzteile des Gerätes B 5610 (Gw-Handkreissäge) mit der Typennummer 0601655935 finden Sie in der nachfolgenden Darstellung und im Dropdown zu Ihrer Auswahl:

Pos.
1
BOSCH Motorgehäuse | Ersatzteile für B 5610 | 2610903196
Hersteller: BOSCH
Artikelnummer: EB-0601655935-2610903196
nur Informationsartikel
Nie mehr lieferbar
keine Alternativen
Pos.
19/1
BOSCH Sockel | Ersatzteile für B 5610 | 2610904156
Hersteller: BOSCH
Artikelnummer: EB-0601655935-2610904156
nur Informationsartikel
Nie mehr lieferbar
keine Alternativen
Pos.
19/3
BOSCH Tiefenanschlag | Ersatzteile für B 5610 | 2610904152
Hersteller: BOSCH
Artikelnummer: EB-0601655935-2610904152
nur Informationsartikel
Nie mehr lieferbar
keine Alternativen
Pos.
19/4
BOSCH Führungsklotz | Ersatzteile für B 5610 | 2610909120
Hersteller: BOSCH
Artikelnummer: EB-0601655935-2610909120
nur Informationsartikel
Nie mehr lieferbar
keine Alternativen
Pos.
19/8
BOSCH Blechschraube | Ersatzteile für B 5610 | 2610352119
Hersteller: BOSCH
Artikelnummer: EB-0601655935-2610352119
nur Informationsartikel
Nie mehr lieferbar
keine Alternativen
Pos.
5/1
BOSCH Anschlussklemme | Ersatzteile für B 5610 | 2610316596
Hersteller: BOSCH
Artikelnummer: EB-0601655935-2610316596
nur Informationsartikel
Nie mehr lieferbar
keine Alternativen
Pos.
2
BOSCH Polschuh 120V | Ersatzteile für B 5610 | 1619P01570
Hersteller: BOSCH
Artikelnummer: EB-0601655935-1619P01570
Netto: 35,13 € zzgl. MwSt.
zzgl. 6,90 € Versand (brutto)
einmalig pro Bestellung

Lieferzeit: 5 Werktage

Pos.
3
BOSCH Attrappe 120V | Ersatzteile für B 5610 | 2610903173
Hersteller: BOSCH
Artikelnummer: EB-0601655935-2610903173
nur Informationsartikel
Nie mehr lieferbar
keine Alternativen
Pos.
6
BOSCH Tülle | Ersatzteile für B 5610 | 2610313327
Hersteller: BOSCH
Artikelnummer: EB-0601655935-2610313327
nur Informationsartikel
Nie mehr lieferbar
keine Alternativen
Pos.
7
BOSCH Leitungshalter | Ersatzteile für B 5610 | 2610364033
Hersteller: BOSCH
Artikelnummer: EB-0601655935-2610364033
Netto: 4,53 € zzgl. MwSt.
zzgl. 6,90 € Versand (brutto)
einmalig pro Bestellung

Lieferzeit: 5 Werktage

Pos.
8
BOSCH Typschild | Ersatzteile für B 5610 | 2610911631
Hersteller: BOSCH
Artikelnummer: EB-0601655935-2610911631
nur Informationsartikel
Nie mehr lieferbar
keine Alternativen
Pos.
13
BOSCH Rillenkugellager | Ersatzteile für B 5610 | 2610017348
Hersteller: BOSCH
Artikelnummer: EB-0601655935-2610017348
nur Informationsartikel
Nie mehr lieferbar
keine Alternativen
Pos.
14
BOSCH Rillenkugellager | Ersatzteile für B 5610 | 2610350311
Hersteller: BOSCH
Artikelnummer: EB-0601655935-2610350311
Netto: 10,92 € zzgl. MwSt.
zzgl. 6,90 € Versand (brutto)
einmalig pro Bestellung

Lieferzeit: 5 Werktage

Pos.
17
BOSCH Gehäusevorderteil | Ersatzteile für B 5610 | 2610990834
Hersteller: BOSCH
Artikelnummer: EB-0601655935-2610990834
nur Informationsartikel
Nie mehr lieferbar
keine Alternativen
Pos.
18
BOSCH Pendelschutzhaube | Ersatzteile für B 5610 | 2610341268
Hersteller: BOSCH
Artikelnummer: EB-0601655935-2610341268
nur Informationsartikel
Nie mehr lieferbar
keine Alternativen
Pos.
19
BOSCH Grundplatte | Ersatzteile für B 5610 | 2610905036
Hersteller: BOSCH
Artikelnummer: EB-0601655935-2610905036
nur Informationsartikel
Nie mehr lieferbar
keine Alternativen
Pos.
21
BOSCH Getriebewelle | Ersatzteile für B 5610 | 2610904189
Hersteller: BOSCH
Artikelnummer: EB-0601655935-2610904189
nur Informationsartikel
Nie mehr lieferbar
keine Alternativen
Pos.
23
BOSCH Flansch 5/8" | Ersatzteile für B 5610 | 2610350668
Hersteller: BOSCH
Artikelnummer: EB-0601655935-2610350668
Netto: 7,76 € zzgl. MwSt.
zzgl. 6,90 € Versand (brutto)
einmalig pro Bestellung

Lieferzeit: 5 Werktage

Pos.
24
BOSCH Scheibe | Ersatzteile für B 5610 | 1619X00934
Hersteller: BOSCH
Artikelnummer: EB-0601655935-1619X00934
nur Informationsartikel
Nie mehr lieferbar
keine Alternativen
Pos.
25
BOSCH Verschlussdeckel | Ersatzteile für B 5610 | 2610905306
Hersteller: BOSCH
Artikelnummer: EB-0601655935-2610905306
nur Informationsartikel
Nie mehr lieferbar
keine Alternativen
Pos.
27
BOSCH Elektr Leitung | Ersatzteile für B 5610 | 2610038934
Hersteller: BOSCH
Artikelnummer: EB-0601655935-2610038934
Netto: 4,53 € zzgl. MwSt.
zzgl. 6,90 € Versand (brutto)
einmalig pro Bestellung

Lieferzeit: 5 Werktage

Pos.
28
BOSCH Elektr Leitung | Ersatzteile für B 5610 | 2610038935
Hersteller: BOSCH
Artikelnummer: EB-0601655935-2610038935
Netto: 4,53 € zzgl. MwSt.
zzgl. 6,90 € Versand (brutto)
einmalig pro Bestellung

Lieferzeit: 5 Werktage

Pos.
31
BOSCH Kugellager | Ersatzteile für B 5610 | 1619P01511
Hersteller: BOSCH
Artikelnummer: EB-0601655935-1619P01511
Netto: 7,30 € zzgl. MwSt.
zzgl. 6,90 € Versand (brutto)
einmalig pro Bestellung

Lieferzeit: 5 Werktage

Pos.
32
BOSCH Klemme | Ersatzteile für B 5610 | 2610350663
Hersteller: BOSCH
Artikelnummer: EB-0601655935-2610350663
nur Informationsartikel
Nie mehr lieferbar
keine Alternativen
Pos.
33
BOSCH Zugfeder | Ersatzteile für B 5610 | 2610347486
Hersteller: BOSCH
Artikelnummer: EB-0601655935-2610347486
Netto: 4,82 € zzgl. MwSt.
zzgl. 6,90 € Versand (brutto)
einmalig pro Bestellung

Lieferzeit: 5 Werktage

Pos.
34
BOSCH Abstandshalter | Ersatzteile für B 5610 | 2610341366
Hersteller: BOSCH
Artikelnummer: EB-0601655935-2610341366
nur Informationsartikel
Nie mehr lieferbar
keine Alternativen
Pos.
35
BOSCH Anschlag | Ersatzteile für B 5610 | 2610341394
Hersteller: BOSCH
Artikelnummer: EB-0601655935-2610341394
nur Informationsartikel
Nie mehr lieferbar
keine Alternativen
Pos.
36
BOSCH Sicherungsring | Ersatzteile für B 5610 | 2610341359
Hersteller: BOSCH
Artikelnummer: EB-0601655935-2610341359
nur Informationsartikel
Nie mehr lieferbar
keine Alternativen
Pos.
37
BOSCH Rollen-Bundbolzen | Ersatzteile für B 5610 | 2610904102
Hersteller: BOSCH
Artikelnummer: EB-0601655935-2610904102
nur Informationsartikel
Nie mehr lieferbar
keine Alternativen
Pos.
38
BOSCH Stütze | Ersatzteile für B 5610 | 2610354653
Hersteller: BOSCH
Artikelnummer: EB-0601655935-2610354653
nur Informationsartikel
Nie mehr lieferbar
keine Alternativen
Pos.
39
BOSCH Hebel | Ersatzteile für B 5610 | 2610351898
Hersteller: BOSCH
Artikelnummer: EB-0601655935-2610351898
nur Informationsartikel
Nie mehr lieferbar
keine Alternativen
Pos.
42
BOSCH Lagerdeckel | Ersatzteile für B 5610 | 2610350678
Hersteller: BOSCH
Artikelnummer: EB-0601655935-2610350678
Netto: 16,70 € zzgl. MwSt.
zzgl. 6,90 € Versand (brutto)
einmalig pro Bestellung

Lieferzeit: 5 Werktage

Pos.
43
BOSCH Gummiring | Ersatzteile für B 5610 | 1619P01127
Hersteller: BOSCH
Artikelnummer: EB-0601655935-1619P01127
Netto: 3,63 € zzgl. MwSt.
zzgl. 6,90 € Versand (brutto)
einmalig pro Bestellung

Lieferzeit: 5 Werktage

Pos.
44
BOSCH Verschlussbolzen | Ersatzteile für B 5610 | 2610351295
Hersteller: BOSCH
Artikelnummer: EB-0601655935-2610351295
Netto: 9,18 € zzgl. MwSt.
zzgl. 6,90 € Versand (brutto)
einmalig pro Bestellung

Lieferzeit: 5 Werktage

Pos.
49
BOSCH Feder | Ersatzteile für B 5610 | 2610350667
Hersteller: BOSCH
Artikelnummer: EB-0601655935-2610350667
Netto: 4,32 € zzgl. MwSt.
zzgl. 6,90 € Versand (brutto)
einmalig pro Bestellung

Lieferzeit: 5 Werktage

Pos.
53
BOSCH Sicherungsring | Ersatzteile für B 5610 | 2610350683
Hersteller: BOSCH
Artikelnummer: EB-0601655935-2610350683
Netto: 4,32 € zzgl. MwSt.
zzgl. 6,90 € Versand (brutto)
einmalig pro Bestellung

Lieferzeit: 5 Werktage

Pos.
54
BOSCH Hebel | Ersatzteile für B 5610 | 2610901987
Hersteller: BOSCH
Artikelnummer: EB-0601655935-2610901987
Netto: 4,53 € zzgl. MwSt.
zzgl. 6,90 € Versand (brutto)
einmalig pro Bestellung

Lieferzeit: 5 Werktage

Pos.
56
BOSCH Schraube | Ersatzteile für B 5610 | 2610328924
Hersteller: BOSCH
Artikelnummer: EB-0601655935-2610328924
nur Informationsartikel
Nie mehr lieferbar
keine Alternativen
Pos.
57
BOSCH Schraube | Ersatzteile für B 5610 | 2610931997
Hersteller: BOSCH
Artikelnummer: EB-0601655935-2610931997
Netto: 4,56 € zzgl. MwSt.
zzgl. 6,90 € Versand (brutto)
einmalig pro Bestellung

Lieferzeit: 5 Werktage

Pos.
58
BOSCH Schraube | Ersatzteile für B 5610 | 2610901971
Hersteller: BOSCH
Artikelnummer: EB-0601655935-2610901971
nur Informationsartikel
Nie mehr lieferbar
keine Alternativen
Pos.
59
BOSCH Schraube | Ersatzteile für B 5610 | 1619X00504
Hersteller: BOSCH
Artikelnummer: EB-0601655935-1619X00504
Netto: 3,63 € zzgl. MwSt.
zzgl. 6,90 € Versand (brutto)
einmalig pro Bestellung

Lieferzeit: 5 Werktage

Pos.
60
BOSCH Sechskantschraube | Ersatzteile für B 5610 | 1619X00935
Hersteller: BOSCH
Artikelnummer: EB-0601655935-1619X00935
nur Informationsartikel
Nie mehr lieferbar
keine Alternativen
Pos.
61
BOSCH Laufbolzen | Ersatzteile für B 5610 | 1619P01539
Hersteller: BOSCH
Artikelnummer: EB-0601655935-1619P01539
Netto: 3,63 € zzgl. MwSt.
zzgl. 6,90 € Versand (brutto)
einmalig pro Bestellung

Lieferzeit: 5 Werktage

Pos.
62
BOSCH Schraube | Ersatzteile für B 5610 | 2610347100
Hersteller: BOSCH
Artikelnummer: EB-0601655935-2610347100
nur Informationsartikel
Nie mehr lieferbar
keine Alternativen
Pos.
63
BOSCH Schraube | Ersatzteile für B 5610 | 1619P01505
Hersteller: BOSCH
Artikelnummer: EB-0601655935-1619P01505
nur Informationsartikel
Nie mehr lieferbar
keine Alternativen
Pos.
64
BOSCH Kontaktschraube | Ersatzteile für B 5610 | 1619X01786
Hersteller: BOSCH
Artikelnummer: EB-0601655935-1619X01786
nur Informationsartikel
Nie mehr lieferbar
keine Alternativen
Pos.
66
BOSCH Spannstift | Ersatzteile für B 5610 | 2610020656
Hersteller: BOSCH
Artikelnummer: EB-0601655935-2610020656
Netto: 4,32 € zzgl. MwSt.
zzgl. 6,90 € Versand (brutto)
einmalig pro Bestellung

Lieferzeit: 5 Werktage

Pos.
67
BOSCH Klemmschraube | Ersatzteile für B 5610 | 2610909129
Hersteller: BOSCH
Artikelnummer: EB-0601655935-2610909129
nur Informationsartikel
Nie mehr lieferbar
keine Alternativen
Pos.
68
BOSCH Schraube | Ersatzteile für B 5610 | 2610341335
Hersteller: BOSCH
Artikelnummer: EB-0601655935-2610341335
Netto: 4,32 € zzgl. MwSt.
zzgl. 6,90 € Versand (brutto)
einmalig pro Bestellung

Lieferzeit: 5 Werktage

Pos.
69
BOSCH Rundmutter | Ersatzteile für B 5610 | 2610901988
Hersteller: BOSCH
Artikelnummer: EB-0601655935-2610901988
Netto: 4,53 € zzgl. MwSt.
zzgl. 6,90 € Versand (brutto)
einmalig pro Bestellung

Lieferzeit: 5 Werktage

Pos.
70
BOSCH Sicherungsmutter | Ersatzteile für B 5610 | 2610904165
Hersteller: BOSCH
Artikelnummer: EB-0601655935-2610904165
Netto: 4,54 € zzgl. MwSt.
zzgl. 6,90 € Versand (brutto)
einmalig pro Bestellung

Lieferzeit: 5 Werktage

Pos.
73
BOSCH Federscheibe | Ersatzteile für B 5610 | 2610069183
Hersteller: BOSCH
Artikelnummer: EB-0601655935-2610069183
Netto: 3,60 € zzgl. MwSt.
zzgl. 6,90 € Versand (brutto)
einmalig pro Bestellung

Lieferzeit: 5 Werktage

Pos.
74
BOSCH Sicherungsring | Ersatzteile für B 5610 | 2610341354
Hersteller: BOSCH
Artikelnummer: EB-0601655935-2610341354
Netto: 4,32 € zzgl. MwSt.
zzgl. 6,90 € Versand (brutto)
einmalig pro Bestellung

Lieferzeit: 5 Werktage

Pos.
75
BOSCH Unterlegscheibe | Ersatzteile für B 5610 | 2610313808
Hersteller: BOSCH
Artikelnummer: EB-0601655935-2610313808
nur Informationsartikel
Nie mehr lieferbar
keine Alternativen
Pos.
78
BOSCH Scheibe | Ersatzteile für B 5610 | 1619X00942
Hersteller: BOSCH
Artikelnummer: EB-0601655935-1619X00942
Netto: 3,63 € zzgl. MwSt.
zzgl. 6,90 € Versand (brutto)
einmalig pro Bestellung

Lieferzeit: 5 Werktage

Pos.
80
BOSCH Schraube | Ersatzteile für B 5610 | 2610350698
Hersteller: BOSCH
Artikelnummer: EB-0601655935-2610350698
Netto: 3,63 € zzgl. MwSt.
zzgl. 6,90 € Versand (brutto)
einmalig pro Bestellung

Lieferzeit: 5 Werktage

Pos.
650
BOSCH Schlüssel | Ersatzteile für B 5610 | 2610351201
Hersteller: BOSCH
Artikelnummer: EB-0601655935-2610351201
Netto: 9,95 € zzgl. MwSt.
zzgl. 6,90 € Versand (brutto)
einmalig pro Bestellung

Lieferzeit: 5 Werktage

Pos.
804
BOSCH Ein/Aus-Schalter | Ersatzteile für B 5610 | 2610321608
Hersteller: BOSCH
Artikelnummer: EB-0601655935-2610321608
nur Informationsartikel
Nie mehr lieferbar
keine Alternativen
Pos.
805
BOSCH Netzanschlussleitung USA/CDN 3,275m 2 x 1,32mm SJ 16/2 | Ersatzteile für B 5610 | 3604460514
Hersteller: BOSCH
Artikelnummer: EB-0601655935-3604460514
Netto: 15,75 € zzgl. MwSt.
zzgl. 6,90 € Versand (brutto)
einmalig pro Bestellung

Lieferzeit: 5 Werktage

Pos.
810
BOSCH Bürstenhalter | Ersatzteile für B 5610 | 2610355594
Hersteller: BOSCH
Artikelnummer: EB-0601655935-2610355594
nur Informationsartikel
Nie mehr lieferbar
keine Alternativen
Pos.
829
BOSCH Handgriff | Ersatzteile für B 5610 | 2610904144
Hersteller: BOSCH
Artikelnummer: EB-0601655935-2610904144
nur Informationsartikel
Nie mehr lieferbar
keine Alternativen

Angaben zur Produktsicherheit

Hersteller:
Robert Bosch Power Tools GmbH
Postfach 30 02 20
70442 Stuttgart

E-Mail:
kontakt@bosch.de