BOSCH Kohlebürstensatz | Ersatzteile für B 6050 | 2604321905

Artikelnummer: EB-0601135535-2604321905

Position: 816/04

Marke: BOSCH


Bitte Kompatibilität prüfen!

Bitte prüfen Sie unbedingt die 10-stellige Typennummer Ihrer Maschine / Ihres Gerätes. Das Ersatzteil ist nur kompatibel, wenn Sie die Typennummer Ihrer Maschine in der unten stehenden Produktbeschreibung finden.

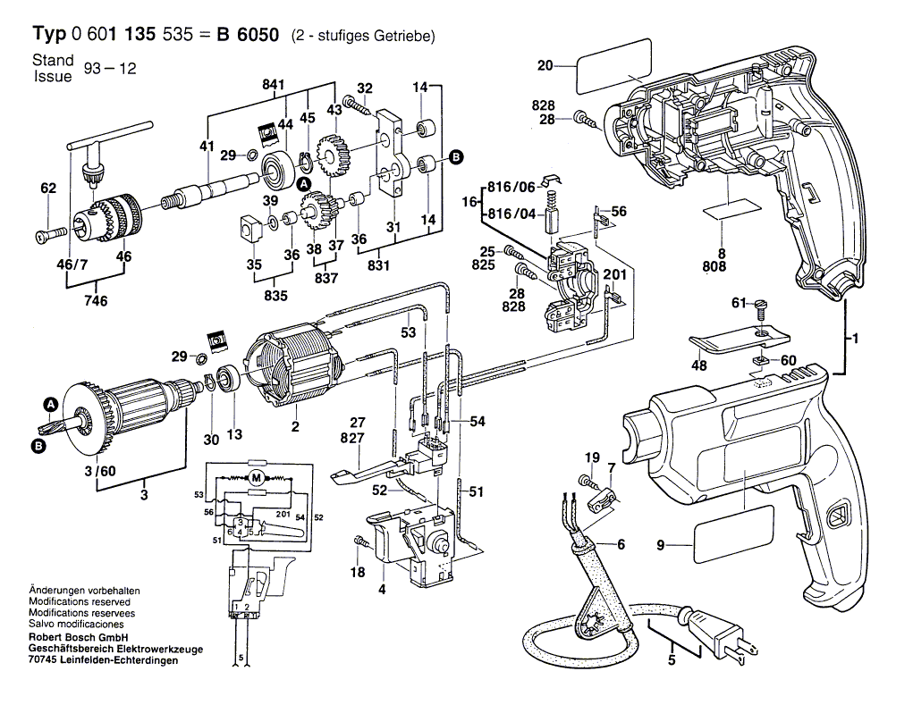
Bitte prüfen Sie ebenfalls detailliert die Explosionszeichnung mit Ihrem Artikelwunsch und der jeweiligen Pos-Nummer.

Alle Elemente, welche vom schwarzen Strich der Pos-Nummer ausgehend berührt / erfasst werden, gehören zu dieser Pos-Nummer und somit zu diesem Artikel. Jede Pos-Nummer ist ein eigenständiger Artikel, welchen Sie in der Auflistung finden.

Sie erhalten stets die aktuellste, neueste Produktversion zu der gewählten Pos-Nummer seitens des Herstellers. Es kann daher je nach Gerätealter vorkommen, dass Sie ggf. weitere, zugehörige Elemente, welche an diese Pos-Nummer grenzen, ebenfalls mittauschen müssen.

Nähere Informationen finden Sie unter dem Link
Hinweise zu Ihrer BOSCH Ersatzteilsuche

Preisübersicht

Einzelpreis: 9,75 €* (Brutto: 11,60 €)
Gesamtpreis: 9,75 €* 
Position:

Lieferzeit: 5 Werktage


Beschreibung

  • Kohlebürstensatz
  • Original Bosch Zubehör / BOSCH Ersatzteil (2604321905)
  • im Gerät verbaut: 1
Dieses BOSCH Ersatzteil ist mit folgendem Gerät und Modell kompatibel:
  • BOSCH Gerätename: B 6050
  • BOSCH Explosionszeichnung: Position 816/04
  • BOSCH Typennummer: 0601135535
  • BOSCH Typennummer alternative Schreibweisen: 0 601 135 535, 0601 135 535, 0.601.135.535, 0-601-135-535
    Bitte prüfen Sie diese Typennummer auf Ihrem Gerät um die Kompatibilität des BOSCH Ersatzteils zu gewährleisten.
Weitere BOSCH Ersatzteile des Gerätes B 6050 (Bohrmaschine) mit der Typennummer 0601135535 finden Sie in der nachfolgenden Darstellung und im Dropdown zu Ihrer Auswahl:

Pos.
1
BOSCH Gehäuseschale BLAU | Ersatzteile für B 6050 | 2605104316
Hersteller: BOSCH
Artikelnummer: EB-0601135535-2605104316
nur Informationsartikel
Nie mehr lieferbar
keine Alternativen
Pos.
3/60
BOSCH Lüfter | Ersatzteile für B 6050 | 2606610027
Hersteller: BOSCH
Artikelnummer: EB-0601135535-2606610027
Netto: 4,80 € zzgl. MwSt.
zzgl. 6,90 € Versand (brutto)
einmalig pro Bestellung

Lieferzeit: 5 Werktage

Pos.
46/7
BOSCH Bohrfutterschlüssel SG2 | Ersatzteile für B6050 | 2607950007
Hersteller: BOSCH
Artikelnummer: EB-0601135535-2607950007
Netto: 7,26 € zzgl. MwSt.
zzgl. 6,90 € Versand (brutto)
einmalig pro Bestellung

Lieferzeit: 5 Werktage

Pos.
816/04
BOSCH Kohlebürstensatz | Ersatzteile für B 6050 | 2604321905
Hersteller: BOSCH
Artikelnummer: EB-0601135535-2604321905
Netto: 9,75 € zzgl. MwSt.
zzgl. 6,90 € Versand (brutto)
einmalig pro Bestellung

Lieferzeit: 5 Werktage

Pos.
816/06
BOSCH Rastkappe | Ersatzteile für B 6050 | 2601322013
Hersteller: BOSCH
Artikelnummer: EB-0601135535-2601322013
Netto: 3,94 € zzgl. MwSt.
zzgl. 6,90 € Versand (brutto)
einmalig pro Bestellung

Lieferzeit: 5 Werktage

Pos.
2
BOSCH Polschuh 115V | Ersatzteile für B 6050 | 2604220432
Hersteller: BOSCH
Artikelnummer: EB-0601135535-2604220432
nur Informationsartikel
Nie mehr lieferbar
keine Alternativen
Pos.
3
BOSCH Anker 120V | Ersatzteile für B 6050 | 2604011070
Hersteller: BOSCH
Artikelnummer: EB-0601135535-2604011070
nur Informationsartikel
Nie mehr lieferbar
keine Alternativen
Pos.
5
BOSCH Netzanschlussleitung USA/CDN 2,68m 2 x 0,82mm SJ 18/2 | Ersatzteile für B 6050 | 2604460188
Hersteller: BOSCH
Artikelnummer: EB-0601135535-2604460188
nur Informationsartikel
Nie mehr lieferbar
keine Alternativen
Pos.
6
BOSCH Tülle Ø11,6-Ø12,5x84 MM | Ersatzteile für B 6050 | 2600707060
Hersteller: BOSCH
Artikelnummer: EB-0601135535-2600707060
nur Informationsartikel
Nie mehr lieferbar
keine Alternativen
Pos.
6
BOSCH Tülle Ø6,9 MM | Ersatzteile für B 6050 | 2600707059
Hersteller: BOSCH
Artikelnummer: EB-0601135535-2600707059
nur Informationsartikel
Nie mehr lieferbar
keine Alternativen
Pos.
6
BOSCH Tülle Ø8,8 MM | Ersatzteile für B 6050 | 2600707061
Hersteller: BOSCH
Artikelnummer: EB-0601135535-2600707061
nur Informationsartikel
Nie mehr lieferbar
keine Alternativen
Pos.
7
BOSCH Leitungshalter | Ersatzteile für B 6050 | 2601035001
Hersteller: BOSCH
Artikelnummer: EB-0601135535-2601035001
Netto: 3,94 € zzgl. MwSt.
zzgl. 6,90 € Versand (brutto)
einmalig pro Bestellung

Lieferzeit: 5 Werktage

Pos.
9
BOSCH Firmenschild SONNENSEITE | Ersatzteile für B 6050 | 2601118665
Hersteller: BOSCH
Artikelnummer: EB-0601135535-2601118665
nur Informationsartikel
Nie mehr lieferbar
keine Alternativen
Pos.
13
BOSCH Kugellager 7x19x6 | Ersatzteile für B 6050 | 2600905032
Hersteller: BOSCH
Artikelnummer: EB-0601135535-2600905032
Netto: 6,27 € zzgl. MwSt.
zzgl. 6,90 € Versand (brutto)
einmalig pro Bestellung

Lieferzeit: 5 Werktage

Pos.
14
BOSCH Nadellager Ø8x8 MM | Ersatzteile für B 6050 | 2600917003
Hersteller: BOSCH
Artikelnummer: EB-0601135535-2600917003
Netto: 4,80 € zzgl. MwSt.
zzgl. 6,90 € Versand (brutto)
einmalig pro Bestellung

Lieferzeit: 5 Werktage

Pos.
16
BOSCH Bürstenplatte | Ersatzteile für B 6050 | 2605807063
Hersteller: BOSCH
Artikelnummer: EB-0601135535-2605807063
nur Informationsartikel
Nie mehr lieferbar
keine Alternativen
Pos.
18
BOSCH Zylinderschraube M3x6,5-4.8 | Ersatzteile für B 6050 | 2603410001
Hersteller: BOSCH
Artikelnummer: EB-0601135535-2603410001
Netto: 3,94 € zzgl. MwSt.
zzgl. 6,90 € Versand (brutto)
einmalig pro Bestellung

Lieferzeit: 5 Werktage

Pos.
20
BOSCH Hinweisschild SCHATTENSEITE | Ersatzteile für B 6050 | 2601118666
Hersteller: BOSCH
Artikelnummer: EB-0601135535-2601118666
nur Informationsartikel
Nie mehr lieferbar
keine Alternativen
Pos.
29
BOSCH O-Ring 5,0x1,75 MM | Ersatzteile für B 6050 | 2600210036
Hersteller: BOSCH
Artikelnummer: EB-0601135535-2600210036
nur Informationsartikel
Nie mehr lieferbar
keine Alternativen
Pos.
30
BOSCH Distanzring | Ersatzteile für B 6050 | 2600209004
Hersteller: BOSCH
Artikelnummer: EB-0601135535-2600209004
nur Informationsartikel
Nie mehr lieferbar
keine Alternativen
Pos.
32
BOSCH Torx-Linsenschraube 4x30 | Ersatzteile für B 6050 | 2603490025
Hersteller: BOSCH
Artikelnummer: EB-0601135535-2603490025
Netto: 3,60 € zzgl. MwSt.
zzgl. 6,90 € Versand (brutto)
einmalig pro Bestellung

Lieferzeit: 5 Werktage

Pos.
36
BOSCH Nadelhülse | Ersatzteile für B 6050 | 2600917004
Hersteller: BOSCH
Artikelnummer: EB-0601135535-2600917004
Netto: 5,17 € zzgl. MwSt.
zzgl. 6,90 € Versand (brutto)
einmalig pro Bestellung

Lieferzeit: 5 Werktage

Pos.
39
BOSCH Ausgleichscheibe 0,3 MM | Ersatzteile für B 6050 | 2600100627
Hersteller: BOSCH
Artikelnummer: EB-0601135535-2600100627
Netto: 3,94 € zzgl. MwSt.
zzgl. 6,90 € Versand (brutto)
einmalig pro Bestellung

Lieferzeit: 5 Werktage

Pos.
43
BOSCH Stirnrad Z=27 | Ersatzteile für B 6050 | 2606320046
Hersteller: BOSCH
Artikelnummer: EB-0601135535-2606320046
nur Informationsartikel
Nie mehr lieferbar
keine Alternativen
Pos.
44
BOSCH Rillenkugellager 6200-2Z DIN 625 | Ersatzteile für B 6050 | 1900905232
Hersteller: BOSCH
Artikelnummer: EB-0601135535-1900905232
Netto: 18,86 € zzgl. MwSt.
zzgl. 6,90 € Versand (brutto)
einmalig pro Bestellung

Lieferzeit: 5 Werktage

Pos.
45
BOSCH Sicherungsring DIN 471-10x1MM-FSt | Ersatzteile für B 6050 | 2916650001
Hersteller: BOSCH
Artikelnummer: EB-0601135535-2916650001
Netto: 4,56 € zzgl. MwSt.
zzgl. 6,90 € Versand (brutto)
einmalig pro Bestellung

Lieferzeit: 5 Werktage

Pos.
51
BOSCH Elektr Leitung L=173 MM WEISS | Ersatzteile für B 6050 | 2604448060
Hersteller: BOSCH
Artikelnummer: EB-0601135535-2604448060
nur Informationsartikel
Nie mehr lieferbar
keine Alternativen
Pos.
52
BOSCH Elektr Leitung L=98 MM SCHWARZ | Ersatzteile für B 6050 | 2604448045
Hersteller: BOSCH
Artikelnummer: EB-0601135535-2604448045
nur Informationsartikel
Nie mehr lieferbar
keine Alternativen
Pos.
53
BOSCH Verbindungsleitung L=103 MM BLAU | Ersatzteile für B 6050 | 2604448132
Hersteller: BOSCH
Artikelnummer: EB-0601135535-2604448132
Netto: 3,60 € zzgl. MwSt.
zzgl. 6,90 € Versand (brutto)
einmalig pro Bestellung

Lieferzeit: 5 Werktage

Pos.
54
BOSCH Verbindungsleitung L=88 MM WEISS | Ersatzteile für B 6050 | 2604448034
Hersteller: BOSCH
Artikelnummer: EB-0601135535-2604448034
Netto: 3,94 € zzgl. MwSt.
zzgl. 6,90 € Versand (brutto)
einmalig pro Bestellung

Lieferzeit: 5 Werktage

Pos.
56
BOSCH Verbindungsleitung L=85 MM WEISS | Ersatzteile für B 6050 | 2604448147
Hersteller: BOSCH
Artikelnummer: EB-0601135535-2604448147
Netto: 3,60 € zzgl. MwSt.
zzgl. 6,90 € Versand (brutto)
einmalig pro Bestellung

Lieferzeit: 5 Werktage

Pos.
61
BOSCH Flachkopfschraube DIN 85-M4X10-4.8 | Ersatzteile für B6050 | 2910091120
Hersteller: BOSCH
Artikelnummer: EB-0601135535-2910091120
Netto: 3,60 € zzgl. MwSt.
zzgl. 6,90 € Versand (brutto)
einmalig pro Bestellung

Lieferzeit: 5 Werktage

Pos.
62
BOSCH Senkschraube M6x20 MM LINKSGEWINDE | Ersatzteile für B 6050 | 2603421211
Hersteller: BOSCH
Artikelnummer: EB-0601135535-2603421211
nur Informationsartikel
Nie mehr lieferbar
keine Alternativen
Pos.
200
BOSCH Nadellager | Ersatzteile für B6050 | 2600910011
Hersteller: BOSCH
Artikelnummer: EB-0601135535-2600910011
Netto: 11,88 € zzgl. MwSt.
zzgl. 6,90 € Versand (brutto)
einmalig pro Bestellung

Lieferzeit: 5 Werktage

Pos.
201
BOSCH Verbindungskabel L=73 MM WEISS | Ersatzteile für B 6050 | 2604448115
Hersteller: BOSCH
Artikelnummer: EB-0601135535-2604448115
Netto: 3,60 € zzgl. MwSt.
zzgl. 6,90 € Versand (brutto)
einmalig pro Bestellung

Lieferzeit: 5 Werktage

Pos.
746
BOSCH Zahnkranzbohrfutter Ø0,8-10 MM, 1/2" | Ersatzteile für B 6050 | 1608571005
Hersteller: BOSCH
Artikelnummer: EB-0601135535-1608571005
nur Informationsartikel
Nie mehr lieferbar
keine Alternativen
Pos.
748
BOSCH Kanalabschluss SCHWARZ | Ersatzteile für B6050 | 2608040050
Hersteller: BOSCH
Artikelnummer: EB-0601135535-2608040050
Nie mehr lieferbar
keine Alternativen
Pos.
808
BOSCH Typschild | Ersatzteile für B 6050 | 160111A3HC
Hersteller: BOSCH
Artikelnummer: EB-0601135535-160111A3HC
Netto: 4,56 € zzgl. MwSt.
zzgl. 6,90 € Versand (brutto)
einmalig pro Bestellung

Lieferzeit: 5 Werktage

Pos.
825
BOSCH Blechschraube DIN 7981-ST2,9X13-C-H | Ersatzteile für B6050 | 2910611006
Hersteller: BOSCH
Artikelnummer: EB-0601135535-2910611006
Netto: 3,94 € zzgl. MwSt.
zzgl. 6,90 € Versand (brutto)
einmalig pro Bestellung

Lieferzeit: 5 Werktage

Pos.
827
BOSCH Umschalter | Ersatzteile für B 6050 | 2607200231
Hersteller: BOSCH
Artikelnummer: EB-0601135535-2607200231
Netto: 13,81 € zzgl. MwSt.
zzgl. 6,90 € Versand (brutto)
einmalig pro Bestellung

Lieferzeit: 5 Werktage

Pos.
828
BOSCH Blechschraube DIN 7981-3,9x19-C-Z-ST | Ersatzteile für B 6050 | 2912401020
Hersteller: BOSCH
Artikelnummer: EB-0601135535-2912401020
Netto: 4,36 € zzgl. MwSt.
zzgl. 6,90 € Versand (brutto)
einmalig pro Bestellung

Lieferzeit: 5 Werktage

Pos.
831
BOSCH Lagerbrücke | Ersatzteile für B 6050 | 2605807929
Hersteller: BOSCH
Artikelnummer: EB-0601135535-2605807929
nur Informationsartikel
Nie mehr lieferbar
keine Alternativen
Pos.
835
BOSCH Lagerstück | Ersatzteile für B 6050 | 2600917903
Hersteller: BOSCH
Artikelnummer: EB-0601135535-2600917903
nur Informationsartikel
Nie mehr lieferbar
keine Alternativen
Pos.
837
BOSCH Zahnwelle Z=12/24 | Ersatzteile für B 6050 | 2606311906
Hersteller: BOSCH
Artikelnummer: EB-0601135535-2606311906
Netto: 18,57 € zzgl. MwSt.
zzgl. 6,90 € Versand (brutto)
einmalig pro Bestellung

Lieferzeit: 5 Werktage

Pos.
841
BOSCH Bohrspindel 1/2", M6 LINKSGEWINDE | Ersatzteile für B 6050 | 2606135924
Hersteller: BOSCH
Artikelnummer: EB-0601135535-2606135924
nur Informationsartikel
Nie mehr lieferbar
keine Alternativen

Angaben zur Produktsicherheit

Hersteller:
Robert Bosch Power Tools GmbH
Postfach 30 02 20
70442 Stuttgart

E-Mail:
kontakt@bosch.de