BOSCH Blechschraube DIN 7981-ST3,9x19-C-H | Ersatzteile für B4100 | 2910611020

Artikelnummer: EB-0603303735-2910611020

Position: 874

Marke: BOSCH


Bitte Kompatibilität prüfen!

Bitte prüfen Sie unbedingt die 10-stellige Typennummer Ihrer Maschine / Ihres Gerätes. Das Ersatzteil ist nur kompatibel, wenn Sie die Typennummer Ihrer Maschine in der unten stehenden Produktbeschreibung finden.

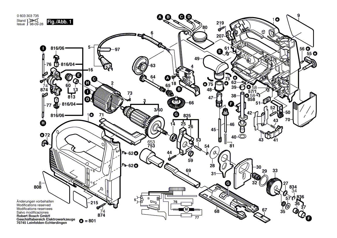
Bitte prüfen Sie ebenfalls detailliert die Explosionszeichnung mit Ihrem Artikelwunsch und der jeweiligen Pos-Nummer.

Alle Elemente, welche vom schwarzen Strich der Pos-Nummer ausgehend berührt / erfasst werden, gehören zu dieser Pos-Nummer und somit zu diesem Artikel. Jede Pos-Nummer ist ein eigenständiger Artikel, welchen Sie in der Auflistung finden.

Sie erhalten stets die aktuellste, neueste Produktversion zu der gewählten Pos-Nummer seitens des Herstellers. Es kann daher je nach Gerätealter vorkommen, dass Sie ggf. weitere, zugehörige Elemente, welche an diese Pos-Nummer grenzen, ebenfalls mittauschen müssen.

Nähere Informationen finden Sie unter dem Link
Hinweise zu Ihrer BOSCH Ersatzteilsuche

Preisübersicht

Einzelpreis: 3,94 €* (Brutto: 4,69 €)
Gesamtpreis: 3,94 €* 
Position:

Lieferzeit: 5 Werktage


Beschreibung

  • Blechschraube DIN 7981-ST3,9x19-C-H
  • Original Bosch Zubehör / BOSCH Ersatzteil (2910611020)
  • im Gerät verbaut: 1
Dieses BOSCH Ersatzteil ist mit folgendem Gerät und Modell kompatibel:
  • BOSCH Gerätename: B4100
  • BOSCH Explosionszeichnung: Position 874
  • BOSCH Typennummer: 0603303735
  • BOSCH Typennummer alternative Schreibweisen: 0 603 303 735, 0603 303 735, 0.603.303.735, 0-603-303-735
    Bitte prüfen Sie diese Typennummer auf Ihrem Gerät um die Kompatibilität des BOSCH Ersatzteils zu gewährleisten.
Weitere BOSCH Ersatzteile des Gerätes B4100 (Stichsäge) mit der Typennummer 0603303735 finden Sie in der nachfolgenden Darstellung und im Dropdown zu Ihrer Auswahl:

Pos.
3/60
BOSCH Lüfter | Ersatzteile für B4100 | 2606610050
Hersteller: BOSCH
Artikelnummer: EB-0603303735-2606610050
nur Informationsartikel
Nie mehr lieferbar
keine Alternativen
Pos.
816/04
BOSCH Kohlebürstensatz | Ersatzteile für B4100 | 2604321916
Hersteller: BOSCH
Artikelnummer: EB-0603303735-2604321916
nur Informationsartikel
Nie mehr lieferbar
keine Alternativen
Pos.
816/06
BOSCH Rastkappe | Ersatzteile für B4100 | 2601322013
Hersteller: BOSCH
Artikelnummer: EB-0603303735-2601329051
Netto: 3,94 € zzgl. MwSt.
zzgl. 6,90 € Versand (brutto)
einmalig pro Bestellung

Lieferzeit: 5 Werktage

Pos.
2
BOSCH Polschuh 100-115V | Ersatzteile für B4100 | 2604220482
Hersteller: BOSCH
Artikelnummer: EB-0603303735-2604220482
nur Informationsartikel
Nie mehr lieferbar
keine Alternativen
Pos.
3
BOSCH Anker 115V | Ersatzteile für B4100 | 2604010894
Hersteller: BOSCH
Artikelnummer: EB-0603303735-2604010894
nur Informationsartikel
Nie mehr lieferbar
keine Alternativen
Pos.
4
BOSCH Ein/Aus-Schalter | Ersatzteile für B4100 | 2607200312
Hersteller: BOSCH
Artikelnummer: EB-0603303735-2607200312
nur Informationsartikel
Nie mehr lieferbar
keine Alternativen
Pos.
5
BOSCH Netzanschlussleitung USA/CDN 2,68m 2 x 082mm SJ 18/2 | Ersatzteile für B4100 | 2604460189
Hersteller: BOSCH
Artikelnummer: EB-0603303735-2604460189
nur Informationsartikel
Nie mehr lieferbar
keine Alternativen
Pos.
6
BOSCH Tülle Ø8,2 MM | Ersatzteile für B4100 | 2600703008
Hersteller: BOSCH
Artikelnummer: EB-0603303735-2600703008
nur Informationsartikel
Nie mehr lieferbar
keine Alternativen
Pos.
9
BOSCH Firmenschild SONNENSEITE | Ersatzteile für B4100 | 2601118504
Hersteller: BOSCH
Artikelnummer: EB-0603303735-2601118504
nur Informationsartikel
Nie mehr lieferbar
keine Alternativen
Pos.
14
BOSCH Rillenkugellager 9x24x7 | Ersatzteile für B4100 | 2600905021
Hersteller: BOSCH
Artikelnummer: EB-0603303735-2600905021
Netto: 8,23 € zzgl. MwSt.
zzgl. 6,90 € Versand (brutto)
einmalig pro Bestellung

Lieferzeit: 5 Werktage

Pos.
16
BOSCH Bürstenplatte | Ersatzteile für B4100 | 2609992617
Hersteller: BOSCH
Artikelnummer: EB-0603303735-2609992617
nur Informationsartikel
Nie mehr lieferbar
keine Alternativen
Pos.
18
BOSCH Zylinderschraube M3x6,5-4.8 | Ersatzteile für B4100 | 2603410001
Hersteller: BOSCH
Artikelnummer: EB-0603303735-2603410001
Netto: 3,94 € zzgl. MwSt.
zzgl. 6,90 € Versand (brutto)
einmalig pro Bestellung

Lieferzeit: 5 Werktage

Pos.
27
BOSCH Ausgleichscheibe 0,3 MM | Ersatzteile für B4100 | 2600101047
Hersteller: BOSCH
Artikelnummer: EB-0603303735-2600101047
Netto: 3,94 € zzgl. MwSt.
zzgl. 6,90 € Versand (brutto)
einmalig pro Bestellung

Lieferzeit: 5 Werktage

Pos.
28
BOSCH Ausgleichscheibe 0,5 MM | Ersatzteile für B4100 | 2600101048
Hersteller: BOSCH
Artikelnummer: EB-0603303735-2600101048
Netto: 3,94 € zzgl. MwSt.
zzgl. 6,90 € Versand (brutto)
einmalig pro Bestellung

Lieferzeit: 5 Werktage

Pos.
29
BOSCH Ausgleichscheibe 0,5 MM | Ersatzteile für B4100 | 2600102614
Hersteller: BOSCH
Artikelnummer: EB-0603303735-2600102614
nur Informationsartikel
Nie mehr lieferbar
keine Alternativen
Pos.
30
BOSCH Ausgleichscheibe 5,5 MM | Ersatzteile für B4100 | 2601098025
Hersteller: BOSCH
Artikelnummer: EB-0603303735-2601098025
nur Informationsartikel
Nie mehr lieferbar
keine Alternativen
Pos.
31
BOSCH Gabelhebel | Ersatzteile für B4100 | 2601923009
Hersteller: BOSCH
Artikelnummer: EB-0603303735-2601923009
nur Informationsartikel
Nie mehr lieferbar
keine Alternativen
Pos.
32
BOSCH Nadelkranz | Ersatzteile für B4100 | 2600913007
Hersteller: BOSCH
Artikelnummer: EB-0603303735-2600913007
Netto: 4,77 € zzgl. MwSt.
zzgl. 6,90 € Versand (brutto)
einmalig pro Bestellung

Lieferzeit: 5 Werktage

Pos.
33
BOSCH Exzenterzahnrad Z=39 | Ersatzteile für B4100 | 2606320049
Hersteller: BOSCH
Artikelnummer: EB-0603303735-2606320049
nur Informationsartikel
Nie mehr lieferbar
keine Alternativen
Pos.
35
BOSCH Zwischenring | Ersatzteile für B4100 | 2600200035
Hersteller: BOSCH
Artikelnummer: EB-0603303735-2600200035
nur Informationsartikel
Nie mehr lieferbar
keine Alternativen
Pos.
38
BOSCH Hubstange | Ersatzteile für B4100 | 2600780060
Hersteller: BOSCH
Artikelnummer: EB-0603303735-2600780060
nur Informationsartikel
Nie mehr lieferbar
keine Alternativen
Pos.
39
BOSCH Sinterbuchse | Ersatzteile für B4100 | 2600302009
Hersteller: BOSCH
Artikelnummer: EB-0603303735-2600302009
Netto: 1,61 € zzgl. MwSt.
zzgl. 6,90 € Versand (brutto)
einmalig pro Bestellung

Lieferzeit: 5 Werktage

Pos.
40
BOSCH Ausgleichscheibe 0,3 MM | Ersatzteile für B4100 | 2600116012
Hersteller: BOSCH
Artikelnummer: EB-0603303735-2600116012
nur Informationsartikel
Nie mehr lieferbar
keine Alternativen
Pos.
40
BOSCH Ausgleichscheibe 0,5 MM | Ersatzteile für B4100 | 2600101612
Hersteller: BOSCH
Artikelnummer: EB-0603303735-2600101612
Netto: 3,94 € zzgl. MwSt.
zzgl. 6,90 € Versand (brutto)
einmalig pro Bestellung

Lieferzeit: 5 Werktage

Pos.
41
BOSCH Stützplatte | Ersatzteile für B4100 | 2602316011
Hersteller: BOSCH
Artikelnummer: EB-0603303735-2602316011
nur Informationsartikel
Nie mehr lieferbar
keine Alternativen
Pos.
42
BOSCH Führungsbügel | Ersatzteile für B4100 | 2601322014
Hersteller: BOSCH
Artikelnummer: EB-0603303735-2601322014
nur Informationsartikel
Nie mehr lieferbar
keine Alternativen
Pos.
43
BOSCH Druckfeder | Ersatzteile für B4100 | 2604613000
Hersteller: BOSCH
Artikelnummer: EB-0603303735-2604613000
Netto: 3,94 € zzgl. MwSt.
zzgl. 6,90 € Versand (brutto)
einmalig pro Bestellung

Lieferzeit: 5 Werktage

Pos.
44
BOSCH Linsenschraube DIN 7985-M4x18-8.8-H | Ersatzteile für B4100 | 2910950128
Hersteller: BOSCH
Artikelnummer: EB-0603303735-2910950128
nur Informationsartikel
Nie mehr lieferbar
keine Alternativen
Pos.
45
BOSCH Klemmschraube | Ersatzteile für B4100 | 2603490004
Hersteller: BOSCH
Artikelnummer: EB-0603303735-2603490004
nur Informationsartikel
Nie mehr lieferbar
keine Alternativen
Pos.
46
BOSCH Kupplungshälfte | Ersatzteile für B4100 | 2606491012
Hersteller: BOSCH
Artikelnummer: EB-0603303735-2606491012
nur Informationsartikel
Nie mehr lieferbar
keine Alternativen
Pos.
47
BOSCH Ratsche | Ersatzteile für B4100 | 2606491010
Hersteller: BOSCH
Artikelnummer: EB-0603303735-2606491010
nur Informationsartikel
Nie mehr lieferbar
keine Alternativen
Pos.
48
BOSCH Führungshülse | Ersatzteile für B4100 | 2600451002
Hersteller: BOSCH
Artikelnummer: EB-0603303735-2600451002
nur Informationsartikel
Nie mehr lieferbar
keine Alternativen
Pos.
49
BOSCH Drehgriff SCHWARZ | Ersatzteile für B4100 | 2608040083
Hersteller: BOSCH
Artikelnummer: EB-0603303735-2608040083
nur Informationsartikel
Nie mehr lieferbar
keine Alternativen
Pos.
50
BOSCH Rollenhebel | Ersatzteile für B4100 | 2601321049
Hersteller: BOSCH
Artikelnummer: EB-0603303735-2601321049
nur Informationsartikel
Nie mehr lieferbar
keine Alternativen
Pos.
51
BOSCH Abdichtplatte | Ersatzteile für B4100 | 2601015057
Hersteller: BOSCH
Artikelnummer: EB-0603303735-2601015057
nur Informationsartikel
Nie mehr lieferbar
keine Alternativen
Pos.
52
BOSCH Zylinderstift | Ersatzteile für B4100 | 2609002725
Hersteller: BOSCH
Artikelnummer: EB-0603303735-2609002725
nur Informationsartikel
Nie mehr lieferbar
keine Alternativen
Pos.
53
BOSCH Zylinderstift DIN 6325-4m6x20 | Ersatzteile für B4100 | 2917530099
Hersteller: BOSCH
Artikelnummer: EB-0603303735-2917530099
nur Informationsartikel
Nie mehr lieferbar
keine Alternativen
Pos.
54
BOSCH Ausgleichscheibe 0,5 MM | Ersatzteile für B4100 | 2600100510
Hersteller: BOSCH
Artikelnummer: EB-0603303735-2600100510
Netto: 4,56 € zzgl. MwSt.
zzgl. 6,90 € Versand (brutto)
einmalig pro Bestellung

Lieferzeit: 5 Werktage

Pos.
55
BOSCH Umschalter 115-250V GELB | Ersatzteile für B4100 | 2602026059
Hersteller: BOSCH
Artikelnummer: EB-0603303735-2602026059
nur Informationsartikel
Nie mehr lieferbar
keine Alternativen
Pos.
56
BOSCH Rastkappe | Ersatzteile für B4100 | 2600590006
Hersteller: BOSCH
Artikelnummer: EB-0603303735-2600590006
Netto: 3,94 € zzgl. MwSt.
zzgl. 6,90 € Versand (brutto)
einmalig pro Bestellung

Lieferzeit: 5 Werktage

Pos.
57
BOSCH Ausgleichscheibe | Ersatzteile für B4100 | 2600100572
Hersteller: BOSCH
Artikelnummer: EB-0603303735-2600100572
nur Informationsartikel
Nie mehr lieferbar
keine Alternativen
Pos.
57
BOSCH Ausgleichscheibe 0,3 MM | Ersatzteile für B4100 | 2600100607
Hersteller: BOSCH
Artikelnummer: EB-0603303735-2600100607
Netto: 3,94 € zzgl. MwSt.
zzgl. 6,90 € Versand (brutto)
einmalig pro Bestellung

Lieferzeit: 5 Werktage

Pos.
57
BOSCH Ausgleichscheibe 0,5 MM | Ersatzteile für B4100 | 2600100568
Hersteller: BOSCH
Artikelnummer: EB-0603303735-2600100568
Netto: 3,94 € zzgl. MwSt.
zzgl. 6,90 € Versand (brutto)
einmalig pro Bestellung

Lieferzeit: 5 Werktage

Pos.
59
BOSCH Ausgleichscheibe | Ersatzteile für B4100 | 2600400030
Hersteller: BOSCH
Artikelnummer: EB-0603303735-2600400030
nur Informationsartikel
Nie mehr lieferbar
keine Alternativen
Pos.
61
BOSCH O-Ring 5,0x1,75 MM | Ersatzteile für B4100 | 2600210036
Hersteller: BOSCH
Artikelnummer: EB-0603303735-2600210036
nur Informationsartikel
Nie mehr lieferbar
keine Alternativen
Pos.
62
BOSCH Lagerbolzen | Ersatzteile für B4100 | 2603201020
Hersteller: BOSCH
Artikelnummer: EB-0603303735-2603201020
nur Informationsartikel
Nie mehr lieferbar
keine Alternativen
Pos.
63
BOSCH Drehgriff GELB | Ersatzteile für B4100 | 2608040084
Hersteller: BOSCH
Artikelnummer: EB-0603303735-2608040084
Netto: 1,83 € zzgl. MwSt.
zzgl. 6,90 € Versand (brutto)
einmalig pro Bestellung

Lieferzeit: 5 Werktage

Pos.
64
BOSCH Ratsche | Ersatzteile für B4100 | 2606491013
Hersteller: BOSCH
Artikelnummer: EB-0603303735-2606491013
nur Informationsartikel
Nie mehr lieferbar
keine Alternativen
Pos.
65
BOSCH Ritzel Z=8 | Ersatzteile für B4100 | 2606333029
Hersteller: BOSCH
Artikelnummer: EB-0603303735-2606333029
nur Informationsartikel
Nie mehr lieferbar
keine Alternativen
Pos.
66
BOSCH Kegelrad Z=32 | Ersatzteile für B4100 | 2606333028
Hersteller: BOSCH
Artikelnummer: EB-0603303735-2606333028
nur Informationsartikel
Nie mehr lieferbar
keine Alternativen
Pos.
67
BOSCH Profilleiste | Ersatzteile für B4100 | 2602317028
Hersteller: BOSCH
Artikelnummer: EB-0603303735-2602317028
nur Informationsartikel
Nie mehr lieferbar
keine Alternativen
Pos.
68
BOSCH Fussplatte | Ersatzteile für B4100 | 2601016073
Hersteller: BOSCH
Artikelnummer: EB-0603303735-2601016073
nur Informationsartikel
Nie mehr lieferbar
keine Alternativen
Pos.
69
BOSCH Saugkanal | Ersatzteile für B4100 | 2605730037
Hersteller: BOSCH
Artikelnummer: EB-0603303735-2605730037
nur Informationsartikel
Nie mehr lieferbar
keine Alternativen
Pos.
70
BOSCH Abdeckhaube | Ersatzteile für B4100 | 2605510149
Hersteller: BOSCH
Artikelnummer: EB-0603303735-2605510149
nur Informationsartikel
Nie mehr lieferbar
keine Alternativen
Pos.
71
BOSCH Einlegeteil | Ersatzteile für B4100 | 2608040075
Hersteller: BOSCH
Artikelnummer: EB-0603303735-2608040075
nur Informationsartikel
Nie mehr lieferbar
keine Alternativen
Pos.
72
BOSCH Verschlusskappe GELB | Ersatzteile für B4100 | 2608040085
Hersteller: BOSCH
Artikelnummer: EB-0603303735-2608040085
nur Informationsartikel
Nie mehr lieferbar
keine Alternativen
Pos.
73
BOSCH Kontaktfeder | Ersatzteile für B4100 | 2601329047
Hersteller: BOSCH
Artikelnummer: EB-0603303735-2601329047
nur Informationsartikel
Nie mehr lieferbar
keine Alternativen
Pos.
75
BOSCH Rundschnur | Ersatzteile für B4100 | 2603100055
Hersteller: BOSCH
Artikelnummer: EB-0603303735-2603100055
nur Informationsartikel
Nie mehr lieferbar
keine Alternativen
Pos.
76
BOSCH Verbindungsleitung L=50 MM WEISS | Ersatzteile für B4100 | 2604448190
Hersteller: BOSCH
Artikelnummer: EB-0603303735-2604448190
nur Informationsartikel
Nie mehr lieferbar
keine Alternativen
Pos.
77
BOSCH Verbindungsleitung L=73 MM WEISS | Ersatzteile für B4100 | 2604448123
Hersteller: BOSCH
Artikelnummer: EB-0603303735-2604448123
nur Informationsartikel
Nie mehr lieferbar
keine Alternativen
Pos.
80
BOSCH Drehzahlregler 120V | Ersatzteile für B4100 | 2607230029
Hersteller: BOSCH
Artikelnummer: EB-0603303735-2607230029
nur Informationsartikel
Nie mehr lieferbar
keine Alternativen
Pos.
81
BOSCH Druckfeder | Ersatzteile für B4100 | 2604610040
Hersteller: BOSCH
Artikelnummer: EB-0603303735-2604610040
Netto: 3,94 € zzgl. MwSt.
zzgl. 6,90 € Versand (brutto)
einmalig pro Bestellung

Lieferzeit: 5 Werktage

Pos.
97
BOSCH Hinweisschild ACHTUNG | Ersatzteile für B4100 | 2610904501
Hersteller: BOSCH
Artikelnummer: EB-0603303735-2610904501
Netto: 1,61 € zzgl. MwSt.
zzgl. 6,90 € Versand (brutto)
einmalig pro Bestellung

Lieferzeit: 5 Werktage

Pos.
207
BOSCH Leitungshalter | Ersatzteile für B4100 | 2601035001
Hersteller: BOSCH
Artikelnummer: EB-0603303735-2601035001
Netto: 3,94 € zzgl. MwSt.
zzgl. 6,90 € Versand (brutto)
einmalig pro Bestellung

Lieferzeit: 5 Werktage

Pos.
219
BOSCH Schraube 4x16 | Ersatzteile für B4100 | 2603490022
Hersteller: BOSCH
Artikelnummer: EB-0603303735-2603490022
Netto: 3,60 € zzgl. MwSt.
zzgl. 6,90 € Versand (brutto)
einmalig pro Bestellung

Lieferzeit: 5 Werktage

Pos.
753
BOSCH Anschlussstutzen | Ersatzteile für B4100 | 2600499032
Hersteller: BOSCH
Artikelnummer: EB-0603303735-2600499032
nur Informationsartikel
Nie mehr lieferbar
keine Alternativen
Pos.
801
BOSCH Gehäuseschale BLAU | Ersatzteile für B4100 | 2605104845
Hersteller: BOSCH
Artikelnummer: EB-0603303735-2605104845
nur Informationsartikel
Nie mehr lieferbar
keine Alternativen
Pos.
808
BOSCH Typschild | Ersatzteile für B4100 | 2601119263
Hersteller: BOSCH
Artikelnummer: EB-0603303735-2601119263
nur Informationsartikel
Nie mehr lieferbar
keine Alternativen
Pos.
813
BOSCH Nadelhülse | Ersatzteile für B4100 | 2600917901
Hersteller: BOSCH
Artikelnummer: EB-0603303735-2600917901
nur Informationsartikel
Nie mehr lieferbar
keine Alternativen
Pos.
825
BOSCH Lagerbrücke | Ersatzteile für B4100 | 2605807925
Hersteller: BOSCH
Artikelnummer: EB-0603303735-2605807925
Netto: 9,72 € zzgl. MwSt.
zzgl. 6,90 € Versand (brutto)
einmalig pro Bestellung

Lieferzeit: 5 Werktage

Pos.
834
BOSCH Sicherungsscheibe DIN 6799-6-FST | Ersatzteile für B4100 | 2916080909
Hersteller: BOSCH
Artikelnummer: EB-0603303735-2916080909
Netto: 3,63 € zzgl. MwSt.
zzgl. 6,90 € Versand (brutto)
einmalig pro Bestellung

Lieferzeit: 5 Werktage

Pos.
836
BOSCH Nadelhülse | Ersatzteile für B4100 | 2600917900
Hersteller: BOSCH
Artikelnummer: EB-0603303735-2600917900
nur Informationsartikel
Nie mehr lieferbar
keine Alternativen
Pos.
858
BOSCH Sicherungsscheibe DIN 6799-5-FSt | Ersatzteile für B4100 | 2916080008
Hersteller: BOSCH
Artikelnummer: EB-0603303735-2916080008
nur Informationsartikel
Nie mehr lieferbar
keine Alternativen
Pos.
874
BOSCH Blechschraube DIN 7981-ST3,9x19-C-H | Ersatzteile für B4100 | 2910611020
Hersteller: BOSCH
Artikelnummer: EB-0603303735-2910611020
Netto: 3,94 € zzgl. MwSt.
zzgl. 6,90 € Versand (brutto)
einmalig pro Bestellung

Lieferzeit: 5 Werktage

Angaben zur Produktsicherheit

Hersteller:
Robert Bosch Power Tools GmbH
Postfach 30 02 20
70442 Stuttgart

E-Mail:
kontakt@bosch.de