BOSCH Aderendhülse DIN 46 228-A1-6 | Ersatzteile für B6100 | 1900452012

Artikelnummer: EB-0601001735-1900452012

Position: 5/1

Marke: BOSCH


Bitte Kompatibilität prüfen!

Bitte prüfen Sie unbedingt die 10-stellige Typennummer Ihrer Maschine / Ihres Gerätes. Das Ersatzteil ist nur kompatibel, wenn Sie die Typennummer Ihrer Maschine in der unten stehenden Produktbeschreibung finden.

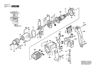
Bitte prüfen Sie ebenfalls detailliert die Explosionszeichnung mit Ihrem Artikelwunsch und der jeweiligen Pos-Nummer.

Alle Elemente, welche vom schwarzen Strich der Pos-Nummer ausgehend berührt / erfasst werden, gehören zu dieser Pos-Nummer und somit zu diesem Artikel. Jede Pos-Nummer ist ein eigenständiger Artikel, welchen Sie in der Auflistung finden.

Sie erhalten stets die aktuellste, neueste Produktversion zu der gewählten Pos-Nummer seitens des Herstellers. Es kann daher je nach Gerätealter vorkommen, dass Sie ggf. weitere, zugehörige Elemente, welche an diese Pos-Nummer grenzen, ebenfalls mittauschen müssen.

Nähere Informationen finden Sie unter dem Link
Hinweise zu Ihrer BOSCH Ersatzteilsuche

Preisübersicht

Einzelpreis: 3,94 €* (Brutto: 4,69 €)
Gesamtpreis: 3,94 €* 
Position:

Lieferzeit: 5 Werktage


Beschreibung

  • Aderendhülse DIN 46 228-A1-6
  • Original Bosch Zubehör / BOSCH Ersatzteil (1900452012)
  • im Gerät verbaut: 1
Dieses BOSCH Ersatzteil ist mit folgendem Gerät und Modell kompatibel:
  • BOSCH Gerätename: B6100
  • BOSCH Explosionszeichnung: Position 5/1
  • BOSCH Typennummer: 0601001735
  • BOSCH Typennummer alternative Schreibweisen: 0 601 001 735, 0601 001 735, 0.601.001.735, 0-601-001-735
    Bitte prüfen Sie diese Typennummer auf Ihrem Gerät um die Kompatibilität des BOSCH Ersatzteils zu gewährleisten.
Weitere BOSCH Ersatzteile des Gerätes B6100 (Bohrmaschine) mit der Typennummer 0601001735 finden Sie in der nachfolgenden Darstellung und im Dropdown zu Ihrer Auswahl:

Pos.
5/1
BOSCH Aderendhülse DIN 46 228-A1-6 | Ersatzteile für B6100 | 1900452012
Hersteller: BOSCH
Artikelnummer: EB-0601001735-1900452012
Netto: 3,94 € zzgl. MwSt.
zzgl. 6,90 € Versand (brutto)
einmalig pro Bestellung

Lieferzeit: 5 Werktage

Pos.
5
BOSCH Netzanschlussleitung USA/CDN 2,15m 2 x 0,82mm SJ 18/2 | Ersatzteile für B6100 | 3604460555
Hersteller: BOSCH
Artikelnummer: EB-0601001735-3604460555
Netto: 10,62 € zzgl. MwSt.
zzgl. 6,90 € Versand (brutto)
einmalig pro Bestellung

Lieferzeit: 5 Werktage

Pos.
6
BOSCH Tülle Ø11,6-Ø12,5x84 MM | Ersatzteile für B6100 | 2600707060
Hersteller: BOSCH
Artikelnummer: EB-0601001735-2600707060
nur Informationsartikel
Nie mehr lieferbar
keine Alternativen
Pos.
7
BOSCH Leitungshalter | Ersatzteile für B6100 | 2601035001
Hersteller: BOSCH
Artikelnummer: EB-0601001735-2601035001
Netto: 3,94 € zzgl. MwSt.
zzgl. 6,90 € Versand (brutto)
einmalig pro Bestellung

Lieferzeit: 5 Werktage

Pos.
9
BOSCH Firmenschild | Ersatzteile für B6100 | 2610906801
Hersteller: BOSCH
Artikelnummer: EB-0601001735-2610906801
Netto: 5,21 € zzgl. MwSt.
zzgl. 6,90 € Versand (brutto)
einmalig pro Bestellung

Lieferzeit: 5 Werktage

Pos.
13
BOSCH Kugellager 7x22x7 | Ersatzteile für B6100 | 1900905018
Hersteller: BOSCH
Artikelnummer: EB-0601001735-1900905018
Netto: 15,15 € zzgl. MwSt.
zzgl. 6,90 € Versand (brutto)
einmalig pro Bestellung

Lieferzeit: 5 Werktage

Pos.
14
BOSCH Rillenkugellager 7x22x7 | Ersatzteile für B6100 | 2600905018
Hersteller: BOSCH
Artikelnummer: EB-0601001735-2600905018
nur Informationsartikel
Nie mehr lieferbar
keine Alternativen
Pos.
16
BOSCH Bürstenhalter | Ersatzteile für B6100 | 2604337003
Hersteller: BOSCH
Artikelnummer: EB-0601001735-2604337003
Netto: 4,36 € zzgl. MwSt.
zzgl. 6,90 € Versand (brutto)
einmalig pro Bestellung

Lieferzeit: 5 Werktage

Pos.
18
BOSCH Zylinderschraube M3x6,5-4.8 | Ersatzteile für B6100 | 2603410001
Hersteller: BOSCH
Artikelnummer: EB-0601001735-2603410001
Netto: 3,94 € zzgl. MwSt.
zzgl. 6,90 € Versand (brutto)
einmalig pro Bestellung

Lieferzeit: 5 Werktage

Pos.
19
BOSCH Blechschraube DIN 7981-ST3,9x16-C-H | Ersatzteile für B6100 | 2910611019
Hersteller: BOSCH
Artikelnummer: EB-0601001735-2910611019
nur Informationsartikel
Nie mehr lieferbar
keine Alternativen
Pos.
20
BOSCH Hinweisschild | Ersatzteile für B6100 | 3601119825
Hersteller: BOSCH
Artikelnummer: EB-0601001735-3601119825
Netto: 5,21 € zzgl. MwSt.
zzgl. 6,90 € Versand (brutto)
einmalig pro Bestellung

Lieferzeit: 5 Werktage

Pos.
26
BOSCH Torx-Linsenschraube 4x30 | Ersatzteile für B6100 | 2603490025
Hersteller: BOSCH
Artikelnummer: EB-0601001735-2603490025
Netto: 3,60 € zzgl. MwSt.
zzgl. 6,90 € Versand (brutto)
einmalig pro Bestellung

Lieferzeit: 5 Werktage

Pos.
29
BOSCH Abdeckscheibe | Ersatzteile für B6100 | 3600590505
Hersteller: BOSCH
Artikelnummer: EB-0601001735-3600590505
Netto: 3,94 € zzgl. MwSt.
zzgl. 6,90 € Versand (brutto)
einmalig pro Bestellung

Lieferzeit: 5 Werktage

Pos.
30
BOSCH Gummipuffer | Ersatzteile für B6100 | 3602391503
Hersteller: BOSCH
Artikelnummer: EB-0601001735-3602391503
nur Informationsartikel
Nie mehr lieferbar
keine Alternativen
Pos.
35
BOSCH Flachkopfschraube | Ersatzteile für B6100 | 3603430506
Hersteller: BOSCH
Artikelnummer: EB-0601001735-3603430506
nur Informationsartikel
Nie mehr lieferbar
keine Alternativen
Pos.
36
BOSCH Bohrfutter 3/8" | Ersatzteile für B6100 | 2610358035
Hersteller: BOSCH
Artikelnummer: EB-0601001735-2610358035
nur Informationsartikel
Nie mehr lieferbar
keine Alternativen
Pos.
37
BOSCH Gewindefurchschraube M4x8 | Ersatzteile für B6100 | 2603410048
Hersteller: BOSCH
Artikelnummer: EB-0601001735-2603410048
Netto: 3,94 € zzgl. MwSt.
zzgl. 6,90 € Versand (brutto)
einmalig pro Bestellung

Lieferzeit: 5 Werktage

Pos.
38
BOSCH Blechschraube DIN 7981-ST3,9x25C-H | Ersatzteile für B6100 | 2910615022
Hersteller: BOSCH
Artikelnummer: EB-0601001735-2910615022
nur Informationsartikel
Nie mehr lieferbar
keine Alternativen
Pos.
40
BOSCH Verbindungskabel L=110 MM WEISS | Ersatzteile für B6100 | 2604448146
Hersteller: BOSCH
Artikelnummer: EB-0601001735-2604448146
Netto: 3,94 € zzgl. MwSt.
zzgl. 6,90 € Versand (brutto)
einmalig pro Bestellung

Lieferzeit: 5 Werktage

Pos.
41
BOSCH Flachdichtring | Ersatzteile für B6100 | 3601016502
Hersteller: BOSCH
Artikelnummer: EB-0601001735-3601016502
nur Informationsartikel
Nie mehr lieferbar
keine Alternativen
Pos.
44
BOSCH Distanzscheibe | Ersatzteile für B6100 | 3600102505
Hersteller: BOSCH
Artikelnummer: EB-0601001735-3600102505
nur Informationsartikel
Nie mehr lieferbar
keine Alternativen
Pos.
49
BOSCH Nadelbüchse | Ersatzteile für B6100 | 3600910505
Hersteller: BOSCH
Artikelnummer: EB-0601001735-3600910505
nur Informationsartikel
Nie mehr lieferbar
keine Alternativen
Pos.
50
BOSCH Nadelhülse Ø6/12 MM | Ersatzteile für B6100 | 2600914017
Hersteller: BOSCH
Artikelnummer: EB-0601001735-2600914017
nur Informationsartikel
Nie mehr lieferbar
keine Alternativen
Pos.
52
BOSCH Torx-Linsenschraube 3x10 | Ersatzteile für B6100 | 2603490017
Hersteller: BOSCH
Artikelnummer: EB-0601001735-2603490017
nur Informationsartikel
Nie mehr lieferbar
keine Alternativen
Pos.
53
BOSCH Verbindungsleitung L=78 MM WEISS | Ersatzteile für B6100 | 2604448137
Hersteller: BOSCH
Artikelnummer: EB-0601001735-2604448137
nur Informationsartikel
Nie mehr lieferbar
keine Alternativen
Pos.
54
BOSCH Verbindungskabel L=68 MM WEISS | Ersatzteile für B6100 | 2604448100
Hersteller: BOSCH
Artikelnummer: EB-0601001735-2604448100
Netto: 3,60 € zzgl. MwSt.
zzgl. 6,90 € Versand (brutto)
einmalig pro Bestellung

Lieferzeit: 5 Werktage

Pos.
57
BOSCH Verbindungsleitung L=63 MM WEISS | Ersatzteile für B6100 | 2604448104
Hersteller: BOSCH
Artikelnummer: EB-0601001735-2604448104
Netto: 3,94 € zzgl. MwSt.
zzgl. 6,90 € Versand (brutto)
einmalig pro Bestellung

Lieferzeit: 5 Werktage

Pos.
58
BOSCH Umschalter | Ersatzteile für B6100 | 2607200231
Hersteller: BOSCH
Artikelnummer: EB-0601001735-2607200231
Netto: 13,81 € zzgl. MwSt.
zzgl. 6,90 € Versand (brutto)
einmalig pro Bestellung

Lieferzeit: 5 Werktage

Pos.
61
BOSCH Ausgleichscheibe 0,3 MM | Ersatzteile für B6100 | 2600100607
Hersteller: BOSCH
Artikelnummer: EB-0601001735-2600100607
Netto: 3,94 € zzgl. MwSt.
zzgl. 6,90 € Versand (brutto)
einmalig pro Bestellung

Lieferzeit: 5 Werktage

Pos.
66
BOSCH Schlüssel | Ersatzteile für B6100 | 2610308333
Hersteller: BOSCH
Artikelnummer: EB-0601001735-2610308333
nur Informationsartikel
Nie mehr lieferbar
keine Alternativen
Pos.
99
BOSCH Sicherungsscheibe | Ersatzteile für B6100 | 3600171504
Hersteller: BOSCH
Artikelnummer: EB-0601001735-3600171504
nur Informationsartikel
Nie mehr lieferbar
keine Alternativen
Pos.
801
BOSCH Motorgehäuse DUNKELBLAU | Ersatzteile für B6100 | 3605108557
Hersteller: BOSCH
Artikelnummer: EB-0601001735-3605108557
Netto: 20,80 € zzgl. MwSt.
zzgl. 6,90 € Versand (brutto)
einmalig pro Bestellung

Lieferzeit: 5 Werktage

Pos.
802
BOSCH Polschuh 115V | Ersatzteile für B6100 | 2610910309
Hersteller: BOSCH
Artikelnummer: EB-0601001735-2610910309
Netto: 18,86 € zzgl. MwSt.
zzgl. 6,90 € Versand (brutto)
einmalig pro Bestellung

Lieferzeit: 5 Werktage

Pos.
803
BOSCH Anker 115V | Ersatzteile für B6100 | 2610910307
Hersteller: BOSCH
Artikelnummer: EB-0601001735-2610910307
Netto: 42,08 € zzgl. MwSt.
zzgl. 6,90 € Versand (brutto)
einmalig pro Bestellung

Lieferzeit: 5 Werktage

Pos.
804
BOSCH Ein/Aus-Schalter | Ersatzteile für B6100 | 2610994891
Hersteller: BOSCH
Artikelnummer: EB-0601001735-2610994891
nur Informationsartikel
Nie mehr lieferbar
keine Alternativen
Pos.
808
BOSCH Typschild | Ersatzteile für B6100 | 3601119718
Hersteller: BOSCH
Artikelnummer: EB-0601001735-3601119718
nur Informationsartikel
Nie mehr lieferbar
keine Alternativen
Pos.
810
BOSCH Kohlebürstensatz | Ersatzteile für B6100 | 2604321914
Hersteller: BOSCH
Artikelnummer: EB-0601001735-2604321914
nur Informationsartikel
Nie mehr lieferbar
keine Alternativen
Pos.
825
BOSCH Getriebegehäuse SCHWARZ | Ersatzteile für B6100 | 3605190514
Hersteller: BOSCH
Artikelnummer: EB-0601001735-3605190514
Netto: 32,85 € zzgl. MwSt.
zzgl. 6,90 € Versand (brutto)
einmalig pro Bestellung

Lieferzeit: 5 Werktage

Pos.
828
BOSCH Lagerbrücke | Ersatzteile für B6100 | 3605806537
Hersteller: BOSCH
Artikelnummer: EB-0601001735-3605806537
Netto: 23,72 € zzgl. MwSt.
zzgl. 6,90 € Versand (brutto)
einmalig pro Bestellung

Lieferzeit: 5 Werktage

Pos.
839
BOSCH Gehäusedeckel DUNKELBLAU | Ersatzteile für B6100 | 3605133521
Hersteller: BOSCH
Artikelnummer: EB-0601001735-3605133521
Netto: 8,23 € zzgl. MwSt.
zzgl. 6,90 € Versand (brutto)
einmalig pro Bestellung

Lieferzeit: 5 Werktage

Pos.
846
BOSCH Stirnradgetriebe | Ersatzteile für B6100 | 3606120552
Hersteller: BOSCH
Artikelnummer: EB-0601001735-3606120552
nur Informationsartikel
Nie mehr lieferbar
keine Alternativen
Pos.
847
BOSCH Getriebewelle | Ersatzteile für B6100 | 3606319519
Hersteller: BOSCH
Artikelnummer: EB-0601001735-3606319519
Netto: 24,19 € zzgl. MwSt.
zzgl. 6,90 € Versand (brutto)
einmalig pro Bestellung

Lieferzeit: 5 Werktage

Angaben zur Produktsicherheit

Hersteller:
Robert Bosch Power Tools GmbH
Postfach 30 02 20
70442 Stuttgart

E-Mail:
kontakt@bosch.de