BOSCH Dämpfungsgummi | Ersatzteile für B7001 | 2603100056

Artikelnummer: EB-0603307735-2603100056

Position: 38

Marke: BOSCH


Bitte Kompatibilität prüfen!

Bitte prüfen Sie unbedingt die 10-stellige Typennummer Ihrer Maschine / Ihres Gerätes. Das Ersatzteil ist nur kompatibel, wenn Sie die Typennummer Ihrer Maschine in der unten stehenden Produktbeschreibung finden.

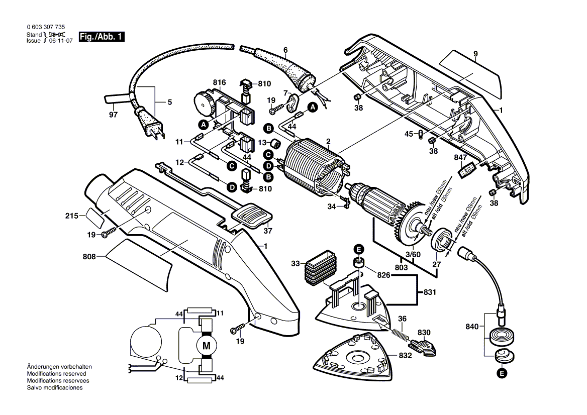
Bitte prüfen Sie ebenfalls detailliert die Explosionszeichnung mit Ihrem Artikelwunsch und der jeweiligen Pos-Nummer.

Alle Elemente, welche vom schwarzen Strich der Pos-Nummer ausgehend berührt / erfasst werden, gehören zu dieser Pos-Nummer und somit zu diesem Artikel. Jede Pos-Nummer ist ein eigenständiger Artikel, welchen Sie in der Auflistung finden.

Sie erhalten stets die aktuellste, neueste Produktversion zu der gewählten Pos-Nummer seitens des Herstellers. Es kann daher je nach Gerätealter vorkommen, dass Sie ggf. weitere, zugehörige Elemente, welche an diese Pos-Nummer grenzen, ebenfalls mittauschen müssen.

Nähere Informationen finden Sie unter dem Link
Hinweise zu Ihrer BOSCH Ersatzteilsuche

Preisübersicht

Einzelpreis: 3,94 €* (Brutto: 4,69 €)
Gesamtpreis: 3,94 €* 
Position:

Lieferzeit: 5 Werktage


Beschreibung

  • Dämpfungsgummi
  • Original Bosch Zubehör / BOSCH Ersatzteil (2603100056)
  • im Gerät verbaut: 1
Dieses BOSCH Ersatzteil ist mit folgendem Gerät und Modell kompatibel:
  • BOSCH Gerätename: B7001
  • BOSCH Explosionszeichnung: Position 38
  • BOSCH Typennummer: 0603307735
  • BOSCH Typennummer alternative Schreibweisen: 0 603 307 735, 0603 307 735, 0.603.307.735, 0-603-307-735
    Bitte prüfen Sie diese Typennummer auf Ihrem Gerät um die Kompatibilität des BOSCH Ersatzteils zu gewährleisten.
Weitere BOSCH Ersatzteile des Gerätes B7001 (Deltaschleifer) mit der Typennummer 0603307735 finden Sie in der nachfolgenden Darstellung und im Dropdown zu Ihrer Auswahl:

Pos.
1
BOSCH Gehäuseschale BLAU | Ersatzteile für B7001 | 2605104505
Hersteller: BOSCH
Artikelnummer: EB-0603307735-2605104505
nur Informationsartikel
Nie mehr lieferbar
keine Alternativen
Pos.
3/60
BOSCH Lüfter | Ersatzteile für B7001 | 2606610084
Hersteller: BOSCH
Artikelnummer: EB-0603307735-2606610084
nur Informationsartikel
Nie mehr lieferbar
keine Alternativen
Pos.
2
BOSCH Polschuh 115V | Ersatzteile für B7001 | 2604220517
Hersteller: BOSCH
Artikelnummer: EB-0603307735-2604220517
nur Informationsartikel
Nie mehr lieferbar
keine Alternativen
Pos.
5
BOSCH Netzanschlussleitung USA/CDN 2,68m 2 x 082mm SJ 18/2 | Ersatzteile für B7001 | 2604460187
Hersteller: BOSCH
Artikelnummer: EB-0603307735-2604460187
Netto: 12,50 € zzgl. MwSt.
zzgl. 6,90 € Versand (brutto)
einmalig pro Bestellung

Lieferzeit: 5 Werktage

Pos.
6
BOSCH Tülle Ø7,3-Ø8,6x76 MM | Ersatzteile für B7001 | 2600703018
Hersteller: BOSCH
Artikelnummer: EB-0603307735-2600703018
nur Informationsartikel
Nie mehr lieferbar
keine Alternativen
Pos.
7
BOSCH Leitungshalter | Ersatzteile für B7001 | 2601035001
Hersteller: BOSCH
Artikelnummer: EB-0603307735-2601035001
Netto: 3,94 € zzgl. MwSt.
zzgl. 6,90 € Versand (brutto)
einmalig pro Bestellung

Lieferzeit: 5 Werktage

Pos.
9
BOSCH Firmenschild SONNENSEITE | Ersatzteile für B7001 | 2610909853
Hersteller: BOSCH
Artikelnummer: EB-0603307735-2610909853
nur Informationsartikel
Nie mehr lieferbar
keine Alternativen
Pos.
11
BOSCH Verbindungsleitung L = 37 MM WEISS | Ersatzteile für B7001 | 2604448178
Hersteller: BOSCH
Artikelnummer: EB-0603307735-2604448178
nur Informationsartikel
Nie mehr lieferbar
keine Alternativen
Pos.
13
BOSCH Nadelhülse | Ersatzteile für B7001 | 2600917002
Hersteller: BOSCH
Artikelnummer: EB-0603307735-2600917002
Netto: 5,17 € zzgl. MwSt.
zzgl. 6,90 € Versand (brutto)
einmalig pro Bestellung

Lieferzeit: 5 Werktage

Pos.
19
BOSCH Schraube 4x16 | Ersatzteile für B7001 | 2603490022
Hersteller: BOSCH
Artikelnummer: EB-0603307735-2603490022
Netto: 3,60 € zzgl. MwSt.
zzgl. 6,90 € Versand (brutto)
einmalig pro Bestellung

Lieferzeit: 5 Werktage

Pos.
27
BOSCH Rillenkugellager 8x24x7 | Ersatzteile für B7001 | 2600905060
Hersteller: BOSCH
Artikelnummer: EB-0603307735-2600905060
nur Informationsartikel
Nie mehr lieferbar
keine Alternativen
Pos.
33
BOSCH Verbindungsschlauch | Ersatzteile für B7001 | 2600712003
Hersteller: BOSCH
Artikelnummer: EB-0603307735-2600712003
nur Informationsartikel
Nie mehr lieferbar
keine Alternativen
Pos.
34
BOSCH Kontaktfeder | Ersatzteile für B7001 | 2601329037
Hersteller: BOSCH
Artikelnummer: EB-0603307735-2601329037
Netto: 3,94 € zzgl. MwSt.
zzgl. 6,90 € Versand (brutto)
einmalig pro Bestellung

Lieferzeit: 5 Werktage

Pos.
36
BOSCH Druckfeder | Ersatzteile für B7001 | 2604610034
Hersteller: BOSCH
Artikelnummer: EB-0603307735-2604610034
nur Informationsartikel
Nie mehr lieferbar
keine Alternativen
Pos.
37
BOSCH Schaltschieber | Ersatzteile für B7001 | 2602319008
Hersteller: BOSCH
Artikelnummer: EB-0603307735-2602319008
nur Informationsartikel
Nie mehr lieferbar
keine Alternativen
Pos.
38
BOSCH Dämpfungsgummi | Ersatzteile für B7001 | 2603100056
Hersteller: BOSCH
Artikelnummer: EB-0603307735-2603100056
Netto: 3,94 € zzgl. MwSt.
zzgl. 6,90 € Versand (brutto)
einmalig pro Bestellung

Lieferzeit: 5 Werktage

Pos.
44
BOSCH Verbindungsleitung L=88 MM WEISS | Ersatzteile für B7001 | 2604448034
Hersteller: BOSCH
Artikelnummer: EB-0603307735-2604448034
Netto: 3,94 € zzgl. MwSt.
zzgl. 6,90 € Versand (brutto)
einmalig pro Bestellung

Lieferzeit: 5 Werktage

Pos.
45
BOSCH Druckstück | Ersatzteile für B7001 | 2600590010
Hersteller: BOSCH
Artikelnummer: EB-0603307735-2600590010
nur Informationsartikel
Nie mehr lieferbar
keine Alternativen
Pos.
97
BOSCH Hinweisschild ACHTUNG | Ersatzteile für B7001 | 2610904501
Hersteller: BOSCH
Artikelnummer: EB-0603307735-2610904501
Netto: 1,61 € zzgl. MwSt.
zzgl. 6,90 € Versand (brutto)
einmalig pro Bestellung

Lieferzeit: 5 Werktage

Pos.
215
BOSCH Hinweisschild | Ersatzteile für B7001 | 2601118558
Hersteller: BOSCH
Artikelnummer: EB-0603307735-2601118558
nur Informationsartikel
Nie mehr lieferbar
keine Alternativen
Pos.
803
BOSCH Anker 115V | Ersatzteile für B7001 | 2604010930
Hersteller: BOSCH
Artikelnummer: EB-0603307735-2604010930
nur Informationsartikel
Nie mehr lieferbar
keine Alternativen
Pos.
808
BOSCH Typschild | Ersatzteile für B7001 | 160111A3H3
Hersteller: BOSCH
Artikelnummer: EB-0603307735-160111A3H3
Netto: 4,56 € zzgl. MwSt.
zzgl. 6,90 € Versand (brutto)
einmalig pro Bestellung

Lieferzeit: 5 Werktage

Pos.
810
BOSCH Kohlebürstensatz | Ersatzteile für B7001 | 2607014010
Hersteller: BOSCH
Artikelnummer: EB-0603307735-2607014010
nur Informationsartikel
Nie mehr lieferbar
keine Alternativen
Pos.
816
BOSCH Drehzahlregler 100-120V | Ersatzteile für B7001 | 2607233016
Hersteller: BOSCH
Artikelnummer: EB-0603307735-2607233016
nur Informationsartikel
Nie mehr lieferbar
keine Alternativen
Pos.
826
BOSCH Nadellager | Ersatzteile für B7001 | 2600917007
Hersteller: BOSCH
Artikelnummer: EB-0603307735-2600917007
nur Informationsartikel
Nie mehr lieferbar
keine Alternativen
Pos.
830
BOSCH Rastenscheibe | Ersatzteile für B7001 | 2608000152
Hersteller: BOSCH
Artikelnummer: EB-0603307735-2608000152
nur Informationsartikel
Nie mehr lieferbar
keine Alternativen
Pos.
831
BOSCH Grundplatte | Ersatzteile für B7001 | 2601098901
Hersteller: BOSCH
Artikelnummer: EB-0603307735-2601098901
nur Informationsartikel
Nie mehr lieferbar
keine Alternativen
Pos.
832
BOSCH Schleifplatte SCHWARZ | Ersatzteile für B7001 | 2608000143
Hersteller: BOSCH
Artikelnummer: EB-0603307735-2608000143
nur Informationsartikel
Nie mehr lieferbar
keine Alternativen
Pos.
840
BOSCH Biegsame Welle | Ersatzteile für B7001 | 2603010002
Hersteller: BOSCH
Artikelnummer: EB-0603307735-2603010002
nur Informationsartikel
Nie mehr lieferbar
keine Alternativen
Pos.
847
BOSCH Stützring | Ersatzteile für B7001 | 2608005068
Hersteller: BOSCH
Artikelnummer: EB-0603307735-2608005068
nur Informationsartikel
Nie mehr lieferbar
keine Alternativen

Angaben zur Produktsicherheit

Hersteller:
Robert Bosch Power Tools GmbH
Postfach 30 02 20
70442 Stuttgart

E-Mail:
kontakt@bosch.de