BOSCH Verbindungsleitung L=213 MM BLAU | Ersatzteile für B7150 | 2604448118

Artikelnummer: EB-0603285135-2604448118

Position: 43

Marke: BOSCH


Bitte Kompatibilität prüfen!

Bitte prüfen Sie unbedingt die 10-stellige Typennummer Ihrer Maschine / Ihres Gerätes. Das Ersatzteil ist nur kompatibel, wenn Sie die Typennummer Ihrer Maschine in der unten stehenden Produktbeschreibung finden.

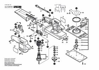
Bitte prüfen Sie ebenfalls detailliert die Explosionszeichnung mit Ihrem Artikelwunsch und der jeweiligen Pos-Nummer.

Alle Elemente, welche vom schwarzen Strich der Pos-Nummer ausgehend berührt / erfasst werden, gehören zu dieser Pos-Nummer und somit zu diesem Artikel. Jede Pos-Nummer ist ein eigenständiger Artikel, welchen Sie in der Auflistung finden.

Sie erhalten stets die aktuellste, neueste Produktversion zu der gewählten Pos-Nummer seitens des Herstellers. Es kann daher je nach Gerätealter vorkommen, dass Sie ggf. weitere, zugehörige Elemente, welche an diese Pos-Nummer grenzen, ebenfalls mittauschen müssen.

Nähere Informationen finden Sie unter dem Link
Hinweise zu Ihrer BOSCH Ersatzteilsuche

Preisübersicht

Einzelpreis: 3,94 €* (Brutto: 4,69 €)
Gesamtpreis: 3,94 €* 
Position:

Lieferzeit: 5 Werktage


Beschreibung

  • Verbindungsleitung L=213 MM BLAU
  • Original Bosch Zubehör / BOSCH Ersatzteil (2604448118)
  • im Gerät verbaut: 1
Dieses BOSCH Ersatzteil ist mit folgendem Gerät und Modell kompatibel:
  • BOSCH Gerätename: B7150
  • BOSCH Explosionszeichnung: Position 43
  • BOSCH Typennummer: 0603285135
  • BOSCH Typennummer alternative Schreibweisen: 0 603 285 135, 0603 285 135, 0.603.285.135, 0-603-285-135
    Bitte prüfen Sie diese Typennummer auf Ihrem Gerät um die Kompatibilität des BOSCH Ersatzteils zu gewährleisten.
Weitere BOSCH Ersatzteile des Gerätes B7150 (Schwingschleifer) mit der Typennummer 0603285135 finden Sie in der nachfolgenden Darstellung und im Dropdown zu Ihrer Auswahl:

Pos.
1
BOSCH Gehäuseschale BLAU | Ersatzteile für B7150 | 2605104543
Hersteller: BOSCH
Artikelnummer: EB-0603285135-2605104543
nur Informationsartikel
Nie mehr lieferbar
keine Alternativen
Pos.
3/50
BOSCH Lüfter | Ersatzteile für B7150 | 2606610062
Hersteller: BOSCH
Artikelnummer: EB-0603285135-2606610062
nur Informationsartikel
Nie mehr lieferbar
keine Alternativen
Pos.
816/04
BOSCH Kohlebürstensatz | Ersatzteile für B7150 | 2604321905
Hersteller: BOSCH
Artikelnummer: EB-0603285135-2604321905
Netto: 9,75 € zzgl. MwSt.
zzgl. 6,90 € Versand (brutto)
einmalig pro Bestellung

Lieferzeit: 5 Werktage

Pos.
816/06
BOSCH Rastkappe | Ersatzteile für B7150 | 2601322013
Hersteller: BOSCH
Artikelnummer: EB-0603285135-2601322013
Netto: 3,94 € zzgl. MwSt.
zzgl. 6,90 € Versand (brutto)
einmalig pro Bestellung

Lieferzeit: 5 Werktage

Pos.
2
BOSCH Polschuh 115V | Ersatzteile für B7150 | 2604220486
Hersteller: BOSCH
Artikelnummer: EB-0603285135-2604220486
nur Informationsartikel
Nie mehr lieferbar
keine Alternativen
Pos.
3
BOSCH Anker 115-120V | Ersatzteile für B7150 | 2604011056
Hersteller: BOSCH
Artikelnummer: EB-0603285135-2604011056
nur Informationsartikel
Nie mehr lieferbar
keine Alternativen
Pos.
4
BOSCH Ein/Aus-Schalter | Ersatzteile für B7150 | 2607200362
Hersteller: BOSCH
Artikelnummer: EB-0603285135-2607200362
nur Informationsartikel
Nie mehr lieferbar
keine Alternativen
Pos.
5
BOSCH Netzanschlussleitung USA/CDN 2,68m 2 x 082mm SJ 18/2 | Ersatzteile für B7150 | 2604460187
Hersteller: BOSCH
Artikelnummer: EB-0603285135-2604460187
Netto: 12,50 € zzgl. MwSt.
zzgl. 6,90 € Versand (brutto)
einmalig pro Bestellung

Lieferzeit: 5 Werktage

Pos.
6
BOSCH Tülle Ø8,2 MM | Ersatzteile für B7150 | 2600703008
Hersteller: BOSCH
Artikelnummer: EB-0603285135-2600703008
nur Informationsartikel
Nie mehr lieferbar
keine Alternativen
Pos.
7
BOSCH Leitungshalter | Ersatzteile für B7150 | 2601035001
Hersteller: BOSCH
Artikelnummer: EB-0603285135-2601035001
Netto: 3,94 € zzgl. MwSt.
zzgl. 6,90 € Versand (brutto)
einmalig pro Bestellung

Lieferzeit: 5 Werktage

Pos.
9
BOSCH Firmenschild SONNENSEITE | Ersatzteile für B7150 | 2601118490
Hersteller: BOSCH
Artikelnummer: EB-0603285135-2601118490
nur Informationsartikel
Nie mehr lieferbar
keine Alternativen
Pos.
13
BOSCH Rillenkugellager 7x19x6 | Ersatzteile für B7150 | 1900905044
Hersteller: BOSCH
Artikelnummer: EB-0603285135-1900905044
Netto: 7,66 € zzgl. MwSt.
zzgl. 6,90 € Versand (brutto)
einmalig pro Bestellung

Lieferzeit: 5 Werktage

Pos.
14
BOSCH Rillenkugellager 8x22x7 | Ersatzteile für B7150 | 1900905041
Hersteller: BOSCH
Artikelnummer: EB-0603285135-1900905041
Netto: 11,58 € zzgl. MwSt.
zzgl. 6,90 € Versand (brutto)
einmalig pro Bestellung

Lieferzeit: 5 Werktage

Pos.
16
BOSCH Bürstenplatte | Ersatzteile für B7150 | 2604337122
Hersteller: BOSCH
Artikelnummer: EB-0603285135-2604337122
nur Informationsartikel
Nie mehr lieferbar
keine Alternativen
Pos.
18
BOSCH Zylinderschraube M3x6,5-4.8 | Ersatzteile für B7150 | 2603410001
Hersteller: BOSCH
Artikelnummer: EB-0603285135-2603410001
Netto: 3,94 € zzgl. MwSt.
zzgl. 6,90 € Versand (brutto)
einmalig pro Bestellung

Lieferzeit: 5 Werktage

Pos.
19
BOSCH Schraube 4x16 | Ersatzteile für B7150 | 2603490022
Hersteller: BOSCH
Artikelnummer: EB-0603285135-2603490022
Netto: 3,60 € zzgl. MwSt.
zzgl. 6,90 € Versand (brutto)
einmalig pro Bestellung

Lieferzeit: 5 Werktage

Pos.
20
BOSCH Hinweisschild SCHATTENSEITE | Ersatzteile für B7150 | 2601118491
Hersteller: BOSCH
Artikelnummer: EB-0603285135-2601118491
nur Informationsartikel
Nie mehr lieferbar
keine Alternativen
Pos.
25
BOSCH Rillenkugellager 15x32x9 | Ersatzteile für B7150 | 2600905068
Hersteller: BOSCH
Artikelnummer: EB-0603285135-2600905068
nur Informationsartikel
Nie mehr lieferbar
keine Alternativen
Pos.
26
BOSCH Exzenterscheibe | Ersatzteile für B7150 | 2600499037
Hersteller: BOSCH
Artikelnummer: EB-0603285135-2600499037
nur Informationsartikel
Nie mehr lieferbar
keine Alternativen
Pos.
27
BOSCH Rundgummi | Ersatzteile für B7150 | 2603100050
Hersteller: BOSCH
Artikelnummer: EB-0603285135-2603100050
nur Informationsartikel
Nie mehr lieferbar
keine Alternativen
Pos.
30
BOSCH Spannhebel | Ersatzteile für B7150 | 2601923007
Hersteller: BOSCH
Artikelnummer: EB-0603285135-2601923007
Netto: 4,76 € zzgl. MwSt.
zzgl. 6,90 € Versand (brutto)
einmalig pro Bestellung

Lieferzeit: 5 Werktage

Pos.
31
BOSCH Anpressleiste | Ersatzteile für B7150 | 2601099030
Hersteller: BOSCH
Artikelnummer: EB-0603285135-2601099030
nur Informationsartikel
Nie mehr lieferbar
keine Alternativen
Pos.
32
BOSCH O-Ring 5,0x1,5 MM | Ersatzteile für B7150 | 1900210000
Hersteller: BOSCH
Artikelnummer: EB-0603285135-1900210000
Netto: 3,94 € zzgl. MwSt.
zzgl. 6,90 € Versand (brutto)
einmalig pro Bestellung

Lieferzeit: 5 Werktage

Pos.
33
BOSCH Sechskantmutter DIN 985-M6-8 | Ersatzteile für B7150 | 2603300013
Hersteller: BOSCH
Artikelnummer: EB-0603285135-2603300013
nur Informationsartikel
Nie mehr lieferbar
keine Alternativen
Pos.
34
BOSCH Torx-Linsenschraube 3X18 | Ersatzteile für B7150 | 2603490018
Hersteller: BOSCH
Artikelnummer: EB-0603285135-2603490018
Netto: 3,60 € zzgl. MwSt.
zzgl. 6,90 € Versand (brutto)
einmalig pro Bestellung

Lieferzeit: 5 Werktage

Pos.
35
BOSCH Gewindefurchschraube M4x8 | Ersatzteile für B7150 | 2603410048
Hersteller: BOSCH
Artikelnummer: EB-0603285135-2603410048
Netto: 3,94 € zzgl. MwSt.
zzgl. 6,90 € Versand (brutto)
einmalig pro Bestellung

Lieferzeit: 5 Werktage

Pos.
36
BOSCH Abdeckblech | Ersatzteile für B7150 | 2600034004
Hersteller: BOSCH
Artikelnummer: EB-0603285135-2600034004
nur Informationsartikel
Nie mehr lieferbar
keine Alternativen
Pos.
37
BOSCH Anschlussstutzen | Ersatzteile für B7150 | 2605702018
Hersteller: BOSCH
Artikelnummer: EB-0603285135-2605702018
nur Informationsartikel
Nie mehr lieferbar
keine Alternativen
Pos.
38
BOSCH Torx-Linsenschraube 4x8 | Ersatzteile für B7150 | 2603490020
Hersteller: BOSCH
Artikelnummer: EB-0603285135-2603490020
Netto: 3,60 € zzgl. MwSt.
zzgl. 6,90 € Versand (brutto)
einmalig pro Bestellung

Lieferzeit: 5 Werktage

Pos.
39
BOSCH Lüfter | Ersatzteile für B7150 | 2606610026
Hersteller: BOSCH
Artikelnummer: EB-0603285135-2606610026
nur Informationsartikel
Nie mehr lieferbar
keine Alternativen
Pos.
40
BOSCH Federring DIN 127-A6-FST | Ersatzteile für B7150 | 2916680033
Hersteller: BOSCH
Artikelnummer: EB-0603285135-2916680033
nur Informationsartikel
Nie mehr lieferbar
keine Alternativen
Pos.
42
BOSCH Elektr Leitung L=98 MM SCHWARZ | Ersatzteile für B7150 | 2604448045
Hersteller: BOSCH
Artikelnummer: EB-0603285135-2604448045
nur Informationsartikel
Nie mehr lieferbar
keine Alternativen
Pos.
43
BOSCH Verbindungsleitung L=213 MM BLAU | Ersatzteile für B7150 | 2604448118
Hersteller: BOSCH
Artikelnummer: EB-0603285135-2604448118
Netto: 3,94 € zzgl. MwSt.
zzgl. 6,90 € Versand (brutto)
einmalig pro Bestellung

Lieferzeit: 5 Werktage

Pos.
44
BOSCH Dämmplatte | Ersatzteile für B7150 | 2601022000
Hersteller: BOSCH
Artikelnummer: EB-0603285135-2601022000
nur Informationsartikel
Nie mehr lieferbar
keine Alternativen
Pos.
45
BOSCH Schenkelfeder | Ersatzteile für B7150 | 2604651008
Hersteller: BOSCH
Artikelnummer: EB-0603285135-2604651008
nur Informationsartikel
Nie mehr lieferbar
keine Alternativen
Pos.
46
BOSCH Distanzhülse | Ersatzteile für B7150 | 2600320018
Hersteller: BOSCH
Artikelnummer: EB-0603285135-2600320018
nur Informationsartikel
Nie mehr lieferbar
keine Alternativen
Pos.
47
BOSCH Filzstreifen | Ersatzteile für B7150 | 2601005014
Hersteller: BOSCH
Artikelnummer: EB-0603285135-2601005014
nur Informationsartikel
Nie mehr lieferbar
keine Alternativen
Pos.
49
BOSCH Verbindungsleitung L=115 MM WEISS | Ersatzteile für B7150 | 2604448109
Hersteller: BOSCH
Artikelnummer: EB-0603285135-2604448109
Netto: 3,60 € zzgl. MwSt.
zzgl. 6,90 € Versand (brutto)
einmalig pro Bestellung

Lieferzeit: 5 Werktage

Pos.
50
BOSCH Spiralfeder | Ersatzteile für B7150 | 1604652004
Hersteller: BOSCH
Artikelnummer: EB-0603285135-1604652004
Netto: 4,56 € zzgl. MwSt.
zzgl. 6,90 € Versand (brutto)
einmalig pro Bestellung

Lieferzeit: 5 Werktage

Pos.
52
BOSCH Splint | Ersatzteile für B7150 | 2604681001
Hersteller: BOSCH
Artikelnummer: EB-0603285135-2604681001
nur Informationsartikel
Nie mehr lieferbar
keine Alternativen
Pos.
53
BOSCH Schalthebel GELB | Ersatzteile für B7150 | 2602010002
Hersteller: BOSCH
Artikelnummer: EB-0603285135-2602010002
nur Informationsartikel
Nie mehr lieferbar
keine Alternativen
Pos.
54
BOSCH Zylinderrolle | Ersatzteile für B7150 | 2603200022
Hersteller: BOSCH
Artikelnummer: EB-0603285135-2603200022
nur Informationsartikel
Nie mehr lieferbar
keine Alternativen
Pos.
55
BOSCH O-Ring 65,7x1,78 MM | Ersatzteile für B7150 | 2600210042
Hersteller: BOSCH
Artikelnummer: EB-0603285135-2600210042
nur Informationsartikel
Nie mehr lieferbar
keine Alternativen
Pos.
56
BOSCH Torx-Linsenschraube 4x25 | Ersatzteile für B7150 | 2603490024
Hersteller: BOSCH
Artikelnummer: EB-0603285135-2603490024
Netto: 3,94 € zzgl. MwSt.
zzgl. 6,90 € Versand (brutto)
einmalig pro Bestellung

Lieferzeit: 5 Werktage

Pos.
57
BOSCH Torx-Linsenschraube 4x20 | Ersatzteile für B7150 | 2603490023
Hersteller: BOSCH
Artikelnummer: EB-0603285135-2603490023
Netto: 3,60 € zzgl. MwSt.
zzgl. 6,90 € Versand (brutto)
einmalig pro Bestellung

Lieferzeit: 5 Werktage

Pos.
58
BOSCH Kontaktfeder | Ersatzteile für B7150 | 2601329057
Hersteller: BOSCH
Artikelnummer: EB-0603285135-2601329057
nur Informationsartikel
Nie mehr lieferbar
keine Alternativen
Pos.
59
BOSCH Dichtring | Ersatzteile für B7150 | 2600290029
Hersteller: BOSCH
Artikelnummer: EB-0603285135-2600290029
nur Informationsartikel
Nie mehr lieferbar
keine Alternativen
Pos.
60
BOSCH Filzring | Ersatzteile für B7150 | 2600005008
Hersteller: BOSCH
Artikelnummer: EB-0603285135-2600005008
nur Informationsartikel
Nie mehr lieferbar
keine Alternativen
Pos.
61
BOSCH Filzring | Ersatzteile für B7150 | 2600005006
Hersteller: BOSCH
Artikelnummer: EB-0603285135-2600005006
nur Informationsartikel
Nie mehr lieferbar
keine Alternativen
Pos.
62
BOSCH Zwischenring | Ersatzteile für B7150 | 2600100094
Hersteller: BOSCH
Artikelnummer: EB-0603285135-2600100094
nur Informationsartikel
Nie mehr lieferbar
keine Alternativen
Pos.
63
BOSCH Dichtring | Ersatzteile für B7150 | 2600290028
Hersteller: BOSCH
Artikelnummer: EB-0603285135-2600290028
nur Informationsartikel
Nie mehr lieferbar
keine Alternativen
Pos.
64
BOSCH Zylinderstift | Ersatzteile für B7150 | 2603201085
Hersteller: BOSCH
Artikelnummer: EB-0603285135-2603201085
Netto: 3,94 € zzgl. MwSt.
zzgl. 6,90 € Versand (brutto)
einmalig pro Bestellung

Lieferzeit: 5 Werktage

Pos.
655
BOSCH Anschlussstutzen | Ersatzteile für B7150 | 2605702031
Hersteller: BOSCH
Artikelnummer: EB-0603285135-2605702031
nur Informationsartikel
Nie mehr lieferbar
keine Alternativen
Pos.
656
BOSCH Winkelstutzen | Ersatzteile für B7150 | 2605702019
Hersteller: BOSCH
Artikelnummer: EB-0603285135-2605702019
Netto: 5,15 € zzgl. MwSt.
zzgl. 6,90 € Versand (brutto)
einmalig pro Bestellung

Lieferzeit: 5 Werktage

Pos.
657
BOSCH O-Ring 20,0x1,5 MM | Ersatzteile für B7150 | 1610210075
Hersteller: BOSCH
Artikelnummer: EB-0603285135-1610210075
Netto: 4,56 € zzgl. MwSt.
zzgl. 6,90 € Versand (brutto)
einmalig pro Bestellung

Lieferzeit: 5 Werktage

Pos.
729
BOSCH Schleifplatte | Ersatzteile für B7150 | 2608000106
Hersteller: BOSCH
Artikelnummer: EB-0603285135-2608000106
nur Informationsartikel
Nie mehr lieferbar
keine Alternativen
Pos.
729
BOSCH Schliessplatte | Ersatzteile für B7150 | 2608000107
Hersteller: BOSCH
Artikelnummer: EB-0603285135-2608000107
nur Informationsartikel
Nie mehr lieferbar
keine Alternativen
Pos.
754
BOSCH Staubbeutel | Ersatzteile für B7150 | 2605411009
Hersteller: BOSCH
Artikelnummer: EB-0603285135-2605411009
Netto: 15,73 € zzgl. MwSt.
zzgl. 6,90 € Versand (brutto)
einmalig pro Bestellung

Lieferzeit: 5 Werktage

Pos.
780
BOSCH Lochwerkzeug | Ersatzteile für B7150 | 2608190017
Hersteller: BOSCH
Artikelnummer: EB-0603285135-2608190017
Netto: 14,36 € zzgl. MwSt.
zzgl. 6,90 € Versand (brutto)
einmalig pro Bestellung

Lieferzeit: 5 Werktage

Pos.
808
BOSCH Typenschild | Ersatzteile für B7150 | 2601119727
Hersteller: BOSCH
Artikelnummer: EB-0603285135-2601119727
nur Informationsartikel
Nie mehr lieferbar
keine Alternativen
Pos.
828
BOSCH Schwingplatte | Ersatzteile für B7150 | 2608000916
Hersteller: BOSCH
Artikelnummer: EB-0603285135-2608000916
nur Informationsartikel
Nie mehr lieferbar
keine Alternativen

Angaben zur Produktsicherheit

Hersteller:
Robert Bosch Power Tools GmbH
Postfach 30 02 20
70442 Stuttgart

E-Mail:
kontakt@bosch.de