BOSCH Torx-Linsenschraube 4x12 | Ersatzteile für B7250 | 2603490021

Artikelnummer: EB-0603283735-2603490021

Position: 19

Marke: BOSCH


Bitte Kompatibilität prüfen!

Bitte prüfen Sie unbedingt die 10-stellige Typennummer Ihrer Maschine / Ihres Gerätes. Das Ersatzteil ist nur kompatibel, wenn Sie die Typennummer Ihrer Maschine in der unten stehenden Produktbeschreibung finden.

Bitte prüfen Sie ebenfalls detailliert die Explosionszeichnung mit Ihrem Artikelwunsch und der jeweiligen Pos-Nummer.

Alle Elemente, welche vom schwarzen Strich der Pos-Nummer ausgehend berührt / erfasst werden, gehören zu dieser Pos-Nummer und somit zu diesem Artikel. Jede Pos-Nummer ist ein eigenständiger Artikel, welchen Sie in der Auflistung finden.

Sie erhalten stets die aktuellste, neueste Produktversion zu der gewählten Pos-Nummer seitens des Herstellers. Es kann daher je nach Gerätealter vorkommen, dass Sie ggf. weitere, zugehörige Elemente, welche an diese Pos-Nummer grenzen, ebenfalls mittauschen müssen.

Nähere Informationen finden Sie unter dem Link
Hinweise zu Ihrer BOSCH Ersatzteilsuche

Preisübersicht

Einzelpreis: 3,60 €* (Brutto: 4,28 €)
Gesamtpreis: 3,60 €* 
Position:

Lieferzeit: 5 Werktage


Beschreibung

  • Torx-Linsenschraube 4x12
  • Original Bosch Zubehör / BOSCH Ersatzteil (2603490021)
  • im Gerät verbaut: 1
Dieses BOSCH Ersatzteil ist mit folgendem Gerät und Modell kompatibel:
  • BOSCH Gerätename: B7250
  • BOSCH Explosionszeichnung: Position 19
  • BOSCH Typennummer: 0603283735
  • BOSCH Typennummer alternative Schreibweisen: 0 603 283 735, 0603 283 735, 0.603.283.735, 0-603-283-735
    Bitte prüfen Sie diese Typennummer auf Ihrem Gerät um die Kompatibilität des BOSCH Ersatzteils zu gewährleisten.
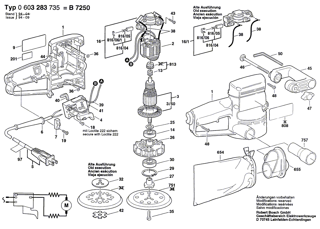
Weitere BOSCH Ersatzteile des Gerätes B7250 (Exzenterschleifer) mit der Typennummer 0603283735 finden Sie in der nachfolgenden Darstellung und im Dropdown zu Ihrer Auswahl:

Pos.
1
BOSCH Gehäuseschale BLAU | Ersatzteile für B7250 | 2605104335
Hersteller: BOSCH
Artikelnummer: EB-0603283735-2605104335
nur Informationsartikel
Nie mehr lieferbar
keine Alternativen
Pos.
3/50
BOSCH Lüfter | Ersatzteile für B7250 | 2606610055
Hersteller: BOSCH
Artikelnummer: EB-0603283735-2606610055
Netto: 5,65 € zzgl. MwSt.
zzgl. 6,90 € Versand (brutto)
einmalig pro Bestellung

Lieferzeit: 5 Werktage

Pos.
816/04
BOSCH Kohlebürstensatz | Ersatzteile für B7250 | 2604321905
Hersteller: BOSCH
Artikelnummer: EB-0603283735-2604321905
Netto: 9,75 € zzgl. MwSt.
zzgl. 6,90 € Versand (brutto)
einmalig pro Bestellung

Lieferzeit: 5 Werktage

Pos.
816/06/1
BOSCH Rastkappe | Ersatzteile für B7250 | 2601322013
Hersteller: BOSCH
Artikelnummer: EB-0603283735-2601329051
Netto: 3,94 € zzgl. MwSt.
zzgl. 6,90 € Versand (brutto)
einmalig pro Bestellung

Lieferzeit: 5 Werktage

Pos.
2
BOSCH Polschuh 115V | Ersatzteile für B7250 | 2604220474
Hersteller: BOSCH
Artikelnummer: EB-0603283735-2604220474
nur Informationsartikel
Nie mehr lieferbar
keine Alternativen
Pos.
3
BOSCH Anker 115V | Ersatzteile für B7250 | 2604010753
Hersteller: BOSCH
Artikelnummer: EB-0603283735-2604010753
nur Informationsartikel
Nie mehr lieferbar
keine Alternativen
Pos.
4
BOSCH Ein/Aus-Schalter | Ersatzteile für B7250 | 2607200256
Hersteller: BOSCH
Artikelnummer: EB-0603283735-2607200256
nur Informationsartikel
Nie mehr lieferbar
keine Alternativen
Pos.
5
BOSCH Netzanschlussleitung USA/CDN 2,68m 2 x 082mm SJ 18/2 | Ersatzteile für B7250 | 2604460187
Hersteller: BOSCH
Artikelnummer: EB-0603283735-2604460187
Netto: 12,50 € zzgl. MwSt.
zzgl. 6,90 € Versand (brutto)
einmalig pro Bestellung

Lieferzeit: 5 Werktage

Pos.
6
BOSCH Tülle Ø7,6-Ø8,2x95 MM | Ersatzteile für B7250 | 2600703032
Hersteller: BOSCH
Artikelnummer: EB-0603283735-2600703032
nur Informationsartikel
Nie mehr lieferbar
keine Alternativen
Pos.
7
BOSCH Leitungshalter | Ersatzteile für B7250 | 2601035001
Hersteller: BOSCH
Artikelnummer: EB-0603283735-2601035001
Netto: 3,94 € zzgl. MwSt.
zzgl. 6,90 € Versand (brutto)
einmalig pro Bestellung

Lieferzeit: 5 Werktage

Pos.
9
BOSCH Firmenschild | Ersatzteile für B7250 | 2601118500
Hersteller: BOSCH
Artikelnummer: EB-0603283735-2601118500
nur Informationsartikel
Nie mehr lieferbar
keine Alternativen
Pos.
14
BOSCH Rillenkugellager | Ersatzteile für B7250 | 2600905034
Hersteller: BOSCH
Artikelnummer: EB-0603283735-2600905034
Netto: 11,58 € zzgl. MwSt.
zzgl. 6,90 € Versand (brutto)
einmalig pro Bestellung

Lieferzeit: 5 Werktage

Pos.
16
BOSCH Bürstenplatte | Ersatzteile für B7250 | 2605807121
Hersteller: BOSCH
Artikelnummer: EB-0603283735-2605807121
nur Informationsartikel
Nie mehr lieferbar
keine Alternativen
Pos.
18
BOSCH Zylinderschraube M3x6,5-4.8 | Ersatzteile für B7250 | 2603410001
Hersteller: BOSCH
Artikelnummer: EB-0603283735-2603410001
Netto: 3,94 € zzgl. MwSt.
zzgl. 6,90 € Versand (brutto)
einmalig pro Bestellung

Lieferzeit: 5 Werktage

Pos.
19
BOSCH Torx-Linsenschraube 4x12 | Ersatzteile für B7250 | 2603490021
Hersteller: BOSCH
Artikelnummer: EB-0603283735-2603490021
Netto: 3,60 € zzgl. MwSt.
zzgl. 6,90 € Versand (brutto)
einmalig pro Bestellung

Lieferzeit: 5 Werktage

Pos.
25
BOSCH Unterlegscheibe DIN 315-M8-GT-C | Ersatzteile für B7250 | 2600100041
Hersteller: BOSCH
Artikelnummer: EB-0603283735-2600100041
Netto: 3,94 € zzgl. MwSt.
zzgl. 6,90 € Versand (brutto)
einmalig pro Bestellung

Lieferzeit: 5 Werktage

Pos.
26
BOSCH Lüfter | Ersatzteile für B7250 | 2606610058
Hersteller: BOSCH
Artikelnummer: EB-0603283735-2606610058
nur Informationsartikel
Nie mehr lieferbar
keine Alternativen
Pos.
27
BOSCH Mitnehmer | Ersatzteile für B7250 | 2600328017
Hersteller: BOSCH
Artikelnummer: EB-0603283735-2600328017
nur Informationsartikel
Nie mehr lieferbar
keine Alternativen
Pos.
29
BOSCH Sicherungsring | Ersatzteile für B7250 | 2600116014
Hersteller: BOSCH
Artikelnummer: EB-0603283735-2600116014
nur Informationsartikel
Nie mehr lieferbar
keine Alternativen
Pos.
30
BOSCH Rillenkugellager 15x35x11 | Ersatzteile für B7250 | 2600905111
Hersteller: BOSCH
Artikelnummer: EB-0603283735-2600905111
nur Informationsartikel
Nie mehr lieferbar
keine Alternativen
Pos.
32
BOSCH Kunststoffscheibe | Ersatzteile für B7250 | 2600009008
Hersteller: BOSCH
Artikelnummer: EB-0603283735-2600009008
nur Informationsartikel
Nie mehr lieferbar
keine Alternativen
Pos.
35
BOSCH Innensechskantschraube DIN 7984-M6x16-10.9 | Ersatzteile für B7250 | 2910975197
Hersteller: BOSCH
Artikelnummer: EB-0603283735-2910975197
nur Informationsartikel
Nie mehr lieferbar
keine Alternativen
Pos.
36
BOSCH O-Ring 5,0x1,75 MM | Ersatzteile für B7250 | 2600210036
Hersteller: BOSCH
Artikelnummer: EB-0603283735-2600210036
nur Informationsartikel
Nie mehr lieferbar
keine Alternativen
Pos.
39
BOSCH Verbindungsleitung L=154 MM WEISS | Ersatzteile für B7250 | 2604448000
Hersteller: BOSCH
Artikelnummer: EB-0603283735-2604448000
nur Informationsartikel
Nie mehr lieferbar
keine Alternativen
Pos.
40
BOSCH Dämmplatte | Ersatzteile für B7250 | 2601022000
Hersteller: BOSCH
Artikelnummer: EB-0603283735-2601022000
nur Informationsartikel
Nie mehr lieferbar
keine Alternativen
Pos.
41
BOSCH Elektr Leitung L=233 MM WEISS | Ersatzteile für B7250 | 1614431010
Hersteller: BOSCH
Artikelnummer: EB-0603283735-1614431010
nur Informationsartikel
Nie mehr lieferbar
keine Alternativen
Pos.
42
BOSCH Unterlegscheibe | Ersatzteile für B7250 | 2600190150
Hersteller: BOSCH
Artikelnummer: EB-0603283735-2600190150
nur Informationsartikel
Nie mehr lieferbar
keine Alternativen
Pos.
43
BOSCH Spezialschraube 4x20 MM | Ersatzteile für B7250 | 2603435032
Hersteller: BOSCH
Artikelnummer: EB-0603283735-2603435032
nur Informationsartikel
Nie mehr lieferbar
keine Alternativen
Pos.
44
BOSCH Dichtstreifen | Ersatzteile für B7250 | 2602380003
Hersteller: BOSCH
Artikelnummer: EB-0603283735-2602380003
Netto: 0,95 € zzgl. MwSt.
zzgl. 6,90 € Versand (brutto)
einmalig pro Bestellung

Lieferzeit: 5 Werktage

Pos.
45
BOSCH Zusatzhandgriff SCHWARZ | Ersatzteile für B7250 | 2602025058
Hersteller: BOSCH
Artikelnummer: EB-0603283735-2602025058
nur Informationsartikel
Nie mehr lieferbar
keine Alternativen
Pos.
46
BOSCH Flachrundschraube DIN 603-M6x110 | Ersatzteile für B7250 | 2910285226
Hersteller: BOSCH
Artikelnummer: EB-0603283735-2910285226
Netto: 3,94 € zzgl. MwSt.
zzgl. 6,90 € Versand (brutto)
einmalig pro Bestellung

Lieferzeit: 5 Werktage

Pos.
47
BOSCH Flügelmutter M6 | Ersatzteile für B7250 | 1603339006
Hersteller: BOSCH
Artikelnummer: EB-0603283735-1603339006
nur Informationsartikel
Nie mehr lieferbar
keine Alternativen
Pos.
48
BOSCH Spezialschraube 4x16 MM | Ersatzteile für B7250 | 2603435036
Hersteller: BOSCH
Artikelnummer: EB-0603283735-2603435036
nur Informationsartikel
Nie mehr lieferbar
keine Alternativen
Pos.
50
BOSCH Winkelschraubendreher DIN 911-4 | Ersatzteile für B7250 | 2607950004
Hersteller: BOSCH
Artikelnummer: EB-0603283735-2607950004
Netto: 3,94 € zzgl. MwSt.
zzgl. 6,90 € Versand (brutto)
einmalig pro Bestellung

Lieferzeit: 5 Werktage

Pos.
97
BOSCH Hinweisschild ACHTUNG | Ersatzteile für B7250 | 2610904501
Hersteller: BOSCH
Artikelnummer: EB-0603283735-2610904501
Netto: 1,61 € zzgl. MwSt.
zzgl. 6,90 € Versand (brutto)
einmalig pro Bestellung

Lieferzeit: 5 Werktage

Pos.
201
BOSCH Hinweisschild | Ersatzteile für B7250 | 2601118498
Hersteller: BOSCH
Artikelnummer: EB-0603283735-2601118498
nur Informationsartikel
Nie mehr lieferbar
keine Alternativen
Pos.
654
BOSCH Staubbeutel | Ersatzteile für B7250 | 2605411046
Hersteller: BOSCH
Artikelnummer: EB-0603283735-2605411046
Netto: 13,81 € zzgl. MwSt.
zzgl. 6,90 € Versand (brutto)
einmalig pro Bestellung

Lieferzeit: 5 Werktage

Pos.
655
BOSCH Anschlussstutzen | Ersatzteile für B7250 | 2605702012
Hersteller: BOSCH
Artikelnummer: EB-0603283735-2605702012
nur Informationsartikel
Nie mehr lieferbar
keine Alternativen
Pos.
751
BOSCH Stützteller Ø125 MM | Ersatzteile für B7250 | 2608000123
Hersteller: BOSCH
Artikelnummer: EB-0603283735-2608000125
nur Informationsartikel
Nie mehr lieferbar
keine Alternativen
Pos.
757
BOSCH Saugrohr Ø 49/35 MM | Ersatzteile für B7250 | 1609200976
Hersteller: BOSCH
Artikelnummer: EB-0603283735-1609200976
Netto: 9,24 € zzgl. MwSt.
zzgl. 6,90 € Versand (brutto)
einmalig pro Bestellung

Lieferzeit: 5 Werktage

Pos.
808
BOSCH Typschild | Ersatzteile für B7250 | 160111A3H3
Hersteller: BOSCH
Artikelnummer: EB-0603283735-160111A3H3
Netto: 4,56 € zzgl. MwSt.
zzgl. 6,90 € Versand (brutto)
einmalig pro Bestellung

Lieferzeit: 5 Werktage

Pos.
813
BOSCH Nadelhülse | Ersatzteile für B7250 | 2600917002
Hersteller: BOSCH
Artikelnummer: EB-0603283735-2600917002
Netto: 5,17 € zzgl. MwSt.
zzgl. 6,90 € Versand (brutto)
einmalig pro Bestellung

Lieferzeit: 5 Werktage

Angaben zur Produktsicherheit

Hersteller:
Robert Bosch Power Tools GmbH
Postfach 30 02 20
70442 Stuttgart

E-Mail:
kontakt@bosch.de