BOSCH Torx-Linsenschraube 4x20 | Ersatzteile für B7255 | 2603490023

Artikelnummer: EB-0603310735-2603490023

Position: 43

Marke: BOSCH


Bitte Kompatibilität prüfen!

Bitte prüfen Sie unbedingt die 10-stellige Typennummer Ihrer Maschine / Ihres Gerätes. Das Ersatzteil ist nur kompatibel, wenn Sie die Typennummer Ihrer Maschine in der unten stehenden Produktbeschreibung finden.

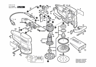
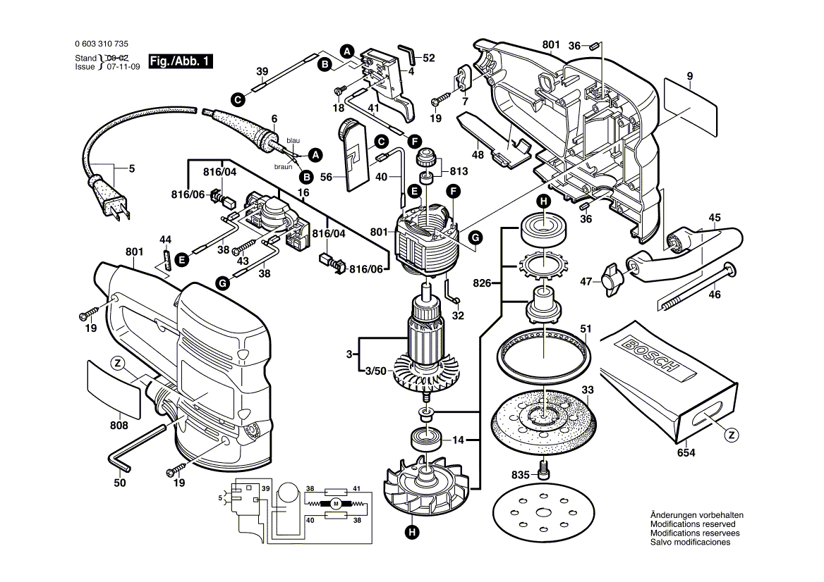
Bitte prüfen Sie ebenfalls detailliert die Explosionszeichnung mit Ihrem Artikelwunsch und der jeweiligen Pos-Nummer.

Alle Elemente, welche vom schwarzen Strich der Pos-Nummer ausgehend berührt / erfasst werden, gehören zu dieser Pos-Nummer und somit zu diesem Artikel. Jede Pos-Nummer ist ein eigenständiger Artikel, welchen Sie in der Auflistung finden.

Sie erhalten stets die aktuellste, neueste Produktversion zu der gewählten Pos-Nummer seitens des Herstellers. Es kann daher je nach Gerätealter vorkommen, dass Sie ggf. weitere, zugehörige Elemente, welche an diese Pos-Nummer grenzen, ebenfalls mittauschen müssen.

Nähere Informationen finden Sie unter dem Link
Hinweise zu Ihrer BOSCH Ersatzteilsuche

Preisübersicht

Einzelpreis: 3,60 €* (Brutto: 4,28 €)
Gesamtpreis: 3,60 €* 
Position:

Lieferzeit: 5 Werktage


Beschreibung

  • Torx-Linsenschraube 4x20
  • Original Bosch Zubehör / BOSCH Ersatzteil (2603490023)
  • im Gerät verbaut: 1
Dieses BOSCH Ersatzteil ist mit folgendem Gerät und Modell kompatibel:
  • BOSCH Gerätename: B7255
  • BOSCH Explosionszeichnung: Position 43
  • BOSCH Typennummer: 0603310735
  • BOSCH Typennummer alternative Schreibweisen: 0 603 310 735, 0603 310 735, 0.603.310.735, 0-603-310-735
    Bitte prüfen Sie diese Typennummer auf Ihrem Gerät um die Kompatibilität des BOSCH Ersatzteils zu gewährleisten.
Weitere BOSCH Ersatzteile des Gerätes B7255 (Exzenterschleifer) mit der Typennummer 0603310735 finden Sie in der nachfolgenden Darstellung und im Dropdown zu Ihrer Auswahl:

Pos.
3/50
BOSCH Lüfter | Ersatzteile für B7255 | 2606610077
Hersteller: BOSCH
Artikelnummer: EB-0603310735-2606610077
nur Informationsartikel
Nie mehr lieferbar
keine Alternativen
Pos.
816/04
BOSCH Kohlebürstensatz | Ersatzteile für B7255 | 2604321905
Hersteller: BOSCH
Artikelnummer: EB-0603310735-2604321905
Netto: 9,75 € zzgl. MwSt.
zzgl. 6,90 € Versand (brutto)
einmalig pro Bestellung

Lieferzeit: 5 Werktage

Pos.
816/06
BOSCH Rastkappe | Ersatzteile für B7255 | 2601322013
Hersteller: BOSCH
Artikelnummer: EB-0603310735-2601322013
Netto: 3,94 € zzgl. MwSt.
zzgl. 6,90 € Versand (brutto)
einmalig pro Bestellung

Lieferzeit: 5 Werktage

Pos.
3
BOSCH Anker 115-120V | Ersatzteile für B7255 | 2604011264
Hersteller: BOSCH
Artikelnummer: EB-0603310735-2604011264
Netto: 46,22 € zzgl. MwSt.
zzgl. 6,90 € Versand (brutto)
einmalig pro Bestellung

Lieferzeit: 5 Werktage

Pos.
4
BOSCH Schalter | Ersatzteile für B7255 | 2607200260
Hersteller: BOSCH
Artikelnummer: EB-0603310735-2607200260
Netto: 9,75 € zzgl. MwSt.
zzgl. 6,90 € Versand (brutto)
einmalig pro Bestellung

Lieferzeit: 5 Werktage

Pos.
5
BOSCH Netzanschlussleitung USA/CDN 2,68m 2 x 082mm SJ 18/2 | Ersatzteile für B7255 | 2604460187
Hersteller: BOSCH
Artikelnummer: EB-0603310735-2604460187
Netto: 12,50 € zzgl. MwSt.
zzgl. 6,90 € Versand (brutto)
einmalig pro Bestellung

Lieferzeit: 5 Werktage

Pos.
6
BOSCH Tülle Ø7,3-Ø8,6x76 MM | Ersatzteile für B7255 | 2600703018
Hersteller: BOSCH
Artikelnummer: EB-0603310735-2600703018
nur Informationsartikel
Nie mehr lieferbar
keine Alternativen
Pos.
7
BOSCH Leitungshalter | Ersatzteile für B7255 | 2601035001
Hersteller: BOSCH
Artikelnummer: EB-0603310735-2601035001
Netto: 3,94 € zzgl. MwSt.
zzgl. 6,90 € Versand (brutto)
einmalig pro Bestellung

Lieferzeit: 5 Werktage

Pos.
9
BOSCH Klebeschild | Ersatzteile für B7255 | 2610911694
Hersteller: BOSCH
Artikelnummer: EB-0603310735-2610911694
nur Informationsartikel
Nie mehr lieferbar
keine Alternativen
Pos.
14
BOSCH Rillenkugellager | Ersatzteile für B7255 | 2600905034
Hersteller: BOSCH
Artikelnummer: EB-0603310735-2600905034
Netto: 11,58 € zzgl. MwSt.
zzgl. 6,90 € Versand (brutto)
einmalig pro Bestellung

Lieferzeit: 5 Werktage

Pos.
16
BOSCH Bürstenplatte | Ersatzteile für B7255 | 2604337122
Hersteller: BOSCH
Artikelnummer: EB-0603310735-2604337122
nur Informationsartikel
Nie mehr lieferbar
keine Alternativen
Pos.
18
BOSCH Zylinderschraube M3x6,5-4.8 | Ersatzteile für B7255 | 2603410001
Hersteller: BOSCH
Artikelnummer: EB-0603310735-2603410001
Netto: 3,94 € zzgl. MwSt.
zzgl. 6,90 € Versand (brutto)
einmalig pro Bestellung

Lieferzeit: 5 Werktage

Pos.
19
BOSCH Schraube 4x16 | Ersatzteile für B7255 | 2603490022
Hersteller: BOSCH
Artikelnummer: EB-0603310735-2603490022
Netto: 3,60 € zzgl. MwSt.
zzgl. 6,90 € Versand (brutto)
einmalig pro Bestellung

Lieferzeit: 5 Werktage

Pos.
32
BOSCH Kontaktfeder | Ersatzteile für B7255 | 2601329057
Hersteller: BOSCH
Artikelnummer: EB-0603310735-2601329057
nur Informationsartikel
Nie mehr lieferbar
keine Alternativen
Pos.
33
BOSCH Stützteller | Ersatzteile für B7255 | 2608601902
Hersteller: BOSCH
Artikelnummer: EB-0603310735-2608601902
Netto: 20,80 € zzgl. MwSt.
zzgl. 6,90 € Versand (brutto)
einmalig pro Bestellung

Lieferzeit: 5 Werktage

Pos.
36
BOSCH Gummipuffer | Ersatzteile für B7255 | 1603100036
Hersteller: BOSCH
Artikelnummer: EB-0603310735-1603100036
Netto: 3,94 € zzgl. MwSt.
zzgl. 6,90 € Versand (brutto)
einmalig pro Bestellung

Lieferzeit: 5 Werktage

Pos.
38
BOSCH Verbindungsleitung L=113 MM WEISS | Ersatzteile für B7255 | 2604448180
Hersteller: BOSCH
Artikelnummer: EB-0603310735-2604448180
Netto: 3,60 € zzgl. MwSt.
zzgl. 6,90 € Versand (brutto)
einmalig pro Bestellung

Lieferzeit: 5 Werktage

Pos.
40
BOSCH Verbindungsleitung L=233 MM WEISS | Ersatzteile für B7255 | 2604448181
Hersteller: BOSCH
Artikelnummer: EB-0603310735-2604448181
Netto: 4,36 € zzgl. MwSt.
zzgl. 6,90 € Versand (brutto)
einmalig pro Bestellung

Lieferzeit: 5 Werktage

Pos.
41
BOSCH Verbindungsleitung L=83 MM WEISS | Ersatzteile für B7255 | 2604448183
Hersteller: BOSCH
Artikelnummer: EB-0603310735-2604448183
nur Informationsartikel
Nie mehr lieferbar
keine Alternativen
Pos.
43
BOSCH Torx-Linsenschraube 4x20 | Ersatzteile für B7255 | 2603490023
Hersteller: BOSCH
Artikelnummer: EB-0603310735-2603490023
Netto: 3,60 € zzgl. MwSt.
zzgl. 6,90 € Versand (brutto)
einmalig pro Bestellung

Lieferzeit: 5 Werktage

Pos.
44
BOSCH Dichtstreifen | Ersatzteile für B7255 | 2602380003
Hersteller: BOSCH
Artikelnummer: EB-0603310735-2602380003
Netto: 0,95 € zzgl. MwSt.
zzgl. 6,90 € Versand (brutto)
einmalig pro Bestellung

Lieferzeit: 5 Werktage

Pos.
45
BOSCH Handgriff SCHWARZ | Ersatzteile für B7255 | 2602025068
Hersteller: BOSCH
Artikelnummer: EB-0603310735-2602025068
nur Informationsartikel
Nie mehr lieferbar
keine Alternativen
Pos.
46
BOSCH Flachrundschraube DIN 603-M6x110 | Ersatzteile für B7255 | 2910285226
Hersteller: BOSCH
Artikelnummer: EB-0603310735-2910285226
Netto: 3,94 € zzgl. MwSt.
zzgl. 6,90 € Versand (brutto)
einmalig pro Bestellung

Lieferzeit: 5 Werktage

Pos.
47
BOSCH Flügelmutter M6 | Ersatzteile für B7255 | 1603339006
Hersteller: BOSCH
Artikelnummer: EB-0603310735-1603339006
nur Informationsartikel
Nie mehr lieferbar
keine Alternativen
Pos.
48
BOSCH Schieber | Ersatzteile für B7255 | 2608005043
Hersteller: BOSCH
Artikelnummer: EB-0603310735-2608005043
Netto: 3,60 € zzgl. MwSt.
zzgl. 6,90 € Versand (brutto)
einmalig pro Bestellung

Lieferzeit: 5 Werktage

Pos.
50
BOSCH Innensechskantschlüssel 5 MM | Ersatzteile für B7255 | 2610364015
Hersteller: BOSCH
Artikelnummer: EB-0603310735-2610364015
Netto: 5,17 € zzgl. MwSt.
zzgl. 6,90 € Versand (brutto)
einmalig pro Bestellung

Lieferzeit: 5 Werktage

Pos.
51
BOSCH Reibring | Ersatzteile für B7255 | 2600206015
Hersteller: BOSCH
Artikelnummer: EB-0603310735-2600206015
nur Informationsartikel
Nie mehr lieferbar
keine Alternativen
Pos.
52
BOSCH Dämmplatte | Ersatzteile für B7255 | 2601022000
Hersteller: BOSCH
Artikelnummer: EB-0603310735-2601022000
nur Informationsartikel
Nie mehr lieferbar
keine Alternativen
Pos.
56
BOSCH Drehzahlregler 100-120V | Ersatzteile für B7255 | 2607233020
Hersteller: BOSCH
Artikelnummer: EB-0603310735-2607233020
nur Informationsartikel
Nie mehr lieferbar
keine Alternativen
Pos.
653
BOSCH Schleifblattsatz | Ersatzteile für B7255 | 2608604518
Hersteller: BOSCH
Artikelnummer: EB-0603310735-2608604518
nur Informationsartikel
Nie mehr lieferbar
keine Alternativen
Pos.
654
BOSCH Staubbeutel 1 Stück | Ersatzteile für B7255 | 2605411096
Hersteller: BOSCH
Artikelnummer: EB-0603310735-2605411096
nur Informationsartikel
Nie mehr lieferbar
keine Alternativen
Pos.
801
BOSCH Gehäuseschale BLAU | Ersatzteile für B7255 | 2605104802
Hersteller: BOSCH
Artikelnummer: EB-0603310735-2605104802
Netto: 28,93 € zzgl. MwSt.
zzgl. 6,90 € Versand (brutto)
einmalig pro Bestellung

Lieferzeit: 5 Werktage

Pos.
808
BOSCH Typschild | Ersatzteile für B7255 | 2601119291
Hersteller: BOSCH
Artikelnummer: EB-0603310735-2601119291
nur Informationsartikel
Nie mehr lieferbar
keine Alternativen
Pos.
813
BOSCH Lagereinheit | Ersatzteile für B7255 | 2605805005
Hersteller: BOSCH
Artikelnummer: EB-0603310735-2605805005
nur Informationsartikel
Nie mehr lieferbar
keine Alternativen
Pos.
826
BOSCH Lüfter LINKSGEWINDE | Ersatzteile für B7255 | 2606610901
Hersteller: BOSCH
Artikelnummer: EB-0603310735-2606610901
nur Informationsartikel
Nie mehr lieferbar
keine Alternativen
Pos.
835
BOSCH Innensechskantschraube | Ersatzteile für B7255 | 2603414062
Hersteller: BOSCH
Artikelnummer: EB-0603310735-2603414062
Netto: 4,36 € zzgl. MwSt.
zzgl. 6,90 € Versand (brutto)
einmalig pro Bestellung

Lieferzeit: 5 Werktage

Angaben zur Produktsicherheit

Hersteller:
Robert Bosch Power Tools GmbH
Postfach 30 02 20
70442 Stuttgart

E-Mail:
kontakt@bosch.de