BOSCH Kappe | Ersatzteile für BALMORAL 17SE | F016A57676

Artikelnummer: EB-F016308442-F016A57676

Position: 60/10

Marke: BOSCH


Bitte Kompatibilität prüfen!

Bitte prüfen Sie unbedingt die 10-stellige Typennummer Ihrer Maschine / Ihres Gerätes. Das Ersatzteil ist nur kompatibel, wenn Sie die Typennummer Ihrer Maschine in der unten stehenden Produktbeschreibung finden.

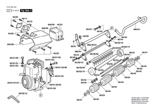
Bitte prüfen Sie ebenfalls detailliert die Explosionszeichnung mit Ihrem Artikelwunsch und der jeweiligen Pos-Nummer.

Alle Elemente, welche vom schwarzen Strich der Pos-Nummer ausgehend berührt / erfasst werden, gehören zu dieser Pos-Nummer und somit zu diesem Artikel. Jede Pos-Nummer ist ein eigenständiger Artikel, welchen Sie in der Auflistung finden.

Sie erhalten stets die aktuellste, neueste Produktversion zu der gewählten Pos-Nummer seitens des Herstellers. Es kann daher je nach Gerätealter vorkommen, dass Sie ggf. weitere, zugehörige Elemente, welche an diese Pos-Nummer grenzen, ebenfalls mittauschen müssen.

Nähere Informationen finden Sie unter dem Link
Hinweise zu Ihrer BOSCH Ersatzteilsuche

Preisübersicht

Einzelpreis: 3,63 €* (Brutto: 4,32 €)
Gesamtpreis: 3,63 €* 
Position:

Lieferzeit: 5 Werktage


Beschreibung

  • Kappe
  • Original Bosch Zubehör / BOSCH Ersatzteil (F016A57676)
  • im Gerät verbaut: 1
Dieses BOSCH Ersatzteil ist mit folgendem Gerät und Modell kompatibel:
  • BOSCH Gerätename: BALMORAL 17SE
  • BOSCH Explosionszeichnung: Position 60/10
  • BOSCH Typennummer: F016308442
  • BOSCH Typennummer alternative Schreibweisen: F 016 308 442, F016 308 442, F.016.308.442, F-016-308-442
    Bitte prüfen Sie diese Typennummer auf Ihrem Gerät um die Kompatibilität des BOSCH Ersatzteils zu gewährleisten.
Weitere BOSCH Ersatzteile des Gerätes BALMORAL 17SE (RASENMAEHER) mit der Typennummer F016308442 finden Sie in der nachfolgenden Darstellung und im Dropdown zu Ihrer Auswahl:

Pos.
40/02
BOSCH Schutzdeckel LH | Ersatzteile für BALMORAL 17SE | F016A75398
Hersteller: BOSCH
Artikelnummer: EB-F016308442-F016A75398
nur Informationsartikel
Nie mehr lieferbar
keine Alternativen
Pos.
40/03
BOSCH Seitendeckel RH | Ersatzteile für BALMORAL 17SE | F016A75089
Hersteller: BOSCH
Artikelnummer: EB-F016308442-F016A75089
nur Informationsartikel
Nie mehr lieferbar
keine Alternativen
Pos.
40/04
BOSCH Seitendeckel R/H | Ersatzteile für BALMORAL 17SE | F016A57578
Hersteller: BOSCH
Artikelnummer: EB-F016308442-F016A57578
nur Informationsartikel
Nie mehr lieferbar
keine Alternativen
Pos.
40/08
BOSCH Platte | Ersatzteile für BALMORAL 17SE | F016A58217
Hersteller: BOSCH
Artikelnummer: EB-F016308442-F016A58217
nur Informationsartikel
Nie mehr lieferbar
keine Alternativen
Pos.
40/10
BOSCH Teilesatz | Ersatzteile für BALMORAL 17SE | F016A75059
Hersteller: BOSCH
Artikelnummer: EB-F016308442-F016A75059
nur Informationsartikel
Nie mehr lieferbar
keine Alternativen
Pos.
40/20
BOSCH Kreuzschlitzschraube M5 | Ersatzteile für BALMORAL 17SE | F016A57756
Hersteller: BOSCH
Artikelnummer: EB-F016308442-F016A57756
Netto: 3,60 € zzgl. MwSt.
zzgl. 6,90 € Versand (brutto)
einmalig pro Bestellung

Lieferzeit: 5 Werktage

Pos.
40/21
BOSCH Schraube M6 | Ersatzteile für BALMORAL 17SE | F016A58228
Hersteller: BOSCH
Artikelnummer: EB-F016308442-F016A58228
nur Informationsartikel
Nie mehr lieferbar
keine Alternativen
Pos.
40/22
BOSCH Schraube M6 | Ersatzteile für BALMORAL 17SE | F016A58229
Hersteller: BOSCH
Artikelnummer: EB-F016308442-F016A58229
nur Informationsartikel
Nie mehr lieferbar
keine Alternativen
Pos.
40/23
BOSCH Rastniet | Ersatzteile für BALMORAL 17SE | F016L12313
Hersteller: BOSCH
Artikelnummer: EB-F016308442-F016L12313
nur Informationsartikel
Nie mehr lieferbar
keine Alternativen
Pos.
50/02
BOSCH Spindelgruppe | Ersatzteile für BALMORAL 17SE | F016103799
Hersteller: BOSCH
Artikelnummer: EB-F016308442-F016103799
Netto: 46,22 € zzgl. MwSt.
zzgl. 6,90 € Versand (brutto)
einmalig pro Bestellung

Lieferzeit: 5 Werktage

Pos.
50/03
BOSCH Ring | Ersatzteile für BALMORAL 17SE | F016A57635
Hersteller: BOSCH
Artikelnummer: EB-F016308442-F016A57635
nur Informationsartikel
Nie mehr lieferbar
keine Alternativen
Pos.
50/04
BOSCH Zahnrad | Ersatzteile für BALMORAL 17SE | F016A57674
Hersteller: BOSCH
Artikelnummer: EB-F016308442-F016A57674
nur Informationsartikel
Nie mehr lieferbar
keine Alternativen
Pos.
50/05
BOSCH Abdeckung | Ersatzteile für BALMORAL 17SE | F016A58746
Hersteller: BOSCH
Artikelnummer: EB-F016308442-F016A58746
nur Informationsartikel
Nie mehr lieferbar
keine Alternativen
Pos.
50/07
BOSCH Lagerhalter | Ersatzteile für BALMORAL 17SE | F016102093
Hersteller: BOSCH
Artikelnummer: EB-F016308442-F016102093
Netto: 9,18 € zzgl. MwSt.
zzgl. 6,90 € Versand (brutto)
einmalig pro Bestellung

Lieferzeit: 5 Werktage

Pos.
50/08
BOSCH Kugellager | Ersatzteile für BALMORAL 17SE | F016A57838
Hersteller: BOSCH
Artikelnummer: EB-F016308442-F016A57838
Netto: 13,81 € zzgl. MwSt.
zzgl. 6,90 € Versand (brutto)
einmalig pro Bestellung

Lieferzeit: 5 Werktage

Pos.
50/10
BOSCH Klemmstück | Ersatzteile für BALMORAL 17SE | F016L58216
Hersteller: BOSCH
Artikelnummer: EB-F016308442-F016L58216
nur Informationsartikel
Nie mehr lieferbar
keine Alternativen
Pos.
50/11
BOSCH Klemmschelle | Ersatzteile für BALMORAL 17SE | F016A58483
Hersteller: BOSCH
Artikelnummer: EB-F016308442-F016A58483
nur Informationsartikel
Nie mehr lieferbar
keine Alternativen
Pos.
50/12
BOSCH Zahnrad | Ersatzteile für BALMORAL 17SE | F016A57499
Hersteller: BOSCH
Artikelnummer: EB-F016308442-F016A57499
Netto: 5,19 € zzgl. MwSt.
zzgl. 6,90 € Versand (brutto)
einmalig pro Bestellung

Lieferzeit: 5 Werktage

Pos.
50/13
BOSCH Blech | Ersatzteile für BALMORAL 17SE | F016A57832
Hersteller: BOSCH
Artikelnummer: EB-F016308442-F016A57832
Netto: 9,05 € zzgl. MwSt.
zzgl. 6,90 € Versand (brutto)
einmalig pro Bestellung

Lieferzeit: 5 Werktage

Pos.
50/14
BOSCH Kunststoffrosette | Ersatzteile für BALMORAL 17SE | F016A57823
Hersteller: BOSCH
Artikelnummer: EB-F016308442-F016A57823
nur Informationsartikel
Nie mehr lieferbar
keine Alternativen
Pos.
50/21
BOSCH Aussenring | Ersatzteile für BALMORAL 17SE | F016A57758
Hersteller: BOSCH
Artikelnummer: EB-F016308442-F016A57758
nur Informationsartikel
Nie mehr lieferbar
keine Alternativen
Pos.
50/22
BOSCH Nietstift | Ersatzteile für BALMORAL 17SE | F016A58178
Hersteller: BOSCH
Artikelnummer: EB-F016308442-F016A58178
nur Informationsartikel
Nie mehr lieferbar
keine Alternativen
Pos.
50/23
BOSCH Schraube | Ersatzteile für BALMORAL 17SE | F016A58385
Hersteller: BOSCH
Artikelnummer: EB-F016308442-F016A58385
nur Informationsartikel
Nie mehr lieferbar
keine Alternativen
Pos.
50/24
BOSCH Sicherungsbügel | Ersatzteile für BALMORAL 17SE | F016A58441
Hersteller: BOSCH
Artikelnummer: EB-F016308442-F016A58441
nur Informationsartikel
Nie mehr lieferbar
keine Alternativen
Pos.
50/25
BOSCH Unterlegscheibe M 20 | Ersatzteile für BALMORAL 17SE | F016A58577
Hersteller: BOSCH
Artikelnummer: EB-F016308442-F016A58577
Netto: 3,63 € zzgl. MwSt.
zzgl. 6,90 € Versand (brutto)
einmalig pro Bestellung

Lieferzeit: 5 Werktage

Pos.
50/27
BOSCH Sicherungsmutter M6 | Ersatzteile für BALMORAL 17SE | F016L35388
Hersteller: BOSCH
Artikelnummer: EB-F016308442-F016L35388
nur Informationsartikel
Nie mehr lieferbar
keine Alternativen
Pos.
50/28
BOSCH Stellring 12 MM T40 | Ersatzteile für BALMORAL 17SE | F016T49100
Hersteller: BOSCH
Artikelnummer: EB-F016308442-F016T49100
nur Informationsartikel
Nie mehr lieferbar
keine Alternativen
Pos.
55/01
BOSCH Seitenplatte L/H | Ersatzteile für BALMORAL 17SE | F016A75001
Hersteller: BOSCH
Artikelnummer: EB-F016308442-F016A75001
nur Informationsartikel
Nie mehr lieferbar
keine Alternativen
Pos.
55/02
BOSCH Seitenplatte R/H | Ersatzteile für BALMORAL 17SE | F016A58744
Hersteller: BOSCH
Artikelnummer: EB-F016308442-F016A58744
nur Informationsartikel
Nie mehr lieferbar
keine Alternativen
Pos.
55/06
BOSCH Untermesser | Ersatzteile für BALMORAL 17SE | F016L23147
Hersteller: BOSCH
Artikelnummer: EB-F016308442-F016L23147
Netto: 3,63 € zzgl. MwSt.
zzgl. 6,90 € Versand (brutto)
einmalig pro Bestellung

Lieferzeit: 5 Werktage

Pos.
55/07
BOSCH Spindel | Ersatzteile für BALMORAL 17SE | F016A58820
Hersteller: BOSCH
Artikelnummer: EB-F016308442-F016A58820
nur Informationsartikel
Nie mehr lieferbar
keine Alternativen
Pos.
55/08/02
BOSCH Lager | Ersatzteile für BALMORAL 17SE | F016A58741
Hersteller: BOSCH
Artikelnummer: EB-F016308442-F016A58741
nur Informationsartikel
Nie mehr lieferbar
keine Alternativen
Pos.
55/09
BOSCH Abschirmblech | Ersatzteile für BALMORAL 17SE | F016A58854
Hersteller: BOSCH
Artikelnummer: EB-F016308442-F016A58854
nur Informationsartikel
Nie mehr lieferbar
keine Alternativen
Pos.
55/11
BOSCH Spannfeder | Ersatzteile für BALMORAL 17SE | F016A58856
Hersteller: BOSCH
Artikelnummer: EB-F016308442-F016A58856
nur Informationsartikel
Nie mehr lieferbar
keine Alternativen
Pos.
55/13
BOSCH Zahnrad | Ersatzteile für BALMORAL 17SE | F016A57590
Hersteller: BOSCH
Artikelnummer: EB-F016308442-F016A57590
nur Informationsartikel
Nie mehr lieferbar
keine Alternativen
Pos.
55/14
BOSCH Einstellstück | Ersatzteile für BALMORAL 17SE | F016A57669
Hersteller: BOSCH
Artikelnummer: EB-F016308442-F016A57669
nur Informationsartikel
Nie mehr lieferbar
keine Alternativen
Pos.
55/15
BOSCH Einstellschraube | Ersatzteile für BALMORAL 17SE | F016A57713
Hersteller: BOSCH
Artikelnummer: EB-F016308442-F016A57713
nur Informationsartikel
Nie mehr lieferbar
keine Alternativen
Pos.
55/17
BOSCH Vierkantwelle | Ersatzteile für BALMORAL 17SE | F016T41057
Hersteller: BOSCH
Artikelnummer: EB-F016308442-F016T41057
nur Informationsartikel
Nie mehr lieferbar
keine Alternativen
Pos.
55/41
BOSCH Schraube | Ersatzteile für BALMORAL 17SE | F016A58174
Hersteller: BOSCH
Artikelnummer: EB-F016308442-F016A58174
nur Informationsartikel
Nie mehr lieferbar
keine Alternativen
Pos.
55/44
BOSCH Mutter 1/4 UNF | Ersatzteile für BALMORAL 17SE | F016L06954
Hersteller: BOSCH
Artikelnummer: EB-F016308442-F016L06954
nur Informationsartikel
Nie mehr lieferbar
keine Alternativen
Pos.
55/45
BOSCH Gewindebolzen M6x25 MM | Ersatzteile für BALMORAL 17SE | F016L11371
Hersteller: BOSCH
Artikelnummer: EB-F016308442-F016L11371
Netto: 4,53 € zzgl. MwSt.
zzgl. 6,90 € Versand (brutto)
einmalig pro Bestellung

Lieferzeit: 5 Werktage

Pos.
55/47
BOSCH Sicherungsscheibe | Ersatzteile für BALMORAL 17SE | F016L35389
Hersteller: BOSCH
Artikelnummer: EB-F016308442-F016L35389
Netto: 3,63 € zzgl. MwSt.
zzgl. 6,90 € Versand (brutto)
einmalig pro Bestellung

Lieferzeit: 5 Werktage

Pos.
55/49
BOSCH Feder | Ersatzteile für BALMORAL 17SE | F016T47205
Hersteller: BOSCH
Artikelnummer: EB-F016308442-F016T47205
nur Informationsartikel
Nie mehr lieferbar
keine Alternativen
Pos.
55/50
BOSCH Vorlegscheibe | Ersatzteile für BALMORAL 17SE | F016T49443
Hersteller: BOSCH
Artikelnummer: EB-F016308442-F016T49443
nur Informationsartikel
Nie mehr lieferbar
keine Alternativen
Pos.
60/02
BOSCH Spindel | Ersatzteile für BALMORAL 17SE | F016A57754
Hersteller: BOSCH
Artikelnummer: EB-F016308442-F016A57754
Netto: 10,62 € zzgl. MwSt.
zzgl. 6,90 € Versand (brutto)
einmalig pro Bestellung

Lieferzeit: 5 Werktage

Pos.
60/03
BOSCH Rolle | Ersatzteile für BALMORAL 17SE | F016A57744
Hersteller: BOSCH
Artikelnummer: EB-F016308442-F016A57744
nur Informationsartikel
Nie mehr lieferbar
keine Alternativen
Pos.
60/04
BOSCH Rolle | Ersatzteile für BALMORAL 17SE | F016A57745
Hersteller: BOSCH
Artikelnummer: EB-F016308442-F016A57745
nur Informationsartikel
Nie mehr lieferbar
keine Alternativen
Pos.
60/08
BOSCH Lagerbuchse | Ersatzteile für BALMORAL 17SE | F016A57675
Hersteller: BOSCH
Artikelnummer: EB-F016308442-F016A57675
nur Informationsartikel
Nie mehr lieferbar
keine Alternativen
Pos.
60/09
BOSCH Zapfen L/H | Ersatzteile für BALMORAL 17SE | F016A57748
Hersteller: BOSCH
Artikelnummer: EB-F016308442-F016A57748
Netto: 3,63 € zzgl. MwSt.
zzgl. 6,90 € Versand (brutto)
einmalig pro Bestellung

Lieferzeit: 5 Werktage

Pos.
60/10
BOSCH Kappe | Ersatzteile für BALMORAL 17SE | F016A57676
Hersteller: BOSCH
Artikelnummer: EB-F016308442-F016A57676
Netto: 3,63 € zzgl. MwSt.
zzgl. 6,90 € Versand (brutto)
einmalig pro Bestellung

Lieferzeit: 5 Werktage

Pos.
60/11
BOSCH Feder | Ersatzteile für BALMORAL 17SE | F016A57820
Hersteller: BOSCH
Artikelnummer: EB-F016308442-F016A57820
Netto: 3,94 € zzgl. MwSt.
zzgl. 6,90 € Versand (brutto)
einmalig pro Bestellung

Lieferzeit: 5 Werktage

Pos.
60/15
BOSCH Feder | Ersatzteile für BALMORAL 17SE | F016A57995
Hersteller: BOSCH
Artikelnummer: EB-F016308442-F016A57995
nur Informationsartikel
Nie mehr lieferbar
keine Alternativen
Pos.
60/16
BOSCH Deckel | Ersatzteile für BALMORAL 17SE | F016A57576
Hersteller: BOSCH
Artikelnummer: EB-F016308442-F016A57576
nur Informationsartikel
Nie mehr lieferbar
keine Alternativen
Pos.
60/17
BOSCH Scheibe | Ersatzteile für BALMORAL 17SE | F016A57577
Hersteller: BOSCH
Artikelnummer: EB-F016308442-F016A57577
nur Informationsartikel
Nie mehr lieferbar
keine Alternativen
Pos.
60/19
BOSCH Rückhalteblech | Ersatzteile für BALMORAL 17SE | F016A58331
Hersteller: BOSCH
Artikelnummer: EB-F016308442-F016A58331
nur Informationsartikel
Nie mehr lieferbar
keine Alternativen
Pos.
60/20
BOSCH Spindel | Ersatzteile für BALMORAL 17SE | F016A58231
Hersteller: BOSCH
Artikelnummer: EB-F016308442-F016A58231
nur Informationsartikel
Nie mehr lieferbar
keine Alternativen
Pos.
60/21
BOSCH Mutter | Ersatzteile für BALMORAL 17SE | F016A58233
Hersteller: BOSCH
Artikelnummer: EB-F016308442-F016A58233
Netto: 9,18 € zzgl. MwSt.
zzgl. 6,90 € Versand (brutto)
einmalig pro Bestellung

Lieferzeit: 5 Werktage

Pos.
60/22
BOSCH Führungswand | Ersatzteile für BALMORAL 17SE | F016A75786
Hersteller: BOSCH
Artikelnummer: EB-F016308442-F016A75786
Netto: 19,18 € zzgl. MwSt.
zzgl. 6,90 € Versand (brutto)
einmalig pro Bestellung

Lieferzeit: 5 Werktage

Pos.
60/23
BOSCH Mutter | Ersatzteile für BALMORAL 17SE | F016A58232
Hersteller: BOSCH
Artikelnummer: EB-F016308442-F016A58232
Netto: 3,60 € zzgl. MwSt.
zzgl. 6,90 € Versand (brutto)
einmalig pro Bestellung

Lieferzeit: 5 Werktage

Pos.
60/24
BOSCH Kugellager | Ersatzteile für BALMORAL 17SE | F016T48358
Hersteller: BOSCH
Artikelnummer: EB-F016308442-F016T48358
Netto: 3,60 € zzgl. MwSt.
zzgl. 6,90 € Versand (brutto)
einmalig pro Bestellung

Lieferzeit: 5 Werktage

Pos.
60/25
BOSCH Druckfeder | Ersatzteile für BALMORAL 17SE | F016T48420
Hersteller: BOSCH
Artikelnummer: EB-F016308442-F016T48420
Netto: 3,60 € zzgl. MwSt.
zzgl. 6,90 € Versand (brutto)
einmalig pro Bestellung

Lieferzeit: 5 Werktage

Pos.
60/26
BOSCH Knopf | Ersatzteile für BALMORAL 17SE | F016A58730
Hersteller: BOSCH
Artikelnummer: EB-F016308442-F016A58730
nur Informationsartikel
Nie mehr lieferbar
keine Alternativen
Pos.
60/27
BOSCH Verschlussdeckel | Ersatzteile für BALMORAL 17SE | F016T48421
Hersteller: BOSCH
Artikelnummer: EB-F016308442-F016T48421
nur Informationsartikel
Nie mehr lieferbar
keine Alternativen
Pos.
60/30/02
BOSCH Spindel | Ersatzteile für BALMORAL 17SE | F016L64561
Hersteller: BOSCH
Artikelnummer: EB-F016308442-F016L64561
nur Informationsartikel
Nie mehr lieferbar
keine Alternativen
Pos.
60/30/03
BOSCH Feder | Ersatzteile für BALMORAL 17SE | F016A57887
Hersteller: BOSCH
Artikelnummer: EB-F016308442-F016A57887
nur Informationsartikel
Nie mehr lieferbar
keine Alternativen
Pos.
60/30/04
BOSCH Beilegring | Ersatzteile für BALMORAL 17SE | F016A57930
Hersteller: BOSCH
Artikelnummer: EB-F016308442-F016A57930
nur Informationsartikel
Nie mehr lieferbar
keine Alternativen
Pos.
60/30/10
BOSCH Sechskantschraube M6x12 | Ersatzteile für BALMORAL 17SE | F016L18120
Hersteller: BOSCH
Artikelnummer: EB-F016308442-F016L18120
nur Informationsartikel
Nie mehr lieferbar
keine Alternativen
Pos.
60/31
BOSCH Beilegring | Ersatzteile für BALMORAL 17SE | F016A57912
Hersteller: BOSCH
Artikelnummer: EB-F016308442-F016A57912
Netto: 4,32 € zzgl. MwSt.
zzgl. 6,90 € Versand (brutto)
einmalig pro Bestellung

Lieferzeit: 5 Werktage

Pos.
60/40
BOSCH Unterlegscheibe | Ersatzteile für BALMORAL 17SE | F016L09602
Hersteller: BOSCH
Artikelnummer: EB-F016308442-F016L09602
Netto: 3,63 € zzgl. MwSt.
zzgl. 6,90 € Versand (brutto)
einmalig pro Bestellung

Lieferzeit: 5 Werktage

Pos.
60/41
BOSCH Sicherungsbügel | Ersatzteile für BALMORAL 17SE | F016L32612
Hersteller: BOSCH
Artikelnummer: EB-F016308442-F016L32612
nur Informationsartikel
Nie mehr lieferbar
keine Alternativen
Pos.
60/42
BOSCH Federscheibe 5/16 SW SE | Ersatzteile für BALMORAL 17SE | F016L35307
Hersteller: BOSCH
Artikelnummer: EB-F016308442-F016L35307
Netto: 3,63 € zzgl. MwSt.
zzgl. 6,90 € Versand (brutto)
einmalig pro Bestellung

Lieferzeit: 5 Werktage

Pos.
60/44
BOSCH Unterlegscheibe 8,5 MM | Ersatzteile für BALMORAL 17SE | F016L35411
Hersteller: BOSCH
Artikelnummer: EB-F016308442-F016L35411
Netto: 3,63 € zzgl. MwSt.
zzgl. 6,90 € Versand (brutto)
einmalig pro Bestellung

Lieferzeit: 5 Werktage

Pos.
60/45
BOSCH Mutter M8 | Ersatzteile für BALMORAL 17SE | F016L35457
Hersteller: BOSCH
Artikelnummer: EB-F016308442-F016L35457
Netto: 3,60 € zzgl. MwSt.
zzgl. 6,90 € Versand (brutto)
einmalig pro Bestellung

Lieferzeit: 5 Werktage

Pos.
60/46
BOSCH Laufbolzen | Ersatzteile für BALMORAL 17SE | F016T46339
Hersteller: BOSCH
Artikelnummer: EB-F016308442-F016T46339
nur Informationsartikel
Nie mehr lieferbar
keine Alternativen
Pos.
60/47
BOSCH Scheibe | Ersatzteile für BALMORAL 17SE | F016T46684
Hersteller: BOSCH
Artikelnummer: EB-F016308442-F016T46684
Netto: 4,36 € zzgl. MwSt.
zzgl. 6,90 € Versand (brutto)
einmalig pro Bestellung

Lieferzeit: 5 Werktage

Pos.
60/48
BOSCH Sechskantschraube M8 | Ersatzteile für BALMORAL 17SE | F016T48048
Hersteller: BOSCH
Artikelnummer: EB-F016308442-F016T48048
Netto: 3,60 € zzgl. MwSt.
zzgl. 6,90 € Versand (brutto)
einmalig pro Bestellung

Lieferzeit: 5 Werktage

Pos.
60/49
BOSCH Vorlegscheibe | Ersatzteile für BALMORAL 17SE | F016T48359
Hersteller: BOSCH
Artikelnummer: EB-F016308442-F016T48359
nur Informationsartikel
Nie mehr lieferbar
keine Alternativen
Pos.
60/50
BOSCH Schraube M6 | Ersatzteile für BALMORAL 17SE | F016T48457
Hersteller: BOSCH
Artikelnummer: EB-F016308442-F016T48457
Netto: 4,32 € zzgl. MwSt.
zzgl. 6,90 € Versand (brutto)
einmalig pro Bestellung

Lieferzeit: 5 Werktage

Pos.
60/51
BOSCH Stellring | Ersatzteile für BALMORAL 17SE | F016T48549
Hersteller: BOSCH
Artikelnummer: EB-F016308442-F016T48549
nur Informationsartikel
Nie mehr lieferbar
keine Alternativen
Pos.
60/53
BOSCH Sechskantschraube WAS 170 | Ersatzteile für BALMORAL 17SE | F016W25213
Hersteller: BOSCH
Artikelnummer: EB-F016308442-F016W25213
nur Informationsartikel
Nie mehr lieferbar
keine Alternativen
Pos.
65/01/01/01
BOSCH Ersatzteil | Ersatzteile für BALMORAL 17SE | F016A75033
Hersteller: BOSCH
Artikelnummer: EB-F016308442-F016A75033
Netto: 301,21 € zzgl. MwSt.
zzgl. 6,90 € Versand (brutto)
einmalig pro Bestellung

Lieferzeit: 5 Werktage

Pos.
65/01/02
BOSCH Kupplungsstück | Ersatzteile für BALMORAL 17SE | F016A58602
Hersteller: BOSCH
Artikelnummer: EB-F016308442-F016A58602
nur Informationsartikel
Nie mehr lieferbar
keine Alternativen
Pos.
65/01/09
BOSCH Seilzug | Ersatzteile für BALMORAL 17SE | F016A58086
Hersteller: BOSCH
Artikelnummer: EB-F016308442-F016A58086
nur Informationsartikel
Nie mehr lieferbar
keine Alternativen
Pos.
65/01/20
BOSCH Laufbolzen M8 | Ersatzteile für BALMORAL 17SE | F016A58093
Hersteller: BOSCH
Artikelnummer: EB-F016308442-F016A58093
Netto: 3,60 € zzgl. MwSt.
zzgl. 6,90 € Versand (brutto)
einmalig pro Bestellung

Lieferzeit: 5 Werktage

Pos.
65/01/22
BOSCH Schraube | Ersatzteile für BALMORAL 17SE | F016L20896
Hersteller: BOSCH
Artikelnummer: EB-F016308442-F016L20896
nur Informationsartikel
Nie mehr lieferbar
keine Alternativen
Pos.
65/01/30
BOSCH Schalter | Ersatzteile für BALMORAL 17SE | F016A58561
Hersteller: BOSCH
Artikelnummer: EB-F016308442-F016A58561
nur Informationsartikel
Nie mehr lieferbar
keine Alternativen
Pos.
65/01/30/05
BOSCH Haltearm | Ersatzteile für BALMORAL 17SE | F016A58563
Hersteller: BOSCH
Artikelnummer: EB-F016308442-F016A58563
nur Informationsartikel
Nie mehr lieferbar
keine Alternativen
Pos.
65/01/32
BOSCH Schraube 5/16 UNF X 5/8 | Ersatzteile für BALMORAL 17SE | F016L20252
Hersteller: BOSCH
Artikelnummer: EB-F016308442-F016L20252
Netto: 3,60 € zzgl. MwSt.
zzgl. 6,90 € Versand (brutto)
einmalig pro Bestellung

Lieferzeit: 5 Werktage

Pos.
65/01/33
BOSCH Unterlegscheibe Ø8,15 MM | Ersatzteile für BALMORAL 17SE | F016T40590
Hersteller: BOSCH
Artikelnummer: EB-F016308442-F016T40590
nur Informationsartikel
Nie mehr lieferbar
keine Alternativen
Pos.
65/12
BOSCH Tankdeckel PCL89/QX | Ersatzteile für BALMORAL 17SE | F016L62783
Hersteller: BOSCH
Artikelnummer: EB-F016308442-F016L62783
nur Informationsartikel
Nie mehr lieferbar
keine Alternativen
Pos.
65/13
BOSCH Kraftstoffleitung | Ersatzteile für BALMORAL 17SE | F016103787
Hersteller: BOSCH
Artikelnummer: EB-F016308442-F016103787
nur Informationsartikel
Nie mehr lieferbar
keine Alternativen
Pos.
65/13/03
BOSCH Rohrschelle | Ersatzteile für BALMORAL 17SE | F016A57982
Hersteller: BOSCH
Artikelnummer: EB-F016308442-F016A57982
Netto: 3,60 € zzgl. MwSt.
zzgl. 6,90 € Versand (brutto)
einmalig pro Bestellung

Lieferzeit: 5 Werktage

Pos.
70/01
BOSCH Antriebswelle 17" | Ersatzteile für BALMORAL 17SE | F016A57739
Hersteller: BOSCH
Artikelnummer: EB-F016308442-F016A57739
nur Informationsartikel
Nie mehr lieferbar
keine Alternativen
Pos.
70/02
BOSCH Welle | Ersatzteile für BALMORAL 17SE | F016102295
Hersteller: BOSCH
Artikelnummer: EB-F016308442-F016102295
nur Informationsartikel
Nie mehr lieferbar
keine Alternativen
Pos.
70/03/05
BOSCH Buchse | Ersatzteile für BALMORAL 17SE | F016A57762
Hersteller: BOSCH
Artikelnummer: EB-F016308442-F016A57762
nur Informationsartikel
Nie mehr lieferbar
keine Alternativen
Pos.
70/05/02
BOSCH Buchse | Ersatzteile für BALMORAL 17SE | F016A57761
Hersteller: BOSCH
Artikelnummer: EB-F016308442-F016A57761
nur Informationsartikel
Nie mehr lieferbar
keine Alternativen
Pos.
70/06
BOSCH Riemenscheibe 46 MM | Ersatzteile für BALMORAL 17SE | F016A58726
Hersteller: BOSCH
Artikelnummer: EB-F016308442-F016A58726
nur Informationsartikel
Nie mehr lieferbar
keine Alternativen
Pos.
70/09
BOSCH Umlenkwalze | Ersatzteile für BALMORAL 17SE | F016102815
Hersteller: BOSCH
Artikelnummer: EB-F016308442-F016102815
nur Informationsartikel
Nie mehr lieferbar
keine Alternativen
Pos.
70/10
BOSCH Riemen | Ersatzteile für BALMORAL 17SE | F016A58728
Hersteller: BOSCH
Artikelnummer: EB-F016308442-F016A58728
nur Informationsartikel
Nie mehr lieferbar
keine Alternativen
Pos.
70/11
BOSCH Keilriemen | Ersatzteile für BALMORAL 17SE | F016A57941
Hersteller: BOSCH
Artikelnummer: EB-F016308442-F016A57941
nur Informationsartikel
Nie mehr lieferbar
keine Alternativen
Pos.
70/18
BOSCH Lagerhalter | Ersatzteile für BALMORAL 17SE | F016102969
Hersteller: BOSCH
Artikelnummer: EB-F016308442-F016102969
nur Informationsartikel
Nie mehr lieferbar
keine Alternativen
Pos.
70/19/02
BOSCH Lagerbuchse | Ersatzteile für BALMORAL 17SE | F016A57764
Hersteller: BOSCH
Artikelnummer: EB-F016308442-F016A57764
nur Informationsartikel
Nie mehr lieferbar
keine Alternativen
Pos.
70/21
BOSCH Distanzstück | Ersatzteile für BALMORAL 17SE | F016A58315
Hersteller: BOSCH
Artikelnummer: EB-F016308442-F016A58315
nur Informationsartikel
Nie mehr lieferbar
keine Alternativen
Pos.
70/22
BOSCH Feder | Ersatzteile für BALMORAL 17SE | F016A58316
Hersteller: BOSCH
Artikelnummer: EB-F016308442-F016A58316
nur Informationsartikel
Nie mehr lieferbar
keine Alternativen
Pos.
70/23
BOSCH Kupplungsstück | Ersatzteile für BALMORAL 17SE | F016L09518
Hersteller: BOSCH
Artikelnummer: EB-F016308442-F016L09518
nur Informationsartikel
Nie mehr lieferbar
keine Alternativen
Pos.
70/24
BOSCH Halter | Ersatzteile für BALMORAL 17SE | F016L66172
Hersteller: BOSCH
Artikelnummer: EB-F016308442-F016L66172
nur Informationsartikel
Nie mehr lieferbar
keine Alternativen
Pos.
70/25
BOSCH Beilegring | Ersatzteile für BALMORAL 17SE | F016A57780
Hersteller: BOSCH
Artikelnummer: EB-F016308442-F016A57780
nur Informationsartikel
Nie mehr lieferbar
keine Alternativen
Pos.
70/29
BOSCH Regelfeder | Ersatzteile für BALMORAL 17SE | F016A58531
Hersteller: BOSCH
Artikelnummer: EB-F016308442-F016A58531
nur Informationsartikel
Nie mehr lieferbar
keine Alternativen
Pos.
70/30
BOSCH Regelfeder | Ersatzteile für BALMORAL 17SE | F016A58530
Hersteller: BOSCH
Artikelnummer: EB-F016308442-F016A58530
nur Informationsartikel
Nie mehr lieferbar
keine Alternativen
Pos.
70/32
BOSCH Feder | Ersatzteile für BALMORAL 17SE | F016L08487
Hersteller: BOSCH
Artikelnummer: EB-F016308442-F016L08487
nur Informationsartikel
Nie mehr lieferbar
keine Alternativen
Pos.
70/34
BOSCH Lagerzapfen | Ersatzteile für BALMORAL 17SE | F016A58422
Hersteller: BOSCH
Artikelnummer: EB-F016308442-F016A58422
nur Informationsartikel
Nie mehr lieferbar
keine Alternativen
Pos.
70/35
BOSCH Riemenscheibe | Ersatzteile für BALMORAL 17SE | F016102067
Hersteller: BOSCH
Artikelnummer: EB-F016308442-F016102067
nur Informationsartikel
Nie mehr lieferbar
keine Alternativen
Pos.
70/41
BOSCH Sicherungsring | Ersatzteile für BALMORAL 17SE | F016A57759
Hersteller: BOSCH
Artikelnummer: EB-F016308442-F016A57759
nur Informationsartikel
Nie mehr lieferbar
keine Alternativen
Pos.
70/42
BOSCH Scheibe | Ersatzteile für BALMORAL 17SE | F016A57907
Hersteller: BOSCH
Artikelnummer: EB-F016308442-F016A57907
Netto: 3,63 € zzgl. MwSt.
zzgl. 6,90 € Versand (brutto)
einmalig pro Bestellung

Lieferzeit: 5 Werktage

Pos.
70/43
BOSCH Unterlegscheibe | Ersatzteile für BALMORAL 17SE | F016L09707
Hersteller: BOSCH
Artikelnummer: EB-F016308442-F016L09707
Netto: 3,60 € zzgl. MwSt.
zzgl. 6,90 € Versand (brutto)
einmalig pro Bestellung

Lieferzeit: 5 Werktage

Pos.
70/44
BOSCH Sicherungsmutter M8 | Ersatzteile für BALMORAL 17SE | F016L11218
Hersteller: BOSCH
Artikelnummer: EB-F016308442-F016L11218
nur Informationsartikel
Nie mehr lieferbar
keine Alternativen
Pos.
70/45
BOSCH Unterlegscheibe | Ersatzteile für BALMORAL 17SE | F016L17849
Hersteller: BOSCH
Artikelnummer: EB-F016308442-F016L17849
Netto: 3,63 € zzgl. MwSt.
zzgl. 6,90 € Versand (brutto)
einmalig pro Bestellung

Lieferzeit: 5 Werktage

Pos.
70/47
BOSCH Klemmutter M12 | Ersatzteile für BALMORAL 17SE | F016L18605
Hersteller: BOSCH
Artikelnummer: EB-F016308442-F016L18605
Netto: 3,60 € zzgl. MwSt.
zzgl. 6,90 € Versand (brutto)
einmalig pro Bestellung

Lieferzeit: 5 Werktage

Pos.
70/48
BOSCH Mutter M12 | Ersatzteile für BALMORAL 17SE | F016L23210
Hersteller: BOSCH
Artikelnummer: EB-F016308442-F016L23210
nur Informationsartikel
Nie mehr lieferbar
keine Alternativen
Pos.
70/51
BOSCH Gewindeschneidschraube M6 | Ersatzteile für BALMORAL 17SE | F016L35387
Hersteller: BOSCH
Artikelnummer: EB-F016308442-F016L35387
Netto: 3,63 € zzgl. MwSt.
zzgl. 6,90 € Versand (brutto)
einmalig pro Bestellung

Lieferzeit: 5 Werktage

Pos.
70/55
BOSCH Scheibe | Ersatzteile für BALMORAL 17SE | F016T42988
Hersteller: BOSCH
Artikelnummer: EB-F016308442-F016T42988
nur Informationsartikel
Nie mehr lieferbar
keine Alternativen
Pos.
70/56
BOSCH Laufbolzen | Ersatzteile für BALMORAL 17SE | F016T48017
Hersteller: BOSCH
Artikelnummer: EB-F016308442-F016T48017
nur Informationsartikel
Nie mehr lieferbar
keine Alternativen
Pos.
75/01/01
BOSCH Bügel | Ersatzteile für BALMORAL 17SE | F016A57847
Hersteller: BOSCH
Artikelnummer: EB-F016308442-F016A57847
nur Informationsartikel
Nie mehr lieferbar
keine Alternativen
Pos.
75/01/40/02
BOSCH Spindel | Ersatzteile für BALMORAL 17SE | F016A57966
Hersteller: BOSCH
Artikelnummer: EB-F016308442-F016A57966
nur Informationsartikel
Nie mehr lieferbar
keine Alternativen
Pos.
75/01/40/03
BOSCH Beilegring | Ersatzteile für BALMORAL 17SE | F016L37421
Hersteller: BOSCH
Artikelnummer: EB-F016308442-F016L37421
nur Informationsartikel
Nie mehr lieferbar
keine Alternativen
Pos.
75/01/40/04
BOSCH Beilegring | Ersatzteile für BALMORAL 17SE | F016T48496
Hersteller: BOSCH
Artikelnummer: EB-F016308442-F016T48496
Netto: 5,17 € zzgl. MwSt.
zzgl. 6,90 € Versand (brutto)
einmalig pro Bestellung

Lieferzeit: 5 Werktage

Pos.
75/01/40/05
BOSCH Gehäuse L/H | Ersatzteile für BALMORAL 17SE | F016T48487
Hersteller: BOSCH
Artikelnummer: EB-F016308442-F016T48487
Netto: 4,32 € zzgl. MwSt.
zzgl. 6,90 € Versand (brutto)
einmalig pro Bestellung

Lieferzeit: 5 Werktage

Pos.
75/01/40/06
BOSCH Gehäuse R/H | Ersatzteile für BALMORAL 17SE | F016T49289
Hersteller: BOSCH
Artikelnummer: EB-F016308442-F016T49289
Netto: 4,36 € zzgl. MwSt.
zzgl. 6,90 € Versand (brutto)
einmalig pro Bestellung

Lieferzeit: 5 Werktage

Pos.
75/01/40/07
BOSCH Klemmstück | Ersatzteile für BALMORAL 17SE | F016T48550
Hersteller: BOSCH
Artikelnummer: EB-F016308442-F016T48550
nur Informationsartikel
Nie mehr lieferbar
keine Alternativen
Pos.
75/01/40/09
BOSCH Mitnehmerplatte | Ersatzteile für BALMORAL 17SE | F016T48525
Hersteller: BOSCH
Artikelnummer: EB-F016308442-F016T48525
nur Informationsartikel
Nie mehr lieferbar
keine Alternativen
Pos.
75/01/40/17
BOSCH Kabelbaum | Ersatzteile für BALMORAL 17SE | F016A57956
Hersteller: BOSCH
Artikelnummer: EB-F016308442-F016A57956
nur Informationsartikel
Nie mehr lieferbar
keine Alternativen
Pos.
75/01/40/18
BOSCH Beilegring | Ersatzteile für BALMORAL 17SE | F016A57985
Hersteller: BOSCH
Artikelnummer: EB-F016308442-F016A57985
Netto: 4,36 € zzgl. MwSt.
zzgl. 6,90 € Versand (brutto)
einmalig pro Bestellung

Lieferzeit: 5 Werktage

Pos.
75/01/40/20
BOSCH Vorlegscheibe M 20 | Ersatzteile für BALMORAL 17SE | F016T48341
Hersteller: BOSCH
Artikelnummer: EB-F016308442-F016T48341
nur Informationsartikel
Nie mehr lieferbar
keine Alternativen
Pos.
75/01/40/21
BOSCH Unterlegscheibe M 20 | Ersatzteile für BALMORAL 17SE | F016T48342
Hersteller: BOSCH
Artikelnummer: EB-F016308442-F016T48342
nur Informationsartikel
Nie mehr lieferbar
keine Alternativen
Pos.
75/01/40/22
BOSCH Schraube | Ersatzteile für BALMORAL 17SE | F016T48535
Hersteller: BOSCH
Artikelnummer: EB-F016308442-F016T48535
Netto: 3,62 € zzgl. MwSt.
zzgl. 6,90 € Versand (brutto)
einmalig pro Bestellung

Lieferzeit: 5 Werktage

Pos.
75/01/40/23
BOSCH Sicherungsbügel | Ersatzteile für BALMORAL 17SE | F016T48560
Hersteller: BOSCH
Artikelnummer: EB-F016308442-F016T48560
nur Informationsartikel
Nie mehr lieferbar
keine Alternativen
Pos.
75/01/40/24
BOSCH Scheibe M 20 | Ersatzteile für BALMORAL 17SE | F016T48777
Hersteller: BOSCH
Artikelnummer: EB-F016308442-F016T48777
nur Informationsartikel
Nie mehr lieferbar
keine Alternativen
Pos.
75/01/42
BOSCH Gewindeschneidschraube | Ersatzteile für BALMORAL 17SE | F016T48462
Hersteller: BOSCH
Artikelnummer: EB-F016308442-F016T48462
Netto: 3,60 € zzgl. MwSt.
zzgl. 6,90 € Versand (brutto)
einmalig pro Bestellung

Lieferzeit: 5 Werktage

Pos.
75/01/43
BOSCH Unterlegscheibe 8,5 MM | Ersatzteile für BALMORAL 17SE | F016L35316
Hersteller: BOSCH
Artikelnummer: EB-F016308442-F016L35316
Netto: 3,60 € zzgl. MwSt.
zzgl. 6,90 € Versand (brutto)
einmalig pro Bestellung

Lieferzeit: 5 Werktage

Pos.
75/01/44
BOSCH Verschlussdeckel | Ersatzteile für BALMORAL 17SE | F016T48461
Hersteller: BOSCH
Artikelnummer: EB-F016308442-F016T48461
nur Informationsartikel
Nie mehr lieferbar
keine Alternativen
Pos.
75/03
BOSCH Klemmbügel | Ersatzteile für BALMORAL 17SE | F016102053
Hersteller: BOSCH
Artikelnummer: EB-F016308442-F016102053
nur Informationsartikel
Nie mehr lieferbar
keine Alternativen
Pos.
75/04
BOSCH Klemmbügel | Ersatzteile für BALMORAL 17SE | F016102054
Hersteller: BOSCH
Artikelnummer: EB-F016308442-F016102054
nur Informationsartikel
Nie mehr lieferbar
keine Alternativen
Pos.
75/05
BOSCH Hebel | Ersatzteile für BALMORAL 17SE | F016103833
Hersteller: BOSCH
Artikelnummer: EB-F016308442-F016103833
nur Informationsartikel
Nie mehr lieferbar
keine Alternativen
Pos.
75/06
BOSCH Schalthebel | Ersatzteile für BALMORAL 17SE | F016L36714
Hersteller: BOSCH
Artikelnummer: EB-F016308442-F016L36714
nur Informationsartikel
Nie mehr lieferbar
keine Alternativen
Pos.
75/08
BOSCH Halter | Ersatzteile für BALMORAL 17SE | F016L36717
Hersteller: BOSCH
Artikelnummer: EB-F016308442-F016L36717
nur Informationsartikel
Nie mehr lieferbar
keine Alternativen
Pos.
75/09
BOSCH Buchse | Ersatzteile für BALMORAL 17SE | F016L36719
Hersteller: BOSCH
Artikelnummer: EB-F016308442-F016L36719
nur Informationsartikel
Nie mehr lieferbar
keine Alternativen
Pos.
75/1/40/08
BOSCH Schalthebel | Ersatzteile für BALMORAL 17SE | F016102221
Hersteller: BOSCH
Artikelnummer: EB-F016308442-F016102221
nur Informationsartikel
Nie mehr lieferbar
keine Alternativen
Pos.
75/10
BOSCH Sicherungskappe Ø8 MM SCHWARZ | Ersatzteile für BALMORAL 17SE | F016T48990
Hersteller: BOSCH
Artikelnummer: EB-F016308442-F016T48990
Netto: 3,63 € zzgl. MwSt.
zzgl. 6,90 € Versand (brutto)
einmalig pro Bestellung

Lieferzeit: 5 Werktage

Pos.
75/11
BOSCH Seilzug | Ersatzteile für BALMORAL 17SE | F016A58035
Hersteller: BOSCH
Artikelnummer: EB-F016308442-F016A58035
nur Informationsartikel
Nie mehr lieferbar
keine Alternativen
Pos.
75/12
BOSCH Einstellstück | Ersatzteile für BALMORAL 17SE | F016A58040
Hersteller: BOSCH
Artikelnummer: EB-F016308442-F016A58040
nur Informationsartikel
Nie mehr lieferbar
keine Alternativen
Pos.
75/12
BOSCH Seilzug | Ersatzteile für BALMORAL 17SE | F016A58036
Hersteller: BOSCH
Artikelnummer: EB-F016308442-F016A58036
nur Informationsartikel
Nie mehr lieferbar
keine Alternativen
Pos.
75/13
BOSCH Verschlussstift | Ersatzteile für BALMORAL 17SE | F016A58203
Hersteller: BOSCH
Artikelnummer: EB-F016308442-F016A58203
nur Informationsartikel
Nie mehr lieferbar
keine Alternativen
Pos.
75/14
BOSCH Hebel | Ersatzteile für BALMORAL 17SE | F016T48856
Hersteller: BOSCH
Artikelnummer: EB-F016308442-F016T48856
nur Informationsartikel
Nie mehr lieferbar
keine Alternativen
Pos.
75/15
BOSCH Hebel | Ersatzteile für BALMORAL 17SE | F016T48384
Hersteller: BOSCH
Artikelnummer: EB-F016308442-F016T48384
Netto: 5,65 € zzgl. MwSt.
zzgl. 6,90 € Versand (brutto)
einmalig pro Bestellung

Lieferzeit: 5 Werktage

Pos.
75/16
BOSCH Halter | Ersatzteile für BALMORAL 17SE | F016103834
Hersteller: BOSCH
Artikelnummer: EB-F016308442-F016103834
Netto: 7,30 € zzgl. MwSt.
zzgl. 6,90 € Versand (brutto)
einmalig pro Bestellung

Lieferzeit: 64 Werktage

Pos.
75/25
BOSCH Mutter M4 | Ersatzteile für BALMORAL 17SE | F016L59927
Hersteller: BOSCH
Artikelnummer: EB-F016308442-F016L59927
nur Informationsartikel
Nie mehr lieferbar
keine Alternativen
Pos.
75/26
BOSCH Federscheibe M6 | Ersatzteile für BALMORAL 17SE | F016L22700
Hersteller: BOSCH
Artikelnummer: EB-F016308442-F016L22700
Netto: 3,60 € zzgl. MwSt.
zzgl. 6,90 € Versand (brutto)
einmalig pro Bestellung

Lieferzeit: 5 Werktage

Pos.
75/27
BOSCH Spezialmutter | Ersatzteile für BALMORAL 17SE | F016L22701
Hersteller: BOSCH
Artikelnummer: EB-F016308442-F016L22701
Netto: 4,36 € zzgl. MwSt.
zzgl. 6,90 € Versand (brutto)
einmalig pro Bestellung

Lieferzeit: 5 Werktage

Pos.
75/29
BOSCH Mutter M5 | Ersatzteile für BALMORAL 17SE | F016L36836
Hersteller: BOSCH
Artikelnummer: EB-F016308442-F016L36836
Netto: 3,60 € zzgl. MwSt.
zzgl. 6,90 € Versand (brutto)
einmalig pro Bestellung

Lieferzeit: 5 Werktage

Pos.
75/30
BOSCH Schraube | Ersatzteile für BALMORAL 17SE | F016T48002
Hersteller: BOSCH
Artikelnummer: EB-F016308442-F016T48002
Netto: 3,63 € zzgl. MwSt.
zzgl. 6,90 € Versand (brutto)
einmalig pro Bestellung

Lieferzeit: 5 Werktage

Pos.
75/31
BOSCH Zylinderstift | Ersatzteile für BALMORAL 17SE | F016T56145
Hersteller: BOSCH
Artikelnummer: EB-F016308442-F016T56145
Netto: 3,63 € zzgl. MwSt.
zzgl. 6,90 € Versand (brutto)
einmalig pro Bestellung

Lieferzeit: 5 Werktage

Pos.
80/02
BOSCH Auffangbehälter | Ersatzteile für BALMORAL 17SE | F016A58176
Hersteller: BOSCH
Artikelnummer: EB-F016308442-F016A58176
nur Informationsartikel
Nie mehr lieferbar
keine Alternativen
Pos.
840/01
BOSCH Gehäuse | Ersatzteile für BALMORAL 17SE | F016S50103
Hersteller: BOSCH
Artikelnummer: EB-F016308442-F016S50103
nur Informationsartikel
Nie mehr lieferbar
keine Alternativen
Pos.
840/05
BOSCH Schutzdeckel 17" | Ersatzteile für BALMORAL 17SE | F016S50077
Hersteller: BOSCH
Artikelnummer: EB-F016308442-F016S50077
Netto: 23,72 € zzgl. MwSt.
zzgl. 6,90 € Versand (brutto)
einmalig pro Bestellung

Lieferzeit: 5 Werktage

Pos.
840/06
BOSCH Befestigungswinkel 17" | Ersatzteile für BALMORAL 17SE | F016102072
Hersteller: BOSCH
Artikelnummer: EB-F016308442-F016102072
nur Informationsartikel
Nie mehr lieferbar
keine Alternativen
Pos.
840/07
BOSCH Haltearm | Ersatzteile für BALMORAL 17SE | F016S50085
Hersteller: BOSCH
Artikelnummer: EB-F016308442-F016S50085
nur Informationsartikel
Nie mehr lieferbar
keine Alternativen
Pos.
840/09
BOSCH Batteriebox | Ersatzteile für BALMORAL 17SE | F016S50084
Hersteller: BOSCH
Artikelnummer: EB-F016308442-F016S50084
Netto: 20,80 € zzgl. MwSt.
zzgl. 6,90 € Versand (brutto)
einmalig pro Bestellung

Lieferzeit: 5 Werktage

Pos.
85/02/12
BOSCH Stiftschlüssel | Ersatzteile für BALMORAL 17SE | F016A58230
Hersteller: BOSCH
Artikelnummer: EB-F016308442-F016A58230
Netto: 3,63 € zzgl. MwSt.
zzgl. 6,90 € Versand (brutto)
einmalig pro Bestellung

Lieferzeit: 5 Werktage

Pos.
85/02/13
BOSCH Kabelklemme | Ersatzteile für BALMORAL 17SE | F016T49524
Hersteller: BOSCH
Artikelnummer: EB-F016308442-F016T49524
Netto: 3,94 € zzgl. MwSt.
zzgl. 6,90 € Versand (brutto)
einmalig pro Bestellung

Lieferzeit: 5 Werktage

Pos.
85/02/14
BOSCH Laufrolle | Ersatzteile für BALMORAL 17SE | F016L22149
Hersteller: BOSCH
Artikelnummer: EB-F016308442-F016L22149
nur Informationsartikel
Nie mehr lieferbar
keine Alternativen
Pos.
85/02/16
BOSCH Schraube M5x32 | Ersatzteile für BALMORAL 17SE | F016L36722
Hersteller: BOSCH
Artikelnummer: EB-F016308442-F016L36722
Netto: 3,63 € zzgl. MwSt.
zzgl. 6,90 € Versand (brutto)
einmalig pro Bestellung

Lieferzeit: 5 Werktage

Pos.
85/33
BOSCH Spindel 17" | Ersatzteile für BALMORAL 17SE | F016L64555
Hersteller: BOSCH
Artikelnummer: EB-F016308442-F016L64555
nur Informationsartikel
Nie mehr lieferbar
keine Alternativen
Pos.
85/34
BOSCH Abstandshülse | Ersatzteile für BALMORAL 17SE | F016A57834
Hersteller: BOSCH
Artikelnummer: EB-F016308442-F016A57834
Netto: 4,56 € zzgl. MwSt.
zzgl. 6,90 € Versand (brutto)
einmalig pro Bestellung

Lieferzeit: 5 Werktage

Pos.
850/01
BOSCH Rolle | Ersatzteile für BALMORAL 17SE | F016103776
Hersteller: BOSCH
Artikelnummer: EB-F016308442-F016103776
nur Informationsartikel
Nie mehr lieferbar
keine Alternativen
Pos.
855/03
BOSCH Handgriff | Ersatzteile für BALMORAL 17SE | F016S50062
Hersteller: BOSCH
Artikelnummer: EB-F016308442-F016S50062
nur Informationsartikel
Nie mehr lieferbar
keine Alternativen
Pos.
855/04
BOSCH Ablenkplatte | Ersatzteile für BALMORAL 17SE | F016103771
Hersteller: BOSCH
Artikelnummer: EB-F016308442-F016103771
nur Informationsartikel
Nie mehr lieferbar
keine Alternativen
Pos.
855/05
BOSCH Untermesser 17" | Ersatzteile für BALMORAL 17SE | F016101517
Hersteller: BOSCH
Artikelnummer: EB-F016308442-F016101517
nur Informationsartikel
Nie mehr lieferbar
keine Alternativen
Pos.
855/08
BOSCH Lager | Ersatzteile für BALMORAL 17SE | F016102805
Hersteller: BOSCH
Artikelnummer: EB-F016308442-F016102805
nur Informationsartikel
Nie mehr lieferbar
keine Alternativen
Pos.
860/01
BOSCH Rollenträger | Ersatzteile für BALMORAL 17SE | F016S50068
Hersteller: BOSCH
Artikelnummer: EB-F016308442-F016S50068
nur Informationsartikel
Nie mehr lieferbar
keine Alternativen
Pos.
860/18
BOSCH Gestänge | Ersatzteile für BALMORAL 17SE | F016103796
Hersteller: BOSCH
Artikelnummer: EB-F016308442-F016103796
nur Informationsartikel
Nie mehr lieferbar
keine Alternativen
Pos.
860/30/01
BOSCH Rechen | Ersatzteile für BALMORAL 17SE | F016102985
Hersteller: BOSCH
Artikelnummer: EB-F016308442-F016102985
nur Informationsartikel
Nie mehr lieferbar
keine Alternativen
Pos.
865/11
BOSCH Kraftstoffbehälter | Ersatzteile für BALMORAL 17SE | F016102376
Hersteller: BOSCH
Artikelnummer: EB-F016308442-F016102376
nur Informationsartikel
Nie mehr lieferbar
keine Alternativen
Pos.
870/03
BOSCH Getriebeeinheit | Ersatzteile für BALMORAL 17SE | F016102377
Hersteller: BOSCH
Artikelnummer: EB-F016308442-F016102377
nur Informationsartikel
Nie mehr lieferbar
keine Alternativen
Pos.
870/04
BOSCH Riemenscheibe | Ersatzteile für BALMORAL 17SE | F016103221
Hersteller: BOSCH
Artikelnummer: EB-F016308442-F016103221
nur Informationsartikel
Nie mehr lieferbar
keine Alternativen
Pos.
870/05
BOSCH Zahnrad | Ersatzteile für BALMORAL 17SE | F016102379
Hersteller: BOSCH
Artikelnummer: EB-F016308442-F016102379
nur Informationsartikel
Nie mehr lieferbar
keine Alternativen
Pos.
870/07
BOSCH Rolle | Ersatzteile für BALMORAL 17SE | F016102282
Hersteller: BOSCH
Artikelnummer: EB-F016308442-F016102282
nur Informationsartikel
Nie mehr lieferbar
keine Alternativen
Pos.
870/13
BOSCH Getriebebock S/A | Ersatzteile für BALMORAL 17SE | F016102378
Hersteller: BOSCH
Artikelnummer: EB-F016308442-F016102378
nur Informationsartikel
Nie mehr lieferbar
keine Alternativen
Pos.
870/14
BOSCH Führungsstein | Ersatzteile für BALMORAL 17SE | F016102818
Hersteller: BOSCH
Artikelnummer: EB-F016308442-F016102818
nur Informationsartikel
Nie mehr lieferbar
keine Alternativen
Pos.
870/17
BOSCH Gurtbringer | Ersatzteile für BALMORAL 17SE | F016103152
Hersteller: BOSCH
Artikelnummer: EB-F016308442-F016103152
nur Informationsartikel
Nie mehr lieferbar
keine Alternativen
Pos.
870/19
BOSCH Halterung | Ersatzteile für BALMORAL 17SE | F016102382
Hersteller: BOSCH
Artikelnummer: EB-F016308442-F016102382
nur Informationsartikel
Nie mehr lieferbar
keine Alternativen
Pos.
880/01
BOSCH Stützrohr | Ersatzteile für BALMORAL 17SE | F016103780
Hersteller: BOSCH
Artikelnummer: EB-F016308442-F016103780
Netto: 42,08 € zzgl. MwSt.
zzgl. 6,90 € Versand (brutto)
einmalig pro Bestellung

Lieferzeit: 5 Werktage

Pos.
850
BOSCH Walze 17" | Ersatzteile für BALMORAL 17SE | F016102834
Hersteller: BOSCH
Artikelnummer: EB-F016308442-F016102834
nur Informationsartikel
Nie mehr lieferbar
keine Alternativen
Pos.
855
BOSCH Kassette | Ersatzteile für BALMORAL 17SE | F016102963
Hersteller: BOSCH
Artikelnummer: EB-F016308442-F016102963
nur Informationsartikel
Nie mehr lieferbar
keine Alternativen
Pos.
8751
BOSCH Tastenschalter | Ersatzteile für BALMORAL 17SE | F016L35272
Hersteller: BOSCH
Artikelnummer: EB-F016308442-F016L35272
nur Informationsartikel
Nie mehr lieferbar
keine Alternativen
Pos.
8756
BOSCH Reparatursatz | Ersatzteile für BALMORAL 17SE | F016L37700
Hersteller: BOSCH
Artikelnummer: EB-F016308442-F016L37700
nur Informationsartikel
Nie mehr lieferbar
keine Alternativen

Angaben zur Produktsicherheit

Hersteller:
Robert Bosch Power Tools GmbH
Postfach 30 02 20
70442 Stuttgart

E-Mail:
kontakt@bosch.de