BOSCH Scheibe | Ersatzteile für BALMORAL 20S | F016T46684

Artikelnummer: EB-F016L80603-F016T46684

Position: 86

Marke: BOSCH


Bitte Kompatibilität prüfen!

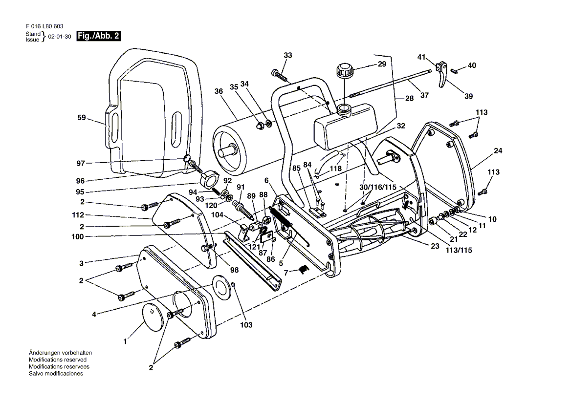
Bitte prüfen Sie unbedingt die 10-stellige Typennummer Ihrer Maschine / Ihres Gerätes. Das Ersatzteil ist nur kompatibel, wenn Sie die Typennummer Ihrer Maschine in der unten stehenden Produktbeschreibung finden.

Bitte prüfen Sie ebenfalls detailliert die Explosionszeichnung mit Ihrem Artikelwunsch und der jeweiligen Pos-Nummer.

Alle Elemente, welche vom schwarzen Strich der Pos-Nummer ausgehend berührt / erfasst werden, gehören zu dieser Pos-Nummer und somit zu diesem Artikel. Jede Pos-Nummer ist ein eigenständiger Artikel, welchen Sie in der Auflistung finden.

Sie erhalten stets die aktuellste, neueste Produktversion zu der gewählten Pos-Nummer seitens des Herstellers. Es kann daher je nach Gerätealter vorkommen, dass Sie ggf. weitere, zugehörige Elemente, welche an diese Pos-Nummer grenzen, ebenfalls mittauschen müssen.

Nähere Informationen finden Sie unter dem Link
Hinweise zu Ihrer BOSCH Ersatzteilsuche

Preisübersicht

Einzelpreis: 4,36 €* (Brutto: 5,19 €)
Gesamtpreis: 4,36 €* 
Position:

Lieferzeit: 5 Werktage


Beschreibung

  • Scheibe
  • Original Bosch Zubehör / BOSCH Ersatzteil (F016T46684)
  • im Gerät verbaut: 1
Dieses BOSCH Ersatzteil ist mit folgendem Gerät und Modell kompatibel:
  • BOSCH Gerätename: BALMORAL 20S
  • BOSCH Explosionszeichnung: Position 86
  • BOSCH Typennummer: F016L80603
  • BOSCH Typennummer alternative Schreibweisen: F 016 L80 603, F016 L80 603, F.016.L80.603, F-016-L80-603
    Bitte prüfen Sie diese Typennummer auf Ihrem Gerät um die Kompatibilität des BOSCH Ersatzteils zu gewährleisten.
Weitere BOSCH Ersatzteile des Gerätes BALMORAL 20S (Rasenmäher) mit der Typennummer F016L80603 finden Sie in der nachfolgenden Darstellung und im Dropdown zu Ihrer Auswahl:

Pos.
1
BOSCH Deckel | Ersatzteile für BALMORAL 20S | F016A57576
Hersteller: BOSCH
Artikelnummer: EB-F016L80603-F016A57576
nur Informationsartikel
Nie mehr lieferbar
keine Alternativen
Pos.
2
BOSCH Schraube M6 | Ersatzteile für BALMORAL 20S | F016A58228
Hersteller: BOSCH
Artikelnummer: EB-F016L80603-F016A58228
nur Informationsartikel
Nie mehr lieferbar
keine Alternativen
Pos.
3
BOSCH Seitendeckel RH | Ersatzteile für BALMORAL 20S | F016A75089
Hersteller: BOSCH
Artikelnummer: EB-F016L80603-F016A75089
nur Informationsartikel
Nie mehr lieferbar
keine Alternativen
Pos.
4
BOSCH Scheibe | Ersatzteile für BALMORAL 20S | F016A57577
Hersteller: BOSCH
Artikelnummer: EB-F016L80603-F016A57577
nur Informationsartikel
Nie mehr lieferbar
keine Alternativen
Pos.
5
BOSCH Feder | Ersatzteile für BALMORAL 20S | F016A57995
Hersteller: BOSCH
Artikelnummer: EB-F016L80603-F016A57995
nur Informationsartikel
Nie mehr lieferbar
keine Alternativen
Pos.
6
BOSCH Teilesatz 14" | Ersatzteile für BALMORAL 20S | F016103396
Hersteller: BOSCH
Artikelnummer: EB-F016L80603-F016103396
nur Informationsartikel
Nie mehr lieferbar
keine Alternativen
Pos.
6
BOSCH Teilesatz 20" | Ersatzteile für BALMORAL 20S | F016103398
Hersteller: BOSCH
Artikelnummer: EB-F016L80603-F016103398
nur Informationsartikel
Nie mehr lieferbar
keine Alternativen
Pos.
7
BOSCH Feder | Ersatzteile für BALMORAL 20S | F016A57820
Hersteller: BOSCH
Artikelnummer: EB-F016L80603-F016A57820
Netto: 3,94 € zzgl. MwSt.
zzgl. 6,90 € Versand (brutto)
einmalig pro Bestellung

Lieferzeit: 5 Werktage

Pos.
8
BOSCH Lagerbuchse | Ersatzteile für BALMORAL 20S | F016A57675
Hersteller: BOSCH
Artikelnummer: EB-F016L80603-F016A57675
nur Informationsartikel
Nie mehr lieferbar
keine Alternativen
Pos.
9
BOSCH Walze | Ersatzteile für BALMORAL 20S | F016S50069
Hersteller: BOSCH
Artikelnummer: EB-F016L80603-F016S50069
nur Informationsartikel
Nie mehr lieferbar
keine Alternativen
Pos.
10
BOSCH Mutter M8 | Ersatzteile für BALMORAL 20S | F016L35457
Hersteller: BOSCH
Artikelnummer: EB-F016L80603-F016L35457
Netto: 3,60 € zzgl. MwSt.
zzgl. 6,90 € Versand (brutto)
einmalig pro Bestellung

Lieferzeit: 5 Werktage

Pos.
11
BOSCH Federscheibe 5/16 SW SE | Ersatzteile für BALMORAL 20S | F016L35307
Hersteller: BOSCH
Artikelnummer: EB-F016L80603-F016L35307
Netto: 3,63 € zzgl. MwSt.
zzgl. 6,90 € Versand (brutto)
einmalig pro Bestellung

Lieferzeit: 5 Werktage

Pos.
12
BOSCH Unterlegscheibe 8,5 MM | Ersatzteile für BALMORAL 20S | F016L35411
Hersteller: BOSCH
Artikelnummer: EB-F016L80603-F016L35411
Netto: 3,63 € zzgl. MwSt.
zzgl. 6,90 € Versand (brutto)
einmalig pro Bestellung

Lieferzeit: 5 Werktage

Pos.
13
BOSCH Spindel | Ersatzteile für BALMORAL 20S | F016A57755
Hersteller: BOSCH
Artikelnummer: EB-F016L80603-F016A57755
nur Informationsartikel
Nie mehr lieferbar
keine Alternativen
Pos.
14
BOSCH Rolle | Ersatzteile für BALMORAL 20S | F016A57745
Hersteller: BOSCH
Artikelnummer: EB-F016L80603-F016A57745
nur Informationsartikel
Nie mehr lieferbar
keine Alternativen
Pos.
16
BOSCH Unterlegscheibe | Ersatzteile für BALMORAL 20S | F016L09602
Hersteller: BOSCH
Artikelnummer: EB-F016L80603-F016L09602
Netto: 3,63 € zzgl. MwSt.
zzgl. 6,90 € Versand (brutto)
einmalig pro Bestellung

Lieferzeit: 5 Werktage

Pos.
17
BOSCH Laufrolle | Ersatzteile für BALMORAL 20S | F016L22149
Hersteller: BOSCH
Artikelnummer: EB-F016L80603-F016L22149
nur Informationsartikel
Nie mehr lieferbar
keine Alternativen
Pos.
18
BOSCH Abstandshülse | Ersatzteile für BALMORAL 20S | F016A57837
Hersteller: BOSCH
Artikelnummer: EB-F016L80603-F016A57837
nur Informationsartikel
Nie mehr lieferbar
keine Alternativen
Pos.
19
BOSCH Stützrohr | Ersatzteile für BALMORAL 20S | F016103781
Hersteller: BOSCH
Artikelnummer: EB-F016L80603-F016103781
nur Informationsartikel
Nie mehr lieferbar
keine Alternativen
Pos.
20
BOSCH Sechskantschraube WAS 170 | Ersatzteile für BALMORAL 20S | F016W25213
Hersteller: BOSCH
Artikelnummer: EB-F016L80603-F016W25213
nur Informationsartikel
Nie mehr lieferbar
keine Alternativen
Pos.
21
BOSCH Kappe | Ersatzteile für BALMORAL 20S | F016A57676
Hersteller: BOSCH
Artikelnummer: EB-F016L80603-F016A57676
Netto: 3,63 € zzgl. MwSt.
zzgl. 6,90 € Versand (brutto)
einmalig pro Bestellung

Lieferzeit: 5 Werktage

Pos.
22
BOSCH Zapfen L/H | Ersatzteile für BALMORAL 20S | F016A57748
Hersteller: BOSCH
Artikelnummer: EB-F016L80603-F016A57748
Netto: 3,63 € zzgl. MwSt.
zzgl. 6,90 € Versand (brutto)
einmalig pro Bestellung

Lieferzeit: 5 Werktage

Pos.
23
BOSCH Kassette | Ersatzteile für BALMORAL 20S | F016102964
Hersteller: BOSCH
Artikelnummer: EB-F016L80603-F016102964
nur Informationsartikel
Nie mehr lieferbar
keine Alternativen
Pos.
24
BOSCH Schutzdeckel LH | Ersatzteile für BALMORAL 20S | F016A75398
Hersteller: BOSCH
Artikelnummer: EB-F016L80603-F016A75398
nur Informationsartikel
Nie mehr lieferbar
keine Alternativen
Pos.
25
BOSCH Kreuzschlitzschraube M5 | Ersatzteile für BALMORAL 20S | F016A57756
Hersteller: BOSCH
Artikelnummer: EB-F016L80603-F016A57756
Netto: 3,60 € zzgl. MwSt.
zzgl. 6,90 € Versand (brutto)
einmalig pro Bestellung

Lieferzeit: 5 Werktage

Pos.
26
BOSCH Ersatzteil | Ersatzteile für BALMORAL 20S | F016S50099
Hersteller: BOSCH
Artikelnummer: EB-F016L80603-F016S50099
nur Informationsartikel
Nie mehr lieferbar
keine Alternativen
Pos.
27
BOSCH Ersatzteil | Ersatzteile für BALMORAL 20S | F016A75032
Hersteller: BOSCH
Artikelnummer: EB-F016L80603-F016A75032
nur Informationsartikel
Nie mehr lieferbar
keine Alternativen
Pos.
28
BOSCH Kraftstoffbehälter | Ersatzteile für BALMORAL 20S | F016102376
Hersteller: BOSCH
Artikelnummer: EB-F016L80603-F016102376
nur Informationsartikel
Nie mehr lieferbar
keine Alternativen
Pos.
29
BOSCH Tankdeckel PCL89/QX | Ersatzteile für BALMORAL 20S | F016L62783
Hersteller: BOSCH
Artikelnummer: EB-F016L80603-F016L62783
nur Informationsartikel
Nie mehr lieferbar
keine Alternativen
Pos.
32
BOSCH Kraftstoffleitung | Ersatzteile für BALMORAL 20S | F016103787
Hersteller: BOSCH
Artikelnummer: EB-F016L80603-F016103787
nur Informationsartikel
Nie mehr lieferbar
keine Alternativen
Pos.
34
BOSCH Federscheibe M6 | Ersatzteile für BALMORAL 20S | F016L22700
Hersteller: BOSCH
Artikelnummer: EB-F016L80603-F016L22700
Netto: 3,60 € zzgl. MwSt.
zzgl. 6,90 € Versand (brutto)
einmalig pro Bestellung

Lieferzeit: 5 Werktage

Pos.
35
BOSCH Spezialmutter | Ersatzteile für BALMORAL 20S | F016L22701
Hersteller: BOSCH
Artikelnummer: EB-F016L80603-F016L22701
Netto: 4,36 € zzgl. MwSt.
zzgl. 6,90 € Versand (brutto)
einmalig pro Bestellung

Lieferzeit: 5 Werktage

Pos.
36
BOSCH Rolle 14" | Ersatzteile für BALMORAL 20S | F016103622
Hersteller: BOSCH
Artikelnummer: EB-F016L80603-F016103622
nur Informationsartikel
Nie mehr lieferbar
keine Alternativen
Pos.
37
BOSCH Spindel | Ersatzteile für BALMORAL 20S | F016T48385
Hersteller: BOSCH
Artikelnummer: EB-F016L80603-F016T48385
Netto: 7,26 € zzgl. MwSt.
zzgl. 6,90 € Versand (brutto)
einmalig pro Bestellung

Lieferzeit: 5 Werktage

Pos.
38
BOSCH Kabelklemme | Ersatzteile für BALMORAL 20S | F016T49524
Hersteller: BOSCH
Artikelnummer: EB-F016L80603-F016T49524
Netto: 3,94 € zzgl. MwSt.
zzgl. 6,90 € Versand (brutto)
einmalig pro Bestellung

Lieferzeit: 5 Werktage

Pos.
39
BOSCH Hebel | Ersatzteile für BALMORAL 20S | F016T48384
Hersteller: BOSCH
Artikelnummer: EB-F016L80603-F016T48384
Netto: 5,65 € zzgl. MwSt.
zzgl. 6,90 € Versand (brutto)
einmalig pro Bestellung

Lieferzeit: 5 Werktage

Pos.
40
BOSCH Zylinderstift | Ersatzteile für BALMORAL 20S | F016T56145
Hersteller: BOSCH
Artikelnummer: EB-F016L80603-F016T56145
Netto: 3,63 € zzgl. MwSt.
zzgl. 6,90 € Versand (brutto)
einmalig pro Bestellung

Lieferzeit: 5 Werktage

Pos.
41
BOSCH Klemmbügel | Ersatzteile für BALMORAL 20S | F016L32873
Hersteller: BOSCH
Artikelnummer: EB-F016L80603-F016L32873
nur Informationsartikel
Nie mehr lieferbar
keine Alternativen
Pos.
42
BOSCH Bügel | Ersatzteile für BALMORAL 20S | F016A57847
Hersteller: BOSCH
Artikelnummer: EB-F016L80603-F016A57847
nur Informationsartikel
Nie mehr lieferbar
keine Alternativen
Pos.
43
BOSCH Schalthebel | Ersatzteile für BALMORAL 20S | F016L36714
Hersteller: BOSCH
Artikelnummer: EB-F016L80603-F016L36714
nur Informationsartikel
Nie mehr lieferbar
keine Alternativen
Pos.
44
BOSCH Klemmbügel | Ersatzteile für BALMORAL 20S | F016102053
Hersteller: BOSCH
Artikelnummer: EB-F016L80603-F016102053
nur Informationsartikel
Nie mehr lieferbar
keine Alternativen
Pos.
45
BOSCH Halter | Ersatzteile für BALMORAL 20S | F016L36717
Hersteller: BOSCH
Artikelnummer: EB-F016L80603-F016L36717
nur Informationsartikel
Nie mehr lieferbar
keine Alternativen
Pos.
46
BOSCH Mutter M5 | Ersatzteile für BALMORAL 20S | F016L36836
Hersteller: BOSCH
Artikelnummer: EB-F016L80603-F016L36836
Netto: 3,60 € zzgl. MwSt.
zzgl. 6,90 € Versand (brutto)
einmalig pro Bestellung

Lieferzeit: 5 Werktage

Pos.
47
BOSCH Schraube M5x32 | Ersatzteile für BALMORAL 20S | F016L36722
Hersteller: BOSCH
Artikelnummer: EB-F016L80603-F016L36722
Netto: 3,63 € zzgl. MwSt.
zzgl. 6,90 € Versand (brutto)
einmalig pro Bestellung

Lieferzeit: 5 Werktage

Pos.
48
BOSCH Sicherungskappe Ø8 MM SCHWARZ | Ersatzteile für BALMORAL 20S | F016T48990
Hersteller: BOSCH
Artikelnummer: EB-F016L80603-F016T48990
Netto: 3,63 € zzgl. MwSt.
zzgl. 6,90 € Versand (brutto)
einmalig pro Bestellung

Lieferzeit: 5 Werktage

Pos.
49
BOSCH Seilzug | Ersatzteile für BALMORAL 20S | F016A58035
Hersteller: BOSCH
Artikelnummer: EB-F016L80603-F016A58035
nur Informationsartikel
Nie mehr lieferbar
keine Alternativen
Pos.
50
BOSCH Klemmbügel | Ersatzteile für BALMORAL 20S | F016102054
Hersteller: BOSCH
Artikelnummer: EB-F016L80603-F016102054
nur Informationsartikel
Nie mehr lieferbar
keine Alternativen
Pos.
51
BOSCH Buchse | Ersatzteile für BALMORAL 20S | F016L36719
Hersteller: BOSCH
Artikelnummer: EB-F016L80603-F016L36719
nur Informationsartikel
Nie mehr lieferbar
keine Alternativen
Pos.
52
BOSCH Hebel | Ersatzteile für BALMORAL 20S | F016103833
Hersteller: BOSCH
Artikelnummer: EB-F016L80603-F016103833
nur Informationsartikel
Nie mehr lieferbar
keine Alternativen
Pos.
53
BOSCH Reparatursatz | Ersatzteile für BALMORAL 20S | F016L37700
Hersteller: BOSCH
Artikelnummer: EB-F016L80603-F016L37700
nur Informationsartikel
Nie mehr lieferbar
keine Alternativen
Pos.
54
BOSCH Seilzug | Ersatzteile für BALMORAL 20S | F016A58036
Hersteller: BOSCH
Artikelnummer: EB-F016L80603-F016A58036
nur Informationsartikel
Nie mehr lieferbar
keine Alternativen
Pos.
55
BOSCH Mutter | Ersatzteile für BALMORAL 20S | F016L11228
Hersteller: BOSCH
Artikelnummer: EB-F016L80603-F016L11228
nur Informationsartikel
Nie mehr lieferbar
keine Alternativen
Pos.
56
BOSCH Schraube | Ersatzteile für BALMORAL 20S | F016T48002
Hersteller: BOSCH
Artikelnummer: EB-F016L80603-F016T48002
Netto: 3,63 € zzgl. MwSt.
zzgl. 6,90 € Versand (brutto)
einmalig pro Bestellung

Lieferzeit: 5 Werktage

Pos.
57
BOSCH Seilzug | Ersatzteile für BALMORAL 20S | F016A58086
Hersteller: BOSCH
Artikelnummer: EB-F016L80603-F016A58086
nur Informationsartikel
Nie mehr lieferbar
keine Alternativen
Pos.
58
BOSCH Schalthebel | Ersatzteile für BALMORAL 20S | F016102221
Hersteller: BOSCH
Artikelnummer: EB-F016L80603-F016102221
nur Informationsartikel
Nie mehr lieferbar
keine Alternativen
Pos.
59
BOSCH Auffangbehälter | Ersatzteile für BALMORAL 20S | F016103794
Hersteller: BOSCH
Artikelnummer: EB-F016L80603-F016103794
nur Informationsartikel
Nie mehr lieferbar
keine Alternativen
Pos.
60
BOSCH Halter | Ersatzteile für BALMORAL 20S | F016103834
Hersteller: BOSCH
Artikelnummer: EB-F016L80603-F016103834
Netto: 7,30 € zzgl. MwSt.
zzgl. 6,90 € Versand (brutto)
einmalig pro Bestellung

Lieferzeit: 64 Werktage

Pos.
61
BOSCH Verschlussdeckel | Ersatzteile für BALMORAL 20S | F016T48461
Hersteller: BOSCH
Artikelnummer: EB-F016L80603-F016T48461
nur Informationsartikel
Nie mehr lieferbar
keine Alternativen
Pos.
62
BOSCH Gewindeschneidschraube | Ersatzteile für BALMORAL 20S | F016T48462
Hersteller: BOSCH
Artikelnummer: EB-F016L80603-F016T48462
Netto: 3,60 € zzgl. MwSt.
zzgl. 6,90 € Versand (brutto)
einmalig pro Bestellung

Lieferzeit: 5 Werktage

Pos.
63
BOSCH Unterlegscheibe 8,5 MM | Ersatzteile für BALMORAL 20S | F016L35316
Hersteller: BOSCH
Artikelnummer: EB-F016L80603-F016L35316
Netto: 3,60 € zzgl. MwSt.
zzgl. 6,90 € Versand (brutto)
einmalig pro Bestellung

Lieferzeit: 5 Werktage

Pos.
64
BOSCH Klemmstück | Ersatzteile für BALMORAL 20S | F016T48550
Hersteller: BOSCH
Artikelnummer: EB-F016L80603-F016T48550
nur Informationsartikel
Nie mehr lieferbar
keine Alternativen
Pos.
65
BOSCH Schraube | Ersatzteile für BALMORAL 20S | F016T48535
Hersteller: BOSCH
Artikelnummer: EB-F016L80603-F016T48535
Netto: 3,62 € zzgl. MwSt.
zzgl. 6,90 € Versand (brutto)
einmalig pro Bestellung

Lieferzeit: 5 Werktage

Pos.
66
BOSCH Unterlegscheibe M 20 | Ersatzteile für BALMORAL 20S | F016T48342
Hersteller: BOSCH
Artikelnummer: EB-F016L80603-F016T48342
nur Informationsartikel
Nie mehr lieferbar
keine Alternativen
Pos.
67
BOSCH Vorlegscheibe M 20 | Ersatzteile für BALMORAL 20S | F016T48341
Hersteller: BOSCH
Artikelnummer: EB-F016L80603-F016T48341
nur Informationsartikel
Nie mehr lieferbar
keine Alternativen
Pos.
68
BOSCH Beilegring | Ersatzteile für BALMORAL 20S | F016L37421
Hersteller: BOSCH
Artikelnummer: EB-F016L80603-F016L37421
nur Informationsartikel
Nie mehr lieferbar
keine Alternativen
Pos.
69
BOSCH Spindel | Ersatzteile für BALMORAL 20S | F016A57966
Hersteller: BOSCH
Artikelnummer: EB-F016L80603-F016A57966
nur Informationsartikel
Nie mehr lieferbar
keine Alternativen
Pos.
70
BOSCH Beilegring | Ersatzteile für BALMORAL 20S | F016T48496
Hersteller: BOSCH
Artikelnummer: EB-F016L80603-F016T48496
Netto: 5,17 € zzgl. MwSt.
zzgl. 6,90 € Versand (brutto)
einmalig pro Bestellung

Lieferzeit: 5 Werktage

Pos.
74
BOSCH Beilegring | Ersatzteile für BALMORAL 20S | F016A57985
Hersteller: BOSCH
Artikelnummer: EB-F016L80603-F016A57985
Netto: 4,36 € zzgl. MwSt.
zzgl. 6,90 € Versand (brutto)
einmalig pro Bestellung

Lieferzeit: 5 Werktage

Pos.
81
BOSCH Teilesatz | Ersatzteile für BALMORAL 20S | F016A75059
Hersteller: BOSCH
Artikelnummer: EB-F016L80603-F016A75059
nur Informationsartikel
Nie mehr lieferbar
keine Alternativen
Pos.
82
BOSCH Abdeckblende | Ersatzteile für BALMORAL 20S | F016102073
Hersteller: BOSCH
Artikelnummer: EB-F016L80603-F016102073
nur Informationsartikel
Nie mehr lieferbar
keine Alternativen
Pos.
83
BOSCH Batteriebox | Ersatzteile für BALMORAL 20S | F016S50084
Hersteller: BOSCH
Artikelnummer: EB-F016L80603-F016S50084
Netto: 20,80 € zzgl. MwSt.
zzgl. 6,90 € Versand (brutto)
einmalig pro Bestellung

Lieferzeit: 5 Werktage

Pos.
84
BOSCH Rastniet | Ersatzteile für BALMORAL 20S | F016L12313
Hersteller: BOSCH
Artikelnummer: EB-F016L80603-F016L12313
nur Informationsartikel
Nie mehr lieferbar
keine Alternativen
Pos.
85
BOSCH Haltearm | Ersatzteile für BALMORAL 20S | F016S50085
Hersteller: BOSCH
Artikelnummer: EB-F016L80603-F016S50085
nur Informationsartikel
Nie mehr lieferbar
keine Alternativen
Pos.
86
BOSCH Scheibe | Ersatzteile für BALMORAL 20S | F016T46684
Hersteller: BOSCH
Artikelnummer: EB-F016L80603-F016T46684
Netto: 4,36 € zzgl. MwSt.
zzgl. 6,90 € Versand (brutto)
einmalig pro Bestellung

Lieferzeit: 5 Werktage

Pos.
87
BOSCH Rückhalteblech | Ersatzteile für BALMORAL 20S | F016A58331
Hersteller: BOSCH
Artikelnummer: EB-F016L80603-F016A58331
nur Informationsartikel
Nie mehr lieferbar
keine Alternativen
Pos.
88
BOSCH Mutter | Ersatzteile für BALMORAL 20S | F016A58232
Hersteller: BOSCH
Artikelnummer: EB-F016L80603-F016A58232
Netto: 3,60 € zzgl. MwSt.
zzgl. 6,90 € Versand (brutto)
einmalig pro Bestellung

Lieferzeit: 5 Werktage

Pos.
89
BOSCH Mutter | Ersatzteile für BALMORAL 20S | F016A58233
Hersteller: BOSCH
Artikelnummer: EB-F016L80603-F016A58233
Netto: 9,18 € zzgl. MwSt.
zzgl. 6,90 € Versand (brutto)
einmalig pro Bestellung

Lieferzeit: 5 Werktage

Pos.
91
BOSCH Spindel | Ersatzteile für BALMORAL 20S | F016A58231
Hersteller: BOSCH
Artikelnummer: EB-F016L80603-F016A58231
nur Informationsartikel
Nie mehr lieferbar
keine Alternativen
Pos.
92
BOSCH Beilegring | Ersatzteile für BALMORAL 20S | F016A58070
Hersteller: BOSCH
Artikelnummer: EB-F016L80603-F016A58070
Netto: 3,94 € zzgl. MwSt.
zzgl. 6,90 € Versand (brutto)
einmalig pro Bestellung

Lieferzeit: 5 Werktage

Pos.
93
BOSCH Kugellager | Ersatzteile für BALMORAL 20S | F016T48358
Hersteller: BOSCH
Artikelnummer: EB-F016L80603-F016T48358
Netto: 3,60 € zzgl. MwSt.
zzgl. 6,90 € Versand (brutto)
einmalig pro Bestellung

Lieferzeit: 5 Werktage

Pos.
94
BOSCH Druckfeder | Ersatzteile für BALMORAL 20S | F016T48420
Hersteller: BOSCH
Artikelnummer: EB-F016L80603-F016T48420
Netto: 3,60 € zzgl. MwSt.
zzgl. 6,90 € Versand (brutto)
einmalig pro Bestellung

Lieferzeit: 5 Werktage

Pos.
95
BOSCH Knopf | Ersatzteile für BALMORAL 20S | F016A58730
Hersteller: BOSCH
Artikelnummer: EB-F016L80603-F016A58730
nur Informationsartikel
Nie mehr lieferbar
keine Alternativen
Pos.
96
BOSCH Schraube M6 | Ersatzteile für BALMORAL 20S | F016T48457
Hersteller: BOSCH
Artikelnummer: EB-F016L80603-F016T48457
Netto: 4,32 € zzgl. MwSt.
zzgl. 6,90 € Versand (brutto)
einmalig pro Bestellung

Lieferzeit: 5 Werktage

Pos.
97
BOSCH Verschlussdeckel | Ersatzteile für BALMORAL 20S | F016T48421
Hersteller: BOSCH
Artikelnummer: EB-F016L80603-F016T48421
nur Informationsartikel
Nie mehr lieferbar
keine Alternativen
Pos.
98
BOSCH Laufbolzen | Ersatzteile für BALMORAL 20S | F016L11377
Hersteller: BOSCH
Artikelnummer: EB-F016L80603-F016L11377
nur Informationsartikel
Nie mehr lieferbar
keine Alternativen
Pos.
100
BOSCH Gestänge | Ersatzteile für BALMORAL 20S | F016103796
Hersteller: BOSCH
Artikelnummer: EB-F016L80603-F016103796
nur Informationsartikel
Nie mehr lieferbar
keine Alternativen
Pos.
101
BOSCH Sechskantschraube | Ersatzteile für BALMORAL 20S | F016L35871
Hersteller: BOSCH
Artikelnummer: EB-F016L80603-F016L35871
nur Informationsartikel
Nie mehr lieferbar
keine Alternativen
Pos.
103
BOSCH Stellring 12 MM T40 | Ersatzteile für BALMORAL 20S | F016T49100
Hersteller: BOSCH
Artikelnummer: EB-F016L80603-F016T49100
nur Informationsartikel
Nie mehr lieferbar
keine Alternativen
Pos.
104
BOSCH Führungswand | Ersatzteile für BALMORAL 20S | F016A75786
Hersteller: BOSCH
Artikelnummer: EB-F016L80603-F016A75786
Netto: 19,18 € zzgl. MwSt.
zzgl. 6,90 € Versand (brutto)
einmalig pro Bestellung

Lieferzeit: 5 Werktage

Pos.
105
BOSCH Stellring | Ersatzteile für BALMORAL 20S | F016T48549
Hersteller: BOSCH
Artikelnummer: EB-F016L80603-F016T48549
nur Informationsartikel
Nie mehr lieferbar
keine Alternativen
Pos.
106
BOSCH Gewindeschneidschraube M6 | Ersatzteile für BALMORAL 20S | F016L35387
Hersteller: BOSCH
Artikelnummer: EB-F016L80603-F016L35387
Netto: 3,63 € zzgl. MwSt.
zzgl. 6,90 € Versand (brutto)
einmalig pro Bestellung

Lieferzeit: 5 Werktage

Pos.
107
BOSCH Ersatzteil | Ersatzteile für BALMORAL 20S | F016S50086
Hersteller: BOSCH
Artikelnummer: EB-F016L80603-F016S50086
nur Informationsartikel
Nie mehr lieferbar
keine Alternativen
Pos.
108
BOSCH Beilegring | Ersatzteile für BALMORAL 20S | F016A57930
Hersteller: BOSCH
Artikelnummer: EB-F016L80603-F016A57930
nur Informationsartikel
Nie mehr lieferbar
keine Alternativen
Pos.
109
BOSCH Spindel | Ersatzteile für BALMORAL 20S | F016A57886
Hersteller: BOSCH
Artikelnummer: EB-F016L80603-F016A57886
nur Informationsartikel
Nie mehr lieferbar
keine Alternativen
Pos.
110
BOSCH Feder | Ersatzteile für BALMORAL 20S | F016A57887
Hersteller: BOSCH
Artikelnummer: EB-F016L80603-F016A57887
nur Informationsartikel
Nie mehr lieferbar
keine Alternativen
Pos.
111
BOSCH Beilegring | Ersatzteile für BALMORAL 20S | F016A57912
Hersteller: BOSCH
Artikelnummer: EB-F016L80603-F016A57912
Netto: 4,32 € zzgl. MwSt.
zzgl. 6,90 € Versand (brutto)
einmalig pro Bestellung

Lieferzeit: 5 Werktage

Pos.
112
BOSCH Seitendeckel R/H | Ersatzteile für BALMORAL 20S | F016A57578
Hersteller: BOSCH
Artikelnummer: EB-F016L80603-F016A57578
nur Informationsartikel
Nie mehr lieferbar
keine Alternativen
Pos.
113
BOSCH Schraube M6 | Ersatzteile für BALMORAL 20S | F016A58229
Hersteller: BOSCH
Artikelnummer: EB-F016L80603-F016A58229
nur Informationsartikel
Nie mehr lieferbar
keine Alternativen
Pos.
114
BOSCH Scheibe M 20 | Ersatzteile für BALMORAL 20S | F016T48777
Hersteller: BOSCH
Artikelnummer: EB-F016L80603-F016T48777
nur Informationsartikel
Nie mehr lieferbar
keine Alternativen
Pos.
115
BOSCH Sicherungsscheibe | Ersatzteile für BALMORAL 20S | F016L35389
Hersteller: BOSCH
Artikelnummer: EB-F016L80603-F016L35389
Netto: 3,63 € zzgl. MwSt.
zzgl. 6,90 € Versand (brutto)
einmalig pro Bestellung

Lieferzeit: 5 Werktage

Pos.
117
BOSCH Stiftschlüssel | Ersatzteile für BALMORAL 20S | F016A58230
Hersteller: BOSCH
Artikelnummer: EB-F016L80603-F016A58230
Netto: 3,63 € zzgl. MwSt.
zzgl. 6,90 € Versand (brutto)
einmalig pro Bestellung

Lieferzeit: 5 Werktage

Pos.
118
BOSCH Rohrschelle | Ersatzteile für BALMORAL 20S | F016A57982
Hersteller: BOSCH
Artikelnummer: EB-F016L80603-F016A57982
Netto: 3,60 € zzgl. MwSt.
zzgl. 6,90 € Versand (brutto)
einmalig pro Bestellung

Lieferzeit: 5 Werktage

Pos.
119
BOSCH Gehäuse R/H | Ersatzteile für BALMORAL 20S | F016T49289
Hersteller: BOSCH
Artikelnummer: EB-F016L80603-F016T49289
Netto: 4,36 € zzgl. MwSt.
zzgl. 6,90 € Versand (brutto)
einmalig pro Bestellung

Lieferzeit: 5 Werktage

Pos.
120
BOSCH Vorlegscheibe | Ersatzteile für BALMORAL 20S | F016T48359
Hersteller: BOSCH
Artikelnummer: EB-F016L80603-F016T48359
nur Informationsartikel
Nie mehr lieferbar
keine Alternativen
Pos.
121
BOSCH Sicherungsbügel | Ersatzteile für BALMORAL 20S | F016L32612
Hersteller: BOSCH
Artikelnummer: EB-F016L80603-F016L32612
nur Informationsartikel
Nie mehr lieferbar
keine Alternativen
Pos.
122
BOSCH Unterlegscheibe M5 | Ersatzteile für BALMORAL 20S | F016T48428
Hersteller: BOSCH
Artikelnummer: EB-F016L80603-F016T48428
nur Informationsartikel
Nie mehr lieferbar
keine Alternativen
Pos.
401
BOSCH Kassette | Ersatzteile für BALMORAL 20S | F016102963
Hersteller: BOSCH
Artikelnummer: EB-F016L80603-F016102963
nur Informationsartikel
Nie mehr lieferbar
keine Alternativen
Pos.
402
BOSCH Lagergehäuse | Ersatzteile für BALMORAL 20S | F016A58249
Hersteller: BOSCH
Artikelnummer: EB-F016L80603-F016A58249
nur Informationsartikel
Nie mehr lieferbar
keine Alternativen
Pos.
403
BOSCH Kugellager | Ersatzteile für BALMORAL 20S | F016L02968
Hersteller: BOSCH
Artikelnummer: EB-F016L80603-F016L02968
nur Informationsartikel
Nie mehr lieferbar
keine Alternativen
Pos.
404
BOSCH Dichtring | Ersatzteile für BALMORAL 20S | F016T40266
Hersteller: BOSCH
Artikelnummer: EB-F016L80603-F016T40266
nur Informationsartikel
Nie mehr lieferbar
keine Alternativen
Pos.
406
BOSCH Feder | Ersatzteile für BALMORAL 20S | F016T47205
Hersteller: BOSCH
Artikelnummer: EB-F016L80603-F016T47205
nur Informationsartikel
Nie mehr lieferbar
keine Alternativen
Pos.
407
BOSCH Vierkantwelle | Ersatzteile für BALMORAL 20S | F016T41057
Hersteller: BOSCH
Artikelnummer: EB-F016L80603-F016T41057
nur Informationsartikel
Nie mehr lieferbar
keine Alternativen
Pos.
408
BOSCH Vorlegscheibe | Ersatzteile für BALMORAL 20S | F016T49443
Hersteller: BOSCH
Artikelnummer: EB-F016L80603-F016T49443
nur Informationsartikel
Nie mehr lieferbar
keine Alternativen
Pos.
409
BOSCH Einstellstück | Ersatzteile für BALMORAL 20S | F016A57669
Hersteller: BOSCH
Artikelnummer: EB-F016L80603-F016A57669
nur Informationsartikel
Nie mehr lieferbar
keine Alternativen
Pos.
411
BOSCH Einstellschraube | Ersatzteile für BALMORAL 20S | F016A57713
Hersteller: BOSCH
Artikelnummer: EB-F016L80603-F016A57713
nur Informationsartikel
Nie mehr lieferbar
keine Alternativen
Pos.
412
BOSCH Platte | Ersatzteile für BALMORAL 20S | F016A57553
Hersteller: BOSCH
Artikelnummer: EB-F016L80603-F016A57553
Netto: 9,95 € zzgl. MwSt.
zzgl. 6,90 € Versand (brutto)
einmalig pro Bestellung

Lieferzeit: 5 Werktage

Pos.
413
BOSCH Untermesser 20" | Ersatzteile für BALMORAL 20S | F016103797
Hersteller: BOSCH
Artikelnummer: EB-F016L80603-F016103797
nur Informationsartikel
Nie mehr lieferbar
keine Alternativen
Pos.
414
BOSCH Untermesser | Ersatzteile für BALMORAL 20S | F016L23147
Hersteller: BOSCH
Artikelnummer: EB-F016L80603-F016L23147
Netto: 3,63 € zzgl. MwSt.
zzgl. 6,90 € Versand (brutto)
einmalig pro Bestellung

Lieferzeit: 5 Werktage

Pos.
416
BOSCH Schraube 1/4 UNF X 1,3/4 HEX | Ersatzteile für BALMORAL 20S | F016L08041
Hersteller: BOSCH
Artikelnummer: EB-F016L80603-F016L08041
nur Informationsartikel
Nie mehr lieferbar
keine Alternativen
Pos.
417
BOSCH Mutter 1/4 UNF | Ersatzteile für BALMORAL 20S | F016L06954
Hersteller: BOSCH
Artikelnummer: EB-F016L80603-F016L06954
nur Informationsartikel
Nie mehr lieferbar
keine Alternativen
Pos.
418
BOSCH Ablenkplatte | Ersatzteile für BALMORAL 20S | F016103795
Hersteller: BOSCH
Artikelnummer: EB-F016L80603-F016103795
nur Informationsartikel
Nie mehr lieferbar
keine Alternativen
Pos.
419
BOSCH Gewindebolzen M6x25 MM | Ersatzteile für BALMORAL 20S | F016L11371
Hersteller: BOSCH
Artikelnummer: EB-F016L80603-F016L11371
Netto: 4,53 € zzgl. MwSt.
zzgl. 6,90 € Versand (brutto)
einmalig pro Bestellung

Lieferzeit: 5 Werktage

Pos.
421
BOSCH Handgriff | Ersatzteile für BALMORAL 20S | F016S50093
Hersteller: BOSCH
Artikelnummer: EB-F016L80603-F016S50093
nur Informationsartikel
Nie mehr lieferbar
keine Alternativen
Pos.
422
BOSCH Seitenrahmen | Ersatzteile für BALMORAL 20S | F016A57554
Hersteller: BOSCH
Artikelnummer: EB-F016L80603-F016A57554
nur Informationsartikel
Nie mehr lieferbar
keine Alternativen
Pos.
423
BOSCH Zahnrad | Ersatzteile für BALMORAL 20S | F016A57590
Hersteller: BOSCH
Artikelnummer: EB-F016L80603-F016A57590
nur Informationsartikel
Nie mehr lieferbar
keine Alternativen
Pos.
427
BOSCH Halter | Ersatzteile für BALMORAL 20S | F016A57647
Hersteller: BOSCH
Artikelnummer: EB-F016L80603-F016A57647
Netto: 3,60 € zzgl. MwSt.
zzgl. 6,90 € Versand (brutto)
einmalig pro Bestellung

Lieferzeit: 5 Werktage

Pos.
428
BOSCH Gummi | Ersatzteile für BALMORAL 20S | F016A57677
Hersteller: BOSCH
Artikelnummer: EB-F016L80603-F016A57677
nur Informationsartikel
Nie mehr lieferbar
keine Alternativen
Pos.
429
BOSCH Stecker | Ersatzteile für BALMORAL 20S | F016A58221
Hersteller: BOSCH
Artikelnummer: EB-F016L80603-F016A58221
nur Informationsartikel
Nie mehr lieferbar
keine Alternativen
Pos.
430
BOSCH Gewindeschneidschraube | Ersatzteile für BALMORAL 20S | F016A58223
Hersteller: BOSCH
Artikelnummer: EB-F016L80603-F016A58223
nur Informationsartikel
Nie mehr lieferbar
keine Alternativen
Pos.
432
BOSCH Konus | Ersatzteile für BALMORAL 20S | F016A57619
Hersteller: BOSCH
Artikelnummer: EB-F016L80603-F016A57619
Netto: 9,18 € zzgl. MwSt.
zzgl. 6,90 € Versand (brutto)
einmalig pro Bestellung

Lieferzeit: 5 Werktage

Pos.
433
BOSCH Konus | Ersatzteile für BALMORAL 20S | F016A57620
Hersteller: BOSCH
Artikelnummer: EB-F016L80603-F016A57620
nur Informationsartikel
Nie mehr lieferbar
keine Alternativen
Pos.
436
BOSCH Federscheibe | Ersatzteile für BALMORAL 20S | F016L35335
Hersteller: BOSCH
Artikelnummer: EB-F016L80603-F016L35335
Netto: 3,60 € zzgl. MwSt.
zzgl. 6,90 € Versand (brutto)
einmalig pro Bestellung

Lieferzeit: 5 Werktage

Pos.
501
BOSCH Rolle | Ersatzteile für BALMORAL 20S | F016103775
Hersteller: BOSCH
Artikelnummer: EB-F016L80603-F016103775
nur Informationsartikel
Nie mehr lieferbar
keine Alternativen
Pos.
502
BOSCH Zahnrad | Ersatzteile für BALMORAL 20S | F016A57674
Hersteller: BOSCH
Artikelnummer: EB-F016L80603-F016A57674
nur Informationsartikel
Nie mehr lieferbar
keine Alternativen
Pos.
503
BOSCH Ring | Ersatzteile für BALMORAL 20S | F016A57635
Hersteller: BOSCH
Artikelnummer: EB-F016L80603-F016A57635
nur Informationsartikel
Nie mehr lieferbar
keine Alternativen
Pos.
506
BOSCH Unterlegscheibe M 20 | Ersatzteile für BALMORAL 20S | F016A58577
Hersteller: BOSCH
Artikelnummer: EB-F016L80603-F016A58577
Netto: 3,63 € zzgl. MwSt.
zzgl. 6,90 € Versand (brutto)
einmalig pro Bestellung

Lieferzeit: 5 Werktage

Pos.
507
BOSCH Teilesatz | Ersatzteile für BALMORAL 20S | F016103620
Hersteller: BOSCH
Artikelnummer: EB-F016L80603-F016103620
nur Informationsartikel
Nie mehr lieferbar
keine Alternativen
Pos.
508
BOSCH Welle | Ersatzteile für BALMORAL 20S | F016102295
Hersteller: BOSCH
Artikelnummer: EB-F016L80603-F016102295
nur Informationsartikel
Nie mehr lieferbar
keine Alternativen
Pos.
512
BOSCH Getriebedeckel | Ersatzteile für BALMORAL 20S | F016A57575
Hersteller: BOSCH
Artikelnummer: EB-F016L80603-F016A57575
nur Informationsartikel
Nie mehr lieferbar
keine Alternativen
Pos.
513
BOSCH Beilegring | Ersatzteile für BALMORAL 20S | F016102045
Hersteller: BOSCH
Artikelnummer: EB-F016L80603-F016102045
nur Informationsartikel
Nie mehr lieferbar
keine Alternativen
Pos.
514
BOSCH Halterung | Ersatzteile für BALMORAL 20S | F016102382
Hersteller: BOSCH
Artikelnummer: EB-F016L80603-F016102382
nur Informationsartikel
Nie mehr lieferbar
keine Alternativen
Pos.
517
BOSCH Teilesatz | Ersatzteile für BALMORAL 20S | F016102281
Hersteller: BOSCH
Artikelnummer: EB-F016L80603-F016102281
nur Informationsartikel
Nie mehr lieferbar
keine Alternativen
Pos.
519
BOSCH Zahnrad | Ersatzteile für BALMORAL 20S | F016A57499
Hersteller: BOSCH
Artikelnummer: EB-F016L80603-F016A57499
Netto: 5,19 € zzgl. MwSt.
zzgl. 6,90 € Versand (brutto)
einmalig pro Bestellung

Lieferzeit: 5 Werktage

Pos.
520
BOSCH Splint | Ersatzteile für BALMORAL 20S | F016L13230
Hersteller: BOSCH
Artikelnummer: EB-F016L80603-F016L13230
Netto: 3,60 € zzgl. MwSt.
zzgl. 6,90 € Versand (brutto)
einmalig pro Bestellung

Lieferzeit: 5 Werktage

Pos.
521
BOSCH Blech | Ersatzteile für BALMORAL 20S | F016A57832
Hersteller: BOSCH
Artikelnummer: EB-F016L80603-F016A57832
Netto: 9,05 € zzgl. MwSt.
zzgl. 6,90 € Versand (brutto)
einmalig pro Bestellung

Lieferzeit: 5 Werktage

Pos.
523
BOSCH Nietstift | Ersatzteile für BALMORAL 20S | F016A58178
Hersteller: BOSCH
Artikelnummer: EB-F016L80603-F016A58178
nur Informationsartikel
Nie mehr lieferbar
keine Alternativen
Pos.
524
BOSCH Schraube | Ersatzteile für BALMORAL 20S | F016A58385
Hersteller: BOSCH
Artikelnummer: EB-F016L80603-F016A58385
nur Informationsartikel
Nie mehr lieferbar
keine Alternativen
Pos.
525
BOSCH Sicherungsmutter M6 | Ersatzteile für BALMORAL 20S | F016L35388
Hersteller: BOSCH
Artikelnummer: EB-F016L80603-F016L35388
nur Informationsartikel
Nie mehr lieferbar
keine Alternativen
Pos.
528
BOSCH Distanzstück | Ersatzteile für BALMORAL 20S | F016A58285
Hersteller: BOSCH
Artikelnummer: EB-F016L80603-F016A58285
nur Informationsartikel
Nie mehr lieferbar
keine Alternativen
Pos.
529
BOSCH Gewindebolzen M8x20 | Ersatzteile für BALMORAL 20S | F016L11301
Hersteller: BOSCH
Artikelnummer: EB-F016L80603-F016L11301
Netto: 3,63 € zzgl. MwSt.
zzgl. 6,90 € Versand (brutto)
einmalig pro Bestellung

Lieferzeit: 5 Werktage

Pos.
530
BOSCH Buchse | Ersatzteile für BALMORAL 20S | F016A57761
Hersteller: BOSCH
Artikelnummer: EB-F016L80603-F016A57761
nur Informationsartikel
Nie mehr lieferbar
keine Alternativen
Pos.
531
BOSCH Lagerbuchse | Ersatzteile für BALMORAL 20S | F016A57764
Hersteller: BOSCH
Artikelnummer: EB-F016L80603-F016A57764
nur Informationsartikel
Nie mehr lieferbar
keine Alternativen
Pos.
607
BOSCH Spindelgruppe | Ersatzteile für BALMORAL 20S | F016103800
Hersteller: BOSCH
Artikelnummer: EB-F016L80603-F016103800
nur Informationsartikel
Nie mehr lieferbar
keine Alternativen
Pos.
615
BOSCH Kunststoffrosette | Ersatzteile für BALMORAL 20S | F016A57823
Hersteller: BOSCH
Artikelnummer: EB-F016L80603-F016A57823
nur Informationsartikel
Nie mehr lieferbar
keine Alternativen
Pos.
630
BOSCH Lagerhalter | Ersatzteile für BALMORAL 20S | F016102093
Hersteller: BOSCH
Artikelnummer: EB-F016L80603-F016102093
Netto: 9,18 € zzgl. MwSt.
zzgl. 6,90 € Versand (brutto)
einmalig pro Bestellung

Lieferzeit: 5 Werktage

Pos.
631
BOSCH Sicherungsbügel | Ersatzteile für BALMORAL 20S | F016A58441
Hersteller: BOSCH
Artikelnummer: EB-F016L80603-F016A58441
nur Informationsartikel
Nie mehr lieferbar
keine Alternativen
Pos.
632
BOSCH Kugellager | Ersatzteile für BALMORAL 20S | F016A57838
Hersteller: BOSCH
Artikelnummer: EB-F016L80603-F016A57838
Netto: 13,81 € zzgl. MwSt.
zzgl. 6,90 € Versand (brutto)
einmalig pro Bestellung

Lieferzeit: 5 Werktage

Pos.
701
BOSCH Mutter M12 | Ersatzteile für BALMORAL 20S | F016L23210
Hersteller: BOSCH
Artikelnummer: EB-F016L80603-F016L23210
nur Informationsartikel
Nie mehr lieferbar
keine Alternativen
Pos.
702
BOSCH Unterlegscheibe | Ersatzteile für BALMORAL 20S | F016L17849
Hersteller: BOSCH
Artikelnummer: EB-F016L80603-F016L17849
Netto: 3,63 € zzgl. MwSt.
zzgl. 6,90 € Versand (brutto)
einmalig pro Bestellung

Lieferzeit: 5 Werktage

Pos.
703
BOSCH Riemenscheibe | Ersatzteile für BALMORAL 20S | F016103221
Hersteller: BOSCH
Artikelnummer: EB-F016L80603-F016103221
nur Informationsartikel
Nie mehr lieferbar
keine Alternativen
Pos.
704
BOSCH Auflageplatte | Ersatzteile für BALMORAL 20S | F016A57933
Hersteller: BOSCH
Artikelnummer: EB-F016L80603-F016A57933
nur Informationsartikel
Nie mehr lieferbar
keine Alternativen
Pos.
705
BOSCH Unterlegscheibe 8,5 MM | Ersatzteile für BALMORAL 20S | F016T48531
Hersteller: BOSCH
Artikelnummer: EB-F016L80603-F016T48531
nur Informationsartikel
Nie mehr lieferbar
keine Alternativen
Pos.
708
BOSCH Zahnriemen | Ersatzteile für BALMORAL 20S | F016A57940
Hersteller: BOSCH
Artikelnummer: EB-F016L80603-F016A57940
nur Informationsartikel
Nie mehr lieferbar
keine Alternativen
Pos.
709
BOSCH Mutter M6 | Ersatzteile für BALMORAL 20S | F016L35329
Hersteller: BOSCH
Artikelnummer: EB-F016L80603-F016L35329
Netto: 3,94 € zzgl. MwSt.
zzgl. 6,90 € Versand (brutto)
einmalig pro Bestellung

Lieferzeit: 5 Werktage

Pos.
712
BOSCH Sicherungsscheibe | Ersatzteile für BALMORAL 20S | F016L10273
Hersteller: BOSCH
Artikelnummer: EB-F016L80603-F016L10273
Netto: 3,60 € zzgl. MwSt.
zzgl. 6,90 € Versand (brutto)
einmalig pro Bestellung

Lieferzeit: 5 Werktage

Pos.
713
BOSCH Rolle | Ersatzteile für BALMORAL 20S | F016A57703
Hersteller: BOSCH
Artikelnummer: EB-F016L80603-F016A57703
nur Informationsartikel
Nie mehr lieferbar
keine Alternativen
Pos.
714
BOSCH Feder | Ersatzteile für BALMORAL 20S | F016A58046
Hersteller: BOSCH
Artikelnummer: EB-F016L80603-F016A58046
nur Informationsartikel
Nie mehr lieferbar
keine Alternativen
Pos.
715
BOSCH Feder | Ersatzteile für BALMORAL 20S | F016L08487
Hersteller: BOSCH
Artikelnummer: EB-F016L80603-F016L08487
nur Informationsartikel
Nie mehr lieferbar
keine Alternativen
Pos.
716
BOSCH Halter | Ersatzteile für BALMORAL 20S | F016L66172
Hersteller: BOSCH
Artikelnummer: EB-F016L80603-F016L66172
nur Informationsartikel
Nie mehr lieferbar
keine Alternativen
Pos.
719
BOSCH Klemmutter M12 | Ersatzteile für BALMORAL 20S | F016L18605
Hersteller: BOSCH
Artikelnummer: EB-F016L80603-F016L18605
Netto: 3,60 € zzgl. MwSt.
zzgl. 6,90 € Versand (brutto)
einmalig pro Bestellung

Lieferzeit: 5 Werktage

Pos.
720
BOSCH Scheibe | Ersatzteile für BALMORAL 20S | F016A57907
Hersteller: BOSCH
Artikelnummer: EB-F016L80603-F016A57907
Netto: 3,63 € zzgl. MwSt.
zzgl. 6,90 € Versand (brutto)
einmalig pro Bestellung

Lieferzeit: 5 Werktage

Pos.
721
BOSCH Riemenscheibe | Ersatzteile für BALMORAL 20S | F016102067
Hersteller: BOSCH
Artikelnummer: EB-F016L80603-F016102067
nur Informationsartikel
Nie mehr lieferbar
keine Alternativen
Pos.
722
BOSCH Beilegring | Ersatzteile für BALMORAL 20S | F016A57778
Hersteller: BOSCH
Artikelnummer: EB-F016L80603-F016A57778
Netto: 3,63 € zzgl. MwSt.
zzgl. 6,90 € Versand (brutto)
einmalig pro Bestellung

Lieferzeit: 5 Werktage

Pos.
723
BOSCH Scheibe | Ersatzteile für BALMORAL 20S | F016L08473
Hersteller: BOSCH
Artikelnummer: EB-F016L80603-F016L08473
nur Informationsartikel
Nie mehr lieferbar
keine Alternativen
Pos.
724
BOSCH Beilegring | Ersatzteile für BALMORAL 20S | F016A57780
Hersteller: BOSCH
Artikelnummer: EB-F016L80603-F016A57780
nur Informationsartikel
Nie mehr lieferbar
keine Alternativen
Pos.
725
BOSCH Gurtbringer | Ersatzteile für BALMORAL 20S | F016103152
Hersteller: BOSCH
Artikelnummer: EB-F016L80603-F016103152
nur Informationsartikel
Nie mehr lieferbar
keine Alternativen
Pos.
726
BOSCH Keilriemen | Ersatzteile für BALMORAL 20S | F016A57941
Hersteller: BOSCH
Artikelnummer: EB-F016L80603-F016A57941
nur Informationsartikel
Nie mehr lieferbar
keine Alternativen
Pos.
727
BOSCH Rolle | Ersatzteile für BALMORAL 20S | F016102282
Hersteller: BOSCH
Artikelnummer: EB-F016L80603-F016102282
nur Informationsartikel
Nie mehr lieferbar
keine Alternativen
Pos.
728
BOSCH Sicherungsring | Ersatzteile für BALMORAL 20S | F016A57759
Hersteller: BOSCH
Artikelnummer: EB-F016L80603-F016A57759
nur Informationsartikel
Nie mehr lieferbar
keine Alternativen
Pos.
729
BOSCH Torsionsfeder | Ersatzteile für BALMORAL 20S | F016A57996
Hersteller: BOSCH
Artikelnummer: EB-F016L80603-F016A57996
Netto: 3,60 € zzgl. MwSt.
zzgl. 6,90 € Versand (brutto)
einmalig pro Bestellung

Lieferzeit: 5 Werktage

Pos.
730
BOSCH Kundendienstschrift | Ersatzteile für BALMORAL 20S | F016S10321
Hersteller: BOSCH
Artikelnummer: EB-F016L80603-F016S10321
nur Informationsartikel
Nie mehr lieferbar
keine Alternativen
Pos.
731
BOSCH Buchse | Ersatzteile für BALMORAL 20S | F016A57762
Hersteller: BOSCH
Artikelnummer: EB-F016L80603-F016A57762
nur Informationsartikel
Nie mehr lieferbar
keine Alternativen
Pos.
734
BOSCH Lagerhalter | Ersatzteile für BALMORAL 20S | F016102969
Hersteller: BOSCH
Artikelnummer: EB-F016L80603-F016102969
nur Informationsartikel
Nie mehr lieferbar
keine Alternativen
Pos.
736
BOSCH Antriebswelle 20" | Ersatzteile für BALMORAL 20S | F016A57740
Hersteller: BOSCH
Artikelnummer: EB-F016L80603-F016A57740
nur Informationsartikel
Nie mehr lieferbar
keine Alternativen
Pos.
737
BOSCH Kupplungsstück | Ersatzteile für BALMORAL 20S | F016L09518
Hersteller: BOSCH
Artikelnummer: EB-F016L80603-F016L09518
nur Informationsartikel
Nie mehr lieferbar
keine Alternativen
Pos.
738
BOSCH Kupplungsstück | Ersatzteile für BALMORAL 20S | F016A58602
Hersteller: BOSCH
Artikelnummer: EB-F016L80603-F016A58602
nur Informationsartikel
Nie mehr lieferbar
keine Alternativen
Pos.
739
BOSCH Schraube | Ersatzteile für BALMORAL 20S | F016L20896
Hersteller: BOSCH
Artikelnummer: EB-F016L80603-F016L20896
nur Informationsartikel
Nie mehr lieferbar
keine Alternativen
Pos.
740
BOSCH Schlüssel | Ersatzteile für BALMORAL 20S | F016L34001
Hersteller: BOSCH
Artikelnummer: EB-F016L80603-F016L34001
Netto: 4,36 € zzgl. MwSt.
zzgl. 6,90 € Versand (brutto)
einmalig pro Bestellung

Lieferzeit: 5 Werktage

Pos.
741
BOSCH Unterlegscheibe 1,213X630X028 | Ersatzteile für BALMORAL 20S | F016L09685
Hersteller: BOSCH
Artikelnummer: EB-F016L80603-F016L09685
nur Informationsartikel
Nie mehr lieferbar
keine Alternativen
Pos.
743
BOSCH Platte | Ersatzteile für BALMORAL 20S | F016A58217
Hersteller: BOSCH
Artikelnummer: EB-F016L80603-F016A58217
nur Informationsartikel
Nie mehr lieferbar
keine Alternativen
Pos.
744
BOSCH Vorlegscheibe | Ersatzteile für BALMORAL 20S | F016A58033
Hersteller: BOSCH
Artikelnummer: EB-F016L80603-F016A58033
nur Informationsartikel
Nie mehr lieferbar
keine Alternativen
Pos.
838
BOSCH Kundendienstschrift | Ersatzteile für BALMORAL 20S | F016S10270
Hersteller: BOSCH
Artikelnummer: EB-F016L80603-F016S10270
nur Informationsartikel
Nie mehr lieferbar
keine Alternativen
Pos.
845
BOSCH Laufbolzen | Ersatzteile für BALMORAL 20S | F016T48017
Hersteller: BOSCH
Artikelnummer: EB-F016L80603-F016T48017
nur Informationsartikel
Nie mehr lieferbar
keine Alternativen
Pos.
846
BOSCH Feder | Ersatzteile für BALMORAL 20S | F016A58316
Hersteller: BOSCH
Artikelnummer: EB-F016L80603-F016A58316
nur Informationsartikel
Nie mehr lieferbar
keine Alternativen
Pos.
847
BOSCH Hahn SCHWARZ | Ersatzteile für BALMORAL 20S | F016L35380
Hersteller: BOSCH
Artikelnummer: EB-F016L80603-F016L35380
nur Informationsartikel
Nie mehr lieferbar
keine Alternativen
Pos.
848
BOSCH Distanzstück | Ersatzteile für BALMORAL 20S | F016A58315
Hersteller: BOSCH
Artikelnummer: EB-F016L80603-F016A58315
nur Informationsartikel
Nie mehr lieferbar
keine Alternativen
Pos.
860
BOSCH Instandsetzungssatz | Ersatzteile für BALMORAL 20S | F016A58272
Hersteller: BOSCH
Artikelnummer: EB-F016L80603-F016A58272
nur Informationsartikel
Nie mehr lieferbar
keine Alternativen
Pos.
863
BOSCH Sechskantschraube M6x12 | Ersatzteile für BALMORAL 20S | F016L18120
Hersteller: BOSCH
Artikelnummer: EB-F016L80603-F016L18120
nur Informationsartikel
Nie mehr lieferbar
keine Alternativen
Pos.
864
BOSCH Führungsstein | Ersatzteile für BALMORAL 20S | F016102818
Hersteller: BOSCH
Artikelnummer: EB-F016L80603-F016102818
nur Informationsartikel
Nie mehr lieferbar
keine Alternativen
Pos.
865
BOSCH Einstellstück | Ersatzteile für BALMORAL 20S | F016A58040
Hersteller: BOSCH
Artikelnummer: EB-F016L80603-F016A58040
nur Informationsartikel
Nie mehr lieferbar
keine Alternativen
Pos.
913
BOSCH Umlenkwalze | Ersatzteile für BALMORAL 20S | F016102815
Hersteller: BOSCH
Artikelnummer: EB-F016L80603-F016102815
nur Informationsartikel
Nie mehr lieferbar
keine Alternativen
Pos.
950
BOSCH Lagerzapfen | Ersatzteile für BALMORAL 20S | F016A58422
Hersteller: BOSCH
Artikelnummer: EB-F016L80603-F016A58422
nur Informationsartikel
Nie mehr lieferbar
keine Alternativen
Pos.
953
BOSCH Scheibe | Ersatzteile für BALMORAL 20S | F016T42988
Hersteller: BOSCH
Artikelnummer: EB-F016L80603-F016T42988
nur Informationsartikel
Nie mehr lieferbar
keine Alternativen
Pos.
954
BOSCH Sicherungsmutter M8 | Ersatzteile für BALMORAL 20S | F016L11218
Hersteller: BOSCH
Artikelnummer: EB-F016L80603-F016L11218
nur Informationsartikel
Nie mehr lieferbar
keine Alternativen

Angaben zur Produktsicherheit

Hersteller:
Robert Bosch Power Tools GmbH
Postfach 30 02 20
70442 Stuttgart

E-Mail:
kontakt@bosch.de