BOSCH Zylinderschraube DIN 84-AM6x12-8.8 | Ersatzteile für Bandschleifer | 2910021193

Artikelnummer: EB-0600285047-2910021193

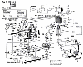
Position: 74

Marke: BOSCH


Bitte Kompatibilität prüfen!

Bitte prüfen Sie unbedingt die 10-stellige Typennummer Ihrer Maschine / Ihres Gerätes. Das Ersatzteil ist nur kompatibel, wenn Sie die Typennummer Ihrer Maschine in der unten stehenden Produktbeschreibung finden.

Bitte prüfen Sie ebenfalls detailliert die Explosionszeichnung mit Ihrem Artikelwunsch und der jeweiligen Pos-Nummer.

Alle Elemente, welche vom schwarzen Strich der Pos-Nummer ausgehend berührt / erfasst werden, gehören zu dieser Pos-Nummer und somit zu diesem Artikel. Jede Pos-Nummer ist ein eigenständiger Artikel, welchen Sie in der Auflistung finden.

Sie erhalten stets die aktuellste, neueste Produktversion zu der gewählten Pos-Nummer seitens des Herstellers. Es kann daher je nach Gerätealter vorkommen, dass Sie ggf. weitere, zugehörige Elemente, welche an diese Pos-Nummer grenzen, ebenfalls mittauschen müssen.

Nähere Informationen finden Sie unter dem Link
Hinweise zu Ihrer BOSCH Ersatzteilsuche

Preisübersicht

Einzelpreis: 3,63 €* (Brutto: 4,32 €)
Gesamtpreis: 3,63 €* 
Position:

Lieferzeit: 5 Werktage


Beschreibung

  • Zylinderschraube DIN 84-AM6x12-8.8
  • Original Bosch Zubehör / BOSCH Ersatzteil (2910021193)
  • im Gerät verbaut: 1
Dieses BOSCH Ersatzteil ist mit folgendem Gerät und Modell kompatibel:
  • BOSCH Gerätename: Bandschleifer
  • BOSCH Explosionszeichnung: Position 74
  • BOSCH Typennummer: 0600285047
  • BOSCH Typennummer alternative Schreibweisen: 0 600 285 047, 0600 285 047, 0.600.285.047, 0-600-285-047
    Bitte prüfen Sie diese Typennummer auf Ihrem Gerät um die Kompatibilität des BOSCH Ersatzteils zu gewährleisten.
Weitere BOSCH Ersatzteile des Gerätes Bandschleifer mit der Typennummer 0600285047 finden Sie in der nachfolgenden Darstellung und im Dropdown zu Ihrer Auswahl:

Pos.
3
BOSCH Anker 100-115V | Ersatzteile für Bandschleifer | 1604010128
Hersteller: BOSCH
Artikelnummer: EB-0600285047-1604010128
nur Informationsartikel
Nie mehr lieferbar
keine Alternativen
Pos.
4
BOSCH Polschuh 110-115V | Ersatzteile für Bandschleifer | 1604220070
Hersteller: BOSCH
Artikelnummer: EB-0600285047-1604220070
nur Informationsartikel
Nie mehr lieferbar
keine Alternativen
Pos.
8
BOSCH Netzanschlussleitung | Ersatzteile für Bandschleifer | 1604460083
Hersteller: BOSCH
Artikelnummer: EB-0600285047-1604460083
nur Informationsartikel
Nie mehr lieferbar
keine Alternativen
Pos.
11
BOSCH Isolierstreifen 33x10x6 MM | Ersatzteile für Bandschleifer | 1602381001
Hersteller: BOSCH
Artikelnummer: EB-0600285047-1602381001
nur Informationsartikel
Nie mehr lieferbar
keine Alternativen
Pos.
15
BOSCH Verschlussdeckel GRUEN | Ersatzteile für Bandschleifer | 1605500066
Hersteller: BOSCH
Artikelnummer: EB-0600285047-1605500066
nur Informationsartikel
Nie mehr lieferbar
keine Alternativen
Pos.
16
BOSCH Entstörfilter | Ersatzteile für Bandschleifer | 1607328034
Hersteller: BOSCH
Artikelnummer: EB-0600285047-1607328034
Netto: 5,67 € zzgl. MwSt.
zzgl. 6,90 € Versand (brutto)
einmalig pro Bestellung

Lieferzeit: 5 Werktage

Pos.
18
BOSCH Firmenschild SCHATTENSEITE | Ersatzteile für Bandschleifer | 1601110481
Hersteller: BOSCH
Artikelnummer: EB-0600285047-1601110481
Netto: 4,32 € zzgl. MwSt.
zzgl. 6,90 € Versand (brutto)
einmalig pro Bestellung

Lieferzeit: 5 Werktage

Pos.
19
BOSCH Hinweisschild | Ersatzteile für Bandschleifer | 1601110053
Hersteller: BOSCH
Artikelnummer: EB-0600285047-1601110053
nur Informationsartikel
Nie mehr lieferbar
keine Alternativen
Pos.
25
BOSCH Rillenkugellager DIN 625 RSY-C3-627-2 | Ersatzteile für Bandschleifer | 1900905042
Hersteller: BOSCH
Artikelnummer: EB-0600285047-1900905042
nur Informationsartikel
Nie mehr lieferbar
keine Alternativen
Pos.
26
BOSCH Befestigungsschelle | Ersatzteile für Bandschleifer | 1601302014
Hersteller: BOSCH
Artikelnummer: EB-0600285047-1601302014
Netto: 3,94 € zzgl. MwSt.
zzgl. 6,90 € Versand (brutto)
einmalig pro Bestellung

Lieferzeit: 5 Werktage

Pos.
32
BOSCH Tülle Ø6,4-Ø7,5x75 MM | Ersatzteile für Bandschleifer | 1600703016
Hersteller: BOSCH
Artikelnummer: EB-0600285047-1600703016
Netto: 3,60 € zzgl. MwSt.
zzgl. 6,90 € Versand (brutto)
einmalig pro Bestellung

Lieferzeit: 5 Werktage

Pos.
34
BOSCH Spiralfeder | Ersatzteile für Bandschleifer | 1604652004
Hersteller: BOSCH
Artikelnummer: EB-0600285047-1604652004
Netto: 4,53 € zzgl. MwSt.
zzgl. 6,90 € Versand (brutto)
einmalig pro Bestellung

Lieferzeit: 5 Werktage

Pos.
40
BOSCH Blechschraube DIN 7971-ST3,9x16-F | Ersatzteile für Bandschleifer | 2910211019
Hersteller: BOSCH
Artikelnummer: EB-0600285047-2910211019
Netto: 3,63 € zzgl. MwSt.
zzgl. 6,90 € Versand (brutto)
einmalig pro Bestellung

Lieferzeit: 5 Werktage

Pos.
41
BOSCH Blechschraube DIN 7972-BZ2,9x6,5 | Ersatzteile für Bandschleifer | 2910601004
Hersteller: BOSCH
Artikelnummer: EB-0600285047-2910601004
nur Informationsartikel
Nie mehr lieferbar
keine Alternativen
Pos.
42
BOSCH Blechschraube DIN 7971-BZ2,9x13 | Ersatzteile für Bandschleifer | 2910211006
Hersteller: BOSCH
Artikelnummer: EB-0600285047-2910211006
Netto: 3,63 € zzgl. MwSt.
zzgl. 6,90 € Versand (brutto)
einmalig pro Bestellung

Lieferzeit: 5 Werktage

Pos.
43
BOSCH Blechschraube DIN 7971-BZ3,9x9,5 | Ersatzteile für Bandschleifer | 2910211017
Hersteller: BOSCH
Artikelnummer: EB-0600285047-2910211017
nur Informationsartikel
Nie mehr lieferbar
keine Alternativen
Pos.
53
BOSCH Lagerbolzen | Ersatzteile für Bandschleifer | 1603159005
Hersteller: BOSCH
Artikelnummer: EB-0600285047-1603159005
nur Informationsartikel
Nie mehr lieferbar
keine Alternativen
Pos.
54
BOSCH Distanzring | Ersatzteile für Bandschleifer | 1600200020
Hersteller: BOSCH
Artikelnummer: EB-0600285047-1600200020
nur Informationsartikel
Nie mehr lieferbar
keine Alternativen
Pos.
55
BOSCH Stirnrad Z=59 | Ersatzteile für Bandschleifer | 1606320067
Hersteller: BOSCH
Artikelnummer: EB-0600285047-1606320067
nur Informationsartikel
Nie mehr lieferbar
keine Alternativen
Pos.
57
BOSCH Rillenkugellager | Ersatzteile für Bandschleifer | 1600905003
Hersteller: BOSCH
Artikelnummer: EB-0600285047-1600905003
nur Informationsartikel
Nie mehr lieferbar
keine Alternativen
Pos.
58
BOSCH Spannscheibe | Ersatzteile für Bandschleifer | 1600114038
Hersteller: BOSCH
Artikelnummer: EB-0600285047-1600114038
nur Informationsartikel
Nie mehr lieferbar
keine Alternativen
Pos.
59
BOSCH Rillenkugellager 6002-Z DIN 625 | Ersatzteile für Bandschleifer | 1900905102
Hersteller: BOSCH
Artikelnummer: EB-0600285047-1900905102
nur Informationsartikel
Nie mehr lieferbar
keine Alternativen
Pos.
60
BOSCH Rundmutter | Ersatzteile für Bandschleifer | 1603345031
Hersteller: BOSCH
Artikelnummer: EB-0600285047-1603345031
nur Informationsartikel
Nie mehr lieferbar
keine Alternativen
Pos.
62
BOSCH Unterlegscheibe | Ersatzteile für Bandschleifer | 1600101019
Hersteller: BOSCH
Artikelnummer: EB-0600285047-1600101019
nur Informationsartikel
Nie mehr lieferbar
keine Alternativen
Pos.
63
BOSCH Stirnrad Z=12 | Ersatzteile für Bandschleifer | 1606320065
Hersteller: BOSCH
Artikelnummer: EB-0600285047-1606320065
nur Informationsartikel
Nie mehr lieferbar
keine Alternativen
Pos.
64
BOSCH Schutzkappe | Ersatzteile für Bandschleifer | 1600510001
Hersteller: BOSCH
Artikelnummer: EB-0600285047-1600510001
nur Informationsartikel
Nie mehr lieferbar
keine Alternativen
Pos.
65
BOSCH Gummiplatte | Ersatzteile für Bandschleifer | 1602380010
Hersteller: BOSCH
Artikelnummer: EB-0600285047-1602380010
nur Informationsartikel
Nie mehr lieferbar
keine Alternativen
Pos.
67
BOSCH Gummiplatte 114x227x88 MM | Ersatzteile für Bandschleifer | 1602388017
Hersteller: BOSCH
Artikelnummer: EB-0600285047-1602388017
nur Informationsartikel
Nie mehr lieferbar
keine Alternativen
Pos.
69
BOSCH Klemmbügel | Ersatzteile für Bandschleifer | 1608045012
Hersteller: BOSCH
Artikelnummer: EB-0600285047-1608045012
nur Informationsartikel
Nie mehr lieferbar
keine Alternativen
Pos.
70
BOSCH Federring DIN 128-A4-FST | Ersatzteile für Bandschleifer | 2916690003
Hersteller: BOSCH
Artikelnummer: EB-0600285047-2916690003
Netto: 3,63 € zzgl. MwSt.
zzgl. 6,90 € Versand (brutto)
einmalig pro Bestellung

Lieferzeit: 5 Werktage

Pos.
71
BOSCH Sicherungsring DIN 472-28x1,2 MM | Ersatzteile für Bandschleifer | 2916660011
Hersteller: BOSCH
Artikelnummer: EB-0600285047-2916660011
Netto: 3,94 € zzgl. MwSt.
zzgl. 6,90 € Versand (brutto)
einmalig pro Bestellung

Lieferzeit: 5 Werktage

Pos.
72
BOSCH Sicherungsbügel DIN 472-32x1,2 MM | Ersatzteile für Bandschleifer | 2916660013
Hersteller: BOSCH
Artikelnummer: EB-0600285047-2916660013
Netto: 4,32 € zzgl. MwSt.
zzgl. 6,90 € Versand (brutto)
einmalig pro Bestellung

Lieferzeit: 5 Werktage

Pos.
73
BOSCH Zylinderschraube DIN 84-AM4x10-5.8 | Ersatzteile für Bandschleifer | 2910011120
Hersteller: BOSCH
Artikelnummer: EB-0600285047-2910011120
Netto: 3,63 € zzgl. MwSt.
zzgl. 6,90 € Versand (brutto)
einmalig pro Bestellung

Lieferzeit: 5 Werktage

Pos.
74
BOSCH Zylinderschraube DIN 84-AM6x12-8.8 | Ersatzteile für Bandschleifer | 2910021193
Hersteller: BOSCH
Artikelnummer: EB-0600285047-2910021193
Netto: 3,60 € zzgl. MwSt.
zzgl. 6,90 € Versand (brutto)
einmalig pro Bestellung

Lieferzeit: 5 Werktage

Pos.
75
BOSCH Senkschraube DIN 963-M4x8-8.8 | Ersatzteile für Bandschleifer | 2910781118
Hersteller: BOSCH
Artikelnummer: EB-0600285047-2910781118
nur Informationsartikel
Nie mehr lieferbar
keine Alternativen
Pos.
76
BOSCH Senkschraube DIN 63-AM 5x8-63 | Ersatzteile für Bandschleifer | 2910511150
Hersteller: BOSCH
Artikelnummer: EB-0600285047-2910511150
nur Informationsartikel
Nie mehr lieferbar
keine Alternativen
Pos.
77
BOSCH Unterlegscheibe A 4,3 DIN 125 ST | Ersatzteile für Bandschleifer | 2916021010
Hersteller: BOSCH
Artikelnummer: EB-0600285047-2916021010
nur Informationsartikel
Nie mehr lieferbar
keine Alternativen
Pos.
78
BOSCH Senkschraube M5x10 DIN 963-8.8 | Ersatzteile für Bandschleifer | 2910781152
Hersteller: BOSCH
Artikelnummer: EB-0600285047-2910781152
nur Informationsartikel
Nie mehr lieferbar
keine Alternativen
Pos.
800
BOSCH Motorgehäuse GRUEN | Ersatzteile für Bandschleifer | 1605104918
Hersteller: BOSCH
Artikelnummer: EB-0600285047-1605104918
nur Informationsartikel
Nie mehr lieferbar
keine Alternativen
Pos.
802
BOSCH Kohlebürste | Ersatzteile für Bandschleifer | 1604321900
Hersteller: BOSCH
Artikelnummer: EB-0600285047-1604321900
nur Informationsartikel
Nie mehr lieferbar
keine Alternativen
Pos.
803
BOSCH Bürstenhalter | Ersatzteile für Bandschleifer | 1601323901
Hersteller: BOSCH
Artikelnummer: EB-0600285047-1601323901
nur Informationsartikel
Nie mehr lieferbar
keine Alternativen
Pos.
804
BOSCH Ein/Aus-Schalter | Ersatzteile für Bandschleifer | 1607200060
Hersteller: BOSCH
Artikelnummer: EB-0600285047-1607200060
nur Informationsartikel
Nie mehr lieferbar
keine Alternativen
Pos.
805
BOSCH Ersatzteilgruppe | Ersatzteile für Bandschleifer | 1601038902
Hersteller: BOSCH
Artikelnummer: EB-0600285047-1601038902
nur Informationsartikel
Nie mehr lieferbar
keine Alternativen
Pos.
806
BOSCH Teilesatz | Ersatzteile für Bandschleifer | 1607000045
Hersteller: BOSCH
Artikelnummer: EB-0600285047-1607000045
nur Informationsartikel
Nie mehr lieferbar
keine Alternativen
Pos.
807
BOSCH Sinterbuchse | Ersatzteile für Bandschleifer | 1600301900
Hersteller: BOSCH
Artikelnummer: EB-0600285047-1600301900
nur Informationsartikel
Nie mehr lieferbar
keine Alternativen

Angaben zur Produktsicherheit

Hersteller:
Robert Bosch Power Tools GmbH
Postfach 30 02 20
70442 Stuttgart

E-Mail:
kontakt@bosch.de