BOSCH Schalthebel | Ersatzteile für Blechschere | 1602026030

Artikelnummer: EB-0601501001-1602026030

Position: 805

Marke: BOSCH


Bitte Kompatibilität prüfen!

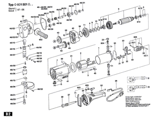
Bitte prüfen Sie unbedingt die 10-stellige Typennummer Ihrer Maschine / Ihres Gerätes. Das Ersatzteil ist nur kompatibel, wenn Sie die Typennummer Ihrer Maschine in der unten stehenden Produktbeschreibung finden.

Bitte prüfen Sie ebenfalls detailliert die Explosionszeichnung mit Ihrem Artikelwunsch und der jeweiligen Pos-Nummer.

Alle Elemente, welche vom schwarzen Strich der Pos-Nummer ausgehend berührt / erfasst werden, gehören zu dieser Pos-Nummer und somit zu diesem Artikel. Jede Pos-Nummer ist ein eigenständiger Artikel, welchen Sie in der Auflistung finden.

Sie erhalten stets die aktuellste, neueste Produktversion zu der gewählten Pos-Nummer seitens des Herstellers. Es kann daher je nach Gerätealter vorkommen, dass Sie ggf. weitere, zugehörige Elemente, welche an diese Pos-Nummer grenzen, ebenfalls mittauschen müssen.

Nähere Informationen finden Sie unter dem Link
Hinweise zu Ihrer BOSCH Ersatzteilsuche

Preisübersicht

Einzelpreis: 9,18 €* (Brutto: 10,92 €)
Gesamtpreis: 9,18 €* 
Position:

Lieferzeit: 5 Werktage


Beschreibung

  • Schalthebel
  • Original Bosch Zubehör / BOSCH Ersatzteil (1602026030)
  • im Gerät verbaut: 1
Dieses BOSCH Ersatzteil ist mit folgendem Gerät und Modell kompatibel:
  • BOSCH Gerätename: Blechschere
  • BOSCH Explosionszeichnung: Position 805
  • BOSCH Typennummer: 0601501001
  • BOSCH Typennummer alternative Schreibweisen: 0 601 501 001, 0601 501 001, 0.601.501.001, 0-601-501-001
    Bitte prüfen Sie diese Typennummer auf Ihrem Gerät um die Kompatibilität des BOSCH Ersatzteils zu gewährleisten.
Weitere BOSCH Ersatzteile des Gerätes Blechschere mit der Typennummer 0601501001 finden Sie in der nachfolgenden Darstellung und im Dropdown zu Ihrer Auswahl:

Pos.
1
BOSCH Polgehäuse | Ersatzteile für Blechschere | 1605108069
Hersteller: BOSCH
Artikelnummer: EB-0601501001-1605108069
nur Informationsartikel
Nie mehr lieferbar
keine Alternativen
Pos.
2
BOSCH Polschuh | Ersatzteile für Blechschere | 1604220045
Hersteller: BOSCH
Artikelnummer: EB-0601501001-1604220045
nur Informationsartikel
Nie mehr lieferbar
keine Alternativen
Pos.
3
BOSCH Zylinderschraube | Ersatzteile für Blechschere | 2910021181
Hersteller: BOSCH
Artikelnummer: EB-0601501001-2910021181
nur Informationsartikel
Nie mehr lieferbar
keine Alternativen
Pos.
4
BOSCH Dichtscheibe | Ersatzteile für Blechschere | 1600108048
Hersteller: BOSCH
Artikelnummer: EB-0601501001-1600108048
Netto: 3,94 € zzgl. MwSt.
zzgl. 6,90 € Versand (brutto)
einmalig pro Bestellung

Lieferzeit: 5 Werktage

Pos.
5
BOSCH Ausgleichscheibe | Ersatzteile für Blechschere | 1600102608
Hersteller: BOSCH
Artikelnummer: EB-0601501001-1600102627
nur Informationsartikel
Nie mehr lieferbar
keine Alternativen
Pos.
5
BOSCH Ausgleichscheibe | Ersatzteile für Blechschere | 1600102625
Hersteller: BOSCH
Artikelnummer: EB-0601501001-1600102625
nur Informationsartikel
Nie mehr lieferbar
keine Alternativen
Pos.
5
BOSCH Ausgleichscheibe | Ersatzteile für Blechschere | 1600102627
Hersteller: BOSCH
Artikelnummer: EB-0601501001-1600102627
nur Informationsartikel
Nie mehr lieferbar
keine Alternativen
Pos.
5
BOSCH Ausgleichscheibe 0,1 MM DICK | Ersatzteile für Blechschere | 1600102626
Hersteller: BOSCH
Artikelnummer: EB-0601501001-1600102626
Netto: 4,32 € zzgl. MwSt.
zzgl. 6,90 € Versand (brutto)
einmalig pro Bestellung

Lieferzeit: 5 Werktage

Pos.
6
BOSCH Anker Mit Lüfter | Ersatzteile für Blechschere | 1604011055
Hersteller: BOSCH
Artikelnummer: EB-0601501001-1604011055
nur Informationsartikel
Nie mehr lieferbar
keine Alternativen
Pos.
6/12
BOSCH Schulterkugellager | Ersatzteile für Blechschere | 1900900109
Hersteller: BOSCH
Artikelnummer: EB-0601501001-1900900109
nur Informationsartikel
Nie mehr lieferbar
keine Alternativen
Pos.
6/14
BOSCH Schulterkugellager | Ersatzteile für Blechschere | 1900900115
Hersteller: BOSCH
Artikelnummer: EB-0601501001-1900900115
nur Informationsartikel
Nie mehr lieferbar
keine Alternativen
Pos.
10
BOSCH Ausgleichscheibe | Ersatzteile für Blechschere | 1600102601
Hersteller: BOSCH
Artikelnummer: EB-0601501001-1600102603
nur Informationsartikel
Nie mehr lieferbar
keine Alternativen
Pos.
10
BOSCH Ausgleichscheibe | Ersatzteile für Blechschere | 1600102602
Hersteller: BOSCH
Artikelnummer: EB-0601501001-1600102602
nur Informationsartikel
Nie mehr lieferbar
keine Alternativen
Pos.
10
BOSCH Ausgleichscheibe | Ersatzteile für Blechschere | 1600102603
Hersteller: BOSCH
Artikelnummer: EB-0601501001-1600102603
nur Informationsartikel
Nie mehr lieferbar
keine Alternativen
Pos.
6/16
BOSCH Gewindering | Ersatzteile für Blechschere | 1603344037
Hersteller: BOSCH
Artikelnummer: EB-0601501001-1603344037
nur Informationsartikel
Nie mehr lieferbar
keine Alternativen
Pos.
7
BOSCH Motorgehäuse | Ersatzteile für Blechschere | 1605102030
Hersteller: BOSCH
Artikelnummer: EB-0601501001-1605102030
nur Informationsartikel
Nie mehr lieferbar
keine Alternativen
Pos.
9
BOSCH Ausgleichscheibe | Ersatzteile für Blechschere | 1600102609
Hersteller: BOSCH
Artikelnummer: EB-0601501001-1600102609
nur Informationsartikel
Nie mehr lieferbar
keine Alternativen
Pos.
11
BOSCH Zwischenlager | Ersatzteile für Blechschere | 1605820131
Hersteller: BOSCH
Artikelnummer: EB-0601501001-1605820131
nur Informationsartikel
Nie mehr lieferbar
keine Alternativen
Pos.
21
BOSCH Luftleitring | Ersatzteile für Blechschere | 1600502001
Hersteller: BOSCH
Artikelnummer: EB-0601501001-1600502001
nur Informationsartikel
Nie mehr lieferbar
keine Alternativen
Pos.
23
BOSCH Verschlussschraube | Ersatzteile für Blechschere | 1603465003
Hersteller: BOSCH
Artikelnummer: EB-0601501001-1603465003
nur Informationsartikel
Nie mehr lieferbar
keine Alternativen
Pos.
24
BOSCH Handgriff | Ersatzteile für Blechschere | 1605132068
Hersteller: BOSCH
Artikelnummer: EB-0601501001-1605132068
nur Informationsartikel
Nie mehr lieferbar
keine Alternativen
Pos.
26
BOSCH Netzanschlussleitung GB 110V 4,15m 2 x 1,5mm H07RN-F | Ersatzteile für Blechschere | 1604460203
Hersteller: BOSCH
Artikelnummer: EB-0601501001-1604460203
Netto: 29,45 € zzgl. MwSt.
zzgl. 6,90 € Versand (brutto)
einmalig pro Bestellung

Lieferzeit: 5 Werktage

Pos.
27
BOSCH Tülle | Ersatzteile für Blechschere | 1600703008
Hersteller: BOSCH
Artikelnummer: EB-0601501001-1600703008
nur Informationsartikel
Nie mehr lieferbar
keine Alternativen
Pos.
28
BOSCH Befestigungsschelle | Ersatzteile für Blechschere | 1601302013
Hersteller: BOSCH
Artikelnummer: EB-0601501001-1601302013
Netto: 3,94 € zzgl. MwSt.
zzgl. 6,90 € Versand (brutto)
einmalig pro Bestellung

Lieferzeit: 5 Werktage

Pos.
29
BOSCH Dichtplatte | Ersatzteile für Blechschere | 1600113003
Hersteller: BOSCH
Artikelnummer: EB-0601501001-1600113003
Netto: 4,82 € zzgl. MwSt.
zzgl. 6,90 € Versand (brutto)
einmalig pro Bestellung

Lieferzeit: 5 Werktage

Pos.
30
BOSCH Abdeckplatte | Ersatzteile für Blechschere | 1601037001
Hersteller: BOSCH
Artikelnummer: EB-0601501001-1601037001
nur Informationsartikel
Nie mehr lieferbar
keine Alternativen
Pos.
31
BOSCH Tülle | Ersatzteile für Blechschere | 1600306002
Hersteller: BOSCH
Artikelnummer: EB-0601501001-1600306002
nur Informationsartikel
Nie mehr lieferbar
keine Alternativen
Pos.
32
BOSCH Entstörfilter | Ersatzteile für Blechschere | 1607328034
Hersteller: BOSCH
Artikelnummer: EB-0601501001-1607328034
Netto: 5,67 € zzgl. MwSt.
zzgl. 6,90 € Versand (brutto)
einmalig pro Bestellung

Lieferzeit: 5 Werktage

Pos.
33
BOSCH Befestigungsschelle | Ersatzteile für Blechschere | 1601302003
Hersteller: BOSCH
Artikelnummer: EB-0601501001-1601302003
nur Informationsartikel
Nie mehr lieferbar
keine Alternativen
Pos.
34/1
BOSCH Unterlegscheibe DIN 433-3,2-ST 50 | Ersatzteile für Blechschere | 2916011005
Hersteller: BOSCH
Artikelnummer: EB-0601501001-2916011005
Netto: 3,63 € zzgl. MwSt.
zzgl. 6,90 € Versand (brutto)
einmalig pro Bestellung

Lieferzeit: 5 Werktage

Pos.
37
BOSCH Buchsenklemme | Ersatzteile für Blechschere | 1600390006
Hersteller: BOSCH
Artikelnummer: EB-0601501001-1600390006
nur Informationsartikel
Nie mehr lieferbar
keine Alternativen
Pos.
38
BOSCH O-Ring 54,0x3,0 MM | Ersatzteile für Blechschere | 1600210004
Hersteller: BOSCH
Artikelnummer: EB-0601501001-1600210004
Netto: 4,82 € zzgl. MwSt.
zzgl. 6,90 € Versand (brutto)
einmalig pro Bestellung

Lieferzeit: 5 Werktage

Pos.
40
BOSCH Lagergehäuse | Ersatzteile für Blechschere | 1605820900
Hersteller: BOSCH
Artikelnummer: EB-0601501001-1605820900
nur Informationsartikel
Nie mehr lieferbar
keine Alternativen
Pos.
41
BOSCH Firmenschild | Ersatzteile für Blechschere | 1601110011
Hersteller: BOSCH
Artikelnummer: EB-0601501001-1601110011
nur Informationsartikel
Nie mehr lieferbar
keine Alternativen
Pos.
42
BOSCH Welle Mit Zahnrad | Ersatzteile für Blechschere | 1606328077
Hersteller: BOSCH
Artikelnummer: EB-0601501001-1606328077
nur Informationsartikel
Nie mehr lieferbar
keine Alternativen
Pos.
43
BOSCH Zahnrad | Ersatzteile für Blechschere | 1606317063
Hersteller: BOSCH
Artikelnummer: EB-0601501001-1606317063
nur Informationsartikel
Nie mehr lieferbar
keine Alternativen
Pos.
45
BOSCH Haltewinkel | Ersatzteile für Blechschere | 1601331032
Hersteller: BOSCH
Artikelnummer: EB-0601501001-1601331032
nur Informationsartikel
Nie mehr lieferbar
keine Alternativen
Pos.
46
BOSCH Getriebekopf | Ersatzteile für Blechschere | 1608584002
Hersteller: BOSCH
Artikelnummer: EB-0601501001-1608584002
nur Informationsartikel
Nie mehr lieferbar
keine Alternativen
Pos.
46/00
BOSCH Einstellschraube | Ersatzteile für Blechschere | 1603410006
Hersteller: BOSCH
Artikelnummer: EB-0601501001-1603410006
nur Informationsartikel
Nie mehr lieferbar
keine Alternativen
Pos.
46/01
BOSCH Unterlegscheibe | Ersatzteile für Blechschere | 1600103024
Hersteller: BOSCH
Artikelnummer: EB-0601501001-1600103024
nur Informationsartikel
Nie mehr lieferbar
keine Alternativen
Pos.
46/02
BOSCH Getriebegehäuse | Ersatzteile für Blechschere | 1605110023
Hersteller: BOSCH
Artikelnummer: EB-0601501001-1605110023
nur Informationsartikel
Nie mehr lieferbar
keine Alternativen
Pos.
46/02/01
BOSCH Schmiernippel | Ersatzteile für Blechschere | 1609274002
Hersteller: BOSCH
Artikelnummer: EB-0601501001-1609274002
nur Informationsartikel
Nie mehr lieferbar
keine Alternativen
Pos.
46/02/02
BOSCH Zylinderstift | Ersatzteile für Blechschere | 2917510120
Hersteller: BOSCH
Artikelnummer: EB-0601501001-2917510120
nur Informationsartikel
Nie mehr lieferbar
keine Alternativen
Pos.
46/03
BOSCH Schleifspindel | Ersatzteile für Blechschere | 1606110003
Hersteller: BOSCH
Artikelnummer: EB-0601501001-1606110003
nur Informationsartikel
Nie mehr lieferbar
keine Alternativen
Pos.
46/04
BOSCH Schneidtisch | Ersatzteile für Blechschere | 1608042001
Hersteller: BOSCH
Artikelnummer: EB-0601501001-1608042001
nur Informationsartikel
Nie mehr lieferbar
keine Alternativen
Pos.
46/05
BOSCH Klemmring | Ersatzteile für Blechschere | 1600224030
Hersteller: BOSCH
Artikelnummer: EB-0601501001-1600224030
nur Informationsartikel
Nie mehr lieferbar
keine Alternativen
Pos.
46/06
BOSCH Führungsbuchse | Ersatzteile für Blechschere | 1600400021
Hersteller: BOSCH
Artikelnummer: EB-0601501001-1600400021
nur Informationsartikel
Nie mehr lieferbar
keine Alternativen
Pos.
46/07
BOSCH Stössel | Ersatzteile für Blechschere | 1603121014
Hersteller: BOSCH
Artikelnummer: EB-0601501001-1603121014
nur Informationsartikel
Nie mehr lieferbar
keine Alternativen
Pos.
46/08
BOSCH Pleuelbolzen | Ersatzteile für Blechschere | 1603105010
Hersteller: BOSCH
Artikelnummer: EB-0601501001-1603105010
nur Informationsartikel
Nie mehr lieferbar
keine Alternativen
Pos.
46/10
BOSCH Pleuelstange | Ersatzteile für Blechschere | 1609220000
Hersteller: BOSCH
Artikelnummer: EB-0601501001-1609220000
nur Informationsartikel
Nie mehr lieferbar
keine Alternativen
Pos.
46/11
BOSCH Unterlegscheibe | Ersatzteile für Blechschere | 1609201000
Hersteller: BOSCH
Artikelnummer: EB-0601501001-1609201000
nur Informationsartikel
Nie mehr lieferbar
keine Alternativen
Pos.
46/12
BOSCH Messerplatte | Ersatzteile für Blechschere | 1608635015
Hersteller: BOSCH
Artikelnummer: EB-0601501001-1608635015
nur Informationsartikel
Nie mehr lieferbar
keine Alternativen
Pos.
46/13
BOSCH Messerplatte | Ersatzteile für Blechschere | 1608635014
Hersteller: BOSCH
Artikelnummer: EB-0601501001-1608635014
nur Informationsartikel
Nie mehr lieferbar
keine Alternativen
Pos.
46/14
BOSCH Kolbenring | Ersatzteile für Blechschere | 1609202004
Hersteller: BOSCH
Artikelnummer: EB-0601501001-1609202004
nur Informationsartikel
Nie mehr lieferbar
keine Alternativen
Pos.
46/16
BOSCH Sicherungsring DIN 471-10x1MM-FSt | Ersatzteile für Blechschere | 2916650001
Hersteller: BOSCH
Artikelnummer: EB-0601501001-2916650001
Netto: 4,53 € zzgl. MwSt.
zzgl. 6,90 € Versand (brutto)
einmalig pro Bestellung

Lieferzeit: 5 Werktage

Pos.
46/17
BOSCH Rillenkugellager | Ersatzteile für Blechschere | 1900905301
Hersteller: BOSCH
Artikelnummer: EB-0601501001-1900905301
nur Informationsartikel
Nie mehr lieferbar
keine Alternativen
Pos.
46/18
BOSCH Nadelkäfig | Ersatzteile für Blechschere | 1609209001
Hersteller: BOSCH
Artikelnummer: EB-0601501001-1609209001
nur Informationsartikel
Nie mehr lieferbar
keine Alternativen
Pos.
46/19
BOSCH Sicherungsring DIN 472-42x1,75MM | Ersatzteile für Blechschere | 2916660019
Hersteller: BOSCH
Artikelnummer: EB-0601501001-2916660019
Netto: 5,67 € zzgl. MwSt.
zzgl. 6,90 € Versand (brutto)
einmalig pro Bestellung

Lieferzeit: 5 Werktage

Pos.
46/20
BOSCH Passfeder | Ersatzteile für Blechschere | 1902300263
Hersteller: BOSCH
Artikelnummer: EB-0601501001-1902300263
Netto: 4,31 € zzgl. MwSt.
zzgl. 6,90 € Versand (brutto)
einmalig pro Bestellung

Lieferzeit: 5 Werktage

Pos.
46/21
BOSCH Innensechskantschraube DIN 912-M6x16-8.8 | Ersatzteile für Blechschere | 2910141197
Hersteller: BOSCH
Artikelnummer: EB-0601501001-2910141197
Netto: 3,63 € zzgl. MwSt.
zzgl. 6,90 € Versand (brutto)
einmalig pro Bestellung

Lieferzeit: 5 Werktage

Pos.
46/22
BOSCH Gewindestift | Ersatzteile für Blechschere | 2912041196
Hersteller: BOSCH
Artikelnummer: EB-0601501001-2912041196
Netto: 3,79 € zzgl. MwSt.
zzgl. 6,90 € Versand (brutto)
einmalig pro Bestellung

Lieferzeit: 5 Werktage

Pos.
46/23
BOSCH Zylinderstift | Ersatzteile für Blechschere | 2917510186
Hersteller: BOSCH
Artikelnummer: EB-0601501001-2917510186
nur Informationsartikel
Nie mehr lieferbar
keine Alternativen
Pos.
46/24
BOSCH Innensechskantschraube | Ersatzteile für Blechschere | 2910141483
Hersteller: BOSCH
Artikelnummer: EB-0601501001-2910141483
Netto: 6,57 € zzgl. MwSt.
zzgl. 6,90 € Versand (brutto)
einmalig pro Bestellung

Lieferzeit: 5 Werktage

Pos.
46/26
BOSCH Federring | Ersatzteile für Blechschere | 2916690005
Hersteller: BOSCH
Artikelnummer: EB-0601501001-2916690005
nur Informationsartikel
Nie mehr lieferbar
keine Alternativen
Pos.
46/27
BOSCH Innensechskantschraube DIN 912-M6x20-8.8 | Ersatzteile für Blechschere | 2910141201
Hersteller: BOSCH
Artikelnummer: EB-0601501001-2910141201
Netto: 4,53 € zzgl. MwSt.
zzgl. 6,90 € Versand (brutto)
einmalig pro Bestellung

Lieferzeit: 5 Werktage

Pos.
46/29
BOSCH Rillenkugellager | Ersatzteile für Blechschere | 1900905200
Hersteller: BOSCH
Artikelnummer: EB-0601501001-1900905200
nur Informationsartikel
Nie mehr lieferbar
keine Alternativen
Pos.
46/30
BOSCH Rillenkugellager | Ersatzteile für Blechschere | 1900905302
Hersteller: BOSCH
Artikelnummer: EB-0601501001-1900905302
nur Informationsartikel
Nie mehr lieferbar
keine Alternativen
Pos.
46/31
BOSCH Sicherungsring DIN 471-15x1-FSt | Ersatzteile für Blechschere | 2916650006
Hersteller: BOSCH
Artikelnummer: EB-0601501001-2916650006
Netto: 3,94 € zzgl. MwSt.
zzgl. 6,90 € Versand (brutto)
einmalig pro Bestellung

Lieferzeit: 5 Werktage

Pos.
46/650
BOSCH Dichtung | Ersatzteile für Blechschere | 1601015005
Hersteller: BOSCH
Artikelnummer: EB-0601501001-1601015005
nur Informationsartikel
Nie mehr lieferbar
keine Alternativen
Pos.
49
BOSCH Rillenkugellager | Ersatzteile für Blechschere | 1900900302
Hersteller: BOSCH
Artikelnummer: EB-0601501001-1900900302
nur Informationsartikel
Nie mehr lieferbar
keine Alternativen
Pos.
52
BOSCH Zylinderschraube DIN 84-BM5x30-5.8 | Ersatzteile für Blechschere | 2910011166
Hersteller: BOSCH
Artikelnummer: EB-0601501001-2910011166
Netto: 3,63 € zzgl. MwSt.
zzgl. 6,90 € Versand (brutto)
einmalig pro Bestellung

Lieferzeit: 5 Werktage

Pos.
53/1
BOSCH Zylinderschraube DIN 84-AM4x12-8.8 | Ersatzteile für Blechschere | 2910021122
Hersteller: BOSCH
Artikelnummer: EB-0601501001-2910021122
Netto: 4,32 € zzgl. MwSt.
zzgl. 6,90 € Versand (brutto)
einmalig pro Bestellung

Lieferzeit: 5 Werktage

Pos.
55
BOSCH Innensechskantschraube DIN 912-M5x45-8.8 | Ersatzteile für Blechschere | 2910141172
Hersteller: BOSCH
Artikelnummer: EB-0601501001-2910141172
Netto: 3,94 € zzgl. MwSt.
zzgl. 6,90 € Versand (brutto)
einmalig pro Bestellung

Lieferzeit: 5 Werktage

Pos.
56
BOSCH Innensechskantschraube DIN 912-M6x50-8.8 | Ersatzteile für Blechschere | 2910141213
Hersteller: BOSCH
Artikelnummer: EB-0601501001-2910141213
Netto: 4,53 € zzgl. MwSt.
zzgl. 6,90 € Versand (brutto)
einmalig pro Bestellung

Lieferzeit: 5 Werktage

Pos.
57
BOSCH Blechschraube DIN 7971-BZ2,9x13 | Ersatzteile für Blechschere | 2910211006
Hersteller: BOSCH
Artikelnummer: EB-0601501001-2910211006
Netto: 3,63 € zzgl. MwSt.
zzgl. 6,90 € Versand (brutto)
einmalig pro Bestellung

Lieferzeit: 5 Werktage

Pos.
57
BOSCH Zylinderschraube DIN 84-AM3x8-8.8 | Ersatzteile für Blechschere | 2910021050
Hersteller: BOSCH
Artikelnummer: EB-0601501001-2910021050
Netto: 3,63 € zzgl. MwSt.
zzgl. 6,90 € Versand (brutto)
einmalig pro Bestellung

Lieferzeit: 5 Werktage

Pos.
60
BOSCH Gewindeschneidschraube | Ersatzteile für Blechschere | 1603435000
Hersteller: BOSCH
Artikelnummer: EB-0601501001-1603435000
nur Informationsartikel
Nie mehr lieferbar
keine Alternativen
Pos.
70
BOSCH Halbrundkerbnagel DIN 1476-2x3-St | Ersatzteile für Blechschere | 2917721031
Hersteller: BOSCH
Artikelnummer: EB-0601501001-2917721031
Netto: 3,63 € zzgl. MwSt.
zzgl. 6,90 € Versand (brutto)
einmalig pro Bestellung

Lieferzeit: 5 Werktage

Pos.
71
BOSCH Dichtschnur | Ersatzteile für Blechschere | 1601014002
Hersteller: BOSCH
Artikelnummer: EB-0601501001-1601014002
nur Informationsartikel
Nie mehr lieferbar
keine Alternativen
Pos.
76
BOSCH Filzring | Ersatzteile für Blechschere | 1600205008
Hersteller: BOSCH
Artikelnummer: EB-0601501001-1600205008
Netto: 3,94 € zzgl. MwSt.
zzgl. 6,90 € Versand (brutto)
einmalig pro Bestellung

Lieferzeit: 5 Werktage

Pos.
650
BOSCH Winkelschraubendreher DIN 911, SW3 | Ersatzteile für Blechschere | 1907950004
Hersteller: BOSCH
Artikelnummer: EB-0601501001-1907950004
Netto: 6,70 € zzgl. MwSt.
zzgl. 6,90 € Versand (brutto)
einmalig pro Bestellung

Lieferzeit: 5 Werktage

Pos.
651
BOSCH Innensechskantschlüssel | Ersatzteile für Blechschere | 2610364015
Hersteller: BOSCH
Artikelnummer: EB-0601501001-2610364015
Netto: 5,19 € zzgl. MwSt.
zzgl. 6,90 € Versand (brutto)
einmalig pro Bestellung

Lieferzeit: 5 Werktage

Pos.
651
BOSCH Winkelschraubendreher DIN 911-SW5 SCHWARZ | Ersatzteile für Blechschere | 1907950006
Hersteller: BOSCH
Artikelnummer: EB-0601501001-1907950006
Netto: 5,67 € zzgl. MwSt.
zzgl. 6,90 € Versand (brutto)
einmalig pro Bestellung

Lieferzeit: 5 Werktage

Pos.
652
BOSCH Zusatzhandgriff M14 SCHWARZ | Ersatzteile für Blechschere | 1602025022
Hersteller: BOSCH
Artikelnummer: EB-0601501001-1602025022
Netto: 11,41 € zzgl. MwSt.
zzgl. 6,90 € Versand (brutto)
einmalig pro Bestellung

Lieferzeit: 5 Werktage

Pos.
652
BOSCH Zusatzhandgriff M14, Ø37x115 MM SCHWARZ | Ersatzteile für Blechschere | 1602025030
Hersteller: BOSCH
Artikelnummer: EB-0601501001-1602025030
Netto: 14,92 € zzgl. MwSt.
zzgl. 6,90 € Versand (brutto)
einmalig pro Bestellung

Lieferzeit: 5 Werktage

Pos.
803
BOSCH Handgriff | Ersatzteile für Blechschere | 1605132060
Hersteller: BOSCH
Artikelnummer: EB-0601501001-1605132060
nur Informationsartikel
Nie mehr lieferbar
keine Alternativen
Pos.
804
BOSCH Kohlebürstensatz | Ersatzteile für Blechschere | 1607014100
Hersteller: BOSCH
Artikelnummer: EB-0601501001-1607014100
nur Informationsartikel
Nie mehr lieferbar
keine Alternativen
Pos.
805
BOSCH Schalthebel | Ersatzteile für Blechschere | 1602026030
Hersteller: BOSCH
Artikelnummer: EB-0601501001-1602026030
Netto: 9,18 € zzgl. MwSt.
zzgl. 6,90 € Versand (brutto)
einmalig pro Bestellung

Lieferzeit: 5 Werktage

Pos.
806
BOSCH Schaltersatz | Ersatzteile für Blechschere | 1607000034
Hersteller: BOSCH
Artikelnummer: EB-0601501001-1607000034
nur Informationsartikel
Nie mehr lieferbar
keine Alternativen
Pos.
810
BOSCH Ausgleichscheibe 0,05 MM DICK | Ersatzteile für Blechschere | 1600101619
Hersteller: BOSCH
Artikelnummer: EB-0601501001-1600101619
Netto: 4,32 € zzgl. MwSt.
zzgl. 6,90 € Versand (brutto)
einmalig pro Bestellung

Lieferzeit: 5 Werktage

Pos.
810
BOSCH Ausgleichscheibe 0,1 MM DICK | Ersatzteile für Blechschere | 1600101616
Hersteller: BOSCH
Artikelnummer: EB-0601501001-1600101616
Netto: 4,53 € zzgl. MwSt.
zzgl. 6,90 € Versand (brutto)
einmalig pro Bestellung

Lieferzeit: 5 Werktage

Pos.
810
BOSCH Ausgleichscheibe 0,2 MM DICK | Ersatzteile für Blechschere | 1600101617
Hersteller: BOSCH
Artikelnummer: EB-0601501001-1600101617
Netto: 3,94 € zzgl. MwSt.
zzgl. 6,90 € Versand (brutto)
einmalig pro Bestellung

Lieferzeit: 5 Werktage

Pos.
810
BOSCH Ausgleichscheibe 0,3 MM DICK | Ersatzteile für Blechschere | 1600101618
Hersteller: BOSCH
Artikelnummer: EB-0601501001-1600101618
nur Informationsartikel
Nie mehr lieferbar
keine Alternativen
Pos.
888
BOSCH Typschild | Ersatzteile für Blechschere | 160111A3H3
Hersteller: BOSCH
Artikelnummer: EB-0601501001-160111A3H3
Netto: 4,53 € zzgl. MwSt.
zzgl. 6,90 € Versand (brutto)
einmalig pro Bestellung

Lieferzeit: 5 Werktage

Pos.
888
BOSCH Typschild 26x52 MM | Ersatzteile für Blechschere | 1601106032
Hersteller: BOSCH
Artikelnummer: EB-0601501001-1601106032
nur Informationsartikel
Nie mehr lieferbar
keine Alternativen
Pos.
BOSCH Zusatzhandgriff | Ersatzteile für SHEARS | 16020250A1
Hersteller: BOSCH
Artikelnummer:
Netto: 12,98 € zzgl. MwSt.
zzgl. 6,90 € Versand (brutto)
einmalig pro Bestellung

Lieferzeit: 5 Werktage

Angaben zur Produktsicherheit

Hersteller:
Robert Bosch Power Tools GmbH
Postfach 30 02 20
70442 Stuttgart

E-Mail:
kontakt@bosch.de