BOSCH Netzanschlussleitung EU 4,15m 2 x 1,5mm H07 RN-F | Ersatzteile für Blechschere | 1607000228

Artikelnummer: EB-0601502003-1607000228

Position: 805

Marke: BOSCH


Bitte Kompatibilität prüfen!

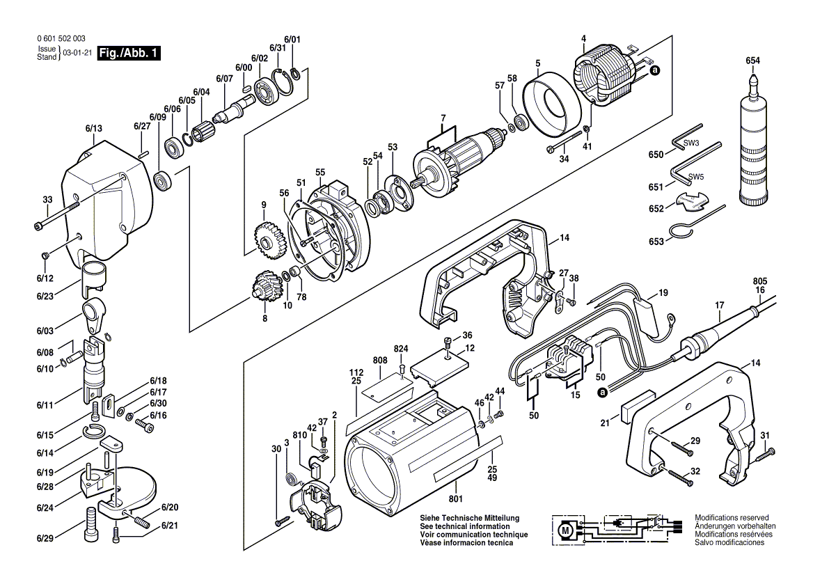
Bitte prüfen Sie unbedingt die 10-stellige Typennummer Ihrer Maschine / Ihres Gerätes. Das Ersatzteil ist nur kompatibel, wenn Sie die Typennummer Ihrer Maschine in der unten stehenden Produktbeschreibung finden.

Bitte prüfen Sie ebenfalls detailliert die Explosionszeichnung mit Ihrem Artikelwunsch und der jeweiligen Pos-Nummer.

Alle Elemente, welche vom schwarzen Strich der Pos-Nummer ausgehend berührt / erfasst werden, gehören zu dieser Pos-Nummer und somit zu diesem Artikel. Jede Pos-Nummer ist ein eigenständiger Artikel, welchen Sie in der Auflistung finden.

Sie erhalten stets die aktuellste, neueste Produktversion zu der gewählten Pos-Nummer seitens des Herstellers. Es kann daher je nach Gerätealter vorkommen, dass Sie ggf. weitere, zugehörige Elemente, welche an diese Pos-Nummer grenzen, ebenfalls mittauschen müssen.

Nähere Informationen finden Sie unter dem Link
Hinweise zu Ihrer BOSCH Ersatzteilsuche

Preisübersicht

Einzelpreis: 21,16 €* (Brutto: 25,18 €)
Gesamtpreis: 21,16 €* 
Position:

Lieferzeit: 5 Werktage


Beschreibung

  • Netzanschlussleitung EU 4,15m 2 x 1,5mm H07 RN-F
  • Original Bosch Zubehör / BOSCH Ersatzteil (1607000228)
  • im Gerät verbaut: 1
Dieses BOSCH Ersatzteil ist mit folgendem Gerät und Modell kompatibel:
  • BOSCH Gerätename: Blechschere
  • BOSCH Explosionszeichnung: Position 805
  • BOSCH Typennummer: 0601502003
  • BOSCH Typennummer alternative Schreibweisen: 0 601 502 003, 0601 502 003, 0.601.502.003, 0-601-502-003
    Bitte prüfen Sie diese Typennummer auf Ihrem Gerät um die Kompatibilität des BOSCH Ersatzteils zu gewährleisten.
Weitere BOSCH Ersatzteile des Gerätes Blechschere mit der Typennummer 0601502003 finden Sie in der nachfolgenden Darstellung und im Dropdown zu Ihrer Auswahl:

Pos.
6/00
BOSCH Passfeder DIN 6885-A4x4x10-ST | Ersatzteile für Blechschere | 1902300041
Hersteller: BOSCH
Artikelnummer: EB-0601502003-1902300041
nur Informationsartikel
Nie mehr lieferbar
keine Alternativen
Pos.
6/01
BOSCH Sicherungsring DIN 471-12x1-FSt | Ersatzteile für Blechschere | 2916650003
Hersteller: BOSCH
Artikelnummer: EB-0601502003-2916650003
Netto: 3,94 € zzgl. MwSt.
zzgl. 6,90 € Versand (brutto)
einmalig pro Bestellung

Lieferzeit: 5 Werktage

Pos.
6/02
BOSCH Rillenkugellager 12x32x10 | Ersatzteile für Blechschere | 1900905225
Hersteller: BOSCH
Artikelnummer: EB-0601502003-1900905225
Netto: 8,94 € zzgl. MwSt.
zzgl. 6,90 € Versand (brutto)
einmalig pro Bestellung

Lieferzeit: 5 Werktage

Pos.
6/03
BOSCH Pleuelstange | Ersatzteile für Blechschere | 1609220004
Hersteller: BOSCH
Artikelnummer: EB-0601502003-1609220004
nur Informationsartikel
Nie mehr lieferbar
keine Alternativen
Pos.
6/04
BOSCH Nadelkäfig | Ersatzteile für Blechschere | 1609209000
Hersteller: BOSCH
Artikelnummer: EB-0601502003-1609209000
nur Informationsartikel
Nie mehr lieferbar
keine Alternativen
Pos.
6/05
BOSCH Klemmring | Ersatzteile für Blechschere | 1609202003
Hersteller: BOSCH
Artikelnummer: EB-0601502003-1609202003
nur Informationsartikel
Nie mehr lieferbar
keine Alternativen
Pos.
6/06
BOSCH Rillenkugellager 6200-Z DIN 625 | Ersatzteile für Blechschere | 1900905200
Hersteller: BOSCH
Artikelnummer: EB-0601502003-1900905200
nur Informationsartikel
Nie mehr lieferbar
keine Alternativen
Pos.
6/07
BOSCH Exzenterwelle | Ersatzteile für Blechschere | 1609261002
Hersteller: BOSCH
Artikelnummer: EB-0601502003-1609261002
nur Informationsartikel
Nie mehr lieferbar
keine Alternativen
Pos.
6/08
BOSCH Pleuelbolzen | Ersatzteile für Blechschere | 1609231002
Hersteller: BOSCH
Artikelnummer: EB-0601502003-1609231002
nur Informationsartikel
Nie mehr lieferbar
keine Alternativen
Pos.
6/09
BOSCH Kugellager 9x26x8 | Ersatzteile für Blechschere | 1900905025
Hersteller: BOSCH
Artikelnummer: EB-0601502003-1900905025
Netto: 17,38 € zzgl. MwSt.
zzgl. 6,90 € Versand (brutto)
einmalig pro Bestellung

Lieferzeit: 5 Werktage

Pos.
6/10
BOSCH Sicherungsring DIN 471-8x0,8 FSt | Ersatzteile für Blechschere | 2916640005
Hersteller: BOSCH
Artikelnummer: EB-0601502003-2916640005
nur Informationsartikel
Nie mehr lieferbar
keine Alternativen
Pos.
6/11
BOSCH Stössel | Ersatzteile für Blechschere | 1609231003
Hersteller: BOSCH
Artikelnummer: EB-0601502003-1609231003
nur Informationsartikel
Nie mehr lieferbar
keine Alternativen
Pos.
6/12
BOSCH Schmiernippel | Ersatzteile für Blechschere | 1609274002
Hersteller: BOSCH
Artikelnummer: EB-0601502003-1609274002
nur Informationsartikel
Nie mehr lieferbar
keine Alternativen
Pos.
6/13
BOSCH Getriebegehäuse | Ersatzteile für Blechschere | 1609251017
Hersteller: BOSCH
Artikelnummer: EB-0601502003-1609251017
nur Informationsartikel
Nie mehr lieferbar
keine Alternativen
Pos.
6/14
BOSCH Kolbenring DIN 24910-28x25,4x2 | Ersatzteile für Blechschere | 1609202005
Hersteller: BOSCH
Artikelnummer: EB-0601502003-1609202005
nur Informationsartikel
Nie mehr lieferbar
keine Alternativen
Pos.
6/15
BOSCH Einstellschraube | Ersatzteile für Blechschere | 1609234013
Hersteller: BOSCH
Artikelnummer: EB-0601502003-1609234013
nur Informationsartikel
Nie mehr lieferbar
keine Alternativen
Pos.
6/16
BOSCH Innensechskantschraube DIN 912-M6x18-8.8 | Ersatzteile für Blechschere | 2910141199
Hersteller: BOSCH
Artikelnummer: EB-0601502003-2910141199
Netto: 5,19 € zzgl. MwSt.
zzgl. 6,90 € Versand (brutto)
einmalig pro Bestellung

Lieferzeit: 5 Werktage

Pos.
6/17
BOSCH Unterlegscheibe | Ersatzteile für Blechschere | 1609201000
Hersteller: BOSCH
Artikelnummer: EB-0601502003-1609201000
nur Informationsartikel
Nie mehr lieferbar
keine Alternativen
Pos.
6/18
BOSCH Messerplatte | Ersatzteile für Blechschere | 1608635015
Hersteller: BOSCH
Artikelnummer: EB-0601502003-1608635015
nur Informationsartikel
Nie mehr lieferbar
keine Alternativen
Pos.
6/19
BOSCH Messerplatte | Ersatzteile für Blechschere | 1608635014
Hersteller: BOSCH
Artikelnummer: EB-0601502003-1608635014
nur Informationsartikel
Nie mehr lieferbar
keine Alternativen
Pos.
6/20
BOSCH Gewindestift M 6x10-DIN 913-45H | Ersatzteile für Blechschere | 2912041191
Hersteller: BOSCH
Artikelnummer: EB-0601502003-2912041191
nur Informationsartikel
Nie mehr lieferbar
keine Alternativen
Pos.
6/21
BOSCH Innensechskantschraube DIN 912-M6x16-8.8 | Ersatzteile für Blechschere | 2910141197
Hersteller: BOSCH
Artikelnummer: EB-0601502003-2910141197
Netto: 3,63 € zzgl. MwSt.
zzgl. 6,90 € Versand (brutto)
einmalig pro Bestellung

Lieferzeit: 5 Werktage

Pos.
6/23
BOSCH Führungsbuchse | Ersatzteile für Blechschere | 1609204000
Hersteller: BOSCH
Artikelnummer: EB-0601502003-1609204000
nur Informationsartikel
Nie mehr lieferbar
keine Alternativen
Pos.
6/24
BOSCH Schneidtisch | Ersatzteile für Blechschere | 1609280025
Hersteller: BOSCH
Artikelnummer: EB-0601502003-1609280025
nur Informationsartikel
Nie mehr lieferbar
keine Alternativen
Pos.
6/27
BOSCH Zylinderstift 4 M 6x14 DIN 7-9S20K | Ersatzteile für Blechschere | 2917510096
Hersteller: BOSCH
Artikelnummer: EB-0601502003-2917510096
nur Informationsartikel
Nie mehr lieferbar
keine Alternativen
Pos.
6/28
BOSCH Zylinderstift 5 M 6x36 DIN 7 | Ersatzteile für Blechschere | 2917510130
Hersteller: BOSCH
Artikelnummer: EB-0601502003-2917510130
nur Informationsartikel
Nie mehr lieferbar
keine Alternativen
Pos.
6/29
BOSCH Innensechskantschraube DIN 912-M 14x35-8.8 | Ersatzteile für Blechschere | 2910145392
Hersteller: BOSCH
Artikelnummer: EB-0601502003-2910145392
nur Informationsartikel
Nie mehr lieferbar
keine Alternativen
Pos.
6/30
BOSCH Federring M6 | Ersatzteile für Blechschere | 2916690005
Hersteller: BOSCH
Artikelnummer: EB-0601502003-2916690005
nur Informationsartikel
Nie mehr lieferbar
keine Alternativen
Pos.
6/31
BOSCH Sicherungsbügel DIN 472-32x1,2 MM | Ersatzteile für Blechschere | 2916660013
Hersteller: BOSCH
Artikelnummer: EB-0601502003-2916660013
Netto: 4,32 € zzgl. MwSt.
zzgl. 6,90 € Versand (brutto)
einmalig pro Bestellung

Lieferzeit: 5 Werktage

Pos.
2
BOSCH Bürstenhalter | Ersatzteile für Blechschere | 1604336005
Hersteller: BOSCH
Artikelnummer: EB-0601502003-1604336005
nur Informationsartikel
Nie mehr lieferbar
keine Alternativen
Pos.
3
BOSCH Spiralfeder | Ersatzteile für Blechschere | 1604652001
Hersteller: BOSCH
Artikelnummer: EB-0601502003-1604652001
nur Informationsartikel
Nie mehr lieferbar
keine Alternativen
Pos.
4
BOSCH Polschuh 220-230V | Ersatzteile für Blechschere | 1604220082
Hersteller: BOSCH
Artikelnummer: EB-0601502003-1604220082
nur Informationsartikel
Nie mehr lieferbar
keine Alternativen
Pos.
5
BOSCH Luftleitring | Ersatzteile für Blechschere | 1600209002
Hersteller: BOSCH
Artikelnummer: EB-0601502003-1600209002
Netto: 6,15 € zzgl. MwSt.
zzgl. 6,90 € Versand (brutto)
einmalig pro Bestellung

Lieferzeit: 5 Werktage

Pos.
7
BOSCH Anker Mit Lüfter 220-230V | Ersatzteile für Blechschere | 1604010116
Hersteller: BOSCH
Artikelnummer: EB-0601502003-1604010116
nur Informationsartikel
Nie mehr lieferbar
keine Alternativen
Pos.
8
BOSCH Welle Mit Zahnrad Z=18 | Ersatzteile für Blechschere | 1606328098
Hersteller: BOSCH
Artikelnummer: EB-0601502003-1606328098
nur Informationsartikel
Nie mehr lieferbar
keine Alternativen
Pos.
9
BOSCH Stirnrad Z=35 | Ersatzteile für Blechschere | 1606317072
Hersteller: BOSCH
Artikelnummer: EB-0601502003-1606317072
nur Informationsartikel
Nie mehr lieferbar
keine Alternativen
Pos.
10
BOSCH Ausgleichscheibe 0,5 MM DICK | Ersatzteile für Blechschere | 1600100631
Hersteller: BOSCH
Artikelnummer: EB-0601502003-1600100631
Netto: 3,94 € zzgl. MwSt.
zzgl. 6,90 € Versand (brutto)
einmalig pro Bestellung

Lieferzeit: 5 Werktage

Pos.
12
BOSCH Verschlussdeckel BLAU | Ersatzteile für Blechschere | 3605500057
Hersteller: BOSCH
Artikelnummer: EB-0601502003-3605500057
nur Informationsartikel
Nie mehr lieferbar
keine Alternativen
Pos.
14
BOSCH Handgriff SCHWARZ | Ersatzteile für Blechschere | 1605133029
Hersteller: BOSCH
Artikelnummer: EB-0601502003-1605133029
nur Informationsartikel
Nie mehr lieferbar
keine Alternativen
Pos.
15
BOSCH Schalter | Ersatzteile für Blechschere | 1607200065
Hersteller: BOSCH
Artikelnummer: EB-0601502003-1607200065
nur Informationsartikel
Nie mehr lieferbar
keine Alternativen
Pos.
17
BOSCH Tülle Ø9,2-Ø12x120 MM | Ersatzteile für Blechschere | 3600703011
Hersteller: BOSCH
Artikelnummer: EB-0601502003-3600703011
Netto: 4,82 € zzgl. MwSt.
zzgl. 6,90 € Versand (brutto)
einmalig pro Bestellung

Lieferzeit: 5 Werktage

Pos.
19
BOSCH Entstörkondensator | Ersatzteile für Blechschere | 1607328012
Hersteller: BOSCH
Artikelnummer: EB-0601502003-1607328012
nur Informationsartikel
Nie mehr lieferbar
keine Alternativen
Pos.
21
BOSCH Isolierstreifen 33x10x6 MM | Ersatzteile für Blechschere | 1602381001
Hersteller: BOSCH
Artikelnummer: EB-0601502003-1602381001
nur Informationsartikel
Nie mehr lieferbar
keine Alternativen
Pos.
25
BOSCH Firmenschild | Ersatzteile für Blechschere | 1601110004
Hersteller: BOSCH
Artikelnummer: EB-0601502003-1601110004
nur Informationsartikel
Nie mehr lieferbar
keine Alternativen
Pos.
27
BOSCH Befestigungsschelle | Ersatzteile für Blechschere | 1601302014
Hersteller: BOSCH
Artikelnummer: EB-0601502003-1601302014
Netto: 3,94 € zzgl. MwSt.
zzgl. 6,90 € Versand (brutto)
einmalig pro Bestellung

Lieferzeit: 5 Werktage

Pos.
29
BOSCH Blechschraube DIN 7971-BZ3,9x25 | Ersatzteile für Blechschere | 2910211022
Hersteller: BOSCH
Artikelnummer: EB-0601502003-2910211022
Netto: 3,63 € zzgl. MwSt.
zzgl. 6,90 € Versand (brutto)
einmalig pro Bestellung

Lieferzeit: 5 Werktage

Pos.
30
BOSCH Blechschraube DIN 7971-ST3,9x16-F | Ersatzteile für Blechschere | 2910211019
Hersteller: BOSCH
Artikelnummer: EB-0601502003-2910211019
Netto: 3,63 € zzgl. MwSt.
zzgl. 6,90 € Versand (brutto)
einmalig pro Bestellung

Lieferzeit: 5 Werktage

Pos.
31
BOSCH Zylinderschraube DIN 84-AM5x20-5.8 | Ersatzteile für Blechschere | 2910011162
Hersteller: BOSCH
Artikelnummer: EB-0601502003-2910011162
Netto: 3,63 € zzgl. MwSt.
zzgl. 6,90 € Versand (brutto)
einmalig pro Bestellung

Lieferzeit: 5 Werktage

Pos.
32
BOSCH Blechschraube DIN 7971-3,9x38 | Ersatzteile für Blechschere | 2910215093
Hersteller: BOSCH
Artikelnummer: EB-0601502003-2910215093
nur Informationsartikel
Nie mehr lieferbar
keine Alternativen
Pos.
33
BOSCH Innensechskantschraube M 5x65 DIN 912-8.8 | Ersatzteile für Blechschere | 2910141179
Hersteller: BOSCH
Artikelnummer: EB-0601502003-2910141179
Netto: 6,15 € zzgl. MwSt.
zzgl. 6,90 € Versand (brutto)
einmalig pro Bestellung

Lieferzeit: 5 Werktage

Pos.
34
BOSCH Zylinderschraube DIN 84-BM5x55-8.8 | Ersatzteile für Blechschere | 2910021176
Hersteller: BOSCH
Artikelnummer: EB-0601502003-2910021176
nur Informationsartikel
Nie mehr lieferbar
keine Alternativen
Pos.
36
BOSCH Zylinderschraube DIN 84-AM4x15-8.8 | Ersatzteile für Blechschere | 2910021125
Hersteller: BOSCH
Artikelnummer: EB-0601502003-2910021125
Netto: 3,63 € zzgl. MwSt.
zzgl. 6,90 € Versand (brutto)
einmalig pro Bestellung

Lieferzeit: 5 Werktage

Pos.
37
BOSCH Zylinderschraube DIN 84-AM4x8-8.8 | Ersatzteile für Blechschere | 2910021118
Hersteller: BOSCH
Artikelnummer: EB-0601502003-2910021118
Netto: 3,63 € zzgl. MwSt.
zzgl. 6,90 € Versand (brutto)
einmalig pro Bestellung

Lieferzeit: 5 Werktage

Pos.
38
BOSCH Zylinderschraube DIN 84-AM4x6-8.8 | Ersatzteile für Blechschere | 2910021116
Hersteller: BOSCH
Artikelnummer: EB-0601502003-2910021116
Netto: 4,32 € zzgl. MwSt.
zzgl. 6,90 € Versand (brutto)
einmalig pro Bestellung

Lieferzeit: 5 Werktage

Pos.
41
BOSCH Federring DIN 127-B 5 | Ersatzteile für Blechschere | 2916680006
Hersteller: BOSCH
Artikelnummer: EB-0601502003-2916680006
nur Informationsartikel
Nie mehr lieferbar
keine Alternativen
Pos.
42
BOSCH Federscheibe DIN 137-A4 | Ersatzteile für Blechschere | 1600150006
Hersteller: BOSCH
Artikelnummer: EB-0601502003-1600150006
nur Informationsartikel
Nie mehr lieferbar
keine Alternativen
Pos.
44
BOSCH Flachkopfschraube DIN 85 AM 4x6-MS | Ersatzteile für Blechschere | 2910110116
Hersteller: BOSCH
Artikelnummer: EB-0601502003-2910110116
Netto: 3,63 € zzgl. MwSt.
zzgl. 6,90 € Versand (brutto)
einmalig pro Bestellung

Lieferzeit: 5 Werktage

Pos.
46
BOSCH Unterlegscheibe A 4,3 DIN 125-ST | Ersatzteile für Blechschere | 2916010410
Hersteller: BOSCH
Artikelnummer: EB-0601502003-2916010410
nur Informationsartikel
Nie mehr lieferbar
keine Alternativen
Pos.
50
BOSCH Aderendhülse | Ersatzteile für Blechschere | 3604477009
Hersteller: BOSCH
Artikelnummer: EB-0601502003-3604477009
Netto: 4,53 € zzgl. MwSt.
zzgl. 6,90 € Versand (brutto)
einmalig pro Bestellung

Lieferzeit: 5 Werktage

Pos.
51
BOSCH Dichtung | Ersatzteile für Blechschere | 1601015009
Hersteller: BOSCH
Artikelnummer: EB-0601502003-1601015009
nur Informationsartikel
Nie mehr lieferbar
keine Alternativen
Pos.
52
BOSCH Filzscheibe | Ersatzteile für Blechschere | 1600108003
Hersteller: BOSCH
Artikelnummer: EB-0601502003-1600108003
nur Informationsartikel
Nie mehr lieferbar
keine Alternativen
Pos.
53
BOSCH Lagerdeckel | Ersatzteile für Blechschere | 1600501019
Hersteller: BOSCH
Artikelnummer: EB-0601502003-1600501019
Netto: 21,16 € zzgl. MwSt.
zzgl. 6,90 € Versand (brutto)
einmalig pro Bestellung

Lieferzeit: 5 Werktage

Pos.
54
BOSCH Rillenkugellager 17x35x10 | Ersatzteile für Blechschere | 1600900001
Hersteller: BOSCH
Artikelnummer: EB-0601502003-1600900001
nur Informationsartikel
Nie mehr lieferbar
keine Alternativen
Pos.
55
BOSCH Lagerflansch | Ersatzteile für Blechschere | 1605820183
Hersteller: BOSCH
Artikelnummer: EB-0601502003-1605820183
nur Informationsartikel
Nie mehr lieferbar
keine Alternativen
Pos.
57
BOSCH Ausgleichscheibe 0,10 MM DICK | Ersatzteile für Blechschere | 1420100023
Hersteller: BOSCH
Artikelnummer: EB-0601502003-1420100023
nur Informationsartikel
Nie mehr lieferbar
keine Alternativen
Pos.
57
BOSCH Ausgleichscheibe 0,2 MM DICK | Ersatzteile für Blechschere | 1600100632
Hersteller: BOSCH
Artikelnummer: EB-0601502003-1600100632
Netto: 3,63 € zzgl. MwSt.
zzgl. 6,90 € Versand (brutto)
einmalig pro Bestellung

Lieferzeit: 5 Werktage

Pos.
58
BOSCH Kugellager 7x22x7 | Ersatzteile für Blechschere | 1900905018
Hersteller: BOSCH
Artikelnummer: EB-0601502003-1900905018
Netto: 15,75 € zzgl. MwSt.
zzgl. 6,90 € Versand (brutto)
einmalig pro Bestellung

Lieferzeit: 5 Werktage

Pos.
78
BOSCH Nadelhülse | Ersatzteile für Blechschere | 1600910013
Hersteller: BOSCH
Artikelnummer: EB-0601502003-1600910013
Netto: 6,70 € zzgl. MwSt.
zzgl. 6,90 € Versand (brutto)
einmalig pro Bestellung

Lieferzeit: 5 Werktage

Pos.
650
BOSCH Winkelschraubendreher DIN 911, SW3 | Ersatzteile für Blechschere | 1907950004
Hersteller: BOSCH
Artikelnummer: EB-0601502003-1907950004
Netto: 6,70 € zzgl. MwSt.
zzgl. 6,90 € Versand (brutto)
einmalig pro Bestellung

Lieferzeit: 5 Werktage

Pos.
651
BOSCH Innensechskantschlüssel 5 MM | Ersatzteile für Blechschere | 2610364015
Hersteller: BOSCH
Artikelnummer: EB-0601502003-2610364015
Netto: 5,19 € zzgl. MwSt.
zzgl. 6,90 € Versand (brutto)
einmalig pro Bestellung

Lieferzeit: 5 Werktage

Pos.
652
BOSCH Haltestift Ø 3x104 MM | Ersatzteile für Blechschere | 1604682009
Hersteller: BOSCH
Artikelnummer: EB-0601502003-1604682009
nur Informationsartikel
Nie mehr lieferbar
keine Alternativen
Pos.
653
BOSCH Schleiflehre | Ersatzteile für Blechschere | 1607970010
Hersteller: BOSCH
Artikelnummer: EB-0601502003-1607970010
nur Informationsartikel
Nie mehr lieferbar
keine Alternativen
Pos.
654
BOSCH Fettpresse | Ersatzteile für Blechschere | 1615437502
Hersteller: BOSCH
Artikelnummer: EB-0601502003-1615437502
nur Informationsartikel
Nie mehr lieferbar
keine Alternativen
Pos.
801
BOSCH Motorgehäuse | Ersatzteile für Blechschere | 1607000139
Hersteller: BOSCH
Artikelnummer: EB-0601502003-1607000139
nur Informationsartikel
Nie mehr lieferbar
keine Alternativen
Pos.
805
BOSCH Netzanschlussleitung EU 4,15m 2 x 1,5mm H07 RN-F | Ersatzteile für Blechschere | 1607000228
Hersteller: BOSCH
Artikelnummer: EB-0601502003-1607000228
Netto: 21,16 € zzgl. MwSt.
zzgl. 6,90 € Versand (brutto)
einmalig pro Bestellung

Lieferzeit: 5 Werktage

Pos.
808
BOSCH Typschild | Ersatzteile für Blechschere | 160111A3H3
Hersteller: BOSCH
Artikelnummer: EB-0601502003-160111A3H3
Netto: 4,53 € zzgl. MwSt.
zzgl. 6,90 € Versand (brutto)
einmalig pro Bestellung

Lieferzeit: 5 Werktage

Pos.
810
BOSCH Kohlebürstensatz | Ersatzteile für Blechschere | 1607014101
Hersteller: BOSCH
Artikelnummer: EB-0601502003-1607014101
nur Informationsartikel
Nie mehr lieferbar
keine Alternativen
Pos.
824
BOSCH Halbrundkerbnagel | Ersatzteile für Blechschere | 1603133000
Hersteller: BOSCH
Artikelnummer: EB-0601502003-1603133000
nur Informationsartikel
Nie mehr lieferbar
keine Alternativen

Angaben zur Produktsicherheit

Hersteller:
Robert Bosch Power Tools GmbH
Postfach 30 02 20
70442 Stuttgart

E-Mail:
kontakt@bosch.de