BOSCH Blechschraube DIN 7971-ST3,9x16-F | Ersatzteile für Bohrmaschine | 2910211019

Artikelnummer: EB-0601105001-2910211019

Position: 40

Marke: BOSCH


Bitte Kompatibilität prüfen!

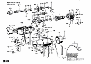
Bitte prüfen Sie unbedingt die 10-stellige Typennummer Ihrer Maschine / Ihres Gerätes. Das Ersatzteil ist nur kompatibel, wenn Sie die Typennummer Ihrer Maschine in der unten stehenden Produktbeschreibung finden.

Bitte prüfen Sie ebenfalls detailliert die Explosionszeichnung mit Ihrem Artikelwunsch und der jeweiligen Pos-Nummer.

Alle Elemente, welche vom schwarzen Strich der Pos-Nummer ausgehend berührt / erfasst werden, gehören zu dieser Pos-Nummer und somit zu diesem Artikel. Jede Pos-Nummer ist ein eigenständiger Artikel, welchen Sie in der Auflistung finden.

Sie erhalten stets die aktuellste, neueste Produktversion zu der gewählten Pos-Nummer seitens des Herstellers. Es kann daher je nach Gerätealter vorkommen, dass Sie ggf. weitere, zugehörige Elemente, welche an diese Pos-Nummer grenzen, ebenfalls mittauschen müssen.

Nähere Informationen finden Sie unter dem Link
Hinweise zu Ihrer BOSCH Ersatzteilsuche

Preisübersicht

Einzelpreis: 3,63 €* (Brutto: 4,32 €)
Gesamtpreis: 3,63 €* 
Position:

Lieferzeit: 5 Werktage


Beschreibung

  • Blechschraube DIN 7971-ST3,9x16-F
  • Original Bosch Zubehör / BOSCH Ersatzteil (2910211019)
  • im Gerät verbaut: 1
Dieses BOSCH Ersatzteil ist mit folgendem Gerät und Modell kompatibel:
  • BOSCH Gerätename: Bohrmaschine
  • BOSCH Explosionszeichnung: Position 40
  • BOSCH Typennummer: 0601105001
  • BOSCH Typennummer alternative Schreibweisen: 0 601 105 001, 0601 105 001, 0.601.105.001, 0-601-105-001
    Bitte prüfen Sie diese Typennummer auf Ihrem Gerät um die Kompatibilität des BOSCH Ersatzteils zu gewährleisten.
Weitere BOSCH Ersatzteile des Gerätes Bohrmaschine mit der Typennummer 0601105001 finden Sie in der nachfolgenden Darstellung und im Dropdown zu Ihrer Auswahl:

Pos.
6
BOSCH Ein/Aus-Schalter | Ersatzteile für Bohrmaschine | 1607200060
Hersteller: BOSCH
Artikelnummer: EB-0601105001-1607200060
nur Informationsartikel
Nie mehr lieferbar
keine Alternativen
Pos.
8
BOSCH Netzanschlussleitung EU 4,15m 2 x 1,0mm H07 RN-F | Ersatzteile für Bohrmaschine | 1607000227
Hersteller: BOSCH
Artikelnummer: EB-0601105001-1607000227
Netto: 21,16 € zzgl. MwSt.
zzgl. 6,90 € Versand (brutto)
einmalig pro Bestellung

Lieferzeit: 5 Werktage

Pos.
10
BOSCH Typschild | Ersatzteile für Bohrmaschine | 160111A3H5
Hersteller: BOSCH
Artikelnummer: EB-0601105001-160111A3H5
Netto: 4,53 € zzgl. MwSt.
zzgl. 6,90 € Versand (brutto)
einmalig pro Bestellung

Lieferzeit: 5 Werktage

Pos.
14
BOSCH O-Ring 8,0x2,5 MM | Ersatzteile für Bohrmaschine | 1610210014
Hersteller: BOSCH
Artikelnummer: EB-0601105001-1610210014
nur Informationsartikel
Nie mehr lieferbar
keine Alternativen
Pos.
16
BOSCH Entstörfilter | Ersatzteile für Bohrmaschine | 1607328034
Hersteller: BOSCH
Artikelnummer: EB-0601105001-1607328034
Netto: 5,67 € zzgl. MwSt.
zzgl. 6,90 € Versand (brutto)
einmalig pro Bestellung

Lieferzeit: 5 Werktage

Pos.
19
BOSCH Federring | Ersatzteile für Bohrmaschine | 2616690003
Hersteller: BOSCH
Artikelnummer: EB-0601105001-2616690003
nur Informationsartikel
Nie mehr lieferbar
keine Alternativen
Pos.
24
BOSCH Rillenkugellager 6002-Z DIN 625 | Ersatzteile für Bohrmaschine | 1900905102
Hersteller: BOSCH
Artikelnummer: EB-0601105001-1900905102
nur Informationsartikel
Nie mehr lieferbar
keine Alternativen
Pos.
25
BOSCH Rillenkugellager 627 Y DIN 625 | Ersatzteile für Bohrmaschine | 1900900235
Hersteller: BOSCH
Artikelnummer: EB-0601105001-1900900235
nur Informationsartikel
Nie mehr lieferbar
keine Alternativen
Pos.
31
BOSCH Blechschraube | Ersatzteile für Bohrmaschine | 2603435011
Hersteller: BOSCH
Artikelnummer: EB-0601105001-2603435011
nur Informationsartikel
Nie mehr lieferbar
keine Alternativen
Pos.
32
BOSCH Tülle Ø6,4-Ø7,5x75 MM | Ersatzteile für Bohrmaschine | 1600703016
Hersteller: BOSCH
Artikelnummer: EB-0601105001-1600703016
Netto: 3,63 € zzgl. MwSt.
zzgl. 6,90 € Versand (brutto)
einmalig pro Bestellung

Lieferzeit: 5 Werktage

Pos.
38
BOSCH Blechschraube DIN 7971-BZ3,9x6,5 | Ersatzteile für Bohrmaschine | 2910211016
Hersteller: BOSCH
Artikelnummer: EB-0601105001-2910211016
nur Informationsartikel
Nie mehr lieferbar
keine Alternativen
Pos.
39
BOSCH Zylinderschraube DIN 84-AM4x10-8.8 | Ersatzteile für Bohrmaschine | 2910021120
Hersteller: BOSCH
Artikelnummer: EB-0601105001-2910021120
Netto: 3,63 € zzgl. MwSt.
zzgl. 6,90 € Versand (brutto)
einmalig pro Bestellung

Lieferzeit: 5 Werktage

Pos.
40
BOSCH Blechschraube DIN 7971-ST3,9x16-F | Ersatzteile für Bohrmaschine | 2910211019
Hersteller: BOSCH
Artikelnummer: EB-0601105001-2910211019
Netto: 3,63 € zzgl. MwSt.
zzgl. 6,90 € Versand (brutto)
einmalig pro Bestellung

Lieferzeit: 5 Werktage

Pos.
41
BOSCH Blechschraube DIN 7976-ST2,9x6,5-C-H | Ersatzteile für Bohrmaschine | 2910601304
Hersteller: BOSCH
Artikelnummer: EB-0601105001-2910601304
nur Informationsartikel
Nie mehr lieferbar
keine Alternativen
Pos.
42
BOSCH Blechschraube DIN 7971-BZ2,9x13 | Ersatzteile für Bohrmaschine | 2910211006
Hersteller: BOSCH
Artikelnummer: EB-0601105001-2910211006
Netto: 3,63 € zzgl. MwSt.
zzgl. 6,90 € Versand (brutto)
einmalig pro Bestellung

Lieferzeit: 5 Werktage

Pos.
43
BOSCH Blechschraube DIN 7971-BZ3,9x9,5 | Ersatzteile für Bohrmaschine | 2910211017
Hersteller: BOSCH
Artikelnummer: EB-0601105001-2910211017
nur Informationsartikel
Nie mehr lieferbar
keine Alternativen
Pos.
48
BOSCH Schaltwelle | Ersatzteile für Bohrmaschine | 2603105011
Hersteller: BOSCH
Artikelnummer: EB-0601105001-2603105011
nur Informationsartikel
Nie mehr lieferbar
keine Alternativen
Pos.
53
BOSCH Sprengring 14 DIN 9045 | Ersatzteile für Bohrmaschine | 2916600008
Hersteller: BOSCH
Artikelnummer: EB-0601105001-2916600008
Netto: 4,82 € zzgl. MwSt.
zzgl. 6,90 € Versand (brutto)
einmalig pro Bestellung

Lieferzeit: 5 Werktage

Pos.
54
BOSCH Lagerbuchse Ø8G7xØ14R6x6MM | Ersatzteile für Bohrmaschine | 2600301043
Hersteller: BOSCH
Artikelnummer: EB-0601105001-2600301043
nur Informationsartikel
Nie mehr lieferbar
keine Alternativen
Pos.
58
BOSCH Scheibenfeder DIN 6888-3x3,7-ST-60 | Ersatzteile für Bohrmaschine | 1900023004
Hersteller: BOSCH
Artikelnummer: EB-0601105001-1900023004
nur Informationsartikel
Nie mehr lieferbar
keine Alternativen
Pos.
60
BOSCH Ausgleichscheibe 1,2 MM DICK | Ersatzteile für Bohrmaschine | 1600100611
Hersteller: BOSCH
Artikelnummer: EB-0601105001-1600100611
Netto: 3,94 € zzgl. MwSt.
zzgl. 6,90 € Versand (brutto)
einmalig pro Bestellung

Lieferzeit: 5 Werktage

Pos.
66
BOSCH Dichtring 13,0x4,0 MM | Ersatzteile für Bohrmaschine | 2600210025
Hersteller: BOSCH
Artikelnummer: EB-0601105001-2600210025
nur Informationsartikel
Nie mehr lieferbar
keine Alternativen
Pos.
67
BOSCH Ausgleichscheibe Ø14,5x21,5x0,5 MM | Ersatzteile für Bohrmaschine | 2000101600
Hersteller: BOSCH
Artikelnummer: EB-0601105001-2000101600
nur Informationsartikel
Nie mehr lieferbar
keine Alternativen
Pos.
70
BOSCH Blechschraube DIN 7981-B 3,9x9,5 | Ersatzteile für Bohrmaschine | 2910611017
Hersteller: BOSCH
Artikelnummer: EB-0601105001-2910611017
nur Informationsartikel
Nie mehr lieferbar
keine Alternativen
Pos.
71
BOSCH Sicherungsring 14x1MM DIN 471 | Ersatzteile für Bohrmaschine | 2916652005
Hersteller: BOSCH
Artikelnummer: EB-0601105001-2916652005
nur Informationsartikel
Nie mehr lieferbar
keine Alternativen
Pos.
74
BOSCH Kugel 3 MM DIN 5401 | Ersatzteile für Bohrmaschine | 1903230304
Hersteller: BOSCH
Artikelnummer: EB-0601105001-1903230304
nur Informationsartikel
Nie mehr lieferbar
keine Alternativen
Pos.
77
BOSCH Zylinderschraube M3x6,5-4.8 | Ersatzteile für Bohrmaschine | 2603410001
Hersteller: BOSCH
Artikelnummer: EB-0601105001-2603410001
Netto: 3,94 € zzgl. MwSt.
zzgl. 6,90 € Versand (brutto)
einmalig pro Bestellung

Lieferzeit: 5 Werktage

Pos.
78
BOSCH Rundgummi Ø3x9,5 MM | Ersatzteile für Bohrmaschine | 5541468300
Hersteller: BOSCH
Artikelnummer: EB-0601105001-5541468300
nur Informationsartikel
Nie mehr lieferbar
keine Alternativen
Pos.
650
BOSCH Zahnkranzbohrfutter Ø1,0-10MM,1/2" | Ersatzteile für Bohrmaschine | 1608571081
Hersteller: BOSCH
Artikelnummer: EB-0601105001-1608571081
Netto: 24,13 € zzgl. MwSt.
zzgl. 6,90 € Versand (brutto)
einmalig pro Bestellung

Lieferzeit: 5 Werktage

Angaben zur Produktsicherheit

Hersteller:
Robert Bosch Power Tools GmbH
Postfach 30 02 20
70442 Stuttgart

E-Mail:
kontakt@bosch.de