BOSCH Tülle Ø6,4-Ø7,5x75 MM | Ersatzteile für Bohrmaschine | 1600703016

Artikelnummer: EB-0601105847-1600703016

Position: 32

Marke: BOSCH


Bitte Kompatibilität prüfen!

Bitte prüfen Sie unbedingt die 10-stellige Typennummer Ihrer Maschine / Ihres Gerätes. Das Ersatzteil ist nur kompatibel, wenn Sie die Typennummer Ihrer Maschine in der unten stehenden Produktbeschreibung finden.

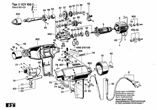
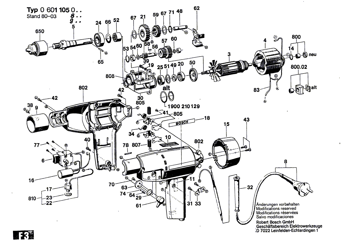
Bitte prüfen Sie ebenfalls detailliert die Explosionszeichnung mit Ihrem Artikelwunsch und der jeweiligen Pos-Nummer.

Alle Elemente, welche vom schwarzen Strich der Pos-Nummer ausgehend berührt / erfasst werden, gehören zu dieser Pos-Nummer und somit zu diesem Artikel. Jede Pos-Nummer ist ein eigenständiger Artikel, welchen Sie in der Auflistung finden.

Sie erhalten stets die aktuellste, neueste Produktversion zu der gewählten Pos-Nummer seitens des Herstellers. Es kann daher je nach Gerätealter vorkommen, dass Sie ggf. weitere, zugehörige Elemente, welche an diese Pos-Nummer grenzen, ebenfalls mittauschen müssen.

Nähere Informationen finden Sie unter dem Link
Hinweise zu Ihrer BOSCH Ersatzteilsuche

Preisübersicht

Einzelpreis: 3,63 €* (Brutto: 4,32 €)
Gesamtpreis: 3,63 €* 
Position:

Lieferzeit: 5 Werktage


Beschreibung

  • Tülle Ø6,4-Ø7,5x75 MM
  • Original Bosch Zubehör / BOSCH Ersatzteil (1600703016)
  • im Gerät verbaut: 1
Dieses BOSCH Ersatzteil ist mit folgendem Gerät und Modell kompatibel:
  • BOSCH Gerätename: Bohrmaschine
  • BOSCH Explosionszeichnung: Position 32
  • BOSCH Typennummer: 0601105847
  • BOSCH Typennummer alternative Schreibweisen: 0 601 105 847, 0601 105 847, 0.601.105.847, 0-601-105-847
    Bitte prüfen Sie diese Typennummer auf Ihrem Gerät um die Kompatibilität des BOSCH Ersatzteils zu gewährleisten.
Weitere BOSCH Ersatzteile des Gerätes Bohrmaschine mit der Typennummer 0601105847 finden Sie in der nachfolgenden Darstellung und im Dropdown zu Ihrer Auswahl:

Pos.
3
BOSCH Anker Mit Lüfter 110-115V | Ersatzteile für Bohrmaschine | 1604010119
Hersteller: BOSCH
Artikelnummer: EB-0601105847-1604010119
nur Informationsartikel
Nie mehr lieferbar
keine Alternativen
Pos.
4
BOSCH Polschuh 110-115V | Ersatzteile für Bohrmaschine | 1604220070
Hersteller: BOSCH
Artikelnummer: EB-0601105847-1604220070
nur Informationsartikel
Nie mehr lieferbar
keine Alternativen
Pos.
5
BOSCH Bohrspindel | Ersatzteile für Bohrmaschine | 1603523062
Hersteller: BOSCH
Artikelnummer: EB-0601105847-1603523062
nur Informationsartikel
Nie mehr lieferbar
keine Alternativen
Pos.
6
BOSCH Ein/Aus-Schalter | Ersatzteile für Bohrmaschine | 1607200060
Hersteller: BOSCH
Artikelnummer: EB-0601105847-1607200060
nur Informationsartikel
Nie mehr lieferbar
keine Alternativen
Pos.
8
BOSCH Netzanschlussleitung | Ersatzteile für Bohrmaschine | 1604460083
Hersteller: BOSCH
Artikelnummer: EB-0601105847-1604460083
nur Informationsartikel
Nie mehr lieferbar
keine Alternativen
Pos.
9
BOSCH Führungshülse Ø38xØ43x40 MM | Ersatzteile für Bohrmaschine | 1600400900
Hersteller: BOSCH
Artikelnummer: EB-0601105847-1600400900
nur Informationsartikel
Nie mehr lieferbar
keine Alternativen
Pos.
10
BOSCH Typschild | Ersatzteile für Bohrmaschine | 160111A3H5
Hersteller: BOSCH
Artikelnummer: EB-0601105847-160111A3H5
Netto: 4,53 € zzgl. MwSt.
zzgl. 6,90 € Versand (brutto)
einmalig pro Bestellung

Lieferzeit: 5 Werktage

Pos.
11
BOSCH Isolierstreifen 33x10x6 MM | Ersatzteile für Bohrmaschine | 1602381001
Hersteller: BOSCH
Artikelnummer: EB-0601105847-1602381001
nur Informationsartikel
Nie mehr lieferbar
keine Alternativen
Pos.
15
BOSCH Verschlussdeckel GRUEN | Ersatzteile für Bohrmaschine | 1605500066
Hersteller: BOSCH
Artikelnummer: EB-0601105847-1605500066
nur Informationsartikel
Nie mehr lieferbar
keine Alternativen
Pos.
15
BOSCH Verschlusskappe BLAU | Ersatzteile für Bohrmaschine | 1605500071
Hersteller: BOSCH
Artikelnummer: EB-0601105847-1605500071
nur Informationsartikel
Nie mehr lieferbar
keine Alternativen
Pos.
15
BOSCH Verschlusskappe SCHWARZ | Ersatzteile für Bohrmaschine | 1605500092
Hersteller: BOSCH
Artikelnummer: EB-0601105847-1605500092
nur Informationsartikel
Nie mehr lieferbar
keine Alternativen
Pos.
16
BOSCH Entstörfilter | Ersatzteile für Bohrmaschine | 1607328034
Hersteller: BOSCH
Artikelnummer: EB-0601105847-1607328034
Netto: 5,65 € zzgl. MwSt.
zzgl. 6,90 € Versand (brutto)
einmalig pro Bestellung

Lieferzeit: 5 Werktage

Pos.
18
BOSCH Firmenschild SCHATTENSEITE | Ersatzteile für Bohrmaschine | 1601110481
Hersteller: BOSCH
Artikelnummer: EB-0601105847-1601110481
Netto: 4,32 € zzgl. MwSt.
zzgl. 6,90 € Versand (brutto)
einmalig pro Bestellung

Lieferzeit: 5 Werktage

Pos.
20
BOSCH Stützring | Ersatzteile für Bohrmaschine | 1600501055
Hersteller: BOSCH
Artikelnummer: EB-0601105847-1600501055
nur Informationsartikel
Nie mehr lieferbar
keine Alternativen
Pos.
21
BOSCH Zahnrad Z=38 | Ersatzteile für Bohrmaschine | 1606320052
Hersteller: BOSCH
Artikelnummer: EB-0601105847-1606320052
nur Informationsartikel
Nie mehr lieferbar
keine Alternativen
Pos.
29
BOSCH O-Ring 12,0x1,0 MM | Ersatzteile für Bohrmaschine | 1600210024
Hersteller: BOSCH
Artikelnummer: EB-0601105847-1600210024
nur Informationsartikel
Nie mehr lieferbar
keine Alternativen
Pos.
32
BOSCH Tülle Ø6,4-Ø7,5x75 MM | Ersatzteile für Bohrmaschine | 1600703016
Hersteller: BOSCH
Artikelnummer: EB-0601105847-1600703016
Netto: 3,63 € zzgl. MwSt.
zzgl. 6,90 € Versand (brutto)
einmalig pro Bestellung

Lieferzeit: 5 Werktage

Pos.
33
BOSCH Befestigungsschelle | Ersatzteile für Bohrmaschine | 1601302014
Hersteller: BOSCH
Artikelnummer: EB-0601105847-1601302014
Netto: 3,94 € zzgl. MwSt.
zzgl. 6,90 € Versand (brutto)
einmalig pro Bestellung

Lieferzeit: 5 Werktage

Pos.
34
BOSCH Spiralfeder | Ersatzteile für Bohrmaschine | 1604652004
Hersteller: BOSCH
Artikelnummer: EB-0601105847-1604652004
Netto: 4,56 € zzgl. MwSt.
zzgl. 6,90 € Versand (brutto)
einmalig pro Bestellung

Lieferzeit: 5 Werktage

Pos.
42
BOSCH Blechschraube DIN 7971-BZ2,9x13 | Ersatzteile für Bohrmaschine | 2910211006
Hersteller: BOSCH
Artikelnummer: EB-0601105847-2910211006
Netto: 3,63 € zzgl. MwSt.
zzgl. 6,90 € Versand (brutto)
einmalig pro Bestellung

Lieferzeit: 5 Werktage

Pos.
49
BOSCH Dichtring | Ersatzteile für Bohrmaschine | 1600108052
Hersteller: BOSCH
Artikelnummer: EB-0601105847-1600108052
nur Informationsartikel
Nie mehr lieferbar
keine Alternativen
Pos.
50
BOSCH O-Ring | Ersatzteile für Bohrmaschine | 1600502008
Hersteller: BOSCH
Artikelnummer: EB-0601105847-1600502008
nur Informationsartikel
Nie mehr lieferbar
keine Alternativen
Pos.
51
BOSCH Tellerscheibe | Ersatzteile für Bohrmaschine | 1600500017
Hersteller: BOSCH
Artikelnummer: EB-0601105847-1600500017
nur Informationsartikel
Nie mehr lieferbar
keine Alternativen
Pos.
52
BOSCH Nadellager | Ersatzteile für Bohrmaschine | 1600910008
Hersteller: BOSCH
Artikelnummer: EB-0601105847-1600910008
nur Informationsartikel
Nie mehr lieferbar
keine Alternativen
Pos.
56
BOSCH Zahnwelle Z=10 | Ersatzteile für Bohrmaschine | 1606312008
Hersteller: BOSCH
Artikelnummer: EB-0601105847-1606312008
nur Informationsartikel
Nie mehr lieferbar
keine Alternativen
Pos.
57
BOSCH Zahnrad Z=20/36 | Ersatzteile für Bohrmaschine | 1606328099
Hersteller: BOSCH
Artikelnummer: EB-0601105847-1606328099
nur Informationsartikel
Nie mehr lieferbar
keine Alternativen
Pos.
59
BOSCH Stirnrad | Ersatzteile für Bohrmaschine | 1606320053
Hersteller: BOSCH
Artikelnummer: EB-0601105847-1606320053
nur Informationsartikel
Nie mehr lieferbar
keine Alternativen
Pos.
60
BOSCH Ausgleichscheibe 1,2 MM DICK | Ersatzteile für Bohrmaschine | 1600100611
Hersteller: BOSCH
Artikelnummer: EB-0601105847-1600100611
Netto: 3,94 € zzgl. MwSt.
zzgl. 6,90 € Versand (brutto)
einmalig pro Bestellung

Lieferzeit: 5 Werktage

Pos.
61
BOSCH Schalthebel | Ersatzteile für Bohrmaschine | 1602026040
Hersteller: BOSCH
Artikelnummer: EB-0601105847-1602026040
nur Informationsartikel
Nie mehr lieferbar
keine Alternativen
Pos.
62
BOSCH Schaltgabel | Ersatzteile für Bohrmaschine | 1601328001
Hersteller: BOSCH
Artikelnummer: EB-0601105847-1601328001
nur Informationsartikel
Nie mehr lieferbar
keine Alternativen
Pos.
63
BOSCH Exzenterscheibe | Ersatzteile für Bohrmaschine | 1600148005
Hersteller: BOSCH
Artikelnummer: EB-0601105847-1600148005
nur Informationsartikel
Nie mehr lieferbar
keine Alternativen
Pos.
64
BOSCH Druckfeder | Ersatzteile für Bohrmaschine | 1604611016
Hersteller: BOSCH
Artikelnummer: EB-0601105847-1604611016
nur Informationsartikel
Nie mehr lieferbar
keine Alternativen
Pos.
65
BOSCH Flachkeil | Ersatzteile für Bohrmaschine | 1602300017
Hersteller: BOSCH
Artikelnummer: EB-0601105847-1602300017
nur Informationsartikel
Nie mehr lieferbar
keine Alternativen
Pos.
77
BOSCH Zylinderschraube M3x6,5-4.8 | Ersatzteile für Bohrmaschine | 2603410001
Hersteller: BOSCH
Artikelnummer: EB-0601105847-2603410001
Netto: 3,94 € zzgl. MwSt.
zzgl. 6,90 € Versand (brutto)
einmalig pro Bestellung

Lieferzeit: 5 Werktage

Pos.
800
BOSCH Sinterbuchse | Ersatzteile für Bohrmaschine | 1600301900
Hersteller: BOSCH
Artikelnummer: EB-0601105847-1600301900
nur Informationsartikel
Nie mehr lieferbar
keine Alternativen
Pos.
802
BOSCH Ersatzteilgruppe BLAU | Ersatzteile für Bohrmaschine | 1605104910
Hersteller: BOSCH
Artikelnummer: EB-0601105847-1605104910
nur Informationsartikel
Nie mehr lieferbar
keine Alternativen
Pos.
802
BOSCH Ersatzteilgruppe GRUEN | Ersatzteile für Bohrmaschine | 1605104923
Hersteller: BOSCH
Artikelnummer: EB-0601105847-1605104923
nur Informationsartikel
Nie mehr lieferbar
keine Alternativen
Pos.
805
BOSCH Bürstenhalter | Ersatzteile für Bohrmaschine | 1601323901
Hersteller: BOSCH
Artikelnummer: EB-0601105847-1601323901
nur Informationsartikel
Nie mehr lieferbar
keine Alternativen
Pos.
807
BOSCH Kohlebürste | Ersatzteile für Bohrmaschine | 1604321900
Hersteller: BOSCH
Artikelnummer: EB-0601105847-1604321900
nur Informationsartikel
Nie mehr lieferbar
keine Alternativen
Pos.
808
BOSCH Ersatzteilgruppe | Ersatzteile für Bohrmaschine | 1605807906
Hersteller: BOSCH
Artikelnummer: EB-0601105847-1605807906
nur Informationsartikel
Nie mehr lieferbar
keine Alternativen

Angaben zur Produktsicherheit

Hersteller:
Robert Bosch Power Tools GmbH
Postfach 30 02 20
70442 Stuttgart

E-Mail:
kontakt@bosch.de