BOSCH Tülle Ø6,4-Ø7,5x75 MM | Ersatzteile für Bohrmaschine | 1600703016

Artikelnummer: EB-0601115939-1600703016

Position: 32

Marke: BOSCH


Bitte Kompatibilität prüfen!

Bitte prüfen Sie unbedingt die 10-stellige Typennummer Ihrer Maschine / Ihres Gerätes. Das Ersatzteil ist nur kompatibel, wenn Sie die Typennummer Ihrer Maschine in der unten stehenden Produktbeschreibung finden.

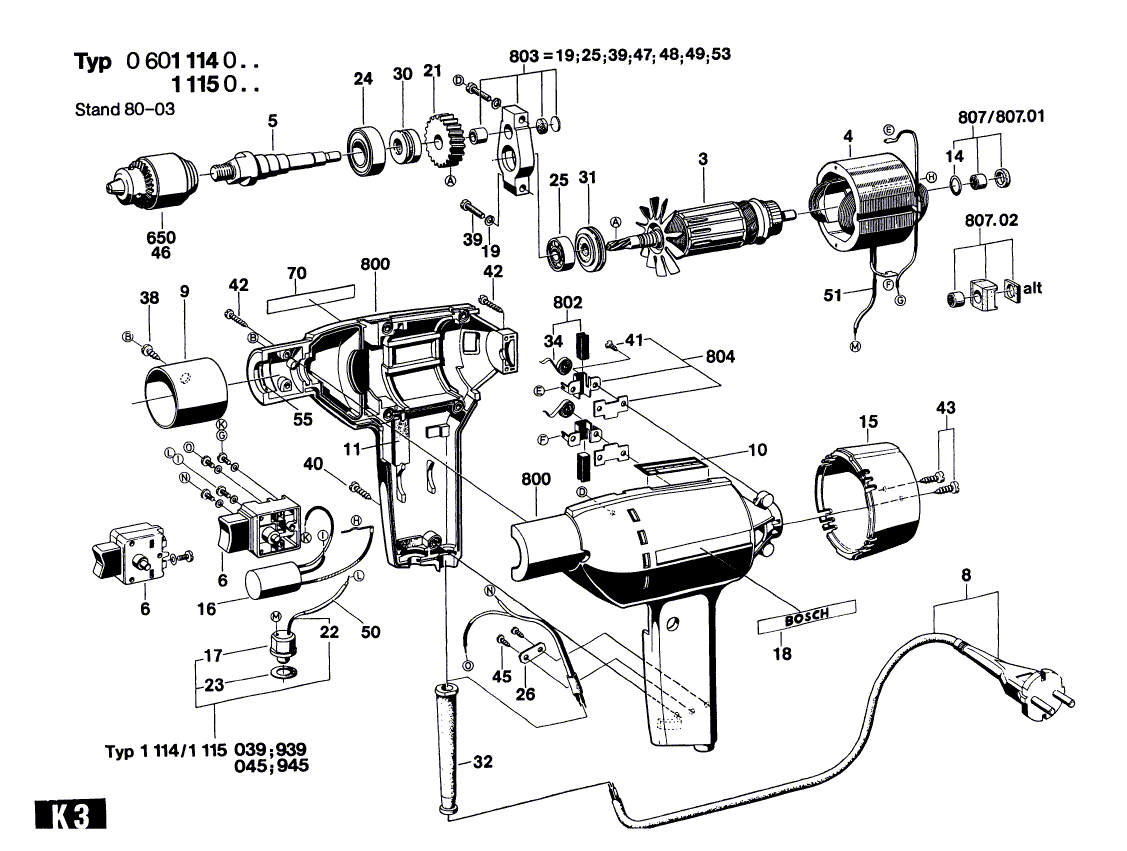
Bitte prüfen Sie ebenfalls detailliert die Explosionszeichnung mit Ihrem Artikelwunsch und der jeweiligen Pos-Nummer.

Alle Elemente, welche vom schwarzen Strich der Pos-Nummer ausgehend berührt / erfasst werden, gehören zu dieser Pos-Nummer und somit zu diesem Artikel. Jede Pos-Nummer ist ein eigenständiger Artikel, welchen Sie in der Auflistung finden.

Sie erhalten stets die aktuellste, neueste Produktversion zu der gewählten Pos-Nummer seitens des Herstellers. Es kann daher je nach Gerätealter vorkommen, dass Sie ggf. weitere, zugehörige Elemente, welche an diese Pos-Nummer grenzen, ebenfalls mittauschen müssen.

Nähere Informationen finden Sie unter dem Link
Hinweise zu Ihrer BOSCH Ersatzteilsuche

Preisübersicht

Einzelpreis: 3,63 €* (Brutto: 4,32 €)
Gesamtpreis: 3,63 €* 
Position:

Lieferzeit: 5 Werktage


Beschreibung

  • Tülle Ø6,4-Ø7,5x75 MM
  • Original Bosch Zubehör / BOSCH Ersatzteil (1600703016)
  • im Gerät verbaut: 1
Dieses BOSCH Ersatzteil ist mit folgendem Gerät und Modell kompatibel:
  • BOSCH Gerätename: Bohrmaschine
  • BOSCH Explosionszeichnung: Position 32
  • BOSCH Typennummer: 0601115939
  • BOSCH Typennummer alternative Schreibweisen: 0 601 115 939, 0601 115 939, 0.601.115.939, 0-601-115-939
    Bitte prüfen Sie diese Typennummer auf Ihrem Gerät um die Kompatibilität des BOSCH Ersatzteils zu gewährleisten.
Weitere BOSCH Ersatzteile des Gerätes Bohrmaschine mit der Typennummer 0601115939 finden Sie in der nachfolgenden Darstellung und im Dropdown zu Ihrer Auswahl:

Pos.
3
BOSCH Anker Mit Lüfter 110-115V | Ersatzteile für Bohrmaschine | 1604010108
Hersteller: BOSCH
Artikelnummer: EB-0601115939-1604010108
nur Informationsartikel
Nie mehr lieferbar
keine Alternativen
Pos.
4
BOSCH Polschuh 110-115V | Ersatzteile für Bohrmaschine | 1604220059
Hersteller: BOSCH
Artikelnummer: EB-0601115939-1604220059
nur Informationsartikel
Nie mehr lieferbar
keine Alternativen
Pos.
5
BOSCH Bohrspindel | Ersatzteile für Bohrmaschine | 1603523066
Hersteller: BOSCH
Artikelnummer: EB-0601115939-1603523066
nur Informationsartikel
Nie mehr lieferbar
keine Alternativen
Pos.
6
BOSCH Ein/Aus-Schalter | Ersatzteile für Bohrmaschine | 1607200040
Hersteller: BOSCH
Artikelnummer: EB-0601115939-1607200040
nur Informationsartikel
Nie mehr lieferbar
keine Alternativen
Pos.
8
BOSCH Netzanschlussleitung USA/CDN 2,68m 2 x 0,82mm SJ 18/2 | Ersatzteile für Bohrmaschine | 2604460188
Hersteller: BOSCH
Artikelnummer: EB-0601115939-2604460188
nur Informationsartikel
Nie mehr lieferbar
keine Alternativen
Pos.
9
BOSCH Führungshülse Ø38xØ43x40 MM | Ersatzteile für Bohrmaschine | 1600400900
Hersteller: BOSCH
Artikelnummer: EB-0601115939-1600400900
nur Informationsartikel
Nie mehr lieferbar
keine Alternativen
Pos.
10
BOSCH Typschild | Ersatzteile für Bohrmaschine | 160111A3H3
Hersteller: BOSCH
Artikelnummer: EB-0601115939-160111A3H3
Netto: 4,53 € zzgl. MwSt.
zzgl. 6,90 € Versand (brutto)
einmalig pro Bestellung

Lieferzeit: 5 Werktage

Pos.
11
BOSCH Isolierstreifen 33x10x6 MM | Ersatzteile für Bohrmaschine | 1602381001
Hersteller: BOSCH
Artikelnummer: EB-0601115939-1602381001
nur Informationsartikel
Nie mehr lieferbar
keine Alternativen
Pos.
14
BOSCH O-Ring 8,0x2,5 MM | Ersatzteile für Bohrmaschine | 1610210014
Hersteller: BOSCH
Artikelnummer: EB-0601115939-1610210014
nur Informationsartikel
Nie mehr lieferbar
keine Alternativen
Pos.
15
BOSCH Verschlussdeckel GRUEN | Ersatzteile für Bohrmaschine | 1605500066
Hersteller: BOSCH
Artikelnummer: EB-0601115939-1605500066
nur Informationsartikel
Nie mehr lieferbar
keine Alternativen
Pos.
15
BOSCH Verschlusskappe BLAU | Ersatzteile für Bohrmaschine | 1605500071
Hersteller: BOSCH
Artikelnummer: EB-0601115939-1605500071
nur Informationsartikel
Nie mehr lieferbar
keine Alternativen
Pos.
15
BOSCH Verschlusskappe SCHWARZ | Ersatzteile für Bohrmaschine | 1605500092
Hersteller: BOSCH
Artikelnummer: EB-0601115939-1605500092
nur Informationsartikel
Nie mehr lieferbar
keine Alternativen
Pos.
16
BOSCH Entstörkondensator | Ersatzteile für Bohrmaschine | 1607329014
Hersteller: BOSCH
Artikelnummer: EB-0601115939-2607329069
nur Informationsartikel
Nie mehr lieferbar
keine Alternativen
Pos.
17
BOSCH Schutzschalter | Ersatzteile für Bohrmaschine | 1607202013
Hersteller: BOSCH
Artikelnummer: EB-0601115939-1607202013
nur Informationsartikel
Nie mehr lieferbar
keine Alternativen
Pos.
18
BOSCH Firmenschild SCHATTENSEITE | Ersatzteile für Bohrmaschine | 1601110481
Hersteller: BOSCH
Artikelnummer: EB-0601115939-1601110481
Netto: 4,32 € zzgl. MwSt.
zzgl. 6,90 € Versand (brutto)
einmalig pro Bestellung

Lieferzeit: 5 Werktage

Pos.
19
BOSCH Federring DIN 128-A4-FST | Ersatzteile für Bohrmaschine | 2916690003
Hersteller: BOSCH
Artikelnummer: EB-0601115939-2916690003
Netto: 3,63 € zzgl. MwSt.
zzgl. 6,90 € Versand (brutto)
einmalig pro Bestellung

Lieferzeit: 5 Werktage

Pos.
21
BOSCH Stirnrad Z=41 | Ersatzteile für Bohrmaschine | 1606319016
Hersteller: BOSCH
Artikelnummer: EB-0601115939-1606319016
nur Informationsartikel
Nie mehr lieferbar
keine Alternativen
Pos.
22
BOSCH Verbindungsleitung L=100 MM | Ersatzteile für Bohrmaschine | 1604412020
Hersteller: BOSCH
Artikelnummer: EB-0601115939-1604412020
nur Informationsartikel
Nie mehr lieferbar
keine Alternativen
Pos.
23
BOSCH Dichtscheibe | Ersatzteile für Bohrmaschine | 1600109006
Hersteller: BOSCH
Artikelnummer: EB-0601115939-1600109006
nur Informationsartikel
Nie mehr lieferbar
keine Alternativen
Pos.
24
BOSCH Rillenkugellager 6002-Z DIN 625 | Ersatzteile für Bohrmaschine | 1900905102
Hersteller: BOSCH
Artikelnummer: EB-0601115939-1900905102
nur Informationsartikel
Nie mehr lieferbar
keine Alternativen
Pos.
25
BOSCH Kugellager 7x22x7 | Ersatzteile für Bohrmaschine | 1900905018
Hersteller: BOSCH
Artikelnummer: EB-0601115939-1900905018
Netto: 15,75 € zzgl. MwSt.
zzgl. 6,90 € Versand (brutto)
einmalig pro Bestellung

Lieferzeit: 5 Werktage

Pos.
26
BOSCH Befestigungsschelle | Ersatzteile für Bohrmaschine | 1601321030
Hersteller: BOSCH
Artikelnummer: EB-0601115939-1601321030
nur Informationsartikel
Nie mehr lieferbar
keine Alternativen
Pos.
30
BOSCH Führungsbuchse | Ersatzteile für Bohrmaschine | 1600314001
Hersteller: BOSCH
Artikelnummer: EB-0601115939-1600314001
nur Informationsartikel
Nie mehr lieferbar
keine Alternativen
Pos.
31
BOSCH Dichtscheibe | Ersatzteile für Bohrmaschine | 1600190002
Hersteller: BOSCH
Artikelnummer: EB-0601115939-1600190002
nur Informationsartikel
Nie mehr lieferbar
keine Alternativen
Pos.
32
BOSCH Tülle Ø6,4-Ø7,5x75 MM | Ersatzteile für Bohrmaschine | 1600703016
Hersteller: BOSCH
Artikelnummer: EB-0601115939-1600703016
Netto: 3,63 € zzgl. MwSt.
zzgl. 6,90 € Versand (brutto)
einmalig pro Bestellung

Lieferzeit: 5 Werktage

Pos.
32
BOSCH Tülle Ø7,6-Ø8,2x95 MM | Ersatzteile für Bohrmaschine | 2600703013
Hersteller: BOSCH
Artikelnummer: EB-0601115939-2600703013
Netto: 4,53 € zzgl. MwSt.
zzgl. 6,90 € Versand (brutto)
einmalig pro Bestellung

Lieferzeit: 5 Werktage

Pos.
32
BOSCH Tülle Ø8,2 MM | Ersatzteile für Bohrmaschine | 2600703008
Hersteller: BOSCH
Artikelnummer: EB-0601115939-2600703008
nur Informationsartikel
Nie mehr lieferbar
keine Alternativen
Pos.
34
BOSCH Spiralfeder | Ersatzteile für Bohrmaschine | 1604652004
Hersteller: BOSCH
Artikelnummer: EB-0601115939-1604652004
Netto: 4,53 € zzgl. MwSt.
zzgl. 6,90 € Versand (brutto)
einmalig pro Bestellung

Lieferzeit: 5 Werktage

Pos.
38
BOSCH Blechschraube DIN 7971-BZ3,9x6,5 | Ersatzteile für Bohrmaschine | 2910211016
Hersteller: BOSCH
Artikelnummer: EB-0601115939-2910211016
nur Informationsartikel
Nie mehr lieferbar
keine Alternativen
Pos.
39
BOSCH Zylinderschraube DIN 84-AM4x18-8.8 | Ersatzteile für Bohrmaschine | 2910021128
Hersteller: BOSCH
Artikelnummer: EB-0601115939-2910021128
nur Informationsartikel
Nie mehr lieferbar
keine Alternativen
Pos.
40
BOSCH Blechschraube DIN 7971-ST3,9x16-F | Ersatzteile für Bohrmaschine | 2910211019
Hersteller: BOSCH
Artikelnummer: EB-0601115939-2910211019
Netto: 3,63 € zzgl. MwSt.
zzgl. 6,90 € Versand (brutto)
einmalig pro Bestellung

Lieferzeit: 5 Werktage

Pos.
41
BOSCH Blechschraube DIN 7972-BZ2,9x6,5 | Ersatzteile für Bohrmaschine | 2910601004
Hersteller: BOSCH
Artikelnummer: EB-0601115939-2910601004
nur Informationsartikel
Nie mehr lieferbar
keine Alternativen
Pos.
42
BOSCH Blechschraube DIN 7971-BZ2,9x13 | Ersatzteile für Bohrmaschine | 2910211006
Hersteller: BOSCH
Artikelnummer: EB-0601115939-2910211006
Netto: 3,63 € zzgl. MwSt.
zzgl. 6,90 € Versand (brutto)
einmalig pro Bestellung

Lieferzeit: 5 Werktage

Pos.
43
BOSCH Blechschraube DIN 7971-BZ3,9x9,5 | Ersatzteile für Bohrmaschine | 2910211017
Hersteller: BOSCH
Artikelnummer: EB-0601115939-2910211017
nur Informationsartikel
Nie mehr lieferbar
keine Alternativen
Pos.
45
BOSCH Blechschraube DIN 7971-BZ2,9x6,5 | Ersatzteile für Bohrmaschine | 2910211004
Hersteller: BOSCH
Artikelnummer: EB-0601115939-2910211004
nur Informationsartikel
Nie mehr lieferbar
keine Alternativen
Pos.
46
BOSCH Zahnkranzbohrfutter Ø0,8-10 MM, 1/2 Zoll | Ersatzteile für Bohrmaschine | 1608571005
Hersteller: BOSCH
Artikelnummer: EB-0601115939-1608571005
nur Informationsartikel
Nie mehr lieferbar
keine Alternativen
Pos.
650
BOSCH Bohrfutterschlüssel SG2 | Ersatzteile für Bohrmaschine | 2607950007
Hersteller: BOSCH
Artikelnummer: EB-0601115939-2607950007
Netto: 7,30 € zzgl. MwSt.
zzgl. 6,90 € Versand (brutto)
einmalig pro Bestellung

Lieferzeit: 5 Werktage

Pos.
650
BOSCH Zahnkranzbohrfutter | Ersatzteile für Drill | 1607000F3W
Hersteller: BOSCH
Artikelnummer: EB-0601115939-1607000F3W
Netto: 29,45 € zzgl. MwSt.
zzgl. 6,90 € Versand (brutto)
einmalig pro Bestellung

Lieferzeit: 5 Werktage

Pos.
650
BOSCH Zahnkranzbohrfutter Ø1-10 MM, 3/8 Zoll | Ersatzteile für Bohrmaschine | 1608571020
Hersteller: BOSCH
Artikelnummer: EB-0601115939-1608571020
nur Informationsartikel
Nie mehr lieferbar
keine Alternativen
Pos.
800
BOSCH Motorgehäuse GRUEN | Ersatzteile für Bohrmaschine | 1605104917
Hersteller: BOSCH
Artikelnummer: EB-0601115939-1605104917
nur Informationsartikel
Nie mehr lieferbar
keine Alternativen
Pos.
802
BOSCH Kohlebürste | Ersatzteile für Bohrmaschine | 1604321900
Hersteller: BOSCH
Artikelnummer: EB-0601115939-1604321900
nur Informationsartikel
Nie mehr lieferbar
keine Alternativen
Pos.
803
BOSCH Lagerbrücke | Ersatzteile für Bohrmaschine | 1605807901
Hersteller: BOSCH
Artikelnummer: EB-0601115939-1605807901
nur Informationsartikel
Nie mehr lieferbar
keine Alternativen
Pos.
804
BOSCH Bürstenhalter | Ersatzteile für Bohrmaschine | 1601323901
Hersteller: BOSCH
Artikelnummer: EB-0601115939-1601323901
nur Informationsartikel
Nie mehr lieferbar
keine Alternativen
Pos.
807
BOSCH Sinterbuchse | Ersatzteile für Bohrmaschine | 1600301900
Hersteller: BOSCH
Artikelnummer: EB-0601115939-1600301900
nur Informationsartikel
Nie mehr lieferbar
keine Alternativen

Angaben zur Produktsicherheit

Hersteller:
Robert Bosch Power Tools GmbH
Postfach 30 02 20
70442 Stuttgart

E-Mail:
kontakt@bosch.de