BOSCH Zwischenring | Ersatzteile für Bohrmaschine | 1600221003

Artikelnummer: EB-0601119650-1600221003

Position: 25

Marke: BOSCH


Bitte Kompatibilität prüfen!

Bitte prüfen Sie unbedingt die 10-stellige Typennummer Ihrer Maschine / Ihres Gerätes. Das Ersatzteil ist nur kompatibel, wenn Sie die Typennummer Ihrer Maschine in der unten stehenden Produktbeschreibung finden.

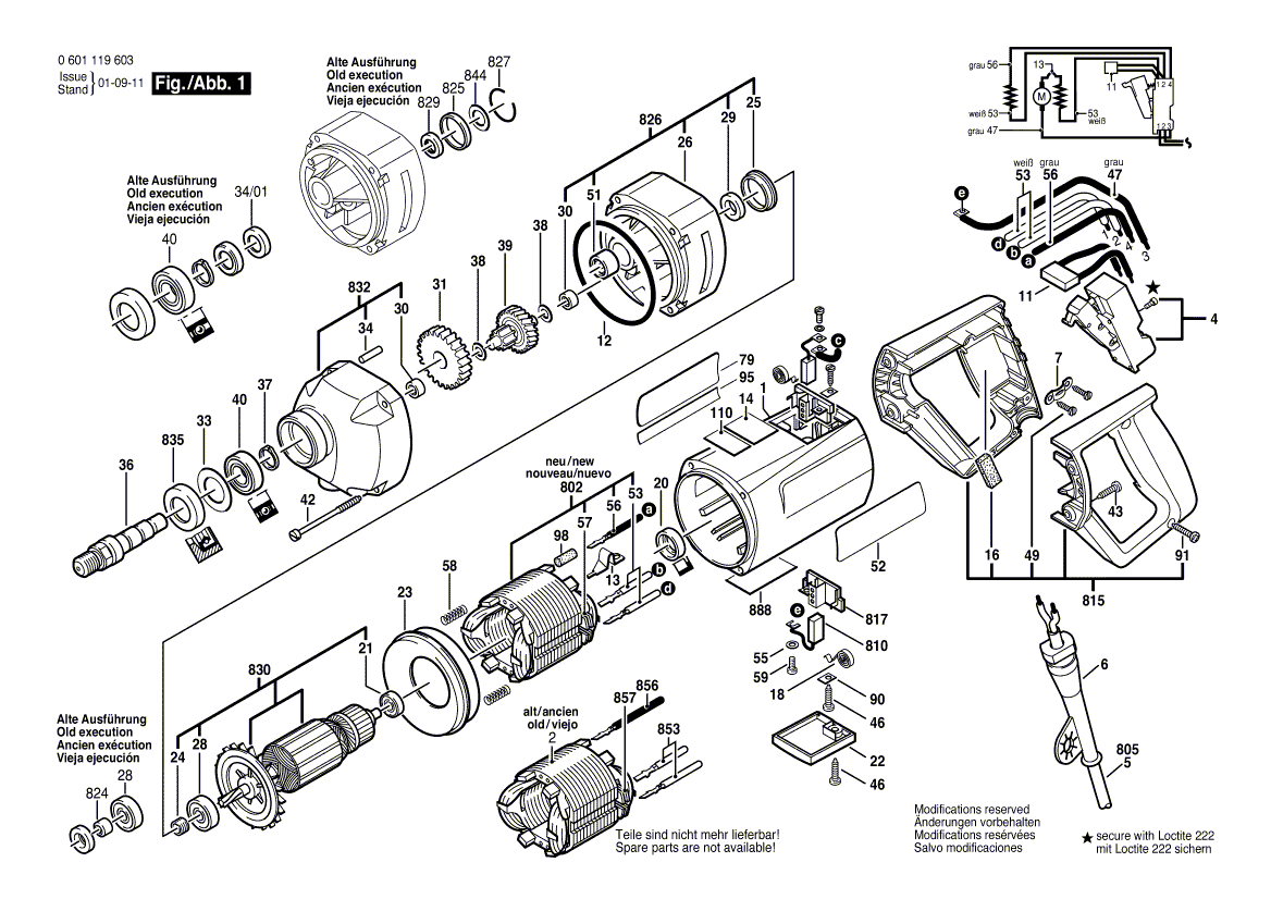
Bitte prüfen Sie ebenfalls detailliert die Explosionszeichnung mit Ihrem Artikelwunsch und der jeweiligen Pos-Nummer.

Alle Elemente, welche vom schwarzen Strich der Pos-Nummer ausgehend berührt / erfasst werden, gehören zu dieser Pos-Nummer und somit zu diesem Artikel. Jede Pos-Nummer ist ein eigenständiger Artikel, welchen Sie in der Auflistung finden.

Sie erhalten stets die aktuellste, neueste Produktversion zu der gewählten Pos-Nummer seitens des Herstellers. Es kann daher je nach Gerätealter vorkommen, dass Sie ggf. weitere, zugehörige Elemente, welche an diese Pos-Nummer grenzen, ebenfalls mittauschen müssen.

Nähere Informationen finden Sie unter dem Link
Hinweise zu Ihrer BOSCH Ersatzteilsuche

Preisübersicht

Einzelpreis: 4,56 €* (Brutto: 5,43 €)
Gesamtpreis: 4,56 €* 
Position:

Lieferzeit: 5 Werktage


Beschreibung

  • Zwischenring
  • Original Bosch Zubehör / BOSCH Ersatzteil (1600221003)
  • im Gerät verbaut: 1
Dieses BOSCH Ersatzteil ist mit folgendem Gerät und Modell kompatibel:
  • BOSCH Gerätename: Bohrmaschine
  • BOSCH Explosionszeichnung: Position 25
  • BOSCH Typennummer: 0601119650
  • BOSCH Typennummer alternative Schreibweisen: 0 601 119 650, 0601 119 650, 0.601.119.650, 0-601-119-650
    Bitte prüfen Sie diese Typennummer auf Ihrem Gerät um die Kompatibilität des BOSCH Ersatzteils zu gewährleisten.
Weitere BOSCH Ersatzteile des Gerätes Bohrmaschine mit der Typennummer 0601119650 finden Sie in der nachfolgenden Darstellung und im Dropdown zu Ihrer Auswahl:

Pos.
650/1
BOSCH Zusatzhandgriff | Ersatzteile für 1119.6 | 160202509Z
Hersteller: BOSCH
Artikelnummer: EB-0601119650-16020250A1
Netto: 13,81 € zzgl. MwSt.
zzgl. 6,90 € Versand (brutto)
einmalig pro Bestellung

Lieferzeit: 5 Werktage

Pos.
650/1
BOSCH Zusatzhandgriff M14 SCHWARZ | Ersatzteile für Bohrmaschine | 1602025022
Hersteller: BOSCH
Artikelnummer: EB-0601119650-1602025022
nur Informationsartikel
Nie mehr lieferbar
keine Alternativen
Pos.
651/8
BOSCH Bohrfutterschlüssel SG2 | Ersatzteile für Bohrmaschine | 2607950007
Hersteller: BOSCH
Artikelnummer: EB-0601119650-2607950007
Netto: 7,26 € zzgl. MwSt.
zzgl. 6,90 € Versand (brutto)
einmalig pro Bestellung

Lieferzeit: 5 Werktage

Pos.
4
BOSCH Schalter | Ersatzteile für Bohrmaschine | 1607200075
Hersteller: BOSCH
Artikelnummer: EB-0601119650-1607200075
nur Informationsartikel
Nie mehr lieferbar
keine Alternativen
Pos.
5
BOSCH Netzanschlussleitung BR 220V 2,65m 2 x 1,0mm H07 RN-F | Ersatzteile für Bohrmaschine | 1614460091
Hersteller: BOSCH
Artikelnummer: EB-0601119650-1614460091
nur Informationsartikel
Nie mehr lieferbar
keine Alternativen
Pos.
6
BOSCH Tülle Ø7,9-Ø12,0x120 MM | Ersatzteile für Bohrmaschine | 1600703022
Hersteller: BOSCH
Artikelnummer: EB-0601119650-1600703022
Netto: 4,80 € zzgl. MwSt.
zzgl. 6,90 € Versand (brutto)
einmalig pro Bestellung

Lieferzeit: 5 Werktage

Pos.
7
BOSCH Befestigungsschelle | Ersatzteile für Bohrmaschine | 1601302014
Hersteller: BOSCH
Artikelnummer: EB-0601119650-1601302014
Netto: 4,56 € zzgl. MwSt.
zzgl. 6,90 € Versand (brutto)
einmalig pro Bestellung

Lieferzeit: 5 Werktage

Pos.
11
BOSCH Entstörfilter | Ersatzteile für Bohrmaschine | 1607328028
Hersteller: BOSCH
Artikelnummer: EB-0601119650-1607328028
Netto: 6,27 € zzgl. MwSt.
zzgl. 6,90 € Versand (brutto)
einmalig pro Bestellung

Lieferzeit: 5 Werktage

Pos.
12
BOSCH O-Ring 66,0x3,0 MM | Ersatzteile für Bohrmaschine | 1600210005
Hersteller: BOSCH
Artikelnummer: EB-0601119650-1600210005
Netto: 4,80 € zzgl. MwSt.
zzgl. 6,90 € Versand (brutto)
einmalig pro Bestellung

Lieferzeit: 5 Werktage

Pos.
13
BOSCH Flachstecker | Ersatzteile für Bohrmaschine | 1604477001
Hersteller: BOSCH
Artikelnummer: EB-0601119650-1604477001
Netto: 3,94 € zzgl. MwSt.
zzgl. 6,90 € Versand (brutto)
einmalig pro Bestellung

Lieferzeit: 5 Werktage

Pos.
15
BOSCH Handgriff SCHWARZ | Ersatzteile für 1119.6 | 3605133019
Hersteller: BOSCH
Artikelnummer: EB-0601119650-3605133019
nur Informationsartikel
Nie mehr lieferbar
keine Alternativen
Pos.
16
BOSCH Isolierplatte 20x20x50 MM | Ersatzteile für Bohrmaschine | 1602381006
Hersteller: BOSCH
Artikelnummer: EB-0601119650-1602381006
nur Informationsartikel
Nie mehr lieferbar
keine Alternativen
Pos.
18
BOSCH Spiralfeder | Ersatzteile für Bohrmaschine | 1604652006
Hersteller: BOSCH
Artikelnummer: EB-0601119650-1604652006
Netto: 3,94 € zzgl. MwSt.
zzgl. 6,90 € Versand (brutto)
einmalig pro Bestellung

Lieferzeit: 5 Werktage

Pos.
20
BOSCH Zwischenring | Ersatzteile für Bohrmaschine | 1600502011
Hersteller: BOSCH
Artikelnummer: EB-0601119650-1600502011
Netto: 4,56 € zzgl. MwSt.
zzgl. 6,90 € Versand (brutto)
einmalig pro Bestellung

Lieferzeit: 5 Werktage

Pos.
21
BOSCH Kugellager 7x19x6 | Ersatzteile für Bohrmaschine | 2600905032
Hersteller: BOSCH
Artikelnummer: EB-0601119650-2600905032
Netto: 6,27 € zzgl. MwSt.
zzgl. 6,90 € Versand (brutto)
einmalig pro Bestellung

Lieferzeit: 5 Werktage

Pos.
23
BOSCH Luftleitring | Ersatzteile für Bohrmaschine | 1600502019
Hersteller: BOSCH
Artikelnummer: EB-0601119650-1600502019
Netto: 5,17 € zzgl. MwSt.
zzgl. 6,90 € Versand (brutto)
einmalig pro Bestellung

Lieferzeit: 5 Werktage

Pos.
24
BOSCH Zwischenring | Ersatzteile für Bohrmaschine | 1600300090
Hersteller: BOSCH
Artikelnummer: EB-0601119650-1600300090
Netto: 5,17 € zzgl. MwSt.
zzgl. 6,90 € Versand (brutto)
einmalig pro Bestellung

Lieferzeit: 5 Werktage

Pos.
25
BOSCH Zwischenring | Ersatzteile für Bohrmaschine | 1600221003
Hersteller: BOSCH
Artikelnummer: EB-0601119650-1600221003
Netto: 4,56 € zzgl. MwSt.
zzgl. 6,90 € Versand (brutto)
einmalig pro Bestellung

Lieferzeit: 5 Werktage

Pos.
28
BOSCH Rillenkugellager 9x26x8 | Ersatzteile für Bohrmaschine | 3600905131
Hersteller: BOSCH
Artikelnummer: EB-0601119650-3600905131
Netto: 9,75 € zzgl. MwSt.
zzgl. 6,90 € Versand (brutto)
einmalig pro Bestellung

Lieferzeit: 5 Werktage

Pos.
29
BOSCH Radial-Wellendichtring | Ersatzteile für Bohrmaschine | 1600290016
Hersteller: BOSCH
Artikelnummer: EB-0601119650-1600290016
Netto: 4,56 € zzgl. MwSt.
zzgl. 6,90 € Versand (brutto)
einmalig pro Bestellung

Lieferzeit: 5 Werktage

Pos.
30
BOSCH Nadelhülse | Ersatzteile für Bohrmaschine | 1600910013
Hersteller: BOSCH
Artikelnummer: EB-0601119650-1600910013
Netto: 6,75 € zzgl. MwSt.
zzgl. 6,90 € Versand (brutto)
einmalig pro Bestellung

Lieferzeit: 5 Werktage

Pos.
31
BOSCH Stirnrad Z=50 | Ersatzteile für Bohrmaschine | 1606317078
Hersteller: BOSCH
Artikelnummer: EB-0601119650-1606317078
Netto: 26,41 € zzgl. MwSt.
zzgl. 6,90 € Versand (brutto)
einmalig pro Bestellung

Lieferzeit: 5 Werktage

Pos.
33
BOSCH Ausgleichscheibe 0,5 MM DICK | Ersatzteile für Bohrmaschine | 1600102003
Hersteller: BOSCH
Artikelnummer: EB-0601119650-1600102003
Netto: 3,94 € zzgl. MwSt.
zzgl. 6,90 € Versand (brutto)
einmalig pro Bestellung

Lieferzeit: 5 Werktage

Pos.
38
BOSCH Ausgleichscheibe 0,5 MM DICK | Ersatzteile für Bohrmaschine | 1600100631
Hersteller: BOSCH
Artikelnummer: EB-0601119650-1600100631
Netto: 3,94 € zzgl. MwSt.
zzgl. 6,90 € Versand (brutto)
einmalig pro Bestellung

Lieferzeit: 5 Werktage

Pos.
39
BOSCH Welle Mit Zahnrad Z=9/33 | Ersatzteile für Bohrmaschine | 1606328103
Hersteller: BOSCH
Artikelnummer: EB-0601119650-1606328103
Netto: 42,08 € zzgl. MwSt.
zzgl. 6,90 € Versand (brutto)
einmalig pro Bestellung

Lieferzeit: 5 Werktage

Pos.
40
BOSCH Rillenkugellager 15x32x9 | Ersatzteile für Bohrmaschine | 1900905162
Hersteller: BOSCH
Artikelnummer: EB-0601119650-1900905162
nur Informationsartikel
Nie mehr lieferbar
keine Alternativen
Pos.
42
BOSCH Blechschraube ST-4,8x57,5-TORX,T20 | Ersatzteile für Bohrmaschine | 1613435009
Hersteller: BOSCH
Artikelnummer: EB-0601119650-1613435009
Netto: 3,94 € zzgl. MwSt.
zzgl. 6,90 € Versand (brutto)
einmalig pro Bestellung

Lieferzeit: 5 Werktage

Pos.
46
BOSCH Blechschraube DIN 7971-ST3,9x16-F | Ersatzteile für Bohrmaschine | 2910211019
Hersteller: BOSCH
Artikelnummer: EB-0601119650-2910211019
Netto: 3,60 € zzgl. MwSt.
zzgl. 6,90 € Versand (brutto)
einmalig pro Bestellung

Lieferzeit: 5 Werktage

Pos.
47
BOSCH Verbindungsleitung L=290 MM GRAU | Ersatzteile für Bohrmaschine | 1604445006
Hersteller: BOSCH
Artikelnummer: EB-0601119650-1604445006
Netto: 6,75 € zzgl. MwSt.
zzgl. 6,90 € Versand (brutto)
einmalig pro Bestellung

Lieferzeit: 5 Werktage

Pos.
49
BOSCH Blechschraube DIN 7971-ST3,9x13-F | Ersatzteile für Bohrmaschine | 2910211018
Hersteller: BOSCH
Artikelnummer: EB-0601119650-2910211018
Netto: 3,60 € zzgl. MwSt.
zzgl. 6,90 € Versand (brutto)
einmalig pro Bestellung

Lieferzeit: 5 Werktage

Pos.
58
BOSCH Druckfeder | Ersatzteile für Bohrmaschine | 1604613006
Hersteller: BOSCH
Artikelnummer: EB-0601119650-1604613006
Netto: 3,94 € zzgl. MwSt.
zzgl. 6,90 € Versand (brutto)
einmalig pro Bestellung

Lieferzeit: 5 Werktage

Pos.
59
BOSCH Zylinderschraube DIN 84-AM4x8-8.8 | Ersatzteile für Bohrmaschine | 2910021118
Hersteller: BOSCH
Artikelnummer: EB-0601119650-2910021118
nur Informationsartikel
Nie mehr lieferbar
keine Alternativen
Pos.
90
BOSCH Sicherungsblech | Ersatzteile für Bohrmaschine | 1601030022
Hersteller: BOSCH
Artikelnummer: EB-0601119650-1601030022
nur Informationsartikel
Nie mehr lieferbar
keine Alternativen
Pos.
91
BOSCH Torx-Linsenschraube | Ersatzteile für Bohrmaschine | 2914201507
Hersteller: BOSCH
Artikelnummer: EB-0601119650-2914201507
Netto: 3,60 € zzgl. MwSt.
zzgl. 6,90 € Versand (brutto)
einmalig pro Bestellung

Lieferzeit: 5 Werktage

Pos.
650
BOSCH Zusatzhandgriff Ø43 MM | Ersatzteile für Bohrmaschine | 3602025021
Hersteller: BOSCH
Artikelnummer: EB-0601119650-3602025021
Netto: 35,13 € zzgl. MwSt.
zzgl. 6,90 € Versand (brutto)
einmalig pro Bestellung

Lieferzeit: 5 Werktage

Pos.
810
BOSCH Kohlebürstensatz | Ersatzteile für Bohrmaschine | 1607014126
Hersteller: BOSCH
Artikelnummer: EB-0601119650-1607014126
Netto: 13,81 € zzgl. MwSt.
zzgl. 6,90 € Versand (brutto)
einmalig pro Bestellung

Lieferzeit: 5 Werktage

Pos.
815
BOSCH Handgriff DUNKELBLAU | Ersatzteile für Bohrmaschine | 3605133012
Hersteller: BOSCH
Artikelnummer: EB-0601119650-3605133012
nur Informationsartikel
Nie mehr lieferbar
keine Alternativen
Pos.
817
BOSCH Bürstenhalter | Ersatzteile für Bohrmaschine | 1604336017
Hersteller: BOSCH
Artikelnummer: EB-0601119650-1604336017
Netto: 7,66 € zzgl. MwSt.
zzgl. 6,90 € Versand (brutto)
einmalig pro Bestellung

Lieferzeit: 5 Werktage

Pos.
824
BOSCH Zwischenring | Ersatzteile für Bohrmaschine | 1600300089
Hersteller: BOSCH
Artikelnummer: EB-0601119650-1600300089
Netto: 6,21 € zzgl. MwSt.
zzgl. 6,90 € Versand (brutto)
einmalig pro Bestellung

Lieferzeit: 5 Werktage

Pos.
825
BOSCH Zwischenring | Ersatzteile für Bohrmaschine | 1600206026
Hersteller: BOSCH
Artikelnummer: EB-0601119650-1600206026
Netto: 3,94 € zzgl. MwSt.
zzgl. 6,90 € Versand (brutto)
einmalig pro Bestellung

Lieferzeit: 5 Werktage

Pos.
829
BOSCH Radial-Wellendichtring | Ersatzteile für Bohrmaschine | 1600290012
Hersteller: BOSCH
Artikelnummer: EB-0601119650-1600290012
nur Informationsartikel
Nie mehr lieferbar
keine Alternativen
Pos.
830
BOSCH Anker 230V | Ersatzteile für Bohrmaschine | 1604010272
Hersteller: BOSCH
Artikelnummer: EB-0601119650-1604010272
Netto: 150,24 € zzgl. MwSt.
zzgl. 6,90 € Versand (brutto)
einmalig pro Bestellung

Lieferzeit: 5 Werktage

Pos.
844
BOSCH Stützscheibe | Ersatzteile für Bohrmaschine | 1600102680
Hersteller: BOSCH
Artikelnummer: EB-0601119650-1600102680
Netto: 3,94 € zzgl. MwSt.
zzgl. 6,90 € Versand (brutto)
einmalig pro Bestellung

Lieferzeit: 5 Werktage

Pos.
853
BOSCH Verbindungsleitung L=330 MM WEISS | Ersatzteile für Bohrmaschine | 1604438012
Hersteller: BOSCH
Artikelnummer: EB-0601119650-1604438012
Netto: 7,66 € zzgl. MwSt.
zzgl. 6,90 € Versand (brutto)
einmalig pro Bestellung

Lieferzeit: 5 Werktage

Pos.
856
BOSCH Verbindungsleitung L=345 MM GRAU | Ersatzteile für Bohrmaschine | 1604438013
Hersteller: BOSCH
Artikelnummer: EB-0601119650-1604438013
Netto: 7,58 € zzgl. MwSt.
zzgl. 6,90 € Versand (brutto)
einmalig pro Bestellung

Lieferzeit: 5 Werktage

Pos.
857
BOSCH Leitungsführung | Ersatzteile für Bohrmaschine | 1601025001
Hersteller: BOSCH
Artikelnummer: EB-0601119650-1601025001
Netto: 3,94 € zzgl. MwSt.
zzgl. 6,90 € Versand (brutto)
einmalig pro Bestellung

Lieferzeit: 5 Werktage

Pos.
888
BOSCH Typschild | Ersatzteile für Bohrmaschine | 160111A3H3
Hersteller: BOSCH
Artikelnummer: EB-0601119650-160111A3H3
Netto: 4,56 € zzgl. MwSt.
zzgl. 6,90 € Versand (brutto)
einmalig pro Bestellung

Lieferzeit: 5 Werktage

Angaben zur Produktsicherheit

Hersteller:
Robert Bosch Power Tools GmbH
Postfach 30 02 20
70442 Stuttgart

E-Mail:
kontakt@bosch.de