BOSCH Leitungshalter | Ersatzteile für Bohrmaschine | 2601035001

Artikelnummer: EB-0601122048-2601035001

Position: 8

Marke: BOSCH


Bitte Kompatibilität prüfen!

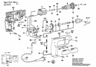
Bitte prüfen Sie unbedingt die 10-stellige Typennummer Ihrer Maschine / Ihres Gerätes. Das Ersatzteil ist nur kompatibel, wenn Sie die Typennummer Ihrer Maschine in der unten stehenden Produktbeschreibung finden.

Bitte prüfen Sie ebenfalls detailliert die Explosionszeichnung mit Ihrem Artikelwunsch und der jeweiligen Pos-Nummer.

Alle Elemente, welche vom schwarzen Strich der Pos-Nummer ausgehend berührt / erfasst werden, gehören zu dieser Pos-Nummer und somit zu diesem Artikel. Jede Pos-Nummer ist ein eigenständiger Artikel, welchen Sie in der Auflistung finden.

Sie erhalten stets die aktuellste, neueste Produktversion zu der gewählten Pos-Nummer seitens des Herstellers. Es kann daher je nach Gerätealter vorkommen, dass Sie ggf. weitere, zugehörige Elemente, welche an diese Pos-Nummer grenzen, ebenfalls mittauschen müssen.

Nähere Informationen finden Sie unter dem Link
Hinweise zu Ihrer BOSCH Ersatzteilsuche

Preisübersicht

Einzelpreis: 3,94 €* (Brutto: 4,69 €)
Gesamtpreis: 3,94 €* 
Position:

Lieferzeit: 5 Werktage


Beschreibung

  • Leitungshalter
  • Original Bosch Zubehör / BOSCH Ersatzteil (2601035001)
  • im Gerät verbaut: 1
Dieses BOSCH Ersatzteil ist mit folgendem Gerät und Modell kompatibel:
  • BOSCH Gerätename: Bohrmaschine
  • BOSCH Explosionszeichnung: Position 8
  • BOSCH Typennummer: 0601122048
  • BOSCH Typennummer alternative Schreibweisen: 0 601 122 048, 0601 122 048, 0.601.122.048, 0-601-122-048
    Bitte prüfen Sie diese Typennummer auf Ihrem Gerät um die Kompatibilität des BOSCH Ersatzteils zu gewährleisten.
Weitere BOSCH Ersatzteile des Gerätes Bohrmaschine mit der Typennummer 0601122048 finden Sie in der nachfolgenden Darstellung und im Dropdown zu Ihrer Auswahl:

Pos.
3
BOSCH Polschuh 240V | Ersatzteile für Bohrmaschine | 2604220398
Hersteller: BOSCH
Artikelnummer: EB-0601122048-2604220398
nur Informationsartikel
Nie mehr lieferbar
keine Alternativen
Pos.
4
BOSCH Anker 220V | Ersatzteile für Bohrmaschine | 2604010529
Hersteller: BOSCH
Artikelnummer: EB-0601122048-2604010529
nur Informationsartikel
Nie mehr lieferbar
keine Alternativen
Pos.
5
BOSCH Schalter | Ersatzteile für Bohrmaschine | 2607200084
Hersteller: BOSCH
Artikelnummer: EB-0601122048-2607200260
Netto: 9,18 € zzgl. MwSt.
zzgl. 6,90 € Versand (brutto)
einmalig pro Bestellung

Lieferzeit: 5 Werktage

Pos.
7
BOSCH Tülle Ø11,6-Ø12,5x84 MM | Ersatzteile für Bohrmaschine | 2600707060
Hersteller: BOSCH
Artikelnummer: EB-0601122048-2600707060
Netto: 4,53 € zzgl. MwSt.
zzgl. 6,90 € Versand (brutto)
einmalig pro Bestellung

Lieferzeit: 5 Werktage

Pos.
7
BOSCH Tülle Ø6,9 MM | Ersatzteile für Bohrmaschine | 2600707059
Hersteller: BOSCH
Artikelnummer: EB-0601122048-2600707059
Netto: 5,19 € zzgl. MwSt.
zzgl. 6,90 € Versand (brutto)
einmalig pro Bestellung

Lieferzeit: 5 Werktage

Pos.
7
BOSCH Tülle Ø8,8 MM | Ersatzteile für Bohrmaschine | 2600707061
Hersteller: BOSCH
Artikelnummer: EB-0601122048-2600707061
nur Informationsartikel
Nie mehr lieferbar
keine Alternativen
Pos.
8
BOSCH Leitungshalter | Ersatzteile für Bohrmaschine | 2601035001
Hersteller: BOSCH
Artikelnummer: EB-0601122048-2601035001
Netto: 3,94 € zzgl. MwSt.
zzgl. 6,90 € Versand (brutto)
einmalig pro Bestellung

Lieferzeit: 5 Werktage

Pos.
11
BOSCH Klebeschild | Ersatzteile für Bohrmaschine | 2601110079
Hersteller: BOSCH
Artikelnummer: EB-0601122048-2601110079
nur Informationsartikel
Nie mehr lieferbar
keine Alternativen
Pos.
13
BOSCH Entstörkondensator | Ersatzteile für Bohrmaschine | 2607329095
Hersteller: BOSCH
Artikelnummer: EB-0601122048-2607329095
nur Informationsartikel
Nie mehr lieferbar
keine Alternativen
Pos.
14
BOSCH Bürstenhalter | Ersatzteile für Bohrmaschine | 1604449002
Hersteller: BOSCH
Artikelnummer: EB-0601122048-1604449002
Netto: 3,94 € zzgl. MwSt.
zzgl. 6,90 € Versand (brutto)
einmalig pro Bestellung

Lieferzeit: 5 Werktage

Pos.
14
BOSCH Entstörglied | Ersatzteile für Bohrmaschine | 2604465099
Hersteller: BOSCH
Artikelnummer: EB-0601122048-2604465099
nur Informationsartikel
Nie mehr lieferbar
keine Alternativen
Pos.
18
BOSCH Bohrfutter Ø 1-10 MM, 3/8 Zoll | Ersatzteile für Bohrmaschine | 1608571033
Hersteller: BOSCH
Artikelnummer: EB-0601122048-1608571033
nur Informationsartikel
Nie mehr lieferbar
keine Alternativen
Pos.
18
BOSCH Bohrfutterschlüssel SG2 | Ersatzteile für Bohrmaschine | 2607950007
Hersteller: BOSCH
Artikelnummer: EB-0601122048-2607950007
Netto: 7,30 € zzgl. MwSt.
zzgl. 6,90 € Versand (brutto)
einmalig pro Bestellung

Lieferzeit: 5 Werktage

Pos.
23
BOSCH Klebeschild | Ersatzteile für Bohrmaschine | 2601110080
Hersteller: BOSCH
Artikelnummer: EB-0601122048-2601110080
nur Informationsartikel
Nie mehr lieferbar
keine Alternativen
Pos.
25
BOSCH O-Ring 54,0x3,0 MM | Ersatzteile für Bohrmaschine | 1600210004
Hersteller: BOSCH
Artikelnummer: EB-0601122048-1600210004
Netto: 4,82 € zzgl. MwSt.
zzgl. 6,90 € Versand (brutto)
einmalig pro Bestellung

Lieferzeit: 5 Werktage

Pos.
27
BOSCH Filzring | Ersatzteile für Bohrmaschine | 2600205002
Hersteller: BOSCH
Artikelnummer: EB-0601122048-2600205002
nur Informationsartikel
Nie mehr lieferbar
keine Alternativen
Pos.
31
BOSCH Sicherungsring DIN 471-10x1MM-FSt | Ersatzteile für Bohrmaschine | 2916650001
Hersteller: BOSCH
Artikelnummer: EB-0601122048-2916650001
Netto: 4,53 € zzgl. MwSt.
zzgl. 6,90 € Versand (brutto)
einmalig pro Bestellung

Lieferzeit: 5 Werktage

Pos.
32
BOSCH Rillenkugellager 6200-2Z DIN 625 | Ersatzteile für Bohrmaschine | 1900905232
Hersteller: BOSCH
Artikelnummer: EB-0601122048-1900905232
Netto: 19,18 € zzgl. MwSt.
zzgl. 6,90 € Versand (brutto)
einmalig pro Bestellung

Lieferzeit: 5 Werktage

Pos.
33
BOSCH Torx-Linsenschraube 3x18 | Ersatzteile für Bohrmaschine | 2603490018
Hersteller: BOSCH
Artikelnummer: EB-0601122048-2603490018
nur Informationsartikel
Nie mehr lieferbar
keine Alternativen
Pos.
37
BOSCH Nadellager Ø8x8 MM | Ersatzteile für Bohrmaschine | 2600917003
Hersteller: BOSCH
Artikelnummer: EB-0601122048-2600917003
Netto: 4,82 € zzgl. MwSt.
zzgl. 6,90 € Versand (brutto)
einmalig pro Bestellung

Lieferzeit: 5 Werktage

Pos.
38
BOSCH Kugel DIN 5401-5 G28 | Ersatzteile für Bohrmaschine | 1903230009
Hersteller: BOSCH
Artikelnummer: EB-0601122048-1903230009
Netto: 3,63 € zzgl. MwSt.
zzgl. 6,90 € Versand (brutto)
einmalig pro Bestellung

Lieferzeit: 5 Werktage

Pos.
43
BOSCH Bürstenhalter-m-Entstörgl | Ersatzteile für Bohrmaschine | 2604465081
Hersteller: BOSCH
Artikelnummer: EB-0601122048-2604465081
nur Informationsartikel
Nie mehr lieferbar
keine Alternativen
Pos.
45
BOSCH Sinterbuchse | Ersatzteile für Bohrmaschine | 1900301004
Hersteller: BOSCH
Artikelnummer: EB-0601122048-1900301004
nur Informationsartikel
Nie mehr lieferbar
keine Alternativen
Pos.
46
BOSCH Zwischenplatte 0,3 MM | Ersatzteile für Bohrmaschine | 2601000018
Hersteller: BOSCH
Artikelnummer: EB-0601122048-2601000018
nur Informationsartikel
Nie mehr lieferbar
keine Alternativen
Pos.
47
BOSCH Druckplatte 1,5 MM | Ersatzteile für Bohrmaschine | 1601000013
Hersteller: BOSCH
Artikelnummer: EB-0601122048-1601000013
nur Informationsartikel
Nie mehr lieferbar
keine Alternativen
Pos.
48
BOSCH Schmierfilz | Ersatzteile für Bohrmaschine | 2601020005
Hersteller: BOSCH
Artikelnummer: EB-0601122048-2601020005
nur Informationsartikel
Nie mehr lieferbar
keine Alternativen
Pos.
51
BOSCH O-Ring 8,0x2,5 MM | Ersatzteile für Bohrmaschine | 1610210014
Hersteller: BOSCH
Artikelnummer: EB-0601122048-1610210014
nur Informationsartikel
Nie mehr lieferbar
keine Alternativen
Pos.
54
BOSCH Dämmplatte | Ersatzteile für Bohrmaschine | 2601022000
Hersteller: BOSCH
Artikelnummer: EB-0601122048-2601022000
nur Informationsartikel
Nie mehr lieferbar
keine Alternativen
Pos.
64
BOSCH Schraube 4x16 | Ersatzteile für Bohrmaschine | 2603490022
Hersteller: BOSCH
Artikelnummer: EB-0601122048-2603490022
Netto: 3,63 € zzgl. MwSt.
zzgl. 6,90 € Versand (brutto)
einmalig pro Bestellung

Lieferzeit: 5 Werktage

Pos.
66
BOSCH Torx-Linsenschraube 4x30 | Ersatzteile für Bohrmaschine | 2603490025
Hersteller: BOSCH
Artikelnummer: EB-0601122048-2603490025
Netto: 3,63 € zzgl. MwSt.
zzgl. 6,90 € Versand (brutto)
einmalig pro Bestellung

Lieferzeit: 5 Werktage

Pos.
68
BOSCH Verbindungsleitung L=154 MM WEISS | Ersatzteile für Bohrmaschine | 2604448000
Hersteller: BOSCH
Artikelnummer: EB-0601122048-2604448000
nur Informationsartikel
Nie mehr lieferbar
keine Alternativen
Pos.
69
BOSCH Zylinderschraube M3x6,5-4.8 | Ersatzteile für Bohrmaschine | 2603410001
Hersteller: BOSCH
Artikelnummer: EB-0601122048-2603410001
Netto: 3,94 € zzgl. MwSt.
zzgl. 6,90 € Versand (brutto)
einmalig pro Bestellung

Lieferzeit: 5 Werktage

Pos.
70
BOSCH Blechschraube DIN 7971-ST3,9x16-F | Ersatzteile für Bohrmaschine | 2910211019
Hersteller: BOSCH
Artikelnummer: EB-0601122048-2910211019
Netto: 3,63 € zzgl. MwSt.
zzgl. 6,90 € Versand (brutto)
einmalig pro Bestellung

Lieferzeit: 5 Werktage

Pos.
71
BOSCH Elektr Leitung | Ersatzteile für Bohrmaschine | 2604448003
Hersteller: BOSCH
Artikelnummer: EB-0601122048-2604448003
nur Informationsartikel
Nie mehr lieferbar
keine Alternativen
Pos.
75
BOSCH Lüfter | Ersatzteile für Bohrmaschine | 2606610047
Hersteller: BOSCH
Artikelnummer: EB-0601122048-2606610047
nur Informationsartikel
Nie mehr lieferbar
keine Alternativen
Pos.
85
BOSCH Sechskantmutter DIN 934-M6-8-A | Ersatzteile für Bohrmaschine | 2915011007
Hersteller: BOSCH
Artikelnummer: EB-0601122048-2915011007
Netto: 3,63 € zzgl. MwSt.
zzgl. 6,90 € Versand (brutto)
einmalig pro Bestellung

Lieferzeit: 5 Werktage

Pos.
86
BOSCH Aderendhülse DIN 46 228-A1-6 | Ersatzteile für Bohrmaschine | 1900452012
Hersteller: BOSCH
Artikelnummer: EB-0601122048-1900452012
Netto: 3,94 € zzgl. MwSt.
zzgl. 6,90 € Versand (brutto)
einmalig pro Bestellung

Lieferzeit: 5 Werktage

Pos.
801
BOSCH Gehäuseschale BLAU | Ersatzteile für Bohrmaschine | 2605104949
Hersteller: BOSCH
Artikelnummer: EB-0601122048-2605104949
nur Informationsartikel
Nie mehr lieferbar
keine Alternativen
Pos.
802
BOSCH Bohrspindel Z=46 | Ersatzteile für Bohrmaschine | 2606135901
Hersteller: BOSCH
Artikelnummer: EB-0601122048-2606135901
nur Informationsartikel
Nie mehr lieferbar
keine Alternativen
Pos.
803
BOSCH Lagerbrücke | Ersatzteile für Bohrmaschine | 2605807904
Hersteller: BOSCH
Artikelnummer: EB-0601122048-2605807904
nur Informationsartikel
Nie mehr lieferbar
keine Alternativen
Pos.
810
BOSCH Kohlebürstensatz | Ersatzteile für Bohrmaschine | 2604321904
Hersteller: BOSCH
Artikelnummer: EB-0601122048-2604321904
Netto: 9,18 € zzgl. MwSt.
zzgl. 6,90 € Versand (brutto)
einmalig pro Bestellung

Lieferzeit: 5 Werktage

Pos.
825
BOSCH Gummistopfen | Ersatzteile für Bohrmaschine | 2603239010
Hersteller: BOSCH
Artikelnummer: EB-0601122048-2603239010
nur Informationsartikel
Nie mehr lieferbar
keine Alternativen
Pos.
835
BOSCH Netzanschlussleitung EU 4,15m 2 x 1,0mm H07 RN-F | Ersatzteile für Bohrmaschine | 1607000227
Hersteller: BOSCH
Artikelnummer: EB-0601122048-1607000227
Netto: 21,16 € zzgl. MwSt.
zzgl. 6,90 € Versand (brutto)
einmalig pro Bestellung

Lieferzeit: 5 Werktage

Pos.
888
BOSCH Typschild | Ersatzteile für Bohrmaschine | 160111A3H3
Hersteller: BOSCH
Artikelnummer: EB-0601122048-160111A3H3
Netto: 4,53 € zzgl. MwSt.
zzgl. 6,90 € Versand (brutto)
einmalig pro Bestellung

Lieferzeit: 5 Werktage

Angaben zur Produktsicherheit

Hersteller:
Robert Bosch Power Tools GmbH
Postfach 30 02 20
70442 Stuttgart

E-Mail:
kontakt@bosch.de