BOSCH Blechschraube DIN 7981-3,9x19-C-Z-ST | Ersatzteile für Bohrmaschine | 2912401020

Artikelnummer: EB-0601124703-2912401020

Position: 59

Marke: BOSCH


Bitte Kompatibilität prüfen!

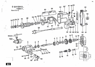
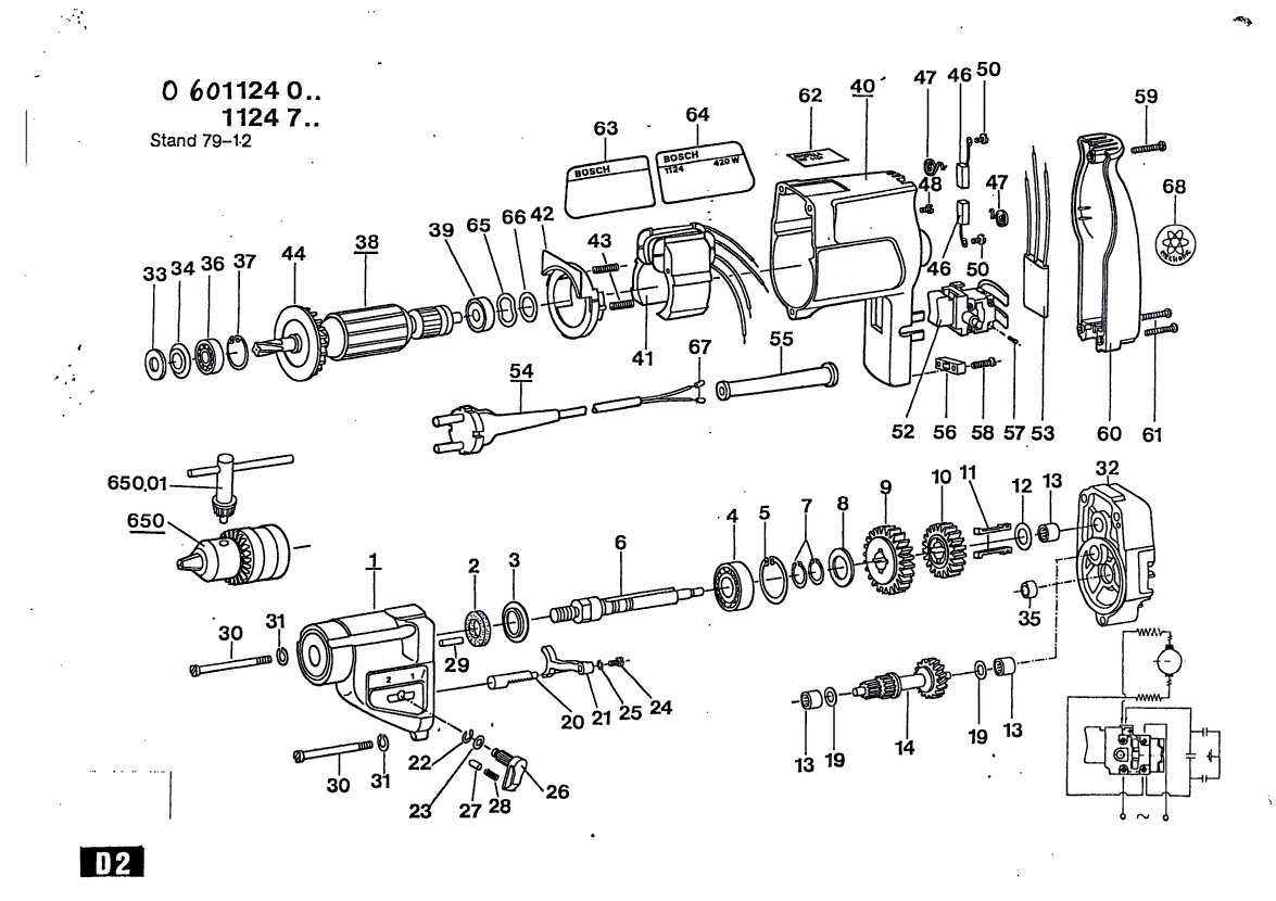
Bitte prüfen Sie unbedingt die 10-stellige Typennummer Ihrer Maschine / Ihres Gerätes. Das Ersatzteil ist nur kompatibel, wenn Sie die Typennummer Ihrer Maschine in der unten stehenden Produktbeschreibung finden.

Bitte prüfen Sie ebenfalls detailliert die Explosionszeichnung mit Ihrem Artikelwunsch und der jeweiligen Pos-Nummer.

Alle Elemente, welche vom schwarzen Strich der Pos-Nummer ausgehend berührt / erfasst werden, gehören zu dieser Pos-Nummer und somit zu diesem Artikel. Jede Pos-Nummer ist ein eigenständiger Artikel, welchen Sie in der Auflistung finden.

Sie erhalten stets die aktuellste, neueste Produktversion zu der gewählten Pos-Nummer seitens des Herstellers. Es kann daher je nach Gerätealter vorkommen, dass Sie ggf. weitere, zugehörige Elemente, welche an diese Pos-Nummer grenzen, ebenfalls mittauschen müssen.

Nähere Informationen finden Sie unter dem Link
Hinweise zu Ihrer BOSCH Ersatzteilsuche

Preisübersicht

Einzelpreis: 3,63 €* (Brutto: 4,32 €)
Gesamtpreis: 3,63 €* 
Position:

Lieferzeit: 5 Werktage


Beschreibung

  • Blechschraube DIN 7981-3,9x19-C-Z-ST
  • Original Bosch Zubehör / BOSCH Ersatzteil (2912401020)
  • im Gerät verbaut: 1
Dieses BOSCH Ersatzteil ist mit folgendem Gerät und Modell kompatibel:
  • BOSCH Gerätename: Bohrmaschine
  • BOSCH Explosionszeichnung: Position 59
  • BOSCH Typennummer: 0601124703
  • BOSCH Typennummer alternative Schreibweisen: 0 601 124 703, 0601 124 703, 0.601.124.703, 0-601-124-703
    Bitte prüfen Sie diese Typennummer auf Ihrem Gerät um die Kompatibilität des BOSCH Ersatzteils zu gewährleisten.
Weitere BOSCH Ersatzteile des Gerätes Bohrmaschine mit der Typennummer 0601124703 finden Sie in der nachfolgenden Darstellung und im Dropdown zu Ihrer Auswahl:

Pos.
1
BOSCH Getriebegehäuse | Ersatzteile für Bohrmaschine | 2605806960
Hersteller: BOSCH
Artikelnummer: EB-0601124703-2605806960
nur Informationsartikel
Nie mehr lieferbar
keine Alternativen
Pos.
650/01
BOSCH Bohrfutterschlüssel SG2 | Ersatzteile für Bohrmaschine | 2607950007
Hersteller: BOSCH
Artikelnummer: EB-0601124703-2607950007
Netto: 7,30 € zzgl. MwSt.
zzgl. 6,90 € Versand (brutto)
einmalig pro Bestellung

Lieferzeit: 5 Werktage

Pos.
2
BOSCH Filzscheibe | Ersatzteile für Bohrmaschine | 2600108075
Hersteller: BOSCH
Artikelnummer: EB-0601124703-2600108075
nur Informationsartikel
Nie mehr lieferbar
keine Alternativen
Pos.
3
BOSCH Tellerscheibe | Ersatzteile für Bohrmaschine | 2600500007
Hersteller: BOSCH
Artikelnummer: EB-0601124703-2600500007
nur Informationsartikel
Nie mehr lieferbar
keine Alternativen
Pos.
5
BOSCH Sicherungsring DIN 472-28x1,2 MM | Ersatzteile für Bohrmaschine | 2916660011
Hersteller: BOSCH
Artikelnummer: EB-0601124703-2916660011
Netto: 3,94 € zzgl. MwSt.
zzgl. 6,90 € Versand (brutto)
einmalig pro Bestellung

Lieferzeit: 5 Werktage

Pos.
6
BOSCH Bohrspindel | Ersatzteile für Bohrmaschine | 2606135006
Hersteller: BOSCH
Artikelnummer: EB-0601124703-2606135006
nur Informationsartikel
Nie mehr lieferbar
keine Alternativen
Pos.
7
BOSCH Sicherungsring DIN 471-12x1-FSt | Ersatzteile für Bohrmaschine | 2916650003
Hersteller: BOSCH
Artikelnummer: EB-0601124703-2916650003
Netto: 3,94 € zzgl. MwSt.
zzgl. 6,90 € Versand (brutto)
einmalig pro Bestellung

Lieferzeit: 5 Werktage

Pos.
8
BOSCH Ausgleichscheibe | Ersatzteile für Bohrmaschine | 2600101601
Hersteller: BOSCH
Artikelnummer: EB-0601124703-2600101601
Netto: 3,94 € zzgl. MwSt.
zzgl. 6,90 € Versand (brutto)
einmalig pro Bestellung

Lieferzeit: 5 Werktage

Pos.
9
BOSCH Stirnrad Z=38 | Ersatzteile für Bohrmaschine | 2606316101
Hersteller: BOSCH
Artikelnummer: EB-0601124703-2606316101
nur Informationsartikel
Nie mehr lieferbar
keine Alternativen
Pos.
10
BOSCH Stirnrad Z=32 | Ersatzteile für Bohrmaschine | 2606316100
Hersteller: BOSCH
Artikelnummer: EB-0601124703-2606316100
nur Informationsartikel
Nie mehr lieferbar
keine Alternativen
Pos.
11
BOSCH Flachkeil | Ersatzteile für Bohrmaschine | 2602300001
Hersteller: BOSCH
Artikelnummer: EB-0601124703-2602300001
nur Informationsartikel
Nie mehr lieferbar
keine Alternativen
Pos.
13
BOSCH Nadellager Ø6 MM | Ersatzteile für Bohrmaschine | 2600914010
Hersteller: BOSCH
Artikelnummer: EB-0601124703-2600914010
Netto: 4,82 € zzgl. MwSt.
zzgl. 6,90 € Versand (brutto)
einmalig pro Bestellung

Lieferzeit: 5 Werktage

Pos.
14
BOSCH Zahnwelle Z= 14/20/41 | Ersatzteile für Bohrmaschine | 2606308910
Hersteller: BOSCH
Artikelnummer: EB-0601124703-2606308910
nur Informationsartikel
Nie mehr lieferbar
keine Alternativen
Pos.
20
BOSCH Zahnstange | Ersatzteile für Bohrmaschine | 2603070010
Hersteller: BOSCH
Artikelnummer: EB-0601124703-2603070010
nur Informationsartikel
Nie mehr lieferbar
keine Alternativen
Pos.
21
BOSCH Gabelhebel | Ersatzteile für Bohrmaschine | 2602033001
Hersteller: BOSCH
Artikelnummer: EB-0601124703-2602033001
nur Informationsartikel
Nie mehr lieferbar
keine Alternativen
Pos.
22
BOSCH Sicherungsscheibe DIN 6799-4-FSt | Ersatzteile für Bohrmaschine | 2916080007
Hersteller: BOSCH
Artikelnummer: EB-0601124703-2916080007
Netto: 4,53 € zzgl. MwSt.
zzgl. 6,90 € Versand (brutto)
einmalig pro Bestellung

Lieferzeit: 5 Werktage

Pos.
24
BOSCH Zylinderschraube DIN 84-AM3x6-5.8 | Ersatzteile für Bohrmaschine | 2910011048
Hersteller: BOSCH
Artikelnummer: EB-0601124703-2910011048
Netto: 3,94 € zzgl. MwSt.
zzgl. 6,90 € Versand (brutto)
einmalig pro Bestellung

Lieferzeit: 5 Werktage

Pos.
25
BOSCH Federring A3-FSt | Ersatzteile für Bohrmaschine | 2916690001
Hersteller: BOSCH
Artikelnummer: EB-0601124703-2916690001
nur Informationsartikel
Nie mehr lieferbar
keine Alternativen
Pos.
26
BOSCH Drehknopf | Ersatzteile für Bohrmaschine | 2602026023
Hersteller: BOSCH
Artikelnummer: EB-0601124703-2602026023
nur Informationsartikel
Nie mehr lieferbar
keine Alternativen
Pos.
27
BOSCH Rastkappe | Ersatzteile für Bohrmaschine | 2600590006
Hersteller: BOSCH
Artikelnummer: EB-0601124703-2600590006
Netto: 3,94 € zzgl. MwSt.
zzgl. 6,90 € Versand (brutto)
einmalig pro Bestellung

Lieferzeit: 5 Werktage

Pos.
29
BOSCH Nadelrolle DIN 5402-A3x11,8-G2 | Ersatzteile für Bohrmaschine | 1903201042
Hersteller: BOSCH
Artikelnummer: EB-0601124703-1903201042
Netto: 4,32 € zzgl. MwSt.
zzgl. 6,90 € Versand (brutto)
einmalig pro Bestellung

Lieferzeit: 5 Werktage

Pos.
30
BOSCH Kombi-Schraube DIN 84-BM 4x35-Z4-8.8 | Ersatzteile für Bohrmaschine | 2914501027
Hersteller: BOSCH
Artikelnummer: EB-0601124703-2914501027
nur Informationsartikel
Nie mehr lieferbar
keine Alternativen
Pos.
30
BOSCH Zentrierhülse | Ersatzteile für Bohrmaschine | 2600409013
Hersteller: BOSCH
Artikelnummer: EB-0601124703-2600409013
nur Informationsartikel
Nie mehr lieferbar
keine Alternativen
Pos.
31
BOSCH Federring DIN 128-A4-FST | Ersatzteile für Bohrmaschine | 2916690003
Hersteller: BOSCH
Artikelnummer: EB-0601124703-2916690003
Netto: 3,63 € zzgl. MwSt.
zzgl. 6,90 € Versand (brutto)
einmalig pro Bestellung

Lieferzeit: 5 Werktage

Pos.
32
BOSCH Zwischenflansch | Ersatzteile für Bohrmaschine | 2605700927
Hersteller: BOSCH
Artikelnummer: EB-0601124703-2605700927
nur Informationsartikel
Nie mehr lieferbar
keine Alternativen
Pos.
33
BOSCH Filzscheibe | Ersatzteile für Bohrmaschine | 2600108000
Hersteller: BOSCH
Artikelnummer: EB-0601124703-2600108000
nur Informationsartikel
Nie mehr lieferbar
keine Alternativen
Pos.
34
BOSCH Tellerscheibe | Ersatzteile für Bohrmaschine | 2600500030
Hersteller: BOSCH
Artikelnummer: EB-0601124703-2600500030
nur Informationsartikel
Nie mehr lieferbar
keine Alternativen
Pos.
35
BOSCH Dichtbuchse | Ersatzteile für Bohrmaschine | 2600300049
Hersteller: BOSCH
Artikelnummer: EB-0601124703-2600300049
nur Informationsartikel
Nie mehr lieferbar
keine Alternativen
Pos.
37
BOSCH Sicherungsring | Ersatzteile für Bohrmaschine | 2600119000
Hersteller: BOSCH
Artikelnummer: EB-0601124703-2600119000
Netto: 3,94 € zzgl. MwSt.
zzgl. 6,90 € Versand (brutto)
einmalig pro Bestellung

Lieferzeit: 5 Werktage

Pos.
38
BOSCH Anker 220V | Ersatzteile für Bohrmaschine | 2604010537
Hersteller: BOSCH
Artikelnummer: EB-0601124703-2604010537
nur Informationsartikel
Nie mehr lieferbar
keine Alternativen
Pos.
39
BOSCH Kugellager 7x22x7 | Ersatzteile für Bohrmaschine | 1900905018
Hersteller: BOSCH
Artikelnummer: EB-0601124703-1900905018
Netto: 15,75 € zzgl. MwSt.
zzgl. 6,90 € Versand (brutto)
einmalig pro Bestellung

Lieferzeit: 5 Werktage

Pos.
40
BOSCH Motorgehäuse BLAU | Ersatzteile für Bohrmaschine | 2605104960
Hersteller: BOSCH
Artikelnummer: EB-0601124703-2605104960
nur Informationsartikel
Nie mehr lieferbar
keine Alternativen
Pos.
41
BOSCH Polschuh 220V | Ersatzteile für Bohrmaschine | 2604222298
Hersteller: BOSCH
Artikelnummer: EB-0601124703-2604222298
nur Informationsartikel
Nie mehr lieferbar
keine Alternativen
Pos.
42
BOSCH Abdeckscheibe | Ersatzteile für Bohrmaschine | 2601328041
Hersteller: BOSCH
Artikelnummer: EB-0601124703-2601328041
nur Informationsartikel
Nie mehr lieferbar
keine Alternativen
Pos.
43
BOSCH Druckfeder | Ersatzteile für Bohrmaschine | 2604611026
Hersteller: BOSCH
Artikelnummer: EB-0601124703-2604611026
nur Informationsartikel
Nie mehr lieferbar
keine Alternativen
Pos.
44
BOSCH Lüfter | Ersatzteile für Bohrmaschine | 2606610021
Hersteller: BOSCH
Artikelnummer: EB-0601124703-2606610021
nur Informationsartikel
Nie mehr lieferbar
keine Alternativen
Pos.
46
BOSCH Kohlebürstensatz | Ersatzteile für Bohrmaschine | 2604320902
Hersteller: BOSCH
Artikelnummer: EB-0601124703-2604320902
nur Informationsartikel
Nie mehr lieferbar
keine Alternativen
Pos.
47
BOSCH Spiralfeder | Ersatzteile für Bohrmaschine | 2604652002
Hersteller: BOSCH
Artikelnummer: EB-0601124703-2604652002
nur Informationsartikel
Nie mehr lieferbar
keine Alternativen
Pos.
48
BOSCH Blechschraube 2,2x6,5 | Ersatzteile für Bohrmaschine | 2603435016
Hersteller: BOSCH
Artikelnummer: EB-0601124703-2603435016
nur Informationsartikel
Nie mehr lieferbar
keine Alternativen
Pos.
50
BOSCH Kombi-Schraube DIN7985-M3x6-Z1-4.8 | Ersatzteile für Bohrmaschine | 2914501011
Hersteller: BOSCH
Artikelnummer: EB-0601124703-2914501011
Netto: 3,63 € zzgl. MwSt.
zzgl. 6,90 € Versand (brutto)
einmalig pro Bestellung

Lieferzeit: 5 Werktage

Pos.
52
BOSCH Ein/Aus-Schalter | Ersatzteile für Bohrmaschine | 2607200065
Hersteller: BOSCH
Artikelnummer: EB-0601124703-2607200065
nur Informationsartikel
Nie mehr lieferbar
keine Alternativen
Pos.
53
BOSCH Entstörfilter | Ersatzteile für Bohrmaschine | 2607329051
Hersteller: BOSCH
Artikelnummer: EB-0601124703-2607329051
nur Informationsartikel
Nie mehr lieferbar
keine Alternativen
Pos.
54
BOSCH Netzanschlussleitung EU 4,15m 2 x 1,0mm H07 RN-F | Ersatzteile für Bohrmaschine | 1607000227
Hersteller: BOSCH
Artikelnummer: EB-0601124703-1607000227
Netto: 21,16 € zzgl. MwSt.
zzgl. 6,90 € Versand (brutto)
einmalig pro Bestellung

Lieferzeit: 5 Werktage

Pos.
55
BOSCH Tülle Ø11,6-Ø12,5x84 MM | Ersatzteile für Bohrmaschine | 2600707060
Hersteller: BOSCH
Artikelnummer: EB-0601124703-2600707060
Netto: 4,53 € zzgl. MwSt.
zzgl. 6,90 € Versand (brutto)
einmalig pro Bestellung

Lieferzeit: 5 Werktage

Pos.
55
BOSCH Tülle Ø6,9 MM | Ersatzteile für Bohrmaschine | 2600707059
Hersteller: BOSCH
Artikelnummer: EB-0601124703-2600707059
Netto: 5,19 € zzgl. MwSt.
zzgl. 6,90 € Versand (brutto)
einmalig pro Bestellung

Lieferzeit: 5 Werktage

Pos.
55
BOSCH Tülle Ø8,8 MM | Ersatzteile für Bohrmaschine | 2600707061
Hersteller: BOSCH
Artikelnummer: EB-0601124703-2600707061
nur Informationsartikel
Nie mehr lieferbar
keine Alternativen
Pos.
56
BOSCH Leitungshalter | Ersatzteile für Bohrmaschine | 2601035001
Hersteller: BOSCH
Artikelnummer: EB-0601124703-2601035001
Netto: 3,94 € zzgl. MwSt.
zzgl. 6,90 € Versand (brutto)
einmalig pro Bestellung

Lieferzeit: 5 Werktage

Pos.
57
BOSCH Zylinderschraube M3x10 MM | Ersatzteile für Bohrmaschine | 2603410023
Hersteller: BOSCH
Artikelnummer: EB-0601124703-2603410023
nur Informationsartikel
Nie mehr lieferbar
keine Alternativen
Pos.
58
BOSCH Blechschraube DIN 7981-ST3,9x16-C-H | Ersatzteile für Bohrmaschine | 2910611019
Hersteller: BOSCH
Artikelnummer: EB-0601124703-2910611019
nur Informationsartikel
Nie mehr lieferbar
keine Alternativen
Pos.
59
BOSCH Blechschraube DIN 7981-3,9x19-C-Z-ST | Ersatzteile für Bohrmaschine | 2912401020
Hersteller: BOSCH
Artikelnummer: EB-0601124703-2912401020
Netto: 3,63 € zzgl. MwSt.
zzgl. 6,90 € Versand (brutto)
einmalig pro Bestellung

Lieferzeit: 5 Werktage

Pos.
60
BOSCH Gehäusedeckel BLAU | Ersatzteile für Bohrmaschine | 2605132017
Hersteller: BOSCH
Artikelnummer: EB-0601124703-2605132017
nur Informationsartikel
Nie mehr lieferbar
keine Alternativen
Pos.
61
BOSCH Torx-Linsenschraube 4x20 | Ersatzteile für Bohrmaschine | 2603490023
Hersteller: BOSCH
Artikelnummer: EB-0601124703-2603490023
Netto: 3,63 € zzgl. MwSt.
zzgl. 6,90 € Versand (brutto)
einmalig pro Bestellung

Lieferzeit: 5 Werktage

Pos.
62
BOSCH Typschild | Ersatzteile für Bohrmaschine | 160111A3H3
Hersteller: BOSCH
Artikelnummer: EB-0601124703-160111A3H3
Netto: 4,53 € zzgl. MwSt.
zzgl. 6,90 € Versand (brutto)
einmalig pro Bestellung

Lieferzeit: 5 Werktage

Pos.
63
BOSCH Firmenschild | Ersatzteile für Bohrmaschine | 2601110099
Hersteller: BOSCH
Artikelnummer: EB-0601124703-2601110099
nur Informationsartikel
Nie mehr lieferbar
keine Alternativen
Pos.
64
BOSCH Hinweisschild | Ersatzteile für Bohrmaschine | 2601110169
Hersteller: BOSCH
Artikelnummer: EB-0601124703-2601110169
nur Informationsartikel
Nie mehr lieferbar
keine Alternativen
Pos.
65
BOSCH Ausgleichscheibe | Ersatzteile für Bohrmaschine | 2600150004
Hersteller: BOSCH
Artikelnummer: EB-0601124703-2600150004
Netto: 4,32 € zzgl. MwSt.
zzgl. 6,90 € Versand (brutto)
einmalig pro Bestellung

Lieferzeit: 5 Werktage

Pos.
66
BOSCH Ausgleichscheibe 0,2 MM | Ersatzteile für Bohrmaschine | 2600101022
Hersteller: BOSCH
Artikelnummer: EB-0601124703-2600101022
Netto: 3,94 € zzgl. MwSt.
zzgl. 6,90 € Versand (brutto)
einmalig pro Bestellung

Lieferzeit: 5 Werktage

Pos.
66
BOSCH Ausgleichscheibe 0,3 MM | Ersatzteile für Bohrmaschine | 2600101023
Hersteller: BOSCH
Artikelnummer: EB-0601124703-2600101023
Netto: 3,94 € zzgl. MwSt.
zzgl. 6,90 € Versand (brutto)
einmalig pro Bestellung

Lieferzeit: 5 Werktage

Pos.
67
BOSCH Aderendhülse DIN 46 228-A1-6 | Ersatzteile für Bohrmaschine | 1900452012
Hersteller: BOSCH
Artikelnummer: EB-0601124703-1900452012
Netto: 3,94 € zzgl. MwSt.
zzgl. 6,90 € Versand (brutto)
einmalig pro Bestellung

Lieferzeit: 5 Werktage

Pos.
68
BOSCH Klebeschild GELB | Ersatzteile für Bohrmaschine | 2601110041
Hersteller: BOSCH
Artikelnummer: EB-0601124703-2601110041
nur Informationsartikel
Nie mehr lieferbar
keine Alternativen
Pos.
650
BOSCH Zahnkranzbohrfutter | Ersatzteile für Bohrmaschine 11 | 1607000F3W
Hersteller: BOSCH
Artikelnummer: EB-0601124703-1607000F3W
Netto: 29,45 € zzgl. MwSt.
zzgl. 6,90 € Versand (brutto)
einmalig pro Bestellung

Lieferzeit: 5 Werktage

Angaben zur Produktsicherheit

Hersteller:
Robert Bosch Power Tools GmbH
Postfach 30 02 20
70442 Stuttgart

E-Mail:
kontakt@bosch.de