BOSCH Elektr Leitung L=130 MM WEISS | Ersatzteile für Bohrmaschine | 2604448005

Artikelnummer: EB-0601125741-2604448005

Position: 41

Marke: BOSCH


Bitte Kompatibilität prüfen!

Bitte prüfen Sie unbedingt die 10-stellige Typennummer Ihrer Maschine / Ihres Gerätes. Das Ersatzteil ist nur kompatibel, wenn Sie die Typennummer Ihrer Maschine in der unten stehenden Produktbeschreibung finden.

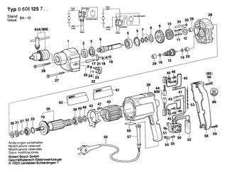
Bitte prüfen Sie ebenfalls detailliert die Explosionszeichnung mit Ihrem Artikelwunsch und der jeweiligen Pos-Nummer.

Alle Elemente, welche vom schwarzen Strich der Pos-Nummer ausgehend berührt / erfasst werden, gehören zu dieser Pos-Nummer und somit zu diesem Artikel. Jede Pos-Nummer ist ein eigenständiger Artikel, welchen Sie in der Auflistung finden.

Sie erhalten stets die aktuellste, neueste Produktversion zu der gewählten Pos-Nummer seitens des Herstellers. Es kann daher je nach Gerätealter vorkommen, dass Sie ggf. weitere, zugehörige Elemente, welche an diese Pos-Nummer grenzen, ebenfalls mittauschen müssen.

Nähere Informationen finden Sie unter dem Link
Hinweise zu Ihrer BOSCH Ersatzteilsuche

Preisübersicht

Einzelpreis: 3,94 €* (Brutto: 4,69 €)
Gesamtpreis: 3,94 €* 
Position:

Lieferzeit: 5 Werktage


Beschreibung

  • Elektr Leitung L=130 MM WEISS
  • Original Bosch Zubehör / BOSCH Ersatzteil (2604448005)
  • im Gerät verbaut: 1
Dieses BOSCH Ersatzteil ist mit folgendem Gerät und Modell kompatibel:
  • BOSCH Gerätename: Bohrmaschine
  • BOSCH Explosionszeichnung: Position 41
  • BOSCH Typennummer: 0601125741
  • BOSCH Typennummer alternative Schreibweisen: 0 601 125 741, 0601 125 741, 0.601.125.741, 0-601-125-741
    Bitte prüfen Sie diese Typennummer auf Ihrem Gerät um die Kompatibilität des BOSCH Ersatzteils zu gewährleisten.
Weitere BOSCH Ersatzteile des Gerätes Bohrmaschine mit der Typennummer 0601125741 finden Sie in der nachfolgenden Darstellung und im Dropdown zu Ihrer Auswahl:

Pos.
1
BOSCH Getriebegehäuse | Ersatzteile für Bohrmaschine | 2605806972
Hersteller: BOSCH
Artikelnummer: EB-0601125741-2605806972
nur Informationsartikel
Nie mehr lieferbar
keine Alternativen
Pos.
654/800
BOSCH Bohrfutterschlüssel SG2 | Ersatzteile für Bohrmaschine | 2607950007
Hersteller: BOSCH
Artikelnummer: EB-0601125741-2607950007
Netto: 7,30 € zzgl. MwSt.
zzgl. 6,90 € Versand (brutto)
einmalig pro Bestellung

Lieferzeit: 5 Werktage

Pos.
5
BOSCH Sicherungsbügel DIN 472-32x1,2 MM | Ersatzteile für Bohrmaschine | 2916660013
Hersteller: BOSCH
Artikelnummer: EB-0601125741-2916660013
Netto: 4,32 € zzgl. MwSt.
zzgl. 6,90 € Versand (brutto)
einmalig pro Bestellung

Lieferzeit: 5 Werktage

Pos.
6
BOSCH Bohrspindel 1/2", SW 17 | Ersatzteile für Bohrmaschine | 2606135011
Hersteller: BOSCH
Artikelnummer: EB-0601125741-2606135011
nur Informationsartikel
Nie mehr lieferbar
keine Alternativen
Pos.
7
BOSCH Sicherungsbügel DIN 471-15x1-FSt | Ersatzteile für Bohrmaschine | 2916650006
Hersteller: BOSCH
Artikelnummer: EB-0601125741-2916650006
Netto: 3,94 € zzgl. MwSt.
zzgl. 6,90 € Versand (brutto)
einmalig pro Bestellung

Lieferzeit: 5 Werktage

Pos.
9
BOSCH Stirnrad | Ersatzteile für Bohrmaschine | 2606316316
Hersteller: BOSCH
Artikelnummer: EB-0601125741-2606316316
Netto: 24,13 € zzgl. MwSt.
zzgl. 6,90 € Versand (brutto)
einmalig pro Bestellung

Lieferzeit: 5 Werktage

Pos.
10
BOSCH Stirnrad Z=42 | Ersatzteile für Bohrmaschine | 2606316103
Hersteller: BOSCH
Artikelnummer: EB-0601125741-2606316103
nur Informationsartikel
Nie mehr lieferbar
keine Alternativen
Pos.
11
BOSCH Flachkeil | Ersatzteile für Bohrmaschine | 2602300033
Hersteller: BOSCH
Artikelnummer: EB-0601125741-2602300033
Netto: 6,70 € zzgl. MwSt.
zzgl. 6,90 € Versand (brutto)
einmalig pro Bestellung

Lieferzeit: 5 Werktage

Pos.
13
BOSCH Zahnwelle Z= 11/23/29 | Ersatzteile für Bohrmaschine | 2606308912
Hersteller: BOSCH
Artikelnummer: EB-0601125741-2606308912
nur Informationsartikel
Nie mehr lieferbar
keine Alternativen
Pos.
17
BOSCH Zahnstange | Ersatzteile für Bohrmaschine | 2603070010
Hersteller: BOSCH
Artikelnummer: EB-0601125741-2603070010
nur Informationsartikel
Nie mehr lieferbar
keine Alternativen
Pos.
18
BOSCH Gabelhebel | Ersatzteile für Bohrmaschine | 2602033002
Hersteller: BOSCH
Artikelnummer: EB-0601125741-2602033002
nur Informationsartikel
Nie mehr lieferbar
keine Alternativen
Pos.
19
BOSCH Kombi-Schraube DIN7985-M3x6-Z1-4.8 | Ersatzteile für Bohrmaschine | 2914501011
Hersteller: BOSCH
Artikelnummer: EB-0601125741-2914501011
Netto: 3,63 € zzgl. MwSt.
zzgl. 6,90 € Versand (brutto)
einmalig pro Bestellung

Lieferzeit: 5 Werktage

Pos.
21
BOSCH Drehknopf | Ersatzteile für Bohrmaschine | 2602026023
Hersteller: BOSCH
Artikelnummer: EB-0601125741-2602026023
nur Informationsartikel
Nie mehr lieferbar
keine Alternativen
Pos.
22
BOSCH Rastkappe | Ersatzteile für Bohrmaschine | 2600590006
Hersteller: BOSCH
Artikelnummer: EB-0601125741-2600590006
Netto: 3,94 € zzgl. MwSt.
zzgl. 6,90 € Versand (brutto)
einmalig pro Bestellung

Lieferzeit: 5 Werktage

Pos.
25
BOSCH Sicherungsscheibe DIN 6799-4-FSt | Ersatzteile für Bohrmaschine | 2916080007
Hersteller: BOSCH
Artikelnummer: EB-0601125741-2916080007
Netto: 4,53 € zzgl. MwSt.
zzgl. 6,90 € Versand (brutto)
einmalig pro Bestellung

Lieferzeit: 5 Werktage

Pos.
26
BOSCH Schaftschraube | Ersatzteile für Bohrmaschine | 2603435017
Hersteller: BOSCH
Artikelnummer: EB-0601125741-2603435017
Netto: 4,53 € zzgl. MwSt.
zzgl. 6,90 € Versand (brutto)
einmalig pro Bestellung

Lieferzeit: 5 Werktage

Pos.
27
BOSCH Schaftschraube | Ersatzteile für Bohrmaschine | 2603435018
Hersteller: BOSCH
Artikelnummer: EB-0601125741-2603435018
nur Informationsartikel
Nie mehr lieferbar
keine Alternativen
Pos.
28
BOSCH Zwischenflansch | Ersatzteile für Bohrmaschine | 2605700932
Hersteller: BOSCH
Artikelnummer: EB-0601125741-2605700932
nur Informationsartikel
Nie mehr lieferbar
keine Alternativen
Pos.
31
BOSCH Tellerscheibe | Ersatzteile für Bohrmaschine | 2600500002
Hersteller: BOSCH
Artikelnummer: EB-0601125741-2600500002
Netto: 3,94 € zzgl. MwSt.
zzgl. 6,90 € Versand (brutto)
einmalig pro Bestellung

Lieferzeit: 5 Werktage

Pos.
32
BOSCH Rillenkugellager 9x24x7 | Ersatzteile für Bohrmaschine | 2600905021
Hersteller: BOSCH
Artikelnummer: EB-0601125741-2600905021
Netto: 8,33 € zzgl. MwSt.
zzgl. 6,90 € Versand (brutto)
einmalig pro Bestellung

Lieferzeit: 5 Werktage

Pos.
33
BOSCH Sicherungsring DIN 472-24x1,2 MM | Ersatzteile für Bohrmaschine | 2916660008
Hersteller: BOSCH
Artikelnummer: EB-0601125741-2916660008
Netto: 4,32 € zzgl. MwSt.
zzgl. 6,90 € Versand (brutto)
einmalig pro Bestellung

Lieferzeit: 5 Werktage

Pos.
34
BOSCH Haltestift | Ersatzteile für Bohrmaschine | 2603100036
Hersteller: BOSCH
Artikelnummer: EB-0601125741-2603100036
nur Informationsartikel
Nie mehr lieferbar
keine Alternativen
Pos.
35
BOSCH Rollensatz | Ersatzteile für Bohrmaschine | 1619P01375
Hersteller: BOSCH
Artikelnummer: EB-0601125741-1619P01375
Netto: 9,95 € zzgl. MwSt.
zzgl. 6,90 € Versand (brutto)
einmalig pro Bestellung

Lieferzeit: 5 Werktage

Pos.
35
BOSCH Sicherungsscheibe DIN 6799-2,3 | Ersatzteile für Bohrmaschine | 2916080005
Hersteller: BOSCH
Artikelnummer: EB-0601125741-2916080005
Netto: 8,72 € zzgl. MwSt.
zzgl. 6,90 € Versand (brutto)
einmalig pro Bestellung

Lieferzeit: 5 Werktage

Pos.
36
BOSCH Anker 110-115V | Ersatzteile für Bohrmaschine | 2604010573
Hersteller: BOSCH
Artikelnummer: EB-0601125741-2604010573
nur Informationsartikel
Nie mehr lieferbar
keine Alternativen
Pos.
38
BOSCH Kugellager 7x22x7 | Ersatzteile für Bohrmaschine | 1900905018
Hersteller: BOSCH
Artikelnummer: EB-0601125741-1900905018
Netto: 15,75 € zzgl. MwSt.
zzgl. 6,90 € Versand (brutto)
einmalig pro Bestellung

Lieferzeit: 5 Werktage

Pos.
39
BOSCH Motorgehäuse BLAU | Ersatzteile für Bohrmaschine | 2605104116
Hersteller: BOSCH
Artikelnummer: EB-0601125741-2605104116
nur Informationsartikel
Nie mehr lieferbar
keine Alternativen
Pos.
40
BOSCH Polschuh 110-120V | Ersatzteile für Bohrmaschine | 2604220428
Hersteller: BOSCH
Artikelnummer: EB-0601125741-2604220428
nur Informationsartikel
Nie mehr lieferbar
keine Alternativen
Pos.
41
BOSCH Elektr Leitung L=130 MM WEISS | Ersatzteile für Bohrmaschine | 2604448005
Hersteller: BOSCH
Artikelnummer: EB-0601125741-2604448005
Netto: 3,94 € zzgl. MwSt.
zzgl. 6,90 € Versand (brutto)
einmalig pro Bestellung

Lieferzeit: 5 Werktage

Pos.
43
BOSCH Entstörglied | Ersatzteile für Bohrmaschine | 2604465025
Hersteller: BOSCH
Artikelnummer: EB-0601125741-2604465025
nur Informationsartikel
Nie mehr lieferbar
keine Alternativen
Pos.
46
BOSCH Torx-Linsenschraube 3x10 | Ersatzteile für Bohrmaschine | 2603490017
Hersteller: BOSCH
Artikelnummer: EB-0601125741-2603490017
Netto: 4,32 € zzgl. MwSt.
zzgl. 6,90 € Versand (brutto)
einmalig pro Bestellung

Lieferzeit: 5 Werktage

Pos.
47
BOSCH Kreuzschlitzschraube DIN 7981-ST3,5x9,5-F | Ersatzteile für Bohrmaschine | 2603435015
Hersteller: BOSCH
Artikelnummer: EB-0601125741-2603435015
Netto: 4,32 € zzgl. MwSt.
zzgl. 6,90 € Versand (brutto)
einmalig pro Bestellung

Lieferzeit: 5 Werktage

Pos.
50
BOSCH Ein/Aus-Schalter | Ersatzteile für Bohrmaschine | 2607200372
Hersteller: BOSCH
Artikelnummer: EB-0601125741-2607200372
nur Informationsartikel
Nie mehr lieferbar
keine Alternativen
Pos.
51
BOSCH Zylinderschraube M3x6,5-4.8 | Ersatzteile für Bohrmaschine | 2603410001
Hersteller: BOSCH
Artikelnummer: EB-0601125741-2603410001
Netto: 3,94 € zzgl. MwSt.
zzgl. 6,90 € Versand (brutto)
einmalig pro Bestellung

Lieferzeit: 5 Werktage

Pos.
52
BOSCH Entstörfilter | Ersatzteile für Bohrmaschine | 2607329096
Hersteller: BOSCH
Artikelnummer: EB-0601125741-2607329096
Netto: 7,76 € zzgl. MwSt.
zzgl. 6,90 € Versand (brutto)
einmalig pro Bestellung

Lieferzeit: 5 Werktage

Pos.
53
BOSCH Elektr Leitung | Ersatzteile für Bohrmaschine | 2604448003
Hersteller: BOSCH
Artikelnummer: EB-0601125741-2604448003
nur Informationsartikel
Nie mehr lieferbar
keine Alternativen
Pos.
54
BOSCH Leitungshalter | Ersatzteile für Bohrmaschine | 2601035001
Hersteller: BOSCH
Artikelnummer: EB-0601125741-2601035001
Netto: 3,94 € zzgl. MwSt.
zzgl. 6,90 € Versand (brutto)
einmalig pro Bestellung

Lieferzeit: 5 Werktage

Pos.
55
BOSCH Blechschraube DIN 7971-ST3,9x16-F | Ersatzteile für Bohrmaschine | 2910211019
Hersteller: BOSCH
Artikelnummer: EB-0601125741-2910211019
Netto: 3,63 € zzgl. MwSt.
zzgl. 6,90 € Versand (brutto)
einmalig pro Bestellung

Lieferzeit: 5 Werktage

Pos.
56
BOSCH Netzanschlussleitung | Ersatzteile für Bohrmaschine | 3604460141
Hersteller: BOSCH
Artikelnummer: EB-0601125741-3604460141
nur Informationsartikel
Nie mehr lieferbar
keine Alternativen
Pos.
57
BOSCH Tülle Ø6,5-Ø6,9x95 MM | Ersatzteile für Bohrmaschine | 2600703012
Hersteller: BOSCH
Artikelnummer: EB-0601125741-2600703012
Netto: 4,82 € zzgl. MwSt.
zzgl. 6,90 € Versand (brutto)
einmalig pro Bestellung

Lieferzeit: 5 Werktage

Pos.
57
BOSCH Tülle Ø7,6-Ø8,2x95 MM | Ersatzteile für Bohrmaschine | 2600703013
Hersteller: BOSCH
Artikelnummer: EB-0601125741-2600703013
Netto: 4,53 € zzgl. MwSt.
zzgl. 6,90 € Versand (brutto)
einmalig pro Bestellung

Lieferzeit: 5 Werktage

Pos.
57
BOSCH Tülle Ø8,3-Ø9,4x95 MM | Ersatzteile für Bohrmaschine | 2600703011
Hersteller: BOSCH
Artikelnummer: EB-0601125741-2600703011
Netto: 4,82 € zzgl. MwSt.
zzgl. 6,90 € Versand (brutto)
einmalig pro Bestellung

Lieferzeit: 5 Werktage

Pos.
58
BOSCH Gehäusedeckel BLAU | Ersatzteile für Bohrmaschine | 2605132040
Hersteller: BOSCH
Artikelnummer: EB-0601125741-2605132040
nur Informationsartikel
Nie mehr lieferbar
keine Alternativen
Pos.
59
BOSCH Blechschraube DIN 7971-ST3,9x22-F | Ersatzteile für Bohrmaschine | 2910211021
Hersteller: BOSCH
Artikelnummer: EB-0601125741-2910211021
Netto: 3,94 € zzgl. MwSt.
zzgl. 6,90 € Versand (brutto)
einmalig pro Bestellung

Lieferzeit: 5 Werktage

Pos.
60
BOSCH Typschild | Ersatzteile für Bohrmaschine | 160111A3H3
Hersteller: BOSCH
Artikelnummer: EB-0601125741-160111A3H3
Netto: 4,53 € zzgl. MwSt.
zzgl. 6,90 € Versand (brutto)
einmalig pro Bestellung

Lieferzeit: 5 Werktage

Pos.
65
BOSCH Blechschraube DIN 7971-BZ3,9x25 | Ersatzteile für Bohrmaschine | 2910211022
Hersteller: BOSCH
Artikelnummer: EB-0601125741-2910211022
Netto: 3,63 € zzgl. MwSt.
zzgl. 6,90 € Versand (brutto)
einmalig pro Bestellung

Lieferzeit: 5 Werktage

Pos.
70
BOSCH Lüfter | Ersatzteile für Bohrmaschine | 2606610049
Hersteller: BOSCH
Artikelnummer: EB-0601125741-2606610049
Netto: 4,32 € zzgl. MwSt.
zzgl. 6,90 € Versand (brutto)
einmalig pro Bestellung

Lieferzeit: 5 Werktage

Pos.
653
BOSCH Zusatzhandgriff SCHWARZ | Ersatzteile für Bohrmaschine | 2602025031
Hersteller: BOSCH
Artikelnummer: EB-0601125741-2602025031
nur Informationsartikel
Nie mehr lieferbar
keine Alternativen
Pos.
800
BOSCH Kohlebürstensatz | Ersatzteile für Bohrmaschine | 2604321905
Hersteller: BOSCH
Artikelnummer: EB-0601125741-2604321905
Netto: 9,18 € zzgl. MwSt.
zzgl. 6,90 € Versand (brutto)
einmalig pro Bestellung

Lieferzeit: 5 Werktage

Angaben zur Produktsicherheit

Hersteller:
Robert Bosch Power Tools GmbH
Postfach 30 02 20
70442 Stuttgart

E-Mail:
kontakt@bosch.de