BOSCH Sicherungsbügel DIN 472-32x1,2 MM | Ersatzteile für Bohrmaschine | 2916660013

Artikelnummer: EB-0601127738-2916660013

Position: 5

Marke: BOSCH


Bitte Kompatibilität prüfen!

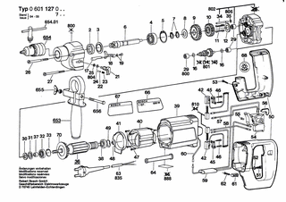
Bitte prüfen Sie unbedingt die 10-stellige Typennummer Ihrer Maschine / Ihres Gerätes. Das Ersatzteil ist nur kompatibel, wenn Sie die Typennummer Ihrer Maschine in der unten stehenden Produktbeschreibung finden.

Bitte prüfen Sie ebenfalls detailliert die Explosionszeichnung mit Ihrem Artikelwunsch und der jeweiligen Pos-Nummer.

Alle Elemente, welche vom schwarzen Strich der Pos-Nummer ausgehend berührt / erfasst werden, gehören zu dieser Pos-Nummer und somit zu diesem Artikel. Jede Pos-Nummer ist ein eigenständiger Artikel, welchen Sie in der Auflistung finden.

Sie erhalten stets die aktuellste, neueste Produktversion zu der gewählten Pos-Nummer seitens des Herstellers. Es kann daher je nach Gerätealter vorkommen, dass Sie ggf. weitere, zugehörige Elemente, welche an diese Pos-Nummer grenzen, ebenfalls mittauschen müssen.

Nähere Informationen finden Sie unter dem Link
Hinweise zu Ihrer BOSCH Ersatzteilsuche

Preisübersicht

Einzelpreis: 4,32 €* (Brutto: 5,14 €)
Gesamtpreis: 4,32 €* 
Position:

Lieferzeit: 5 Werktage


Beschreibung

  • Sicherungsbügel DIN 472-32x1,2 MM
  • Original Bosch Zubehör / BOSCH Ersatzteil (2916660013)
  • im Gerät verbaut: 1
Dieses BOSCH Ersatzteil ist mit folgendem Gerät und Modell kompatibel:
  • BOSCH Gerätename: Bohrmaschine
  • BOSCH Explosionszeichnung: Position 5
  • BOSCH Typennummer: 0601127738
  • BOSCH Typennummer alternative Schreibweisen: 0 601 127 738, 0601 127 738, 0.601.127.738, 0-601-127-738
    Bitte prüfen Sie diese Typennummer auf Ihrem Gerät um die Kompatibilität des BOSCH Ersatzteils zu gewährleisten.
Weitere BOSCH Ersatzteile des Gerätes Bohrmaschine mit der Typennummer 0601127738 finden Sie in der nachfolgenden Darstellung und im Dropdown zu Ihrer Auswahl:

Pos.
654/01
BOSCH Bohrfutterschlüssel SG2 | Ersatzteile für Bohrmaschine | 2607950007
Hersteller: BOSCH
Artikelnummer: EB-0601127738-2607950007
Netto: 7,30 € zzgl. MwSt.
zzgl. 6,90 € Versand (brutto)
einmalig pro Bestellung

Lieferzeit: 5 Werktage

Pos.
2
BOSCH Filzring | Ersatzteile für Bohrmaschine | 2600108076
Hersteller: BOSCH
Artikelnummer: EB-0601127738-2600108076
nur Informationsartikel
Nie mehr lieferbar
keine Alternativen
Pos.
3
BOSCH Tellerscheibe | Ersatzteile für Bohrmaschine | 2600550019
Hersteller: BOSCH
Artikelnummer: EB-0601127738-2600550019
nur Informationsartikel
Nie mehr lieferbar
keine Alternativen
Pos.
4
BOSCH Kugellager Ø15 MM | Ersatzteile für Bohrmaschine | 1900905110
Hersteller: BOSCH
Artikelnummer: EB-0601127738-1900905110
Netto: 9,18 € zzgl. MwSt.
zzgl. 6,90 € Versand (brutto)
einmalig pro Bestellung

Lieferzeit: 5 Werktage

Pos.
5
BOSCH Sicherungsbügel DIN 472-32x1,2 MM | Ersatzteile für Bohrmaschine | 2916660013
Hersteller: BOSCH
Artikelnummer: EB-0601127738-2916660013
Netto: 4,32 € zzgl. MwSt.
zzgl. 6,90 € Versand (brutto)
einmalig pro Bestellung

Lieferzeit: 5 Werktage

Pos.
8
BOSCH Ausgleichscheibe 0,5 MM | Ersatzteile für Bohrmaschine | 2600100695
Hersteller: BOSCH
Artikelnummer: EB-0601127738-2600100695
Netto: 3,94 € zzgl. MwSt.
zzgl. 6,90 € Versand (brutto)
einmalig pro Bestellung

Lieferzeit: 5 Werktage

Pos.
11
BOSCH Flachkeil | Ersatzteile für Bohrmaschine | 2602300033
Hersteller: BOSCH
Artikelnummer: EB-0601127738-2602300033
Netto: 6,70 € zzgl. MwSt.
zzgl. 6,90 € Versand (brutto)
einmalig pro Bestellung

Lieferzeit: 5 Werktage

Pos.
12
BOSCH Ausgleichscheibe 1,5 MM | Ersatzteile für Bohrmaschine | 2600101668
Hersteller: BOSCH
Artikelnummer: EB-0601127738-2600101668
Netto: 4,82 € zzgl. MwSt.
zzgl. 6,90 € Versand (brutto)
einmalig pro Bestellung

Lieferzeit: 5 Werktage

Pos.
16
BOSCH Ausgleichscheibe 0,3 MM | Ersatzteile für Bohrmaschine | 2600100570
Hersteller: BOSCH
Artikelnummer: EB-0601127738-2600100570
Netto: 3,94 € zzgl. MwSt.
zzgl. 6,90 € Versand (brutto)
einmalig pro Bestellung

Lieferzeit: 5 Werktage

Pos.
18
BOSCH Gabelhebel | Ersatzteile für Bohrmaschine | 2602033002
Hersteller: BOSCH
Artikelnummer: EB-0601127738-2602033002
nur Informationsartikel
Nie mehr lieferbar
keine Alternativen
Pos.
21
BOSCH Drehknopf | Ersatzteile für Bohrmaschine | 2602026023
Hersteller: BOSCH
Artikelnummer: EB-0601127738-2602026023
nur Informationsartikel
Nie mehr lieferbar
keine Alternativen
Pos.
23
BOSCH Rastkappe | Ersatzteile für Bohrmaschine | 2600590006
Hersteller: BOSCH
Artikelnummer: EB-0601127738-2600590006
Netto: 3,94 € zzgl. MwSt.
zzgl. 6,90 € Versand (brutto)
einmalig pro Bestellung

Lieferzeit: 5 Werktage

Pos.
24
BOSCH Distanzscheibe | Ersatzteile für Bohrmaschine | 2600100618
Hersteller: BOSCH
Artikelnummer: EB-0601127738-2600100618
Netto: 3,63 € zzgl. MwSt.
zzgl. 6,90 € Versand (brutto)
einmalig pro Bestellung

Lieferzeit: 5 Werktage

Pos.
29
BOSCH Nadellager Ø6 MM | Ersatzteile für Bohrmaschine | 2600914010
Hersteller: BOSCH
Artikelnummer: EB-0601127738-2600914010
Netto: 4,82 € zzgl. MwSt.
zzgl. 6,90 € Versand (brutto)
einmalig pro Bestellung

Lieferzeit: 5 Werktage

Pos.
30
BOSCH Filzring | Ersatzteile für Bohrmaschine | 2600108002
Hersteller: BOSCH
Artikelnummer: EB-0601127738-2600108002
Netto: 3,94 € zzgl. MwSt.
zzgl. 6,90 € Versand (brutto)
einmalig pro Bestellung

Lieferzeit: 5 Werktage

Pos.
31
BOSCH Tellerscheibe | Ersatzteile für Bohrmaschine | 2600500002
Hersteller: BOSCH
Artikelnummer: EB-0601127738-2600500002
Netto: 3,94 € zzgl. MwSt.
zzgl. 6,90 € Versand (brutto)
einmalig pro Bestellung

Lieferzeit: 5 Werktage

Pos.
32
BOSCH Rillenkugellager 9x24x7 | Ersatzteile für Bohrmaschine | 2600905021
Hersteller: BOSCH
Artikelnummer: EB-0601127738-2600905021
Netto: 8,33 € zzgl. MwSt.
zzgl. 6,90 € Versand (brutto)
einmalig pro Bestellung

Lieferzeit: 5 Werktage

Pos.
35
BOSCH Rollensatz | Ersatzteile für Drill | 1619P01375
Hersteller: BOSCH
Artikelnummer: EB-0601127738-1619P01375
Netto: 9,95 € zzgl. MwSt.
zzgl. 6,90 € Versand (brutto)
einmalig pro Bestellung

Lieferzeit: 5 Werktage

Pos.
35
BOSCH Sicherungsscheibe DIN 6799-3,2 | Ersatzteile für Bohrmaschine | 2916080906
Hersteller: BOSCH
Artikelnummer: EB-0601127738-2916080906
Netto: 3,63 € zzgl. MwSt.
zzgl. 6,90 € Versand (brutto)
einmalig pro Bestellung

Lieferzeit: 5 Werktage

Pos.
37
BOSCH Steckhülse | Ersatzteile für Bohrmaschine | 2600400008
Hersteller: BOSCH
Artikelnummer: EB-0601127738-2600400008
Netto: 3,94 € zzgl. MwSt.
zzgl. 6,90 € Versand (brutto)
einmalig pro Bestellung

Lieferzeit: 5 Werktage

Pos.
38
BOSCH Kugellager 7x22x7 | Ersatzteile für Bohrmaschine | 1900905018
Hersteller: BOSCH
Artikelnummer: EB-0601127738-1900905018
Netto: 15,75 € zzgl. MwSt.
zzgl. 6,90 € Versand (brutto)
einmalig pro Bestellung

Lieferzeit: 5 Werktage

Pos.
41
BOSCH Abdeckscheibe | Ersatzteile für Bohrmaschine | 2601328033
Hersteller: BOSCH
Artikelnummer: EB-0601127738-2601328033
nur Informationsartikel
Nie mehr lieferbar
keine Alternativen
Pos.
45
BOSCH Bürstenplatte | Ersatzteile für Bohrmaschine | 2601015047
Hersteller: BOSCH
Artikelnummer: EB-0601127738-2601015047
nur Informationsartikel
Nie mehr lieferbar
keine Alternativen
Pos.
46
BOSCH Torx-Linsenschraube 3x10 | Ersatzteile für Bohrmaschine | 2603490017
Hersteller: BOSCH
Artikelnummer: EB-0601127738-2603490017
Netto: 4,32 € zzgl. MwSt.
zzgl. 6,90 € Versand (brutto)
einmalig pro Bestellung

Lieferzeit: 5 Werktage

Pos.
48
BOSCH Ausgleichscheibe 0,2 MM | Ersatzteile für Bohrmaschine | 2600101022
Hersteller: BOSCH
Artikelnummer: EB-0601127738-2600101022
Netto: 3,94 € zzgl. MwSt.
zzgl. 6,90 € Versand (brutto)
einmalig pro Bestellung

Lieferzeit: 5 Werktage

Pos.
48
BOSCH Ausgleichscheibe 0,3 MM | Ersatzteile für Bohrmaschine | 2600101023
Hersteller: BOSCH
Artikelnummer: EB-0601127738-2600101023
Netto: 3,94 € zzgl. MwSt.
zzgl. 6,90 € Versand (brutto)
einmalig pro Bestellung

Lieferzeit: 5 Werktage

Pos.
48
BOSCH Ausgleichscheibe 0,5 MM | Ersatzteile für Bohrmaschine | 2600101020
Hersteller: BOSCH
Artikelnummer: EB-0601127738-2600101020
Netto: 3,94 € zzgl. MwSt.
zzgl. 6,90 € Versand (brutto)
einmalig pro Bestellung

Lieferzeit: 5 Werktage

Pos.
49
BOSCH Ausgleichscheibe | Ersatzteile für Bohrmaschine | 2600150004
Hersteller: BOSCH
Artikelnummer: EB-0601127738-2600150004
Netto: 4,32 € zzgl. MwSt.
zzgl. 6,90 € Versand (brutto)
einmalig pro Bestellung

Lieferzeit: 5 Werktage

Pos.
53
BOSCH Blechschraube DIN 7981-3,9x19-C-Z-ST | Ersatzteile für Bohrmaschine | 2912401020
Hersteller: BOSCH
Artikelnummer: EB-0601127738-2912401020
Netto: 3,63 € zzgl. MwSt.
zzgl. 6,90 € Versand (brutto)
einmalig pro Bestellung

Lieferzeit: 5 Werktage

Pos.
55
BOSCH Zylinderschraube M3x6,5-4.8 | Ersatzteile für Bohrmaschine | 2603410001
Hersteller: BOSCH
Artikelnummer: EB-0601127738-2603410001
Netto: 3,94 € zzgl. MwSt.
zzgl. 6,90 € Versand (brutto)
einmalig pro Bestellung

Lieferzeit: 5 Werktage

Pos.
56
BOSCH Dämmplatte | Ersatzteile für Bohrmaschine | 2601022000
Hersteller: BOSCH
Artikelnummer: EB-0601127738-2601022000
nur Informationsartikel
Nie mehr lieferbar
keine Alternativen
Pos.
61
BOSCH Leitungshalter | Ersatzteile für Bohrmaschine | 2601035001
Hersteller: BOSCH
Artikelnummer: EB-0601127738-2601035001
Netto: 3,94 € zzgl. MwSt.
zzgl. 6,90 € Versand (brutto)
einmalig pro Bestellung

Lieferzeit: 5 Werktage

Pos.
64
BOSCH Tülle Ø11,6-Ø12,5x84 MM | Ersatzteile für Bohrmaschine | 2600707060
Hersteller: BOSCH
Artikelnummer: EB-0601127738-2600707060
Netto: 4,53 € zzgl. MwSt.
zzgl. 6,90 € Versand (brutto)
einmalig pro Bestellung

Lieferzeit: 5 Werktage

Pos.
64
BOSCH Tülle Ø6,9 MM | Ersatzteile für Bohrmaschine | 2600707059
Hersteller: BOSCH
Artikelnummer: EB-0601127738-2600707059
Netto: 5,19 € zzgl. MwSt.
zzgl. 6,90 € Versand (brutto)
einmalig pro Bestellung

Lieferzeit: 5 Werktage

Pos.
64
BOSCH Tülle Ø8,8 MM | Ersatzteile für Bohrmaschine | 2600707061
Hersteller: BOSCH
Artikelnummer: EB-0601127738-2600707061
nur Informationsartikel
Nie mehr lieferbar
keine Alternativen
Pos.
66
BOSCH Klebeschild | Ersatzteile für Bohrmaschine | 2601110247
Hersteller: BOSCH
Artikelnummer: EB-0601127738-2601110247
nur Informationsartikel
Nie mehr lieferbar
keine Alternativen
Pos.
67
BOSCH Klebeschild | Ersatzteile für Bohrmaschine | 2601110093
Hersteller: BOSCH
Artikelnummer: EB-0601127738-2601110093
nur Informationsartikel
Nie mehr lieferbar
keine Alternativen
Pos.
68
BOSCH Klebeschild GELB | Ersatzteile für Bohrmaschine | 2601110041
Hersteller: BOSCH
Artikelnummer: EB-0601127738-2601110041
nur Informationsartikel
Nie mehr lieferbar
keine Alternativen
Pos.
70
BOSCH Lüfter | Ersatzteile für Bohrmaschine | 2606610049
Hersteller: BOSCH
Artikelnummer: EB-0601127738-2606610049
Netto: 4,32 € zzgl. MwSt.
zzgl. 6,90 € Versand (brutto)
einmalig pro Bestellung

Lieferzeit: 5 Werktage

Pos.
653
BOSCH Zusatzhandgriff SCHWARZ | Ersatzteile für Bohrmaschine | 2602025031
Hersteller: BOSCH
Artikelnummer: EB-0601127738-2602025031
nur Informationsartikel
Nie mehr lieferbar
keine Alternativen
Pos.
654
BOSCH Zahnkranzbohrfutter Ø 1,5-13 MM,1/2" | Ersatzteile für Bohrmaschine | 1608571048
Hersteller: BOSCH
Artikelnummer: EB-0601127738-1608571048
Netto: 36,01 € zzgl. MwSt.
zzgl. 6,90 € Versand (brutto)
einmalig pro Bestellung

Lieferzeit: 5 Werktage

Pos.
810
BOSCH Kohlebürstensatz | Ersatzteile für Bohrmaschine | 2604321905
Hersteller: BOSCH
Artikelnummer: EB-0601127738-2604321905
Netto: 9,18 € zzgl. MwSt.
zzgl. 6,90 € Versand (brutto)
einmalig pro Bestellung

Lieferzeit: 5 Werktage

Pos.
888
BOSCH Typschild | Ersatzteile für Bohrmaschine | 160111A3H3
Hersteller: BOSCH
Artikelnummer: EB-0601127738-160111A3H3
Netto: 4,53 € zzgl. MwSt.
zzgl. 6,90 € Versand (brutto)
einmalig pro Bestellung

Lieferzeit: 5 Werktage

Angaben zur Produktsicherheit

Hersteller:
Robert Bosch Power Tools GmbH
Postfach 30 02 20
70442 Stuttgart

E-Mail:
kontakt@bosch.de