BOSCH Rillenkugellager 10x26x8 | Ersatzteile für Bohrmaschine | 1900905127

Artikelnummer: EB-0601130038-1900905127

Position: 58

Marke: BOSCH


Bitte Kompatibilität prüfen!

Bitte prüfen Sie unbedingt die 10-stellige Typennummer Ihrer Maschine / Ihres Gerätes. Das Ersatzteil ist nur kompatibel, wenn Sie die Typennummer Ihrer Maschine in der unten stehenden Produktbeschreibung finden.

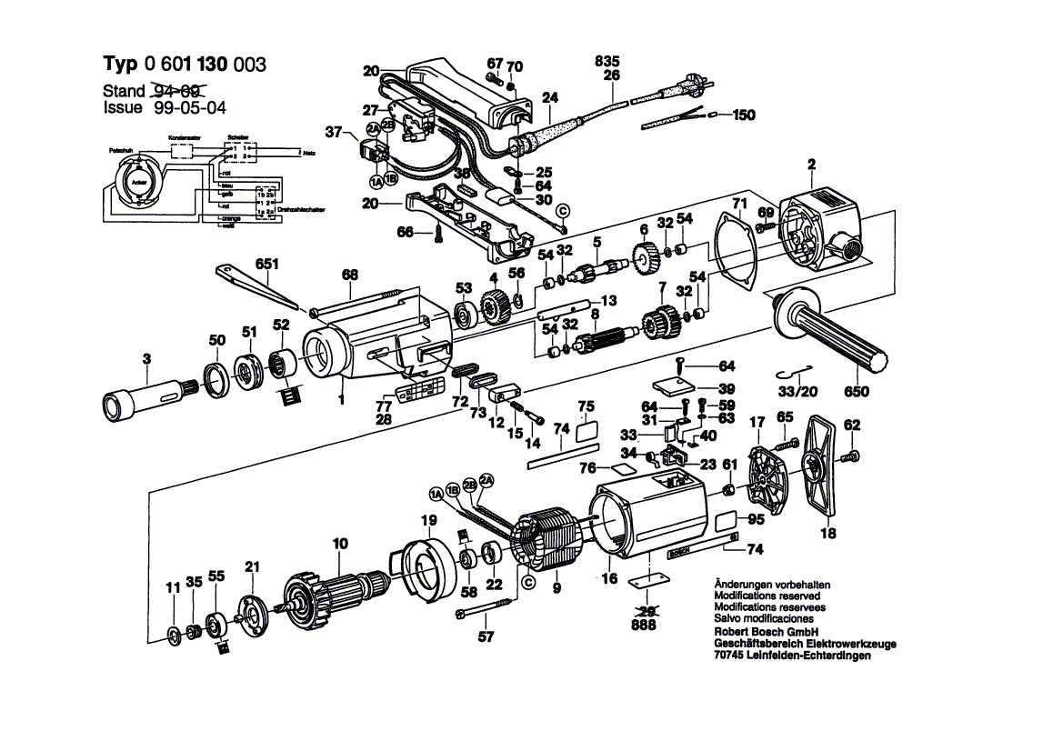
Bitte prüfen Sie ebenfalls detailliert die Explosionszeichnung mit Ihrem Artikelwunsch und der jeweiligen Pos-Nummer.

Alle Elemente, welche vom schwarzen Strich der Pos-Nummer ausgehend berührt / erfasst werden, gehören zu dieser Pos-Nummer und somit zu diesem Artikel. Jede Pos-Nummer ist ein eigenständiger Artikel, welchen Sie in der Auflistung finden.

Sie erhalten stets die aktuellste, neueste Produktversion zu der gewählten Pos-Nummer seitens des Herstellers. Es kann daher je nach Gerätealter vorkommen, dass Sie ggf. weitere, zugehörige Elemente, welche an diese Pos-Nummer grenzen, ebenfalls mittauschen müssen.

Nähere Informationen finden Sie unter dem Link
Hinweise zu Ihrer BOSCH Ersatzteilsuche

Preisübersicht

Einzelpreis: 23,72 €* (Brutto: 28,23 €)
Gesamtpreis: 23,72 €* 
Position:

Lieferzeit: 5 Werktage


Beschreibung

  • Rillenkugellager 10x26x8
  • Original Bosch Zubehör / BOSCH Ersatzteil (1900905127)
  • im Gerät verbaut: 1
Dieses BOSCH Ersatzteil ist mit folgendem Gerät und Modell kompatibel:
  • BOSCH Gerätename: Bohrmaschine
  • BOSCH Explosionszeichnung: Position 58
  • BOSCH Typennummer: 0601130038
  • BOSCH Typennummer alternative Schreibweisen: 0 601 130 038, 0601 130 038, 0.601.130.038, 0-601-130-038
    Bitte prüfen Sie diese Typennummer auf Ihrem Gerät um die Kompatibilität des BOSCH Ersatzteils zu gewährleisten.
Weitere BOSCH Ersatzteile des Gerätes Bohrmaschine mit der Typennummer 0601130038 finden Sie in der nachfolgenden Darstellung und im Dropdown zu Ihrer Auswahl:

Pos.
1
BOSCH Spindellager | Ersatzteile für Bohrmaschine | 1609330066
Hersteller: BOSCH
Artikelnummer: EB-0601130038-1609330066
nur Informationsartikel
Nie mehr lieferbar
keine Alternativen
Pos.
2
BOSCH Zwischenlager | Ersatzteile für Bohrmaschine | 1609330067
Hersteller: BOSCH
Artikelnummer: EB-0601130038-1609330067
nur Informationsartikel
Nie mehr lieferbar
keine Alternativen
Pos.
3
BOSCH Bohrspindel | Ersatzteile für Bohrmaschine | 1609330068
Hersteller: BOSCH
Artikelnummer: EB-0601130038-1609330068
nur Informationsartikel
Nie mehr lieferbar
keine Alternativen
Pos.
4
BOSCH Stirnrad Z=32 | Ersatzteile für Bohrmaschine | 1609330069
Hersteller: BOSCH
Artikelnummer: EB-0601130038-1609330069
nur Informationsartikel
Nie mehr lieferbar
keine Alternativen
Pos.
5
BOSCH Welle Mit Zahnrad Z=16 | Ersatzteile für Bohrmaschine | 1609330070
Hersteller: BOSCH
Artikelnummer: EB-0601130038-1609330070
nur Informationsartikel
Nie mehr lieferbar
keine Alternativen
Pos.
6
BOSCH Stirnrad Z=38 | Ersatzteile für Bohrmaschine | 1609330071
Hersteller: BOSCH
Artikelnummer: EB-0601130038-1609330071
nur Informationsartikel
Nie mehr lieferbar
keine Alternativen
Pos.
7
BOSCH Stirnrad Z=27/33 | Ersatzteile für Bohrmaschine | 1609330072
Hersteller: BOSCH
Artikelnummer: EB-0601130038-1609330072
nur Informationsartikel
Nie mehr lieferbar
keine Alternativen
Pos.
8
BOSCH Welle Mit Zahnrad Z=10/16 | Ersatzteile für Bohrmaschine | 1609330073
Hersteller: BOSCH
Artikelnummer: EB-0601130038-1609330073
nur Informationsartikel
Nie mehr lieferbar
keine Alternativen
Pos.
9
BOSCH Polschuh 100-110V | Ersatzteile für Bohrmaschine | 1609330100
Hersteller: BOSCH
Artikelnummer: EB-0601130038-1609330100
nur Informationsartikel
Nie mehr lieferbar
keine Alternativen
Pos.
10
BOSCH Anker Mit Lüfter 100-110V | Ersatzteile für Bohrmaschine | 1609330101
Hersteller: BOSCH
Artikelnummer: EB-0601130038-1609330101
nur Informationsartikel
Nie mehr lieferbar
keine Alternativen
Pos.
11
BOSCH Dichtring | Ersatzteile für Bohrmaschine | 1609330076
Hersteller: BOSCH
Artikelnummer: EB-0601130038-1609330076
nur Informationsartikel
Nie mehr lieferbar
keine Alternativen
Pos.
12
BOSCH Schalthebel | Ersatzteile für Bohrmaschine | 1609330077
Hersteller: BOSCH
Artikelnummer: EB-0601130038-1609330077
nur Informationsartikel
Nie mehr lieferbar
keine Alternativen
Pos.
13
BOSCH Schaltachse | Ersatzteile für Bohrmaschine | 1609330078
Hersteller: BOSCH
Artikelnummer: EB-0601130038-1609330078
nur Informationsartikel
Nie mehr lieferbar
keine Alternativen
Pos.
14
BOSCH Zylinderschraube | Ersatzteile für Bohrmaschine | 1609330079
Hersteller: BOSCH
Artikelnummer: EB-0601130038-1609330079
nur Informationsartikel
Nie mehr lieferbar
keine Alternativen
Pos.
15
BOSCH Druckfeder | Ersatzteile für Bohrmaschine | 1609330080
Hersteller: BOSCH
Artikelnummer: EB-0601130038-1609330080
nur Informationsartikel
Nie mehr lieferbar
keine Alternativen
Pos.
16
BOSCH Motorgehäuse | Ersatzteile für Bohrmaschine | 1609330081
Hersteller: BOSCH
Artikelnummer: EB-0601130038-1609330081
nur Informationsartikel
Nie mehr lieferbar
keine Alternativen
Pos.
17
BOSCH Gehäusedeckel | Ersatzteile für Bohrmaschine | 1609330082
Hersteller: BOSCH
Artikelnummer: EB-0601130038-1609330082
nur Informationsartikel
Nie mehr lieferbar
keine Alternativen
Pos.
18
BOSCH Druckplatte | Ersatzteile für Bohrmaschine | 1609330083
Hersteller: BOSCH
Artikelnummer: EB-0601130038-1609330083
nur Informationsartikel
Nie mehr lieferbar
keine Alternativen
Pos.
19
BOSCH Luftleitring | Ersatzteile für Bohrmaschine | 1609330084
Hersteller: BOSCH
Artikelnummer: EB-0601130038-1609330084
nur Informationsartikel
Nie mehr lieferbar
keine Alternativen
Pos.
20
BOSCH Handgriff | Ersatzteile für Bohrmaschine | 1609330085
Hersteller: BOSCH
Artikelnummer: EB-0601130038-1609330085
nur Informationsartikel
Nie mehr lieferbar
keine Alternativen
Pos.
21
BOSCH Lagerdeckel | Ersatzteile für Bohrmaschine | 1609330086
Hersteller: BOSCH
Artikelnummer: EB-0601130038-1609330086
nur Informationsartikel
Nie mehr lieferbar
keine Alternativen
Pos.
22
BOSCH Gummiring | Ersatzteile für Bohrmaschine | 1609330087
Hersteller: BOSCH
Artikelnummer: EB-0601130038-1609330087
nur Informationsartikel
Nie mehr lieferbar
keine Alternativen
Pos.
23
BOSCH Bürstenhalter | Ersatzteile für Bohrmaschine | 1604336008
Hersteller: BOSCH
Artikelnummer: EB-0601130038-1604336008
nur Informationsartikel
Nie mehr lieferbar
keine Alternativen
Pos.
24
BOSCH Tülle Ø9,2-Ø12x120 MM | Ersatzteile für Bohrmaschine | 3600703011
Hersteller: BOSCH
Artikelnummer: EB-0601130038-3600703011
Netto: 4,80 € zzgl. MwSt.
zzgl. 6,90 € Versand (brutto)
einmalig pro Bestellung

Lieferzeit: 5 Werktage

Pos.
25
BOSCH Befestigungsschelle | Ersatzteile für Bohrmaschine | 1601302014
Hersteller: BOSCH
Artikelnummer: EB-0601130038-1601302014
Netto: 4,56 € zzgl. MwSt.
zzgl. 6,90 € Versand (brutto)
einmalig pro Bestellung

Lieferzeit: 5 Werktage

Pos.
26
BOSCH Netzanschlussleitung J 4,2m 2 x 1,25mm Gummi | Ersatzteile für Bohrmaschine | 1604460134
Hersteller: BOSCH
Artikelnummer: EB-0601130038-1604460134
nur Informationsartikel
Nie mehr lieferbar
keine Alternativen
Pos.
27
BOSCH Schalter | Ersatzteile für Bohrmaschine | 1607200037
Hersteller: BOSCH
Artikelnummer: EB-0601130038-1607200037
Netto: 38,40 € zzgl. MwSt.
zzgl. 6,90 € Versand (brutto)
einmalig pro Bestellung

Lieferzeit: 5 Werktage

Pos.
28
BOSCH Klebeschild | Ersatzteile für Bohrmaschine | 1601110344
Hersteller: BOSCH
Artikelnummer: EB-0601130038-1601110344
nur Informationsartikel
Nie mehr lieferbar
keine Alternativen
Pos.
30
BOSCH Entstörfilter | Ersatzteile für Bohrmaschine | 1607328028
Hersteller: BOSCH
Artikelnummer: EB-0601130038-1607328028
Netto: 6,27 € zzgl. MwSt.
zzgl. 6,90 € Versand (brutto)
einmalig pro Bestellung

Lieferzeit: 5 Werktage

Pos.
31
BOSCH Sicherungsblech | Ersatzteile für Bohrmaschine | 1601030022
Hersteller: BOSCH
Artikelnummer: EB-0601130038-1601030022
nur Informationsartikel
Nie mehr lieferbar
keine Alternativen
Pos.
32
BOSCH Ausgleichscheibe | Ersatzteile für Bohrmaschine | 1609330089
Hersteller: BOSCH
Artikelnummer: EB-0601130038-1609330089
nur Informationsartikel
Nie mehr lieferbar
keine Alternativen
Pos.
33
BOSCH Kohlebürstensatz | Ersatzteile für Bohrmaschine | 1607014103
Hersteller: BOSCH
Artikelnummer: EB-0601130038-1607014103
nur Informationsartikel
Nie mehr lieferbar
keine Alternativen
Pos.
34
BOSCH Spiralfeder | Ersatzteile für Bohrmaschine | 1604652015
Hersteller: BOSCH
Artikelnummer: EB-0601130038-1604652015
nur Informationsartikel
Nie mehr lieferbar
keine Alternativen
Pos.
35
BOSCH Distanzbuchse | Ersatzteile für Bohrmaschine | 1609330092
Hersteller: BOSCH
Artikelnummer: EB-0601130038-1609330092
nur Informationsartikel
Nie mehr lieferbar
keine Alternativen
Pos.
36
BOSCH Netzanschlussleitung | Ersatzteile für 1130 | 1604431001
Hersteller: BOSCH
Artikelnummer: EB-0601130038-1604431001
Netto: 7,57 € zzgl. MwSt.
zzgl. 6,90 € Versand (brutto)
einmalig pro Bestellung

Lieferzeit: 5 Werktage

Pos.
37
BOSCH Umkehrschalter | Ersatzteile für Bohrmaschine | 1609330093
Hersteller: BOSCH
Artikelnummer: EB-0601130038-1609330093
nur Informationsartikel
Nie mehr lieferbar
keine Alternativen
Pos.
38
BOSCH Isolierstreifen 33x10x6 MM | Ersatzteile für Bohrmaschine | 1602381001
Hersteller: BOSCH
Artikelnummer: EB-0601130038-1602381001
nur Informationsartikel
Nie mehr lieferbar
keine Alternativen
Pos.
39
BOSCH Verschlussdeckel BLAU | Ersatzteile für Bohrmaschine | 1605500089
Hersteller: BOSCH
Artikelnummer: EB-0601130038-1605500089
nur Informationsartikel
Nie mehr lieferbar
keine Alternativen
Pos.
50
BOSCH Dichtring | Ersatzteile für Bohrmaschine | 1609330102
Hersteller: BOSCH
Artikelnummer: EB-0601130038-1609330102
nur Informationsartikel
Nie mehr lieferbar
keine Alternativen
Pos.
51
BOSCH Axialrillenkugellager 30x47x11 | Ersatzteile für Bohrmaschine | 1900920003
Hersteller: BOSCH
Artikelnummer: EB-0601130038-1900920003
nur Informationsartikel
Nie mehr lieferbar
keine Alternativen
Pos.
52
BOSCH Nadelhülse | Ersatzteile für Bohrmaschine | 1609330094
Hersteller: BOSCH
Artikelnummer: EB-0601130038-1609330094
nur Informationsartikel
Nie mehr lieferbar
keine Alternativen
Pos.
53
BOSCH Rillenkugellager | Ersatzteile für Bohrmaschine | 1609330103
Hersteller: BOSCH
Artikelnummer: EB-0601130038-1609330103
nur Informationsartikel
Nie mehr lieferbar
keine Alternativen
Pos.
54
BOSCH Nadellager Ø14 MM | Ersatzteile für Bohrmaschine | 2600910001
Hersteller: BOSCH
Artikelnummer: EB-0601130038-2600910001
nur Informationsartikel
Nie mehr lieferbar
keine Alternativen
Pos.
55
BOSCH Rillenkugellager 15x35x11 | Ersatzteile für Bohrmaschine | 1900905226
Hersteller: BOSCH
Artikelnummer: EB-0601130038-1900905226
Netto: 23,72 € zzgl. MwSt.
zzgl. 6,90 € Versand (brutto)
einmalig pro Bestellung

Lieferzeit: 5 Werktage

Pos.
57
BOSCH Blechschraube BZ4,8x63 MM | Ersatzteile für Bohrmaschine | 1603435008
Hersteller: BOSCH
Artikelnummer: EB-0601130038-1603435008
Netto: 3,95 € zzgl. MwSt.
zzgl. 6,90 € Versand (brutto)
einmalig pro Bestellung

Lieferzeit: 5 Werktage

Pos.
58
BOSCH Rillenkugellager 10x26x8 | Ersatzteile für Bohrmaschine | 1900905127
Hersteller: BOSCH
Artikelnummer: EB-0601130038-1900905127
Netto: 23,72 € zzgl. MwSt.
zzgl. 6,90 € Versand (brutto)
einmalig pro Bestellung

Lieferzeit: 5 Werktage

Pos.
59
BOSCH Zylinderschraube DIN 84-AM4x8-8.8 | Ersatzteile für Bohrmaschine | 2910021118
Hersteller: BOSCH
Artikelnummer: EB-0601130038-2910021118
nur Informationsartikel
Nie mehr lieferbar
keine Alternativen
Pos.
61
BOSCH Sechskantmutter DIN 985-M8-8 | Ersatzteile für Bohrmaschine | 2915061005
Hersteller: BOSCH
Artikelnummer: EB-0601130038-2915061005
Netto: 4,56 € zzgl. MwSt.
zzgl. 6,90 € Versand (brutto)
einmalig pro Bestellung

Lieferzeit: 5 Werktage

Pos.
62
BOSCH Innensechskantschraube DIN 912-M8x18-8.8 | Ersatzteile für Bohrmaschine | 2910141240
Hersteller: BOSCH
Artikelnummer: EB-0601130038-2910141240
nur Informationsartikel
Nie mehr lieferbar
keine Alternativen
Pos.
63
BOSCH Federscheibe DIN 137-A 4-ST | Ersatzteile für Bohrmaschine | 2916060005
Hersteller: BOSCH
Artikelnummer: EB-0601130038-2916060005
Netto: 3,60 € zzgl. MwSt.
zzgl. 6,90 € Versand (brutto)
einmalig pro Bestellung

Lieferzeit: 5 Werktage

Pos.
64
BOSCH Blechschraube DIN 7971-BZ3,5x13 | Ersatzteile für Bohrmaschine | 2910211011
Hersteller: BOSCH
Artikelnummer: EB-0601130038-2910211011
Netto: 3,60 € zzgl. MwSt.
zzgl. 6,90 € Versand (brutto)
einmalig pro Bestellung

Lieferzeit: 5 Werktage

Pos.
65
BOSCH Blechschraube DIN 7971-ST4,8x25-F | Ersatzteile für Bohrmaschine | 2910211036
Hersteller: BOSCH
Artikelnummer: EB-0601130038-2910211036
Netto: 3,60 € zzgl. MwSt.
zzgl. 6,90 € Versand (brutto)
einmalig pro Bestellung

Lieferzeit: 5 Werktage

Pos.
66
BOSCH Blechschraube DIN 7971-B 3,9x19 | Ersatzteile für Bohrmaschine | 2910211220
Hersteller: BOSCH
Artikelnummer: EB-0601130038-2910211220
nur Informationsartikel
Nie mehr lieferbar
keine Alternativen
Pos.
67
BOSCH Zylinderschraube DIN 84-AM5x20-5.8 | Ersatzteile für Bohrmaschine | 2910011162
Hersteller: BOSCH
Artikelnummer: EB-0601130038-2910011162
Netto: 3,60 € zzgl. MwSt.
zzgl. 6,90 € Versand (brutto)
einmalig pro Bestellung

Lieferzeit: 5 Werktage

Pos.
68
BOSCH Blechschraube B4,8x115 MM | Ersatzteile für Bohrmaschine | 1603435015
Hersteller: BOSCH
Artikelnummer: EB-0601130038-1603435015
nur Informationsartikel
Nie mehr lieferbar
keine Alternativen
Pos.
69
BOSCH Zylinderschraube DIN 84-AM5x15-5.8 | Ersatzteile für Bohrmaschine | 2910011157
Hersteller: BOSCH
Artikelnummer: EB-0601130038-2910011157
nur Informationsartikel
Nie mehr lieferbar
keine Alternativen
Pos.
71
BOSCH Flachdichtring | Ersatzteile für Bohrmaschine | 1609330095
Hersteller: BOSCH
Artikelnummer: EB-0601130038-1609330095
nur Informationsartikel
Nie mehr lieferbar
keine Alternativen
Pos.
72
BOSCH Dichtung | Ersatzteile für Bohrmaschine | 1609330096
Hersteller: BOSCH
Artikelnummer: EB-0601130038-1609330096
nur Informationsartikel
Nie mehr lieferbar
keine Alternativen
Pos.
73
BOSCH Halterahmen | Ersatzteile für Bohrmaschine | 1609330097
Hersteller: BOSCH
Artikelnummer: EB-0601130038-1609330097
nur Informationsartikel
Nie mehr lieferbar
keine Alternativen
Pos.
74
BOSCH Firmenschild | Ersatzteile für Bohrmaschine | 1601110004
Hersteller: BOSCH
Artikelnummer: EB-0601130038-1601110004
nur Informationsartikel
Nie mehr lieferbar
keine Alternativen
Pos.
650
BOSCH Zusatzhandgriff | Ersatzteile für Bohrmaschine | 1609330045
Hersteller: BOSCH
Artikelnummer: EB-0601130038-1609330045
nur Informationsartikel
Nie mehr lieferbar
keine Alternativen
Pos.
651
BOSCH Austreiber | Ersatzteile für Bohrmaschine | 1609330046
Hersteller: BOSCH
Artikelnummer: EB-0601130038-1609330046
nur Informationsartikel
Nie mehr lieferbar
keine Alternativen
Pos.
888
BOSCH Typschild | Ersatzteile für Bohrmaschine | 160111A3H3
Hersteller: BOSCH
Artikelnummer: EB-0601130038-160111A3H3
Netto: 4,56 € zzgl. MwSt.
zzgl. 6,90 € Versand (brutto)
einmalig pro Bestellung

Lieferzeit: 5 Werktage

Angaben zur Produktsicherheit

Hersteller:
Robert Bosch Power Tools GmbH
Postfach 30 02 20
70442 Stuttgart

E-Mail:
kontakt@bosch.de