BOSCH Nadellager Ø6 MM | Ersatzteile für Bohrschrauber | 2600914010

Artikelnummer: EB-0601407037-2600914010

Position: 9

Marke: BOSCH


Bitte Kompatibilität prüfen!

Bitte prüfen Sie unbedingt die 10-stellige Typennummer Ihrer Maschine / Ihres Gerätes. Das Ersatzteil ist nur kompatibel, wenn Sie die Typennummer Ihrer Maschine in der unten stehenden Produktbeschreibung finden.

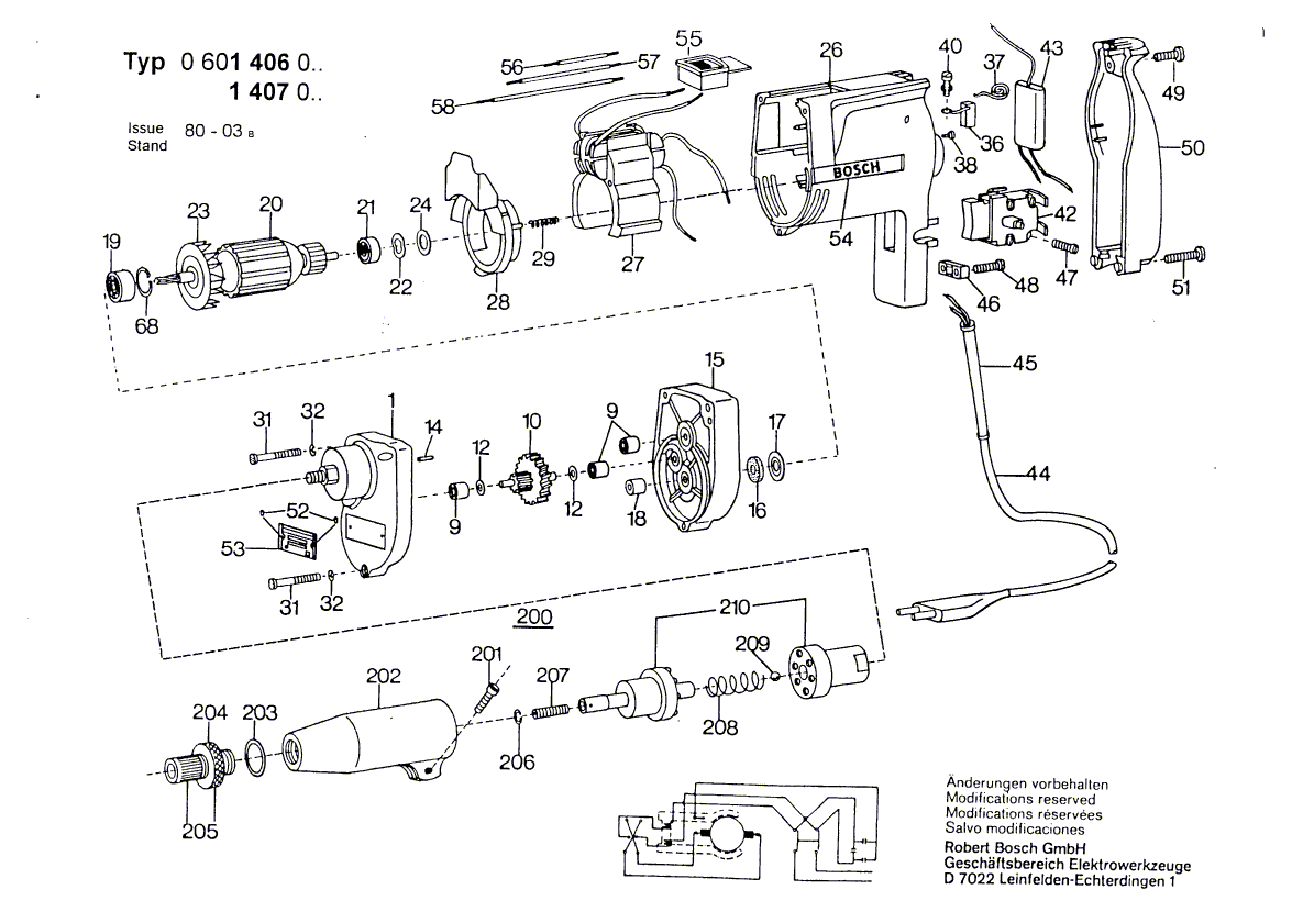
Bitte prüfen Sie ebenfalls detailliert die Explosionszeichnung mit Ihrem Artikelwunsch und der jeweiligen Pos-Nummer.

Alle Elemente, welche vom schwarzen Strich der Pos-Nummer ausgehend berührt / erfasst werden, gehören zu dieser Pos-Nummer und somit zu diesem Artikel. Jede Pos-Nummer ist ein eigenständiger Artikel, welchen Sie in der Auflistung finden.

Sie erhalten stets die aktuellste, neueste Produktversion zu der gewählten Pos-Nummer seitens des Herstellers. Es kann daher je nach Gerätealter vorkommen, dass Sie ggf. weitere, zugehörige Elemente, welche an diese Pos-Nummer grenzen, ebenfalls mittauschen müssen.

Nähere Informationen finden Sie unter dem Link
Hinweise zu Ihrer BOSCH Ersatzteilsuche

Preisübersicht

Einzelpreis: 4,82 €* (Brutto: 5,74 €)
Gesamtpreis: 4,82 €* 
Position:

Lieferzeit: 5 Werktage


Beschreibung

  • Nadellager Ø6 MM
  • Original Bosch Zubehör / BOSCH Ersatzteil (2600914010)
  • im Gerät verbaut: 1
Dieses BOSCH Ersatzteil ist mit folgendem Gerät und Modell kompatibel:
  • BOSCH Gerätename: Bohrschrauber
  • BOSCH Explosionszeichnung: Position 9
  • BOSCH Typennummer: 0601407037
  • BOSCH Typennummer alternative Schreibweisen: 0 601 407 037, 0601 407 037, 0.601.407.037, 0-601-407-037
    Bitte prüfen Sie diese Typennummer auf Ihrem Gerät um die Kompatibilität des BOSCH Ersatzteils zu gewährleisten.
Weitere BOSCH Ersatzteile des Gerätes Bohrschrauber mit der Typennummer 0601407037 finden Sie in der nachfolgenden Darstellung und im Dropdown zu Ihrer Auswahl:

Pos.
1
BOSCH Getriebegehäuse | Ersatzteile für Bohrschrauber | 2605806920
Hersteller: BOSCH
Artikelnummer: EB-0601407037-2605806920
nur Informationsartikel
Nie mehr lieferbar
keine Alternativen
Pos.
9
BOSCH Nadellager Ø6 MM | Ersatzteile für Bohrschrauber | 2600914010
Hersteller: BOSCH
Artikelnummer: EB-0601407037-2600914010
Netto: 4,82 € zzgl. MwSt.
zzgl. 6,90 € Versand (brutto)
einmalig pro Bestellung

Lieferzeit: 5 Werktage

Pos.
10
BOSCH Welle Mit Zahnrad Z= 16/41 | Ersatzteile für Bohrschrauber | 2606100041
Hersteller: BOSCH
Artikelnummer: EB-0601407037-2606100041
nur Informationsartikel
Nie mehr lieferbar
keine Alternativen
Pos.
12
BOSCH Ausgleichscheibe 0,3 MM | Ersatzteile für Bohrschrauber | 2600100607
Hersteller: BOSCH
Artikelnummer: EB-0601407037-2600100607
Netto: 3,94 € zzgl. MwSt.
zzgl. 6,90 € Versand (brutto)
einmalig pro Bestellung

Lieferzeit: 5 Werktage

Pos.
14
BOSCH Nadelrolle DIN 5402-A3x11,8-G2 | Ersatzteile für Bohrschrauber | 1903201042
Hersteller: BOSCH
Artikelnummer: EB-0601407037-1903201042
Netto: 4,32 € zzgl. MwSt.
zzgl. 6,90 € Versand (brutto)
einmalig pro Bestellung

Lieferzeit: 5 Werktage

Pos.
15
BOSCH Zwischenflansch | Ersatzteile für Bohrschrauber | 2605700900
Hersteller: BOSCH
Artikelnummer: EB-0601407037-2605700900
nur Informationsartikel
Nie mehr lieferbar
keine Alternativen
Pos.
16
BOSCH Filzscheibe | Ersatzteile für Bohrschrauber | 2600108000
Hersteller: BOSCH
Artikelnummer: EB-0601407037-2600108000
nur Informationsartikel
Nie mehr lieferbar
keine Alternativen
Pos.
17
BOSCH Tellerscheibe | Ersatzteile für Bohrschrauber | 2600500030
Hersteller: BOSCH
Artikelnummer: EB-0601407037-2600500030
nur Informationsartikel
Nie mehr lieferbar
keine Alternativen
Pos.
18
BOSCH Dichtbuchse | Ersatzteile für Bohrschrauber | 2600300049
Hersteller: BOSCH
Artikelnummer: EB-0601407037-2600300049
nur Informationsartikel
Nie mehr lieferbar
keine Alternativen
Pos.
19
BOSCH Kugellager 8x22x7 | Ersatzteile für Bohrschrauber | 1900905029
Hersteller: BOSCH
Artikelnummer: EB-0601407037-1900905029
Netto: 17,38 € zzgl. MwSt.
zzgl. 6,90 € Versand (brutto)
einmalig pro Bestellung

Lieferzeit: 5 Werktage

Pos.
20
BOSCH Anker Mit Lüfter 240-250V | Ersatzteile für Bohrschrauber | 2604010368
Hersteller: BOSCH
Artikelnummer: EB-0601407037-2604010368
nur Informationsartikel
Nie mehr lieferbar
keine Alternativen
Pos.
21
BOSCH Rillenkugellager 6x19x6 | Ersatzteile für Bohrschrauber | 1900905019
Hersteller: BOSCH
Artikelnummer: EB-0601407037-1900905019
Netto: 12,98 € zzgl. MwSt.
zzgl. 6,90 € Versand (brutto)
einmalig pro Bestellung

Lieferzeit: 5 Werktage

Pos.
22
BOSCH Ausgleichscheibe | Ersatzteile für Bohrschrauber | 2600150003
Hersteller: BOSCH
Artikelnummer: EB-0601407037-2600150003
Netto: 4,32 € zzgl. MwSt.
zzgl. 6,90 € Versand (brutto)
einmalig pro Bestellung

Lieferzeit: 5 Werktage

Pos.
23
BOSCH Lüfter | Ersatzteile für Bohrschrauber | 2606610013
Hersteller: BOSCH
Artikelnummer: EB-0601407037-2606610013
nur Informationsartikel
Nie mehr lieferbar
keine Alternativen
Pos.
24
BOSCH Ausgleichscheibe 0,2 MM | Ersatzteile für Bohrschrauber | 2600101655
Hersteller: BOSCH
Artikelnummer: EB-0601407037-2600101655
nur Informationsartikel
Nie mehr lieferbar
keine Alternativen
Pos.
24
BOSCH Ausgleichscheibe 0,3 MM | Ersatzteile für Bohrschrauber | 2600101656
Hersteller: BOSCH
Artikelnummer: EB-0601407037-2600101656
nur Informationsartikel
Nie mehr lieferbar
keine Alternativen
Pos.
24
BOSCH Ausgleichscheibe 0,5 MM | Ersatzteile für Bohrschrauber | 2600101657
Hersteller: BOSCH
Artikelnummer: EB-0601407037-2600101657
nur Informationsartikel
Nie mehr lieferbar
keine Alternativen
Pos.
26
BOSCH Motorgehäuse | Ersatzteile für Bohrschrauber | 2605104911
Hersteller: BOSCH
Artikelnummer: EB-0601407037-2605104911
nur Informationsartikel
Nie mehr lieferbar
keine Alternativen
Pos.
27
BOSCH Polschuh 240V | Ersatzteile für Bohrschrauber | 2604222255
Hersteller: BOSCH
Artikelnummer: EB-0601407037-2604222255
nur Informationsartikel
Nie mehr lieferbar
keine Alternativen
Pos.
28
BOSCH Abdeckscheibe | Ersatzteile für Bohrschrauber | 2601328015
Hersteller: BOSCH
Artikelnummer: EB-0601407037-2601328015
nur Informationsartikel
Nie mehr lieferbar
keine Alternativen
Pos.
29
BOSCH Druckfeder | Ersatzteile für Bohrschrauber | 2604611026
Hersteller: BOSCH
Artikelnummer: EB-0601407037-2604611026
nur Informationsartikel
Nie mehr lieferbar
keine Alternativen
Pos.
31
BOSCH Zylinderschraube DIN 84-AM4x25-8.8 | Ersatzteile für Bohrschrauber | 2910021132
Hersteller: BOSCH
Artikelnummer: EB-0601407037-2910021132
Netto: 3,63 € zzgl. MwSt.
zzgl. 6,90 € Versand (brutto)
einmalig pro Bestellung

Lieferzeit: 5 Werktage

Pos.
32
BOSCH Federring DIN 128-A4-FST | Ersatzteile für Bohrschrauber | 2916690003
Hersteller: BOSCH
Artikelnummer: EB-0601407037-2916690003
Netto: 3,63 € zzgl. MwSt.
zzgl. 6,90 € Versand (brutto)
einmalig pro Bestellung

Lieferzeit: 5 Werktage

Pos.
36
BOSCH Kohlebürstensatz | Ersatzteile für Bohrschrauber | 2604320902
Hersteller: BOSCH
Artikelnummer: EB-0601407037-2604320902
nur Informationsartikel
Nie mehr lieferbar
keine Alternativen
Pos.
37
BOSCH Spiralfeder | Ersatzteile für Bohrschrauber | 2604652000
Hersteller: BOSCH
Artikelnummer: EB-0601407037-2604652000
nur Informationsartikel
Nie mehr lieferbar
keine Alternativen
Pos.
38
BOSCH Blechschraube DIN 7971-BZ2,9x6,5 | Ersatzteile für Bohrschrauber | 2910211004
Hersteller: BOSCH
Artikelnummer: EB-0601407037-2910211004
nur Informationsartikel
Nie mehr lieferbar
keine Alternativen
Pos.
40
BOSCH Zylinderschraube | Ersatzteile für Bohrschrauber | 2603410010
Hersteller: BOSCH
Artikelnummer: EB-0601407037-2603410010
nur Informationsartikel
Nie mehr lieferbar
keine Alternativen
Pos.
42
BOSCH Ein/Aus-Schalter | Ersatzteile für Bohrschrauber | 2607200043
Hersteller: BOSCH
Artikelnummer: EB-0601407037-2607200043
nur Informationsartikel
Nie mehr lieferbar
keine Alternativen
Pos.
43
BOSCH Entstörfilter | Ersatzteile für Bohrschrauber | 2607329051
Hersteller: BOSCH
Artikelnummer: EB-0601407037-2607329051
nur Informationsartikel
Nie mehr lieferbar
keine Alternativen
Pos.
44
BOSCH Netzanschlussleitung AUS 2,6m 2 x 0,75mm PVC | Ersatzteile für Bohrschrauber | 2604460061
Hersteller: BOSCH
Artikelnummer: EB-0601407037-2604460061
nur Informationsartikel
Nie mehr lieferbar
keine Alternativen
Pos.
45
BOSCH Tülle Ø6,5-Ø6,9x95 MM | Ersatzteile für Bohrschrauber | 2600703012
Hersteller: BOSCH
Artikelnummer: EB-0601407037-2600703012
Netto: 4,82 € zzgl. MwSt.
zzgl. 6,90 € Versand (brutto)
einmalig pro Bestellung

Lieferzeit: 5 Werktage

Pos.
45
BOSCH Tülle Ø7,6-Ø8,2x95 MM | Ersatzteile für Bohrschrauber | 2600703013
Hersteller: BOSCH
Artikelnummer: EB-0601407037-2600703013
Netto: 4,53 € zzgl. MwSt.
zzgl. 6,90 € Versand (brutto)
einmalig pro Bestellung

Lieferzeit: 5 Werktage

Pos.
45
BOSCH Tülle Ø8,3-Ø9,4x95 MM | Ersatzteile für Bohrschrauber | 2600703011
Hersteller: BOSCH
Artikelnummer: EB-0601407037-2600703011
Netto: 4,82 € zzgl. MwSt.
zzgl. 6,90 € Versand (brutto)
einmalig pro Bestellung

Lieferzeit: 5 Werktage

Pos.
46
BOSCH Leitungshalter | Ersatzteile für Bohrschrauber | 2601035001
Hersteller: BOSCH
Artikelnummer: EB-0601407037-2601035001
Netto: 3,94 € zzgl. MwSt.
zzgl. 6,90 € Versand (brutto)
einmalig pro Bestellung

Lieferzeit: 5 Werktage

Pos.
47
BOSCH Zylinderschraube M3x10 MM | Ersatzteile für Bohrschrauber | 2603410023
Hersteller: BOSCH
Artikelnummer: EB-0601407037-2603410023
nur Informationsartikel
Nie mehr lieferbar
keine Alternativen
Pos.
48
BOSCH Blechschraube DIN 7971-ST3,9x16-F | Ersatzteile für Bohrschrauber | 2910211019
Hersteller: BOSCH
Artikelnummer: EB-0601407037-2910211019
Netto: 3,63 € zzgl. MwSt.
zzgl. 6,90 € Versand (brutto)
einmalig pro Bestellung

Lieferzeit: 5 Werktage

Pos.
49
BOSCH Blechschraube DIN 7971-BZ3,9x19 | Ersatzteile für Bohrschrauber | 2910211020
Hersteller: BOSCH
Artikelnummer: EB-0601407037-2910211020
Netto: 4,32 € zzgl. MwSt.
zzgl. 6,90 € Versand (brutto)
einmalig pro Bestellung

Lieferzeit: 5 Werktage

Pos.
50
BOSCH Gehäusedeckel | Ersatzteile für Bohrschrauber | 2605132005
Hersteller: BOSCH
Artikelnummer: EB-0601407037-2605132005
nur Informationsartikel
Nie mehr lieferbar
keine Alternativen
Pos.
51
BOSCH Blechschraube DIN 7971-ST3,9x22-F | Ersatzteile für Bohrschrauber | 2910211021
Hersteller: BOSCH
Artikelnummer: EB-0601407037-2910211021
Netto: 3,94 € zzgl. MwSt.
zzgl. 6,90 € Versand (brutto)
einmalig pro Bestellung

Lieferzeit: 5 Werktage

Pos.
52
BOSCH Kerbnagel 2x4 DIN 1476-ST | Ersatzteile für Bohrschrauber | 2917724032
Hersteller: BOSCH
Artikelnummer: EB-0601407037-2917724032
nur Informationsartikel
Nie mehr lieferbar
keine Alternativen
Pos.
53
BOSCH Typschild | Ersatzteile für Bohrschrauber | 160111A3H3
Hersteller: BOSCH
Artikelnummer: EB-0601407037-160111A3H3
Netto: 4,53 € zzgl. MwSt.
zzgl. 6,90 € Versand (brutto)
einmalig pro Bestellung

Lieferzeit: 5 Werktage

Pos.
54
BOSCH Firmenschild | Ersatzteile für Bohrschrauber | 2601007003
Hersteller: BOSCH
Artikelnummer: EB-0601407037-2601007003
nur Informationsartikel
Nie mehr lieferbar
keine Alternativen
Pos.
55
BOSCH Umschalter | Ersatzteile für Bohrschrauber | 2607200003
Hersteller: BOSCH
Artikelnummer: EB-0601407037-2607200003
nur Informationsartikel
Nie mehr lieferbar
keine Alternativen
Pos.
56
BOSCH Verbindungsleitung | Ersatzteile für Bohrschrauber | 2604411505
Hersteller: BOSCH
Artikelnummer: EB-0601407037-2604411505
nur Informationsartikel
Nie mehr lieferbar
keine Alternativen
Pos.
57
BOSCH Elektr Leitung | Ersatzteile für Bohrschrauber | 2604411530
Hersteller: BOSCH
Artikelnummer: EB-0601407037-2604411530
nur Informationsartikel
Nie mehr lieferbar
keine Alternativen
Pos.
58
BOSCH Elektr Leitung | Ersatzteile für Bohrschrauber | 2604411523
Hersteller: BOSCH
Artikelnummer: EB-0601407037-2604411523
Netto: 3,95 € zzgl. MwSt.
zzgl. 6,90 € Versand (brutto)
einmalig pro Bestellung

Lieferzeit: 5 Werktage

Pos.
68
BOSCH Sicherungsring | Ersatzteile für Bohrschrauber | 2600119000
Hersteller: BOSCH
Artikelnummer: EB-0601407037-2600119000
Netto: 3,94 € zzgl. MwSt.
zzgl. 6,90 € Versand (brutto)
einmalig pro Bestellung

Lieferzeit: 5 Werktage

Pos.
200
BOSCH Vorsatz-Schrauber | Ersatzteile für Bohrschrauber | 2608583003
Hersteller: BOSCH
Artikelnummer: EB-0601407037-2608583003
nur Informationsartikel
Nie mehr lieferbar
keine Alternativen
Pos.
201
BOSCH Zylinderschraube | Ersatzteile für Bohrschrauber | 2910140158
Hersteller: BOSCH
Artikelnummer: EB-0601407037-2910140158
nur Informationsartikel
Nie mehr lieferbar
keine Alternativen
Pos.
202
BOSCH Getriebegehäuse Ø 18x2,5 MM | Ersatzteile für Bohrschrauber | 2605806933
Hersteller: BOSCH
Artikelnummer: EB-0601407037-2605806933
nur Informationsartikel
Nie mehr lieferbar
keine Alternativen
Pos.
204
BOSCH Rändelmutter | Ersatzteile für Bohrschrauber | 2600201006
Hersteller: BOSCH
Artikelnummer: EB-0601407037-2600201006
nur Informationsartikel
Nie mehr lieferbar
keine Alternativen
Pos.
205
BOSCH Tiefenanschlag | Ersatzteile für Bohrschrauber | 2607001003
Hersteller: BOSCH
Artikelnummer: EB-0601407037-2607001003
nur Informationsartikel
Nie mehr lieferbar
keine Alternativen
Pos.
206
BOSCH Sprengring | Ersatzteile für Bohrschrauber | 2604601002
Hersteller: BOSCH
Artikelnummer: EB-0601407037-2604601002
nur Informationsartikel
Nie mehr lieferbar
keine Alternativen
Pos.
207
BOSCH Gewindestift M6x20-22H | Ersatzteile für Bohrschrauber | 2912031201
Hersteller: BOSCH
Artikelnummer: EB-0601407037-2912031201
nur Informationsartikel
Nie mehr lieferbar
keine Alternativen
Pos.
208
BOSCH Druckfeder | Ersatzteile für Bohrschrauber | 2604610001
Hersteller: BOSCH
Artikelnummer: EB-0601407037-2604610001
nur Informationsartikel
Nie mehr lieferbar
keine Alternativen
Pos.
209
BOSCH Kugel DIN 5401-5 G28 | Ersatzteile für Bohrschrauber | 1903230009
Hersteller: BOSCH
Artikelnummer: EB-0601407037-1903230009
Netto: 3,63 € zzgl. MwSt.
zzgl. 6,90 € Versand (brutto)
einmalig pro Bestellung

Lieferzeit: 5 Werktage

Pos.
210
BOSCH Kupplungsteil | Ersatzteile für Bohrschrauber | 2606445900
Hersteller: BOSCH
Artikelnummer: EB-0601407037-2606445900
nur Informationsartikel
Nie mehr lieferbar
keine Alternativen

Angaben zur Produktsicherheit

Hersteller:
Robert Bosch Power Tools GmbH
Postfach 30 02 20
70442 Stuttgart

E-Mail:
kontakt@bosch.de