BOSCH Kugel 2 MM III DIN 5401 ST | Ersatzteile für Bohrschrauber | 1903230002

Artikelnummer: EB-0601409047-1903230002

Position: 115

Marke: BOSCH


Bitte Kompatibilität prüfen!

Bitte prüfen Sie unbedingt die 10-stellige Typennummer Ihrer Maschine / Ihres Gerätes. Das Ersatzteil ist nur kompatibel, wenn Sie die Typennummer Ihrer Maschine in der unten stehenden Produktbeschreibung finden.

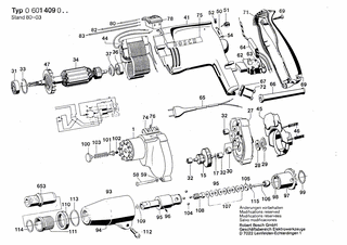
Bitte prüfen Sie ebenfalls detailliert die Explosionszeichnung mit Ihrem Artikelwunsch und der jeweiligen Pos-Nummer.

Alle Elemente, welche vom schwarzen Strich der Pos-Nummer ausgehend berührt / erfasst werden, gehören zu dieser Pos-Nummer und somit zu diesem Artikel. Jede Pos-Nummer ist ein eigenständiger Artikel, welchen Sie in der Auflistung finden.

Sie erhalten stets die aktuellste, neueste Produktversion zu der gewählten Pos-Nummer seitens des Herstellers. Es kann daher je nach Gerätealter vorkommen, dass Sie ggf. weitere, zugehörige Elemente, welche an diese Pos-Nummer grenzen, ebenfalls mittauschen müssen.

Nähere Informationen finden Sie unter dem Link
Hinweise zu Ihrer BOSCH Ersatzteilsuche

Preisübersicht

Einzelpreis: 4,36 €* (Brutto: 5,19 €)
Gesamtpreis: 4,36 €* 
Position:

Lieferzeit: 5 Werktage


Beschreibung

  • Kugel 2 MM III DIN 5401 ST
  • Original Bosch Zubehör / BOSCH Ersatzteil (1903230002)
  • im Gerät verbaut: 1
Dieses BOSCH Ersatzteil ist mit folgendem Gerät und Modell kompatibel:
  • BOSCH Gerätename: Bohrschrauber
  • BOSCH Explosionszeichnung: Position 115
  • BOSCH Typennummer: 0601409047
  • BOSCH Typennummer alternative Schreibweisen: 0 601 409 047, 0601 409 047, 0.601.409.047, 0-601-409-047
    Bitte prüfen Sie diese Typennummer auf Ihrem Gerät um die Kompatibilität des BOSCH Ersatzteils zu gewährleisten.
Weitere BOSCH Ersatzteile des Gerätes Bohrschrauber mit der Typennummer 0601409047 finden Sie in der nachfolgenden Darstellung und im Dropdown zu Ihrer Auswahl:

Pos.
1
BOSCH Getriebegehäuse | Ersatzteile für Bohrschrauber | 2605806943
Hersteller: BOSCH
Artikelnummer: EB-0601409047-2605806943
nur Informationsartikel
Nie mehr lieferbar
keine Alternativen
Pos.
15
BOSCH Zahnwelle | Ersatzteile für Bohrschrauber | 2606100910
Hersteller: BOSCH
Artikelnummer: EB-0601409047-2606100910
nur Informationsartikel
Nie mehr lieferbar
keine Alternativen
Pos.
17
BOSCH Ausgleichscheibe 0,3 MM | Ersatzteile für Bohrschrauber | 2600100570
Hersteller: BOSCH
Artikelnummer: EB-0601409047-2600100570
Netto: 3,94 € zzgl. MwSt.
zzgl. 6,90 € Versand (brutto)
einmalig pro Bestellung

Lieferzeit: 5 Werktage

Pos.
27
BOSCH Zwischenflansch | Ersatzteile für Bohrschrauber | 2605700916
Hersteller: BOSCH
Artikelnummer: EB-0601409047-2605700916
nur Informationsartikel
Nie mehr lieferbar
keine Alternativen
Pos.
28
BOSCH Filzscheibe | Ersatzteile für Bohrschrauber | 2600108020
Hersteller: BOSCH
Artikelnummer: EB-0601409047-2600108020
nur Informationsartikel
Nie mehr lieferbar
keine Alternativen
Pos.
29
BOSCH Tellerscheibe | Ersatzteile für Bohrschrauber | 2600500008
Hersteller: BOSCH
Artikelnummer: EB-0601409047-2600500008
nur Informationsartikel
Nie mehr lieferbar
keine Alternativen
Pos.
30
BOSCH Steckhülse | Ersatzteile für Bohrschrauber | 2600400020
Hersteller: BOSCH
Artikelnummer: EB-0601409047-2600400020
nur Informationsartikel
Nie mehr lieferbar
keine Alternativen
Pos.
31
BOSCH Rillenkugellager 10 MM DIN 625 | Ersatzteile für Bohrschrauber | 2600905007
Hersteller: BOSCH
Artikelnummer: EB-0601409047-2600905007
nur Informationsartikel
Nie mehr lieferbar
keine Alternativen
Pos.
32
BOSCH Nadelhülse | Ersatzteile für Bohrschrauber | 2600914004
Hersteller: BOSCH
Artikelnummer: EB-0601409047-2600914004
Netto: 5,65 € zzgl. MwSt.
zzgl. 6,90 € Versand (brutto)
einmalig pro Bestellung

Lieferzeit: 5 Werktage

Pos.
33
BOSCH Sicherungsring DIN 472-26x1,2 MM | Ersatzteile für Bohrschrauber | 2916660010
Hersteller: BOSCH
Artikelnummer: EB-0601409047-2916660010
Netto: 3,60 € zzgl. MwSt.
zzgl. 6,90 € Versand (brutto)
einmalig pro Bestellung

Lieferzeit: 5 Werktage

Pos.
34
BOSCH Anker Mit Lüfter 110-115V | Ersatzteile für Bohrschrauber | 2604010266
Hersteller: BOSCH
Artikelnummer: EB-0601409047-2604010266
nur Informationsartikel
Nie mehr lieferbar
keine Alternativen
Pos.
36
BOSCH Kugellager 7x22x7 | Ersatzteile für Bohrschrauber | 1900905018
Hersteller: BOSCH
Artikelnummer: EB-0601409047-1900905018
Netto: 15,15 € zzgl. MwSt.
zzgl. 6,90 € Versand (brutto)
einmalig pro Bestellung

Lieferzeit: 5 Werktage

Pos.
37
BOSCH Ankerscheibe | Ersatzteile für Bohrschrauber | 2600121002
Hersteller: BOSCH
Artikelnummer: EB-0601409047-2600121002
nur Informationsartikel
Nie mehr lieferbar
keine Alternativen
Pos.
41
BOSCH Motorgehäuse | Ersatzteile für Bohrschrauber | 2605104930
Hersteller: BOSCH
Artikelnummer: EB-0601409047-2605104930
nur Informationsartikel
Nie mehr lieferbar
keine Alternativen
Pos.
44
BOSCH Polschuh 110V | Ersatzteile für Bohrschrauber | 2604222099
Hersteller: BOSCH
Artikelnummer: EB-0601409047-2604222099
nur Informationsartikel
Nie mehr lieferbar
keine Alternativen
Pos.
45
BOSCH Abdeckscheibe | Ersatzteile für Bohrschrauber | 2601328001
Hersteller: BOSCH
Artikelnummer: EB-0601409047-2601328001
nur Informationsartikel
Nie mehr lieferbar
keine Alternativen
Pos.
46
BOSCH Druckfeder | Ersatzteile für Bohrschrauber | 2604611026
Hersteller: BOSCH
Artikelnummer: EB-0601409047-2604611026
nur Informationsartikel
Nie mehr lieferbar
keine Alternativen
Pos.
47
BOSCH Lüfter | Ersatzteile für Bohrschrauber | 2606610019
Hersteller: BOSCH
Artikelnummer: EB-0601409047-2606610019
nur Informationsartikel
Nie mehr lieferbar
keine Alternativen
Pos.
50
BOSCH Kohlebürstensatz | Ersatzteile für Bohrschrauber | 2604320906
Hersteller: BOSCH
Artikelnummer: EB-0601409047-2604320906
nur Informationsartikel
Nie mehr lieferbar
keine Alternativen
Pos.
51
BOSCH Spiralfeder | Ersatzteile für Bohrschrauber | 2604652004
Hersteller: BOSCH
Artikelnummer: EB-0601409047-2604652004
nur Informationsartikel
Nie mehr lieferbar
keine Alternativen
Pos.
52
BOSCH Zylinderschraube | Ersatzteile für Bohrschrauber | 2603410010
Hersteller: BOSCH
Artikelnummer: EB-0601409047-2603410010
nur Informationsartikel
Nie mehr lieferbar
keine Alternativen
Pos.
54
BOSCH Blechschraube DIN 7971-BZ2,9x6,5 | Ersatzteile für Bohrschrauber | 2910211004
Hersteller: BOSCH
Artikelnummer: EB-0601409047-2910211004
nur Informationsartikel
Nie mehr lieferbar
keine Alternativen
Pos.
58
BOSCH Flachkopfschraube | Ersatzteile für Bohrschrauber | 2603410026
Hersteller: BOSCH
Artikelnummer: EB-0601409047-2603410026
nur Informationsartikel
Nie mehr lieferbar
keine Alternativen
Pos.
59
BOSCH Federring DIN 128-A4-FST | Ersatzteile für Bohrschrauber | 2916690003
Hersteller: BOSCH
Artikelnummer: EB-0601409047-2916690003
Netto: 3,60 € zzgl. MwSt.
zzgl. 6,90 € Versand (brutto)
einmalig pro Bestellung

Lieferzeit: 5 Werktage

Pos.
62
BOSCH Ein/Aus-Schalter | Ersatzteile für Bohrschrauber | 2607200006
Hersteller: BOSCH
Artikelnummer: EB-0601409047-2607200043
nur Informationsartikel
Nie mehr lieferbar
keine Alternativen
Pos.
63
BOSCH Zylinderschraube M3x10 MM | Ersatzteile für Bohrschrauber | 2603410023
Hersteller: BOSCH
Artikelnummer: EB-0601409047-2603410023
nur Informationsartikel
Nie mehr lieferbar
keine Alternativen
Pos.
64
BOSCH Entstörfilter | Ersatzteile für Bohrschrauber | 2607329051
Hersteller: BOSCH
Artikelnummer: EB-0601409047-2607329051
nur Informationsartikel
Nie mehr lieferbar
keine Alternativen
Pos.
65
BOSCH Elktr Leitg M Anschluss CH 2,65m 2 x 1,0mm H05 VV-F | Ersatzteile für Bohrschrauber | 2604460053
Hersteller: BOSCH
Artikelnummer: EB-0601409047-2604460053
nur Informationsartikel
Nie mehr lieferbar
keine Alternativen
Pos.
66
BOSCH Tülle Ø6,5-Ø6,9x95 MM | Ersatzteile für Bohrschrauber | 2600703012
Hersteller: BOSCH
Artikelnummer: EB-0601409047-2600703012
Netto: 4,80 € zzgl. MwSt.
zzgl. 6,90 € Versand (brutto)
einmalig pro Bestellung

Lieferzeit: 5 Werktage

Pos.
66
BOSCH Tülle Ø7,6-Ø8,2x95 MM | Ersatzteile für Bohrschrauber | 2600703013
Hersteller: BOSCH
Artikelnummer: EB-0601409047-2600703013
Netto: 4,56 € zzgl. MwSt.
zzgl. 6,90 € Versand (brutto)
einmalig pro Bestellung

Lieferzeit: 5 Werktage

Pos.
66
BOSCH Tülle Ø8,3-Ø9,4x95 MM | Ersatzteile für Bohrschrauber | 2600703011
Hersteller: BOSCH
Artikelnummer: EB-0601409047-2600703011
Netto: 4,80 € zzgl. MwSt.
zzgl. 6,90 € Versand (brutto)
einmalig pro Bestellung

Lieferzeit: 5 Werktage

Pos.
67
BOSCH Leitungshalter | Ersatzteile für Bohrschrauber | 2601035001
Hersteller: BOSCH
Artikelnummer: EB-0601409047-2601035001
Netto: 3,94 € zzgl. MwSt.
zzgl. 6,90 € Versand (brutto)
einmalig pro Bestellung

Lieferzeit: 5 Werktage

Pos.
69
BOSCH Blechschraube DIN 7971-ST3,9x22-F | Ersatzteile für Bohrschrauber | 2910211021
Hersteller: BOSCH
Artikelnummer: EB-0601409047-2910211021
Netto: 3,94 € zzgl. MwSt.
zzgl. 6,90 € Versand (brutto)
einmalig pro Bestellung

Lieferzeit: 5 Werktage

Pos.
71
BOSCH Gehäusedeckel BLAU | Ersatzteile für Bohrschrauber | 2605132007
Hersteller: BOSCH
Artikelnummer: EB-0601409047-2605132007
nur Informationsartikel
Nie mehr lieferbar
keine Alternativen
Pos.
72
BOSCH Blechschraube DIN 7971-ST3,9x16-F | Ersatzteile für Bohrschrauber | 2910211019
Hersteller: BOSCH
Artikelnummer: EB-0601409047-2910211019
Netto: 3,60 € zzgl. MwSt.
zzgl. 6,90 € Versand (brutto)
einmalig pro Bestellung

Lieferzeit: 5 Werktage

Pos.
74
BOSCH Typschild | Ersatzteile für Bohrschrauber | 160111A3H3
Hersteller: BOSCH
Artikelnummer: EB-0601409047-160111A3H3
Netto: 4,56 € zzgl. MwSt.
zzgl. 6,90 € Versand (brutto)
einmalig pro Bestellung

Lieferzeit: 5 Werktage

Pos.
75
BOSCH Firmenschild | Ersatzteile für Bohrschrauber | 2601007003
Hersteller: BOSCH
Artikelnummer: EB-0601409047-2601007003
nur Informationsartikel
Nie mehr lieferbar
keine Alternativen
Pos.
76
BOSCH Kerbnagel 2x4 DIN 1476-ST | Ersatzteile für Bohrschrauber | 2917724032
Hersteller: BOSCH
Artikelnummer: EB-0601409047-2917724032
nur Informationsartikel
Nie mehr lieferbar
keine Alternativen
Pos.
78
BOSCH Ein/Aus-Schalter | Ersatzteile für Bohrschrauber | 2607200052
Hersteller: BOSCH
Artikelnummer: EB-0601409047-2607200052
nur Informationsartikel
Nie mehr lieferbar
keine Alternativen
Pos.
80
BOSCH Elektr Leitung | Ersatzteile für Bohrschrauber | 2604411524
Hersteller: BOSCH
Artikelnummer: EB-0601409047-2604411524
nur Informationsartikel
Nie mehr lieferbar
keine Alternativen
Pos.
82
BOSCH Elektr Leitung | Ersatzteile für Bohrschrauber | 2604411530
Hersteller: BOSCH
Artikelnummer: EB-0601409047-2604411530
nur Informationsartikel
Nie mehr lieferbar
keine Alternativen
Pos.
82
BOSCH Entstörglied | Ersatzteile für Bohrschrauber | 2604465026
Hersteller: BOSCH
Artikelnummer: EB-0601409047-2604465026
nur Informationsartikel
Nie mehr lieferbar
keine Alternativen
Pos.
83
BOSCH Elektr Leitung | Ersatzteile für Bohrschrauber | 2604411523
Hersteller: BOSCH
Artikelnummer: EB-0601409047-2604411523
Netto: 3,95 € zzgl. MwSt.
zzgl. 6,90 € Versand (brutto)
einmalig pro Bestellung

Lieferzeit: 5 Werktage

Pos.
83
BOSCH Entstörglied | Ersatzteile für Bohrschrauber | 2604465027
Hersteller: BOSCH
Artikelnummer: EB-0601409047-2604465027
nur Informationsartikel
Nie mehr lieferbar
keine Alternativen
Pos.
93
BOSCH Vorsatz-Schrauber | Ersatzteile für Bohrschrauber | 2608583005
Hersteller: BOSCH
Artikelnummer: EB-0601409047-2608583005
nur Informationsartikel
Nie mehr lieferbar
keine Alternativen
Pos.
94
BOSCH Getriebegehäuse | Ersatzteile für Bohrschrauber | 2605806303
Hersteller: BOSCH
Artikelnummer: EB-0601409047-2605806303
nur Informationsartikel
Nie mehr lieferbar
keine Alternativen
Pos.
95
BOSCH Werkzeughalter | Ersatzteile für Bohrschrauber | 2606490902
Hersteller: BOSCH
Artikelnummer: EB-0601409047-2606490902
nur Informationsartikel
Nie mehr lieferbar
keine Alternativen
Pos.
96
BOSCH Gewindestift M 3x3-DIN 551-5.8 | Ersatzteile für Bohrschrauber | 2912030045
Hersteller: BOSCH
Artikelnummer: EB-0601409047-2912030045
nur Informationsartikel
Nie mehr lieferbar
keine Alternativen
Pos.
97
BOSCH Kupplungshälfte | Ersatzteile für Bohrschrauber | 2606490024
Hersteller: BOSCH
Artikelnummer: EB-0601409047-2606490024
nur Informationsartikel
Nie mehr lieferbar
keine Alternativen
Pos.
99
BOSCH Sicherungsring | Ersatzteile für Bohrschrauber | 2600118004
Hersteller: BOSCH
Artikelnummer: EB-0601409047-2600118004
nur Informationsartikel
Nie mehr lieferbar
keine Alternativen
Pos.
100
BOSCH Federteller | Ersatzteile für Bohrschrauber | 2603120012
Hersteller: BOSCH
Artikelnummer: EB-0601409047-2603120012
nur Informationsartikel
Nie mehr lieferbar
keine Alternativen
Pos.
101
BOSCH Haltebolzen | Ersatzteile für Bohrschrauber | 2603120015
Hersteller: BOSCH
Artikelnummer: EB-0601409047-2603120015
nur Informationsartikel
Nie mehr lieferbar
keine Alternativen
Pos.
102
BOSCH Kugel DIN 5401-4 MM-III-ST | Ersatzteile für Bohrschrauber | 1903230007
Hersteller: BOSCH
Artikelnummer: EB-0601409047-1903230007
Netto: 3,94 € zzgl. MwSt.
zzgl. 6,90 € Versand (brutto)
einmalig pro Bestellung

Lieferzeit: 5 Werktage

Pos.
103
BOSCH Druckfeder | Ersatzteile für Bohrschrauber | 2604610013
Hersteller: BOSCH
Artikelnummer: EB-0601409047-2604610013
nur Informationsartikel
Nie mehr lieferbar
keine Alternativen
Pos.
104
BOSCH Kugel DIN 5401-8 MM III-ST | Ersatzteile für Bohrschrauber | 1903230014
Hersteller: BOSCH
Artikelnummer: EB-0601409047-1903230014
Netto: 3,60 € zzgl. MwSt.
zzgl. 6,90 € Versand (brutto)
einmalig pro Bestellung

Lieferzeit: 5 Werktage

Pos.
105
BOSCH Stützscheibe | Ersatzteile für Bohrschrauber | 2600100023
Hersteller: BOSCH
Artikelnummer: EB-0601409047-2600100023
nur Informationsartikel
Nie mehr lieferbar
keine Alternativen
Pos.
106
BOSCH Kugelzapfen | Ersatzteile für Bohrschrauber | 2603126003
Hersteller: BOSCH
Artikelnummer: EB-0601409047-2603126003
nur Informationsartikel
Nie mehr lieferbar
keine Alternativen
Pos.
107
BOSCH Tellerfeder | Ersatzteile für Bohrschrauber | 2600550005
Hersteller: BOSCH
Artikelnummer: EB-0601409047-2600550005
nur Informationsartikel
Nie mehr lieferbar
keine Alternativen
Pos.
108
BOSCH Einstellschraube | Ersatzteile für Bohrschrauber | 2603465001
Hersteller: BOSCH
Artikelnummer: EB-0601409047-2603465001
nur Informationsartikel
Nie mehr lieferbar
keine Alternativen
Pos.
109
BOSCH Sprengring | Ersatzteile für Bohrschrauber | 2604601010
Hersteller: BOSCH
Artikelnummer: EB-0601409047-2604601010
nur Informationsartikel
Nie mehr lieferbar
keine Alternativen
Pos.
110
BOSCH Rundmutter | Ersatzteile für Bohrschrauber | 2603340006
Hersteller: BOSCH
Artikelnummer: EB-0601409047-2603340006
nur Informationsartikel
Nie mehr lieferbar
keine Alternativen
Pos.
111
BOSCH Rändelbuchse | Ersatzteile für Bohrschrauber | 2600420001
Hersteller: BOSCH
Artikelnummer: EB-0601409047-2600420001
nur Informationsartikel
Nie mehr lieferbar
keine Alternativen
Pos.
112
BOSCH Innensechskantschraube DIN 912-M6x15-8.8 | Ersatzteile für Bohrschrauber | 2910141196
Hersteller: BOSCH
Artikelnummer: EB-0601409047-2910141196
nur Informationsartikel
Nie mehr lieferbar
keine Alternativen
Pos.
113
BOSCH O-Ring 28x2,5 MM | Ersatzteile für Bohrschrauber | 1900210128
Hersteller: BOSCH
Artikelnummer: EB-0601409047-1900210128
nur Informationsartikel
Nie mehr lieferbar
keine Alternativen
Pos.
114
BOSCH O-Ring 21,0x2,0 MM | Ersatzteile für Bohrschrauber | 2600210028
Hersteller: BOSCH
Artikelnummer: EB-0601409047-2600210028
nur Informationsartikel
Nie mehr lieferbar
keine Alternativen
Pos.
115
BOSCH Kugel 2 MM III DIN 5401 ST | Ersatzteile für Bohrschrauber | 1903230002
Hersteller: BOSCH
Artikelnummer: EB-0601409047-1903230002
Netto: 4,36 € zzgl. MwSt.
zzgl. 6,90 € Versand (brutto)
einmalig pro Bestellung

Lieferzeit: 5 Werktage

Pos.
653
BOSCH Führungshülse | Ersatzteile für Bohrschrauber | 2600326006
Hersteller: BOSCH
Artikelnummer: EB-0601409047-2600326008
nur Informationsartikel
Nie mehr lieferbar
keine Alternativen

Angaben zur Produktsicherheit

Hersteller:
Robert Bosch Power Tools GmbH
Postfach 30 02 20
70442 Stuttgart

E-Mail:
kontakt@bosch.de