BOSCH Tülle | Ersatzteile für CB 300 | 2610360176

Artikelnummer: EB-F0150550C1-2610360176

Position: 6

Marke: BOSCH


Bitte Kompatibilität prüfen!

Bitte prüfen Sie unbedingt die 10-stellige Typennummer Ihrer Maschine / Ihres Gerätes. Das Ersatzteil ist nur kompatibel, wenn Sie die Typennummer Ihrer Maschine in der unten stehenden Produktbeschreibung finden.

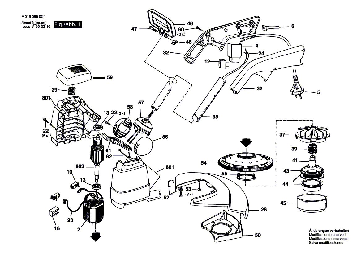
Bitte prüfen Sie ebenfalls detailliert die Explosionszeichnung mit Ihrem Artikelwunsch und der jeweiligen Pos-Nummer.

Alle Elemente, welche vom schwarzen Strich der Pos-Nummer ausgehend berührt / erfasst werden, gehören zu dieser Pos-Nummer und somit zu diesem Artikel. Jede Pos-Nummer ist ein eigenständiger Artikel, welchen Sie in der Auflistung finden.

Sie erhalten stets die aktuellste, neueste Produktversion zu der gewählten Pos-Nummer seitens des Herstellers. Es kann daher je nach Gerätealter vorkommen, dass Sie ggf. weitere, zugehörige Elemente, welche an diese Pos-Nummer grenzen, ebenfalls mittauschen müssen.

Nähere Informationen finden Sie unter dem Link
Hinweise zu Ihrer BOSCH Ersatzteilsuche

Preisübersicht

Einzelpreis: 3,94 €* (Brutto: 4,69 €)
Gesamtpreis: 3,94 €* 
Position:

Lieferzeit: 5 Werktage


Beschreibung

  • Tülle
  • Original Bosch Zubehör / BOSCH Ersatzteil (2610360176)
  • im Gerät verbaut: 1
Dieses BOSCH Ersatzteil ist mit folgendem Gerät und Modell kompatibel:
  • BOSCH Gerätename: CB 300
  • BOSCH Explosionszeichnung: Position 6
  • BOSCH Typennummer: F0150550C1
  • BOSCH Typennummer alternative Schreibweisen: F 015 055 0C1, F015 055 0C1, F.015.055.0C1, F-015-055-0C1
    Bitte prüfen Sie diese Typennummer auf Ihrem Gerät um die Kompatibilität des BOSCH Ersatzteils zu gewährleisten.
Weitere BOSCH Ersatzteile des Gerätes CB 300 (Rasentrimmer) mit der Typennummer F0150550C1 finden Sie in der nachfolgenden Darstellung und im Dropdown zu Ihrer Auswahl:

Pos.
2
BOSCH Polschuh 230-240V | Ersatzteile für CB 300 | 2610384584
Hersteller: BOSCH
Artikelnummer: EB-F0150550C1-2610384584
nur Informationsartikel
Nie mehr lieferbar
keine Alternativen
Pos.
4
BOSCH Schalter | Ersatzteile für CB 300 | 2610062347
Hersteller: BOSCH
Artikelnummer: EB-F0150550C1-2610062347
nur Informationsartikel
Nie mehr lieferbar
keine Alternativen
Pos.
5
BOSCH Netzanschlussleitung CH 2,75m 2 x 1,0mm H05 VV-F | Ersatzteile für CB 300 | 2610371799
Hersteller: BOSCH
Artikelnummer: EB-F0150550C1-2610371799
nur Informationsartikel
Nie mehr lieferbar
keine Alternativen
Pos.
5
BOSCH Netzanschlussleitung EU 0,46m 2 x 1,0mm H05 VV-F | Ersatzteile für CB 300 | 2604460255
Hersteller: BOSCH
Artikelnummer: EB-F0150550C1-2604460255
nur Informationsartikel
Nie mehr lieferbar
keine Alternativen
Pos.
6
BOSCH Tülle | Ersatzteile für CB 300 | 2610360176
Hersteller: BOSCH
Artikelnummer: EB-F0150550C1-2610360176
Netto: 3,94 € zzgl. MwSt.
zzgl. 6,90 € Versand (brutto)
einmalig pro Bestellung

Lieferzeit: 5 Werktage

Pos.
10
BOSCH Bürstenhalter | Ersatzteile für CB 300 | 2610376874
Hersteller: BOSCH
Artikelnummer: EB-F0150550C1-2610376874
nur Informationsartikel
Nie mehr lieferbar
keine Alternativen
Pos.
12
BOSCH Entstörfilter | Ersatzteile für CB 300 | 2610373494
Hersteller: BOSCH
Artikelnummer: EB-F0150550C1-2610373494
nur Informationsartikel
Nie mehr lieferbar
keine Alternativen
Pos.
13
BOSCH Rillenkugellager 8x22x7 | Ersatzteile für CB 300 | 2600905052
Hersteller: BOSCH
Artikelnummer: EB-F0150550C1-2600905052
Netto: 7,66 € zzgl. MwSt.
zzgl. 6,90 € Versand (brutto)
einmalig pro Bestellung

Lieferzeit: 5 Werktage

Pos.
16
BOSCH Buchse | Ersatzteile für CB 300 | 2610373315
Hersteller: BOSCH
Artikelnummer: EB-F0150550C1-2610373315
nur Informationsartikel
Nie mehr lieferbar
keine Alternativen
Pos.
22
BOSCH Schraube | Ersatzteile für CB 300 | 2610374700
Hersteller: BOSCH
Artikelnummer: EB-F0150550C1-2610374700
nur Informationsartikel
Nie mehr lieferbar
keine Alternativen
Pos.
23
BOSCH Elektr Leitung BLAU | Ersatzteile für CB 300 | 2610376879
Hersteller: BOSCH
Artikelnummer: EB-F0150550C1-2610376879
nur Informationsartikel
Nie mehr lieferbar
keine Alternativen
Pos.
24
BOSCH Kabel | Ersatzteile für CB 300 | 2610373448
Hersteller: BOSCH
Artikelnummer: EB-F0150550C1-2610373448
nur Informationsartikel
Nie mehr lieferbar
keine Alternativen
Pos.
28
BOSCH Schutzkappe SCHWARZ | Ersatzteile für CB 300 | 2610384585
Hersteller: BOSCH
Artikelnummer: EB-F0150550C1-2610384585
nur Informationsartikel
Nie mehr lieferbar
keine Alternativen
Pos.
32
BOSCH Handgriff-Set GELB | Ersatzteile für CB 300 | 2610385338
Hersteller: BOSCH
Artikelnummer: EB-F0150550C1-2610385338
nur Informationsartikel
Nie mehr lieferbar
keine Alternativen
Pos.
35
BOSCH Führungsrohr | Ersatzteile für CB 300 | 2610385344
Hersteller: BOSCH
Artikelnummer: EB-F0150550C1-2610385344
nur Informationsartikel
Nie mehr lieferbar
keine Alternativen
Pos.
37
BOSCH Nabe SCHWARZ | Ersatzteile für CB 300 | 2610384173
Hersteller: BOSCH
Artikelnummer: EB-F0150550C1-2610384173
nur Informationsartikel
Nie mehr lieferbar
keine Alternativen
Pos.
39
BOSCH Feder | Ersatzteile für CB 300 | 2610340006
Hersteller: BOSCH
Artikelnummer: EB-F0150550C1-2610340006
nur Informationsartikel
Nie mehr lieferbar
keine Alternativen
Pos.
41
BOSCH Mutter M 8 | Ersatzteile für CB 300 | 2610384175
Hersteller: BOSCH
Artikelnummer: EB-F0150550C1-2610384175
nur Informationsartikel
Nie mehr lieferbar
keine Alternativen
Pos.
43
BOSCH Spule | Ersatzteile für CB 300 | 2610384174
Hersteller: BOSCH
Artikelnummer: EB-F0150550C1-2610384174
nur Informationsartikel
Nie mehr lieferbar
keine Alternativen
Pos.
44
BOSCH Knopf SCHWARZ | Ersatzteile für CB 300 | 2610384560
Hersteller: BOSCH
Artikelnummer: EB-F0150550C1-2610384560
nur Informationsartikel
Nie mehr lieferbar
keine Alternativen
Pos.
45
BOSCH Deckel SCHWARZ | Ersatzteile für CB 300 | 2610384725
Hersteller: BOSCH
Artikelnummer: EB-F0150550C1-2610384725
nur Informationsartikel
Nie mehr lieferbar
keine Alternativen
Pos.
46
BOSCH Handgriff-Set | Ersatzteile für CB 300 | 2610385402
Hersteller: BOSCH
Artikelnummer: EB-F0150550C1-2610385402
nur Informationsartikel
Nie mehr lieferbar
keine Alternativen
Pos.
47
BOSCH Schraube M 6 | Ersatzteile für CB 300 | 2610374103
Hersteller: BOSCH
Artikelnummer: EB-F0150550C1-2610374103
nur Informationsartikel
Nie mehr lieferbar
keine Alternativen
Pos.
48
BOSCH Flügelmutter M6 | Ersatzteile für CB 300 | 2610385400
Hersteller: BOSCH
Artikelnummer: EB-F0150550C1-2610385400
Netto: 4,61 € zzgl. MwSt.
zzgl. 6,90 € Versand (brutto)
einmalig pro Bestellung

Lieferzeit: 5 Werktage

Pos.
50
BOSCH Schiebeplatte SCHWARZ | Ersatzteile für CB 300 | 2610384207
Hersteller: BOSCH
Artikelnummer: EB-F0150550C1-2610384207
nur Informationsartikel
Nie mehr lieferbar
keine Alternativen
Pos.
52
BOSCH Messer | Ersatzteile für CB 300 | 2610384586
Hersteller: BOSCH
Artikelnummer: EB-F0150550C1-2610384586
nur Informationsartikel
Nie mehr lieferbar
keine Alternativen
Pos.
53
BOSCH Torx-Linsenschraube 8x16 | Ersatzteile für CB 300 | 2610374916
Hersteller: BOSCH
Artikelnummer: EB-F0150550C1-2610374916
Netto: 3,94 € zzgl. MwSt.
zzgl. 6,90 € Versand (brutto)
einmalig pro Bestellung

Lieferzeit: 5 Werktage

Pos.
54
BOSCH Tellerrad SCHWARZ | Ersatzteile für CB 300 | 2610388599
Hersteller: BOSCH
Artikelnummer: EB-F0150550C1-2610388599
nur Informationsartikel
Nie mehr lieferbar
keine Alternativen
Pos.
55
BOSCH Ring | Ersatzteile für CB 300 | 2610384209
Hersteller: BOSCH
Artikelnummer: EB-F0150550C1-2610384209
nur Informationsartikel
Nie mehr lieferbar
keine Alternativen
Pos.
56
BOSCH Gelenkteil SCHWARZ | Ersatzteile für CB 300 | 2610385337
Hersteller: BOSCH
Artikelnummer: EB-F0150550C1-2610385337
nur Informationsartikel
Nie mehr lieferbar
keine Alternativen
Pos.
57
BOSCH Gelenkteil SCHWARZ | Ersatzteile für CB 300 | 2610384177
Hersteller: BOSCH
Artikelnummer: EB-F0150550C1-2610384177
nur Informationsartikel
Nie mehr lieferbar
keine Alternativen
Pos.
58
BOSCH Gelenkteil SCHWARZ | Ersatzteile für CB 300 | 2610385336
Hersteller: BOSCH
Artikelnummer: EB-F0150550C1-2610385336
nur Informationsartikel
Nie mehr lieferbar
keine Alternativen
Pos.
59
BOSCH Deckel SCHWARZ | Ersatzteile für CB 300 | 2610384217
Hersteller: BOSCH
Artikelnummer: EB-F0150550C1-2610384217
nur Informationsartikel
Nie mehr lieferbar
keine Alternativen
Pos.
60
BOSCH Torx-Linsenschraube T20-8x19 MM | Ersatzteile für CB 300 | 2610374919
Hersteller: BOSCH
Artikelnummer: EB-F0150550C1-2610374919
Netto: 3,60 € zzgl. MwSt.
zzgl. 6,90 € Versand (brutto)
einmalig pro Bestellung

Lieferzeit: 5 Werktage

Pos.
61
BOSCH Sicherung | Ersatzteile für CB 300 | 2610384214
Hersteller: BOSCH
Artikelnummer: EB-F0150550C1-2610384214
nur Informationsartikel
Nie mehr lieferbar
keine Alternativen
Pos.
62
BOSCH Feder | Ersatzteile für CB 300 | 2610385376
Hersteller: BOSCH
Artikelnummer: EB-F0150550C1-2610385376
nur Informationsartikel
Nie mehr lieferbar
keine Alternativen
Pos.
801
BOSCH Motorgehäuse GELB | Ersatzteile für CB 300 | 2610385339
Hersteller: BOSCH
Artikelnummer: EB-F0150550C1-2610385339
Netto: 12,72 € zzgl. MwSt.
zzgl. 6,90 € Versand (brutto)
einmalig pro Bestellung

Lieferzeit: 5 Werktage

Pos.
803
BOSCH Anker 230-240V | Ersatzteile für CB 300 | 2610384367
Hersteller: BOSCH
Artikelnummer: EB-F0150550C1-2610384367
nur Informationsartikel
Nie mehr lieferbar
keine Alternativen

Angaben zur Produktsicherheit

Hersteller:
Robert Bosch Power Tools GmbH
Postfach 30 02 20
70442 Stuttgart

E-Mail:
kontakt@bosch.de