BOSCH Untermesser | Ersatzteile für CLASSIC ELECTRIC 35S | F016L23147

Artikelnummer: EB-F016L80647-F016L23147

Position: 414

Marke: BOSCH


Bitte Kompatibilität prüfen!

Bitte prüfen Sie unbedingt die 10-stellige Typennummer Ihrer Maschine / Ihres Gerätes. Das Ersatzteil ist nur kompatibel, wenn Sie die Typennummer Ihrer Maschine in der unten stehenden Produktbeschreibung finden.

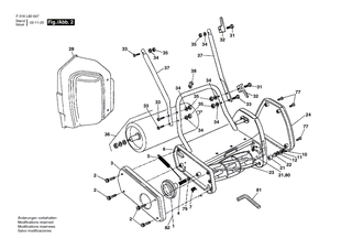
Bitte prüfen Sie ebenfalls detailliert die Explosionszeichnung mit Ihrem Artikelwunsch und der jeweiligen Pos-Nummer.

Alle Elemente, welche vom schwarzen Strich der Pos-Nummer ausgehend berührt / erfasst werden, gehören zu dieser Pos-Nummer und somit zu diesem Artikel. Jede Pos-Nummer ist ein eigenständiger Artikel, welchen Sie in der Auflistung finden.

Sie erhalten stets die aktuellste, neueste Produktversion zu der gewählten Pos-Nummer seitens des Herstellers. Es kann daher je nach Gerätealter vorkommen, dass Sie ggf. weitere, zugehörige Elemente, welche an diese Pos-Nummer grenzen, ebenfalls mittauschen müssen.

Nähere Informationen finden Sie unter dem Link
Hinweise zu Ihrer BOSCH Ersatzteilsuche

Preisübersicht

Einzelpreis: 3,60 €* (Brutto: 4,28 €)
Gesamtpreis: 3,60 €* 
Position:

Lieferzeit: 64 Werktage


Beschreibung

  • Untermesser
  • Original Bosch Zubehör / BOSCH Ersatzteil (F016L23147)
  • im Gerät verbaut: 1
Dieses BOSCH Ersatzteil ist mit folgendem Gerät und Modell kompatibel:
  • BOSCH Gerätename: CLASSIC ELECTRIC 35S
  • BOSCH Explosionszeichnung: Position 414
  • BOSCH Typennummer: F016L80647
  • BOSCH Typennummer alternative Schreibweisen: F 016 L80 647, F016 L80 647, F.016.L80.647, F-016-L80-647
    Bitte prüfen Sie diese Typennummer auf Ihrem Gerät um die Kompatibilität des BOSCH Ersatzteils zu gewährleisten.
Weitere BOSCH Ersatzteile des Gerätes CLASSIC ELECTRIC 35S (Rasenmäher) mit der Typennummer F016L80647 finden Sie in der nachfolgenden Darstellung und im Dropdown zu Ihrer Auswahl:

Pos.
2
BOSCH Schraube M6 | Ersatzteile für CLASSIC ELECTRIC 35S | F016A58228
Hersteller: BOSCH
Artikelnummer: EB-F016L80647-F016A58228
nur Informationsartikel
Nie mehr lieferbar
keine Alternativen
Pos.
3
BOSCH Seitendeckel RH | Ersatzteile für CLASSIC ELECTRIC 35S | F016A75088
Hersteller: BOSCH
Artikelnummer: EB-F016L80647-F016A75088
nur Informationsartikel
Nie mehr lieferbar
keine Alternativen
Pos.
4
BOSCH Knopf | Ersatzteile für CLASSIC ELECTRIC 35S | F016102363
Hersteller: BOSCH
Artikelnummer: EB-F016L80647-F016102363
nur Informationsartikel
Nie mehr lieferbar
keine Alternativen
Pos.
5
BOSCH Feder | Ersatzteile für CLASSIC ELECTRIC 35S | F016A57995
Hersteller: BOSCH
Artikelnummer: EB-F016L80647-F016A57995
nur Informationsartikel
Nie mehr lieferbar
keine Alternativen
Pos.
6
BOSCH Ersatzteil | Ersatzteile für CLASSIC ELECTRIC 35S | F016S10370
Hersteller: BOSCH
Artikelnummer: EB-F016L80647-F016S50110
nur Informationsartikel
Nie mehr lieferbar
keine Alternativen
Pos.
7
BOSCH Feder | Ersatzteile für CLASSIC ELECTRIC 35S | F016A57820
Hersteller: BOSCH
Artikelnummer: EB-F016L80647-F016A57820
Netto: 3,93 € zzgl. MwSt.
zzgl. 6,90 € Versand (brutto)
einmalig pro Bestellung

Lieferzeit: 64 Werktage

Pos.
8
BOSCH Lagerbuchse | Ersatzteile für CLASSIC ELECTRIC 35S | F016A57675
Hersteller: BOSCH
Artikelnummer: EB-F016L80647-F016A57675
nur Informationsartikel
Nie mehr lieferbar
keine Alternativen
Pos.
9
BOSCH Rollenträger | Ersatzteile für CLASSIC ELECTRIC 35S | F016S50016
Hersteller: BOSCH
Artikelnummer: EB-F016L80647-F016S50016
nur Informationsartikel
Nie mehr lieferbar
keine Alternativen
Pos.
13
BOSCH Welle | Ersatzteile für CLASSIC ELECTRIC 35S | F016A57752
Hersteller: BOSCH
Artikelnummer: EB-F016L80647-F016A57752
Netto: 9,95 € zzgl. MwSt.
zzgl. 6,90 € Versand (brutto)
einmalig pro Bestellung

Lieferzeit: 64 Werktage

Pos.
17
BOSCH Laufrolle | Ersatzteile für CLASSIC ELECTRIC 35S | F016L22149
Hersteller: BOSCH
Artikelnummer: EB-F016L80647-F016L22149
nur Informationsartikel
Nie mehr lieferbar
keine Alternativen
Pos.
18
BOSCH Kunststoffrohr | Ersatzteile für CLASSIC ELECTRIC 35S | F016A57836
Hersteller: BOSCH
Artikelnummer: EB-F016L80647-F016A57836
Netto: 4,75 € zzgl. MwSt.
zzgl. 6,90 € Versand (brutto)
einmalig pro Bestellung

Lieferzeit: 64 Werktage

Pos.
19
BOSCH Stützrohr | Ersatzteile für CLASSIC ELECTRIC 35S | F016102798
Hersteller: BOSCH
Artikelnummer: EB-F016L80647-F016102798
Netto: 24,01 € zzgl. MwSt.
zzgl. 6,90 € Versand (brutto)
einmalig pro Bestellung

Lieferzeit: 64 Werktage

Pos.
20
BOSCH Sechskantschraube WAS 170 | Ersatzteile für CLASSIC ELECTRIC 35S | F016W25213
Hersteller: BOSCH
Artikelnummer: EB-F016L80647-F016W25213
nur Informationsartikel
Nie mehr lieferbar
keine Alternativen
Pos.
21
BOSCH Kappe | Ersatzteile für CLASSIC ELECTRIC 35S | F016A57676
Hersteller: BOSCH
Artikelnummer: EB-F016L80647-F016A57676
Netto: 3,60 € zzgl. MwSt.
zzgl. 6,90 € Versand (brutto)
einmalig pro Bestellung

Lieferzeit: 64 Werktage

Pos.
22
BOSCH Zapfen L/H | Ersatzteile für CLASSIC ELECTRIC 35S | F016A57748
Hersteller: BOSCH
Artikelnummer: EB-F016L80647-F016A57748
Netto: 3,60 € zzgl. MwSt.
zzgl. 6,90 € Versand (brutto)
einmalig pro Bestellung

Lieferzeit: 64 Werktage

Pos.
23
BOSCH Kassette | Ersatzteile für CLASSIC ELECTRIC 35S | F016102959
Hersteller: BOSCH
Artikelnummer: EB-F016L80647-F016102959
nur Informationsartikel
Nie mehr lieferbar
keine Alternativen
Pos.
24
BOSCH Schutzdeckel LH | Ersatzteile für CLASSIC ELECTRIC 35S | F016A75397
Hersteller: BOSCH
Artikelnummer: EB-F016L80647-F016A75397
nur Informationsartikel
Nie mehr lieferbar
keine Alternativen
Pos.
25
BOSCH Gewindeschneidschraube 4x19 MM | Ersatzteile für CLASSIC ELECTRIC 35S | F016T49429
Hersteller: BOSCH
Artikelnummer: EB-F016L80647-F016T49429
Netto: 3,60 € zzgl. MwSt.
zzgl. 6,90 € Versand (brutto)
einmalig pro Bestellung

Lieferzeit: 5 Werktage

Pos.
26
BOSCH Motorhaube | Ersatzteile für CLASSIC ELECTRIC 35S | F016A57630
Hersteller: BOSCH
Artikelnummer: EB-F016L80647-F016A57630
nur Informationsartikel
Nie mehr lieferbar
keine Alternativen
Pos.
27
BOSCH Steuereinheit | Ersatzteile für CLASSIC ELECTRIC 35S | F016L57917
Hersteller: BOSCH
Artikelnummer: EB-F016L80647-F016L57917
Netto: 13,61 € zzgl. MwSt.
zzgl. 6,90 € Versand (brutto)
einmalig pro Bestellung

Lieferzeit: 64 Werktage

Pos.
28
BOSCH Auffangbehälter | Ersatzteile für CLASSIC ELECTRIC 35S | F016102210
Hersteller: BOSCH
Artikelnummer: EB-F016L80647-F016102210
nur Informationsartikel
Nie mehr lieferbar
keine Alternativen
Pos.
29
BOSCH Filter | Ersatzteile für CLASSIC ELECTRIC 35S | F016A57934
Hersteller: BOSCH
Artikelnummer: EB-F016L80647-F016A57934
nur Informationsartikel
Nie mehr lieferbar
keine Alternativen
Pos.
30
BOSCH Kabelhalter | Ersatzteile für CLASSIC ELECTRIC 35S | F016T46305
Hersteller: BOSCH
Artikelnummer: EB-F016L80647-F016T46305
Netto: 3,93 € zzgl. MwSt.
zzgl. 6,90 € Versand (brutto)
einmalig pro Bestellung

Lieferzeit: 64 Werktage

Pos.
31
BOSCH Laufbolzen M 6x32 | Ersatzteile für CLASSIC ELECTRIC 35S | F016T49472
Hersteller: BOSCH
Artikelnummer: EB-F016L80647-F016T49472
nur Informationsartikel
Nie mehr lieferbar
keine Alternativen
Pos.
32
BOSCH Griff | Ersatzteile für CLASSIC ELECTRIC 35S | F016A57922
Hersteller: BOSCH
Artikelnummer: EB-F016L80647-F016A57922
nur Informationsartikel
Nie mehr lieferbar
keine Alternativen
Pos.
33
BOSCH Laufbolzen | Ersatzteile für CLASSIC ELECTRIC 35S | F016T48017
Hersteller: BOSCH
Artikelnummer: EB-F016L80647-F016T48017
nur Informationsartikel
Nie mehr lieferbar
keine Alternativen
Pos.
34
BOSCH Unterlegscheibe | Ersatzteile für CLASSIC ELECTRIC 35S | F016T48727
Hersteller: BOSCH
Artikelnummer: EB-F016L80647-F016T48727
Netto: 4,54 € zzgl. MwSt.
zzgl. 6,90 € Versand (brutto)
einmalig pro Bestellung

Lieferzeit: 64 Werktage

Pos.
36
BOSCH Rolle 14" | Ersatzteile für CLASSIC ELECTRIC 35S | F016103622
Hersteller: BOSCH
Artikelnummer: EB-F016L80647-F016103622
nur Informationsartikel
Nie mehr lieferbar
keine Alternativen
Pos.
37
BOSCH Handgriff | Ersatzteile für CLASSIC ELECTRIC 35S | F016103621
Hersteller: BOSCH
Artikelnummer: EB-F016L80647-F016103621
nur Informationsartikel
Nie mehr lieferbar
keine Alternativen
Pos.
38
BOSCH Kabelklemme | Ersatzteile für CLASSIC ELECTRIC 35S | F016T49524
Hersteller: BOSCH
Artikelnummer: EB-F016L80647-F016T49524
Netto: 3,93 € zzgl. MwSt.
zzgl. 6,90 € Versand (brutto)
einmalig pro Bestellung

Lieferzeit: 64 Werktage

Pos.
40
BOSCH Motorhaube | Ersatzteile für CLASSIC ELECTRIC 35S | F016A57631
Hersteller: BOSCH
Artikelnummer: EB-F016L80647-F016A57631
Netto: 8,08 € zzgl. MwSt.
zzgl. 6,90 € Versand (brutto)
einmalig pro Bestellung

Lieferzeit: 64 Werktage

Pos.
42
BOSCH Handgriff | Ersatzteile für CLASSIC ELECTRIC 35S | F016T49559
Hersteller: BOSCH
Artikelnummer: EB-F016L80647-F016T49559
Netto: 19,77 € zzgl. MwSt.
zzgl. 6,90 € Versand (brutto)
einmalig pro Bestellung

Lieferzeit: 64 Werktage

Pos.
44
BOSCH Schaltkasten | Ersatzteile für CLASSIC ELECTRIC 35S | F016T49844
Hersteller: BOSCH
Artikelnummer: EB-F016L80647-F016T49844
Netto: 4,33 € zzgl. MwSt.
zzgl. 6,90 € Versand (brutto)
einmalig pro Bestellung

Lieferzeit: 64 Werktage

Pos.
45
BOSCH Knopf | Ersatzteile für CLASSIC ELECTRIC 35S | F016T49223
Hersteller: BOSCH
Artikelnummer: EB-F016L80647-F016T49223
Netto: 3,75 € zzgl. MwSt.
zzgl. 6,90 € Versand (brutto)
einmalig pro Bestellung

Lieferzeit: 64 Werktage

Pos.
46
BOSCH Druckfeder | Ersatzteile für CLASSIC ELECTRIC 35S | F016T49226
Hersteller: BOSCH
Artikelnummer: EB-F016L80647-F016T49226
nur Informationsartikel
Nie mehr lieferbar
keine Alternativen
Pos.
47
BOSCH Stellhebel SCHWARZ | Ersatzteile für CLASSIC ELECTRIC 35S | F016L65676
Hersteller: BOSCH
Artikelnummer: EB-F016L80647-F016L65676
nur Informationsartikel
Nie mehr lieferbar
keine Alternativen
Pos.
48
BOSCH Federhebel | Ersatzteile für CLASSIC ELECTRIC 35S | F016T49845
Hersteller: BOSCH
Artikelnummer: EB-F016L80647-F016T49845
nur Informationsartikel
Nie mehr lieferbar
keine Alternativen
Pos.
49
BOSCH Schaltkasten | Ersatzteile für CLASSIC ELECTRIC 35S | F016T49432
Hersteller: BOSCH
Artikelnummer: EB-F016L80647-F016T49432
Netto: 3,60 € zzgl. MwSt.
zzgl. 6,90 € Versand (brutto)
einmalig pro Bestellung

Lieferzeit: 64 Werktage

Pos.
50
BOSCH Ersatzteil | Ersatzteile für CLASSIC ELECTRIC 35S | F016L57924
Hersteller: BOSCH
Artikelnummer: EB-F016L80647-F016L57924
nur Informationsartikel
Nie mehr lieferbar
keine Alternativen
Pos.
52
BOSCH Schraube | Ersatzteile für CLASSIC ELECTRIC 35S | F016T56092
Hersteller: BOSCH
Artikelnummer: EB-F016L80647-F016T56092
Netto: 3,49 € zzgl. MwSt.
zzgl. 6,90 € Versand (brutto)
einmalig pro Bestellung

Lieferzeit: 64 Werktage

Pos.
53
BOSCH Gehäusedeckel | Ersatzteile für CLASSIC ELECTRIC 35S | F016L57925
Hersteller: BOSCH
Artikelnummer: EB-F016L80647-F016L57925
nur Informationsartikel
Nie mehr lieferbar
keine Alternativen
Pos.
54
BOSCH Steuerleiste | Ersatzteile für CLASSIC ELECTRIC 35S | F016T49507
Hersteller: BOSCH
Artikelnummer: EB-F016L80647-F016T49507
nur Informationsartikel
Nie mehr lieferbar
keine Alternativen
Pos.
55
BOSCH Zylinderstift | Ersatzteile für CLASSIC ELECTRIC 35S | F016T56145
Hersteller: BOSCH
Artikelnummer: EB-F016L80647-F016T56145
Netto: 3,60 € zzgl. MwSt.
zzgl. 6,90 € Versand (brutto)
einmalig pro Bestellung

Lieferzeit: 64 Werktage

Pos.
56
BOSCH Steuerleiste | Ersatzteile für CLASSIC ELECTRIC 35S | F016T49563
Hersteller: BOSCH
Artikelnummer: EB-F016L80647-F016T49563
Netto: 11,41 € zzgl. MwSt.
zzgl. 6,90 € Versand (brutto)
einmalig pro Bestellung

Lieferzeit: 64 Werktage

Pos.
57
BOSCH Verbindungskabel | Ersatzteile für CLASSIC ELECTRIC 35S | F016A57921
Hersteller: BOSCH
Artikelnummer: EB-F016L80647-F016A57921
Netto: 5,65 € zzgl. MwSt.
zzgl. 6,90 € Versand (brutto)
einmalig pro Bestellung

Lieferzeit: 64 Werktage

Pos.
58
BOSCH Netzanschlussleitung GB 22m 2 x 0,75mm without plug | Ersatzteile für CLASSIC ELECTRIC 35S | F016104085
Hersteller: BOSCH
Artikelnummer: EB-F016L80647-F016104085
nur Informationsartikel
Nie mehr lieferbar
keine Alternativen
Pos.
59
BOSCH Tülle | Ersatzteile für CLASSIC ELECTRIC 35S | F016T44500
Hersteller: BOSCH
Artikelnummer: EB-F016L80647-F016T44500
Netto: 3,93 € zzgl. MwSt.
zzgl. 6,90 € Versand (brutto)
einmalig pro Bestellung

Lieferzeit: 64 Werktage

Pos.
60
BOSCH Kabelhalter | Ersatzteile für CLASSIC ELECTRIC 35S | F016T49636
Hersteller: BOSCH
Artikelnummer: EB-F016L80647-F016T49636
nur Informationsartikel
Nie mehr lieferbar
keine Alternativen
Pos.
61
BOSCH Schalter | Ersatzteile für CLASSIC ELECTRIC 35S | F016T49229
Hersteller: BOSCH
Artikelnummer: EB-F016L80647-F016T49229
nur Informationsartikel
Nie mehr lieferbar
keine Alternativen
Pos.
62
BOSCH Kompensator | Ersatzteile für CLASSIC ELECTRIC 35S | F016103843
Hersteller: BOSCH
Artikelnummer: EB-F016L80647-F016103843
nur Informationsartikel
Nie mehr lieferbar
keine Alternativen
Pos.
63
BOSCH Riemenscheibe | Ersatzteile für CLASSIC ELECTRIC 35S | F016T49582
Hersteller: BOSCH
Artikelnummer: EB-F016L80647-F016T49582
nur Informationsartikel
Nie mehr lieferbar
keine Alternativen
Pos.
64
BOSCH Kondensator | Ersatzteile für CLASSIC ELECTRIC 35S | F016L36952
Hersteller: BOSCH
Artikelnummer: EB-F016L80647-F016L36952
Netto: 3,60 € zzgl. MwSt.
zzgl. 6,90 € Versand (brutto)
einmalig pro Bestellung

Lieferzeit: 5 Werktage

Pos.
65
BOSCH Anzeigering | Ersatzteile für CLASSIC ELECTRIC 35S | F016L37457
Hersteller: BOSCH
Artikelnummer: EB-F016L80647-F016L37457
Netto: 3,60 € zzgl. MwSt.
zzgl. 6,90 € Versand (brutto)
einmalig pro Bestellung

Lieferzeit: 64 Werktage

Pos.
66
BOSCH Mutter | Ersatzteile für CLASSIC ELECTRIC 35S | F016T48221
Hersteller: BOSCH
Artikelnummer: EB-F016L80647-F016T48221
Netto: 3,49 € zzgl. MwSt.
zzgl. 6,90 € Versand (brutto)
einmalig pro Bestellung

Lieferzeit: 64 Werktage

Pos.
67
BOSCH Knopf | Ersatzteile für CLASSIC ELECTRIC 35S | F016T49480
Hersteller: BOSCH
Artikelnummer: EB-F016L80647-F016T49480
Netto: 3,60 € zzgl. MwSt.
zzgl. 6,90 € Versand (brutto)
einmalig pro Bestellung

Lieferzeit: 64 Werktage

Pos.
68
BOSCH Bürstendeckel | Ersatzteile für CLASSIC ELECTRIC 35S | F016A57929
Hersteller: BOSCH
Artikelnummer: EB-F016L80647-F016A57929
nur Informationsartikel
Nie mehr lieferbar
keine Alternativen
Pos.
69
BOSCH Gehäusedeckel | Ersatzteile für CLASSIC ELECTRIC 35S | F016A57928
Hersteller: BOSCH
Artikelnummer: EB-F016L80647-F016A57928
Netto: 4,45 € zzgl. MwSt.
zzgl. 6,90 € Versand (brutto)
einmalig pro Bestellung

Lieferzeit: 64 Werktage

Pos.
70
BOSCH Zugentlastung | Ersatzteile für CLASSIC ELECTRIC 35S | F016L65387
Hersteller: BOSCH
Artikelnummer: EB-F016L80647-F016L65387
Netto: 8,13 € zzgl. MwSt.
zzgl. 6,90 € Versand (brutto)
einmalig pro Bestellung

Lieferzeit: 64 Werktage

Pos.
81
BOSCH Stiftschlüssel | Ersatzteile für CLASSIC ELECTRIC 35S | F016A58230
Hersteller: BOSCH
Artikelnummer: EB-F016L80647-F016A58230
Netto: 3,60 € zzgl. MwSt.
zzgl. 6,90 € Versand (brutto)
einmalig pro Bestellung

Lieferzeit: 64 Werktage

Pos.
82
BOSCH Einsatz | Ersatzteile für CLASSIC ELECTRIC 35S | F016A58188
Hersteller: BOSCH
Artikelnummer: EB-F016L80647-F016A58188
Netto: 4,33 € zzgl. MwSt.
zzgl. 6,90 € Versand (brutto)
einmalig pro Bestellung

Lieferzeit: 64 Werktage

Pos.
401
BOSCH Zylinder | Ersatzteile für CLASSIC ELECTRIC 35S | F016102059
Hersteller: BOSCH
Artikelnummer: EB-F016L80647-F016102059
nur Informationsartikel
Nie mehr lieferbar
keine Alternativen
Pos.
402
BOSCH Lagergehäuse | Ersatzteile für CLASSIC ELECTRIC 35S | F016A58249
Hersteller: BOSCH
Artikelnummer: EB-F016L80647-F016A58249
Netto: 7,22 € zzgl. MwSt.
zzgl. 6,90 € Versand (brutto)
einmalig pro Bestellung

Lieferzeit: 64 Werktage

Pos.
403
BOSCH Kugellager | Ersatzteile für CLASSIC ELECTRIC 35S | F016L02968
Hersteller: BOSCH
Artikelnummer: EB-F016L80647-F016L02968
nur Informationsartikel
Nie mehr lieferbar
keine Alternativen
Pos.
404
BOSCH Dichtring | Ersatzteile für CLASSIC ELECTRIC 35S | F016T40266
Hersteller: BOSCH
Artikelnummer: EB-F016L80647-F016T40266
nur Informationsartikel
Nie mehr lieferbar
keine Alternativen
Pos.
406
BOSCH Feder | Ersatzteile für CLASSIC ELECTRIC 35S | F016T47205
Hersteller: BOSCH
Artikelnummer: EB-F016L80647-F016T47205
nur Informationsartikel
Nie mehr lieferbar
keine Alternativen
Pos.
407
BOSCH Vierkantwelle | Ersatzteile für CLASSIC ELECTRIC 35S | F016T41057
Hersteller: BOSCH
Artikelnummer: EB-F016L80647-F016T41057
nur Informationsartikel
Nie mehr lieferbar
keine Alternativen
Pos.
408
BOSCH Vorlegscheibe | Ersatzteile für CLASSIC ELECTRIC 35S | F016T49443
Hersteller: BOSCH
Artikelnummer: EB-F016L80647-F016T49443
nur Informationsartikel
Nie mehr lieferbar
keine Alternativen
Pos.
409
BOSCH Einstellstück | Ersatzteile für CLASSIC ELECTRIC 35S | F016A57669
Hersteller: BOSCH
Artikelnummer: EB-F016L80647-F016A57669
nur Informationsartikel
Nie mehr lieferbar
keine Alternativen
Pos.
411
BOSCH Einstellschraube | Ersatzteile für CLASSIC ELECTRIC 35S | F016A57713
Hersteller: BOSCH
Artikelnummer: EB-F016L80647-F016A57713
nur Informationsartikel
Nie mehr lieferbar
keine Alternativen
Pos.
412
BOSCH Platte | Ersatzteile für CLASSIC ELECTRIC 35S | F016A57553
Hersteller: BOSCH
Artikelnummer: EB-F016L80647-F016A57553
Netto: 9,63 € zzgl. MwSt.
zzgl. 6,90 € Versand (brutto)
einmalig pro Bestellung

Lieferzeit: 64 Werktage

Pos.
413
BOSCH Untermesser 14" | Ersatzteile für CLASSIC ELECTRIC 35S | F016101509
Hersteller: BOSCH
Artikelnummer: EB-F016L80647-F016101509
nur Informationsartikel
Nie mehr lieferbar
keine Alternativen
Pos.
414
BOSCH Untermesser | Ersatzteile für CLASSIC ELECTRIC 35S | F016L23147
Hersteller: BOSCH
Artikelnummer: EB-F016L80647-F016L23147
Netto: 3,60 € zzgl. MwSt.
zzgl. 6,90 € Versand (brutto)
einmalig pro Bestellung

Lieferzeit: 64 Werktage

Pos.
415
BOSCH Unterlegscheibe 8,5 MM | Ersatzteile für CLASSIC ELECTRIC 35S | F016L35316
Hersteller: BOSCH
Artikelnummer: EB-F016L80647-F016L35316
Netto: 3,60 € zzgl. MwSt.
zzgl. 6,90 € Versand (brutto)
einmalig pro Bestellung

Lieferzeit: 64 Werktage

Pos.
416
BOSCH Schraube 1/4 UNF X 1,3/4 HEX | Ersatzteile für CLASSIC ELECTRIC 35S | F016L08041
Hersteller: BOSCH
Artikelnummer: EB-F016L80647-F016L08041
nur Informationsartikel
Nie mehr lieferbar
keine Alternativen
Pos.
417
BOSCH Mutter 1/4 UNF | Ersatzteile für CLASSIC ELECTRIC 35S | F016L06954
Hersteller: BOSCH
Artikelnummer: EB-F016L80647-F016L06954
Netto: 3,49 € zzgl. MwSt.
zzgl. 6,90 € Versand (brutto)
einmalig pro Bestellung

Lieferzeit: 64 Werktage

Pos.
418
BOSCH Ablenkplatte | Ersatzteile für CLASSIC ELECTRIC 35S | F016103770
Hersteller: BOSCH
Artikelnummer: EB-F016L80647-F016103770
Netto: 18,57 € zzgl. MwSt.
zzgl. 6,90 € Versand (brutto)
einmalig pro Bestellung

Lieferzeit: 64 Werktage

Pos.
419
BOSCH Schraube M6x25 MM | Ersatzteile für CLASSIC ELECTRIC 35S | F016T49288
Hersteller: BOSCH
Artikelnummer: EB-F016L80647-F016T49288
Netto: 3,60 € zzgl. MwSt.
zzgl. 6,90 € Versand (brutto)
einmalig pro Bestellung

Lieferzeit: 64 Werktage

Pos.
421
BOSCH Handgriff | Ersatzteile für CLASSIC ELECTRIC 35S | F016102967
Hersteller: BOSCH
Artikelnummer: EB-F016L80647-F016102967
Netto: 12,84 € zzgl. MwSt.
zzgl. 6,90 € Versand (brutto)
einmalig pro Bestellung

Lieferzeit: 64 Werktage

Pos.
422
BOSCH Seitenrahmen | Ersatzteile für CLASSIC ELECTRIC 35S | F016A57554
Hersteller: BOSCH
Artikelnummer: EB-F016L80647-F016A57554
nur Informationsartikel
Nie mehr lieferbar
keine Alternativen
Pos.
424
BOSCH Schraube | Ersatzteile für CLASSIC ELECTRIC 35S | F016W25623
Hersteller: BOSCH
Artikelnummer: EB-F016L80647-F016W25623
nur Informationsartikel
Nie mehr lieferbar
keine Alternativen
Pos.
426
BOSCH Schraube M6 | Ersatzteile für CLASSIC ELECTRIC 35S | F016A58229
Hersteller: BOSCH
Artikelnummer: EB-F016L80647-F016A58229
Netto: 4,14 € zzgl. MwSt.
zzgl. 6,90 € Versand (brutto)
einmalig pro Bestellung

Lieferzeit: 64 Werktage

Pos.
429
BOSCH Stecker | Ersatzteile für CLASSIC ELECTRIC 35S | F016A58221
Hersteller: BOSCH
Artikelnummer: EB-F016L80647-F016A58221
nur Informationsartikel
Nie mehr lieferbar
keine Alternativen
Pos.
430
BOSCH Gewindeschneidschraube | Ersatzteile für CLASSIC ELECTRIC 35S | F016A58223
Hersteller: BOSCH
Artikelnummer: EB-F016L80647-F016A58223
Netto: 3,49 € zzgl. MwSt.
zzgl. 6,90 € Versand (brutto)
einmalig pro Bestellung

Lieferzeit: 64 Werktage

Pos.
432
BOSCH Federscheibe | Ersatzteile für CLASSIC ELECTRIC 35S | F016L35335
Hersteller: BOSCH
Artikelnummer: EB-F016L80647-F016L35335
Netto: 3,60 € zzgl. MwSt.
zzgl. 6,90 € Versand (brutto)
einmalig pro Bestellung

Lieferzeit: 64 Werktage

Pos.
433
BOSCH Konus | Ersatzteile für CLASSIC ELECTRIC 35S | F016A57620
Hersteller: BOSCH
Artikelnummer: EB-F016L80647-F016A57620
nur Informationsartikel
Nie mehr lieferbar
keine Alternativen
Pos.
436
BOSCH Konus | Ersatzteile für CLASSIC ELECTRIC 35S | F016T41001
Hersteller: BOSCH
Artikelnummer: EB-F016L80647-F016T41001
nur Informationsartikel
Nie mehr lieferbar
keine Alternativen
Pos.
501
BOSCH Walze | Ersatzteile für CLASSIC ELECTRIC 35S | F016103214
Hersteller: BOSCH
Artikelnummer: EB-F016L80647-F016103214
nur Informationsartikel
Nie mehr lieferbar
keine Alternativen
Pos.
502
BOSCH Zahnrad | Ersatzteile für CLASSIC ELECTRIC 35S | F016A57674
Hersteller: BOSCH
Artikelnummer: EB-F016L80647-F016A57674
nur Informationsartikel
Nie mehr lieferbar
keine Alternativen
Pos.
503
BOSCH Ring | Ersatzteile für CLASSIC ELECTRIC 35S | F016A57635
Hersteller: BOSCH
Artikelnummer: EB-F016L80647-F016A57635
nur Informationsartikel
Nie mehr lieferbar
keine Alternativen
Pos.
505
BOSCH Unterlegscheibe M 20 | Ersatzteile für CLASSIC ELECTRIC 35S | F016T48342
Hersteller: BOSCH
Artikelnummer: EB-F016L80647-F016T48342
Netto: 3,50 € zzgl. MwSt.
zzgl. 6,90 € Versand (brutto)
einmalig pro Bestellung

Lieferzeit: 64 Werktage

Pos.
506
BOSCH Aussenring | Ersatzteile für CLASSIC ELECTRIC 35S | F016A57758
Hersteller: BOSCH
Artikelnummer: EB-F016L80647-F016A57758
Netto: 4,14 € zzgl. MwSt.
zzgl. 6,90 € Versand (brutto)
einmalig pro Bestellung

Lieferzeit: 64 Werktage

Pos.
507
BOSCH Spindel | Ersatzteile für CLASSIC ELECTRIC 35S | F016A58735
Hersteller: BOSCH
Artikelnummer: EB-F016L80647-F016A58735
Netto: 15,85 € zzgl. MwSt.
zzgl. 6,90 € Versand (brutto)
einmalig pro Bestellung

Lieferzeit: 64 Werktage

Pos.
508
BOSCH Welle | Ersatzteile für CLASSIC ELECTRIC 35S | F016102295
Hersteller: BOSCH
Artikelnummer: EB-F016L80647-F016102295
nur Informationsartikel
Nie mehr lieferbar
keine Alternativen
Pos.
509
BOSCH Rückhalteblech | Ersatzteile für CLASSIC ELECTRIC 35S | F016A58331
Hersteller: BOSCH
Artikelnummer: EB-F016L80647-F016A58331
nur Informationsartikel
Nie mehr lieferbar
keine Alternativen
Pos.
512
BOSCH Getriebedeckel | Ersatzteile für CLASSIC ELECTRIC 35S | F016A57575
Hersteller: BOSCH
Artikelnummer: EB-F016L80647-F016A57575
nur Informationsartikel
Nie mehr lieferbar
keine Alternativen
Pos.
513
BOSCH Abstandsbuchse | Ersatzteile für CLASSIC ELECTRIC 35S | F016A57633
Hersteller: BOSCH
Artikelnummer: EB-F016L80647-F016A57633
nur Informationsartikel
Nie mehr lieferbar
keine Alternativen
Pos.
514
BOSCH Halterung | Ersatzteile für CLASSIC ELECTRIC 35S | F016102382
Hersteller: BOSCH
Artikelnummer: EB-F016L80647-F016102382
nur Informationsartikel
Nie mehr lieferbar
keine Alternativen
Pos.
523
BOSCH Nietstift | Ersatzteile für CLASSIC ELECTRIC 35S | F016A58178
Hersteller: BOSCH
Artikelnummer: EB-F016L80647-F016A58178
Netto: 4,45 € zzgl. MwSt.
zzgl. 6,90 € Versand (brutto)
einmalig pro Bestellung

Lieferzeit: 64 Werktage

Pos.
722
BOSCH Beilegring | Ersatzteile für CLASSIC ELECTRIC 35S | F016A57779
Hersteller: BOSCH
Artikelnummer: EB-F016L80647-F016A57779
nur Informationsartikel
Nie mehr lieferbar
keine Alternativen
Pos.
723
BOSCH Scheibe | Ersatzteile für CLASSIC ELECTRIC 35S | F016L08473
Hersteller: BOSCH
Artikelnummer: EB-F016L80647-F016L08473
nur Informationsartikel
Nie mehr lieferbar
keine Alternativen
Pos.
724
BOSCH Beilegring | Ersatzteile für CLASSIC ELECTRIC 35S | F016A57781
Hersteller: BOSCH
Artikelnummer: EB-F016L80647-F016A57781
Netto: 4,54 € zzgl. MwSt.
zzgl. 6,90 € Versand (brutto)
einmalig pro Bestellung

Lieferzeit: 64 Werktage

Pos.
725
BOSCH Gurtbringer | Ersatzteile für CLASSIC ELECTRIC 35S | F016103152
Hersteller: BOSCH
Artikelnummer: EB-F016L80647-F016103152
nur Informationsartikel
Nie mehr lieferbar
keine Alternativen
Pos.
727
BOSCH Beilegring | Ersatzteile für CLASSIC ELECTRIC 35S | F016A57901
Hersteller: BOSCH
Artikelnummer: EB-F016L80647-F016A57901
nur Informationsartikel
Nie mehr lieferbar
keine Alternativen
Pos.
738
BOSCH Zahnriemen | Ersatzteile für CLASSIC ELECTRIC 35S | F016T45383
Hersteller: BOSCH
Artikelnummer: EB-F016L80647-F016T45383
nur Informationsartikel
Nie mehr lieferbar
keine Alternativen
Pos.
739
BOSCH Riemenscheibe | Ersatzteile für CLASSIC ELECTRIC 35S | F016A57672
Hersteller: BOSCH
Artikelnummer: EB-F016L80647-F016A57672
nur Informationsartikel
Nie mehr lieferbar
keine Alternativen
Pos.
748
BOSCH Teilesatz | Ersatzteile für CLASSIC ELECTRIC 35S | F016103619
Hersteller: BOSCH
Artikelnummer: EB-F016L80647-F016103619
nur Informationsartikel
Nie mehr lieferbar
keine Alternativen
Pos.
750
BOSCH Elektromotor | Ersatzteile für CLASSIC ELECTRIC 35S | F016A58000
Hersteller: BOSCH
Artikelnummer: EB-F016L80647-F016A58000
nur Informationsartikel
Nie mehr lieferbar
keine Alternativen
Pos.
753
BOSCH Scheibe 7/8X33/64 X21G | Ersatzteile für CLASSIC ELECTRIC 35S | F016L08474
Hersteller: BOSCH
Artikelnummer: EB-F016L80647-F016L08474
nur Informationsartikel
Nie mehr lieferbar
keine Alternativen
Pos.
754
BOSCH Sicherungsscheibe | Ersatzteile für CLASSIC ELECTRIC 35S | F016L10273
Hersteller: BOSCH
Artikelnummer: EB-F016L80647-F016L10273
Netto: 3,60 € zzgl. MwSt.
zzgl. 6,90 € Versand (brutto)
einmalig pro Bestellung

Lieferzeit: 64 Werktage

Pos.
901
BOSCH Mutter M12 | Ersatzteile für CLASSIC ELECTRIC 35S | F016L23210
Hersteller: BOSCH
Artikelnummer: EB-F016L80647-F016L23210
Netto: 4,45 € zzgl. MwSt.
zzgl. 6,90 € Versand (brutto)
einmalig pro Bestellung

Lieferzeit: 64 Werktage

Pos.
902
BOSCH Unterlegscheibe | Ersatzteile für CLASSIC ELECTRIC 35S | F016L17849
Hersteller: BOSCH
Artikelnummer: EB-F016L80647-F016L17849
Netto: 3,60 € zzgl. MwSt.
zzgl. 6,90 € Versand (brutto)
einmalig pro Bestellung

Lieferzeit: 64 Werktage

Pos.
903
BOSCH Riemenscheibe | Ersatzteile für CLASSIC ELECTRIC 35S | F016102215
Hersteller: BOSCH
Artikelnummer: EB-F016L80647-F016102215
Netto: 9,95 € zzgl. MwSt.
zzgl. 6,90 € Versand (brutto)
einmalig pro Bestellung

Lieferzeit: 64 Werktage

Pos.
904
BOSCH Auflageplatte | Ersatzteile für CLASSIC ELECTRIC 35S | F016A57933
Hersteller: BOSCH
Artikelnummer: EB-F016L80647-F016A57933
Netto: 6,45 € zzgl. MwSt.
zzgl. 6,90 € Versand (brutto)
einmalig pro Bestellung

Lieferzeit: 64 Werktage

Pos.
905
BOSCH Unterlegscheibe 8,5 MM | Ersatzteile für CLASSIC ELECTRIC 35S | F016T48531
Hersteller: BOSCH
Artikelnummer: EB-F016L80647-F016T48531
nur Informationsartikel
Nie mehr lieferbar
keine Alternativen
Pos.
906
BOSCH Federscheibe 5/16 SW SE | Ersatzteile für CLASSIC ELECTRIC 35S | F016L35307
Hersteller: BOSCH
Artikelnummer: EB-F016L80647-F016L35307
Netto: 3,60 € zzgl. MwSt.
zzgl. 6,90 € Versand (brutto)
einmalig pro Bestellung

Lieferzeit: 64 Werktage

Pos.
907
BOSCH Mutter M8 | Ersatzteile für CLASSIC ELECTRIC 35S | F016L35457
Hersteller: BOSCH
Artikelnummer: EB-F016L80647-F016L35457
Netto: 3,60 € zzgl. MwSt.
zzgl. 6,90 € Versand (brutto)
einmalig pro Bestellung

Lieferzeit: 64 Werktage

Pos.
908
BOSCH Antriebsriemen | Ersatzteile für CLASSIC ELECTRIC 35S | F016A58729
Hersteller: BOSCH
Artikelnummer: EB-F016L80647-F016A58729
Netto: 10,70 € zzgl. MwSt.
zzgl. 6,90 € Versand (brutto)
einmalig pro Bestellung

Lieferzeit: 64 Werktage

Pos.
912
BOSCH Lagerbuchse | Ersatzteile für CLASSIC ELECTRIC 35S | F016A57764
Hersteller: BOSCH
Artikelnummer: EB-F016L80647-F016A57764
nur Informationsartikel
Nie mehr lieferbar
keine Alternativen
Pos.
913
BOSCH Rolle | Ersatzteile für CLASSIC ELECTRIC 35S | F016A57703
Hersteller: BOSCH
Artikelnummer: EB-F016L80647-F016A57703
Netto: 6,77 € zzgl. MwSt.
zzgl. 6,90 € Versand (brutto)
einmalig pro Bestellung

Lieferzeit: 64 Werktage

Pos.
914
BOSCH Feder | Ersatzteile für CLASSIC ELECTRIC 35S | F016A58046
Hersteller: BOSCH
Artikelnummer: EB-F016L80647-F016A58046
Netto: 5,22 € zzgl. MwSt.
zzgl. 6,90 € Versand (brutto)
einmalig pro Bestellung

Lieferzeit: 64 Werktage

Pos.
915
BOSCH Feder | Ersatzteile für CLASSIC ELECTRIC 35S | F016L08487
Hersteller: BOSCH
Artikelnummer: EB-F016L80647-F016L08487
nur Informationsartikel
Nie mehr lieferbar
keine Alternativen
Pos.
916
BOSCH Halter | Ersatzteile für CLASSIC ELECTRIC 35S | F016L66172
Hersteller: BOSCH
Artikelnummer: EB-F016L80647-F016L66172
Netto: 4,82 € zzgl. MwSt.
zzgl. 6,90 € Versand (brutto)
einmalig pro Bestellung

Lieferzeit: 64 Werktage

Pos.
917
BOSCH Seilzug | Ersatzteile für CLASSIC ELECTRIC 35S | F016A57920
Hersteller: BOSCH
Artikelnummer: EB-F016L80647-F016A57920
nur Informationsartikel
Nie mehr lieferbar
keine Alternativen
Pos.
918
BOSCH Einstellstück | Ersatzteile für CLASSIC ELECTRIC 35S | F016A58040
Hersteller: BOSCH
Artikelnummer: EB-F016L80647-F016A58040
Netto: 9,95 € zzgl. MwSt.
zzgl. 6,90 € Versand (brutto)
einmalig pro Bestellung

Lieferzeit: 64 Werktage

Pos.
919
BOSCH Klemmutter M12 | Ersatzteile für CLASSIC ELECTRIC 35S | F016L18605
Hersteller: BOSCH
Artikelnummer: EB-F016L80647-F016L18605
Netto: 3,60 € zzgl. MwSt.
zzgl. 6,90 € Versand (brutto)
einmalig pro Bestellung

Lieferzeit: 64 Werktage

Pos.
920
BOSCH Scheibe | Ersatzteile für CLASSIC ELECTRIC 35S | F016A57907
Hersteller: BOSCH
Artikelnummer: EB-F016L80647-F016A57907
Netto: 3,60 € zzgl. MwSt.
zzgl. 6,90 € Versand (brutto)
einmalig pro Bestellung

Lieferzeit: 64 Werktage

Pos.
921
BOSCH Mutter M6 | Ersatzteile für CLASSIC ELECTRIC 35S | F016L35329
Hersteller: BOSCH
Artikelnummer: EB-F016L80647-F016L35329
Netto: 3,93 € zzgl. MwSt.
zzgl. 6,90 € Versand (brutto)
einmalig pro Bestellung

Lieferzeit: 64 Werktage

Pos.
924
BOSCH Beilegring | Ersatzteile für CLASSIC ELECTRIC 35S | F016A57780
Hersteller: BOSCH
Artikelnummer: EB-F016L80647-F016A57780
Netto: 5,15 € zzgl. MwSt.
zzgl. 6,90 € Versand (brutto)
einmalig pro Bestellung

Lieferzeit: 64 Werktage

Pos.
926
BOSCH Keilriemen | Ersatzteile für CLASSIC ELECTRIC 35S | F016A57941
Hersteller: BOSCH
Artikelnummer: EB-F016L80647-F016A57941
nur Informationsartikel
Nie mehr lieferbar
keine Alternativen
Pos.
928
BOSCH Umlenkwalze | Ersatzteile für CLASSIC ELECTRIC 35S | F016A58988
Hersteller: BOSCH
Artikelnummer: EB-F016L80647-F016A58988
nur Informationsartikel
Nie mehr lieferbar
keine Alternativen
Pos.
929
BOSCH Laufbolzen | Ersatzteile für CLASSIC ELECTRIC 35S | F016W25673
Hersteller: BOSCH
Artikelnummer: EB-F016L80647-F016W25673
Netto: 3,60 € zzgl. MwSt.
zzgl. 6,90 € Versand (brutto)
einmalig pro Bestellung

Lieferzeit: 64 Werktage

Pos.
931
BOSCH Riemenscheibe | Ersatzteile für CLASSIC ELECTRIC 35S | F016102161
Hersteller: BOSCH
Artikelnummer: EB-F016L80647-F016102161
Netto: 18,57 € zzgl. MwSt.
zzgl. 6,90 € Versand (brutto)
einmalig pro Bestellung

Lieferzeit: 64 Werktage

Pos.
932
BOSCH Sicherungsscheibe | Ersatzteile für CLASSIC ELECTRIC 35S | F016L35389
Hersteller: BOSCH
Artikelnummer: EB-F016L80647-F016L35389
Netto: 3,60 € zzgl. MwSt.
zzgl. 6,90 € Versand (brutto)
einmalig pro Bestellung

Lieferzeit: 64 Werktage

Pos.
934
BOSCH Kugellager | Ersatzteile für CLASSIC ELECTRIC 35S | F016A57838
Hersteller: BOSCH
Artikelnummer: EB-F016L80647-F016A57838
Netto: 13,61 € zzgl. MwSt.
zzgl. 6,90 € Versand (brutto)
einmalig pro Bestellung

Lieferzeit: 64 Werktage

Pos.
935
BOSCH Lagerhalter | Ersatzteile für CLASSIC ELECTRIC 35S | F016102969
Hersteller: BOSCH
Artikelnummer: EB-F016L80647-F016102969
Netto: 6,05 € zzgl. MwSt.
zzgl. 6,90 € Versand (brutto)
einmalig pro Bestellung

Lieferzeit: 64 Werktage

Pos.
936
BOSCH Gewindeschneidschraube M6 | Ersatzteile für CLASSIC ELECTRIC 35S | F016L35387
Hersteller: BOSCH
Artikelnummer: EB-F016L80647-F016L35387
Netto: 3,60 € zzgl. MwSt.
zzgl. 6,90 € Versand (brutto)
einmalig pro Bestellung

Lieferzeit: 64 Werktage

Pos.
937
BOSCH Antriebswelle | Ersatzteile für CLASSIC ELECTRIC 35S | F016A57735
Hersteller: BOSCH
Artikelnummer: EB-F016L80647-F016A57735
Netto: 13,19 € zzgl. MwSt.
zzgl. 6,90 € Versand (brutto)
einmalig pro Bestellung

Lieferzeit: 64 Werktage

Pos.
940
BOSCH Spiralspannstift | Ersatzteile für CLASSIC ELECTRIC 35S | F016L36483
Hersteller: BOSCH
Artikelnummer: EB-F016L80647-F016L36483
Netto: 4,10 € zzgl. MwSt.
zzgl. 6,90 € Versand (brutto)
einmalig pro Bestellung

Lieferzeit: 64 Werktage

Pos.
941
BOSCH Zugstange | Ersatzteile für CLASSIC ELECTRIC 35S | F016102048
Hersteller: BOSCH
Artikelnummer: EB-F016L80647-F016102048
Netto: 6,77 € zzgl. MwSt.
zzgl. 6,90 € Versand (brutto)
einmalig pro Bestellung

Lieferzeit: 64 Werktage

Pos.
944
BOSCH Sechskantschraube M8 | Ersatzteile für CLASSIC ELECTRIC 35S | F016T48048
Hersteller: BOSCH
Artikelnummer: EB-F016L80647-F016T48048
Netto: 3,60 € zzgl. MwSt.
zzgl. 6,90 € Versand (brutto)
einmalig pro Bestellung

Lieferzeit: 64 Werktage

Pos.
945
BOSCH Schraube M6x16 | Ersatzteile für CLASSIC ELECTRIC 35S | F016L63339
Hersteller: BOSCH
Artikelnummer: EB-F016L80647-F016L63339
Netto: 3,60 € zzgl. MwSt.
zzgl. 6,90 € Versand (brutto)
einmalig pro Bestellung

Lieferzeit: 64 Werktage

Pos.
946
BOSCH Unterlegscheibe 12,1X6,4X1,5 | Ersatzteile für CLASSIC ELECTRIC 35S | F016L18129
Hersteller: BOSCH
Artikelnummer: EB-F016L80647-F016L18129
Netto: 3,60 € zzgl. MwSt.
zzgl. 6,90 € Versand (brutto)
einmalig pro Bestellung

Lieferzeit: 64 Werktage

Pos.
949
BOSCH Kreuzschlitzschraube M5 | Ersatzteile für CLASSIC ELECTRIC 35S | F016A57756
Hersteller: BOSCH
Artikelnummer: EB-F016L80647-F016A57756
Netto: 3,60 € zzgl. MwSt.
zzgl. 6,90 € Versand (brutto)
einmalig pro Bestellung

Lieferzeit: 64 Werktage

Pos.
951
BOSCH Sechskantmutter | Ersatzteile für CLASSIC ELECTRIC 35S | F016T40589
Hersteller: BOSCH
Artikelnummer: EB-F016L80647-F016T40589
Netto: 3,49 € zzgl. MwSt.
zzgl. 6,90 € Versand (brutto)
einmalig pro Bestellung

Lieferzeit: 64 Werktage

Pos.
952
BOSCH Gehäuse | Ersatzteile für CLASSIC ELECTRIC 35S | F016A57892
Hersteller: BOSCH
Artikelnummer: EB-F016L80647-F016A57892
Netto: 4,45 € zzgl. MwSt.
zzgl. 6,90 € Versand (brutto)
einmalig pro Bestellung

Lieferzeit: 64 Werktage

Pos.
957
BOSCH Feder | Ersatzteile für CLASSIC ELECTRIC 35S | F016A58316
Hersteller: BOSCH
Artikelnummer: EB-F016L80647-F016A58316
Netto: 4,10 € zzgl. MwSt.
zzgl. 6,90 € Versand (brutto)
einmalig pro Bestellung

Lieferzeit: 64 Werktage

Pos.
958
BOSCH Sicherungsmutter M6 | Ersatzteile für CLASSIC ELECTRIC 35S | F016L35388
Hersteller: BOSCH
Artikelnummer: EB-F016L80647-F016L35388
Netto: 4,31 € zzgl. MwSt.
zzgl. 6,90 € Versand (brutto)
einmalig pro Bestellung

Lieferzeit: 64 Werktage

Pos.
959
BOSCH Distanzstück | Ersatzteile für CLASSIC ELECTRIC 35S | F016A58315
Hersteller: BOSCH
Artikelnummer: EB-F016L80647-F016A58315
Netto: 4,10 € zzgl. MwSt.
zzgl. 6,90 € Versand (brutto)
einmalig pro Bestellung

Lieferzeit: 64 Werktage

Pos.
960
BOSCH Unterlegscheibe 8,5 MM | Ersatzteile für CLASSIC ELECTRIC 35S | F016L35411
Hersteller: BOSCH
Artikelnummer: EB-F016L80647-F016L35411
Netto: 3,60 € zzgl. MwSt.
zzgl. 6,90 € Versand (brutto)
einmalig pro Bestellung

Lieferzeit: 64 Werktage

Pos.
961
BOSCH Platte | Ersatzteile für CLASSIC ELECTRIC 35S | F016A58217
Hersteller: BOSCH
Artikelnummer: EB-F016L80647-F016A58217
nur Informationsartikel
Nie mehr lieferbar
keine Alternativen

Angaben zur Produktsicherheit

Hersteller:
Robert Bosch Power Tools GmbH
Postfach 30 02 20
70442 Stuttgart

E-Mail:
kontakt@bosch.de