BOSCH Mutter M8 | Ersatzteile für CLASSIC PETROL 35S | F016L35457

Artikelnummer: EB-3616C05A70-F016L35457

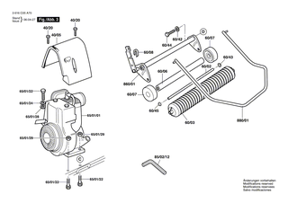
Position: 60/43

Marke: BOSCH


Bitte Kompatibilität prüfen!

Bitte prüfen Sie unbedingt die 10-stellige Typennummer Ihrer Maschine / Ihres Gerätes. Das Ersatzteil ist nur kompatibel, wenn Sie die Typennummer Ihrer Maschine in der unten stehenden Produktbeschreibung finden.

Bitte prüfen Sie ebenfalls detailliert die Explosionszeichnung mit Ihrem Artikelwunsch und der jeweiligen Pos-Nummer.

Alle Elemente, welche vom schwarzen Strich der Pos-Nummer ausgehend berührt / erfasst werden, gehören zu dieser Pos-Nummer und somit zu diesem Artikel. Jede Pos-Nummer ist ein eigenständiger Artikel, welchen Sie in der Auflistung finden.

Sie erhalten stets die aktuellste, neueste Produktversion zu der gewählten Pos-Nummer seitens des Herstellers. Es kann daher je nach Gerätealter vorkommen, dass Sie ggf. weitere, zugehörige Elemente, welche an diese Pos-Nummer grenzen, ebenfalls mittauschen müssen.

Nähere Informationen finden Sie unter dem Link
Hinweise zu Ihrer BOSCH Ersatzteilsuche

Preisübersicht

Einzelpreis: 3,60 €* (Brutto: 4,28 €)
Gesamtpreis: 3,60 €* 
Position:

Lieferzeit: 5 Werktage


Beschreibung

  • Mutter M8
  • Original Bosch Zubehör / BOSCH Ersatzteil (F016L35457)
  • im Gerät verbaut: 1
Dieses BOSCH Ersatzteil ist mit folgendem Gerät und Modell kompatibel:
  • BOSCH Gerätename: CLASSIC PETROL 35S
  • BOSCH Explosionszeichnung: Position 60/43
  • BOSCH Typennummer: 3616C05A70
  • BOSCH Typennummer alternative Schreibweisen: 3 616 C05 A70, 3616 C05 A70, 3.616.C05.A70, 3-616-C05-A70
    Bitte prüfen Sie diese Typennummer auf Ihrem Gerät um die Kompatibilität des BOSCH Ersatzteils zu gewährleisten.
Weitere BOSCH Ersatzteile des Gerätes CLASSIC PETROL 35S (Rasenmäher) mit der Typennummer 3616C05A70 finden Sie in der nachfolgenden Darstellung und im Dropdown zu Ihrer Auswahl:

Pos.
40/02
BOSCH Schutzdeckel LH | Ersatzteile für CLASSIC PETROL 35S | F016A75397
Hersteller: BOSCH
Artikelnummer: EB-3616C05A70-F016A75397
nur Informationsartikel
Nie mehr lieferbar
keine Alternativen
Pos.
40/03
BOSCH Seitendeckel RH | Ersatzteile für CLASSIC PETROL 35S | F016A75088
Hersteller: BOSCH
Artikelnummer: EB-3616C05A70-F016A75088
nur Informationsartikel
Nie mehr lieferbar
keine Alternativen
Pos.
40/05
BOSCH Schutzhaube | Ersatzteile für CLASSIC PETROL 35S | F016A75082
Hersteller: BOSCH
Artikelnummer: EB-3616C05A70-F016A75082
nur Informationsartikel
Nie mehr lieferbar
keine Alternativen
Pos.
40/20
BOSCH Kreuzschlitzschraube M5 | Ersatzteile für CLASSIC PETROL 35S | F016A57756
Hersteller: BOSCH
Artikelnummer: EB-3616C05A70-F016A57756
Netto: 3,60 € zzgl. MwSt.
zzgl. 6,90 € Versand (brutto)
einmalig pro Bestellung

Lieferzeit: 5 Werktage

Pos.
40/21
BOSCH Schraube M6 | Ersatzteile für CLASSIC PETROL 35S | F016A58228
Hersteller: BOSCH
Artikelnummer: EB-3616C05A70-F016A58228
nur Informationsartikel
Nie mehr lieferbar
keine Alternativen
Pos.
50/02
BOSCH Spindel 14" | Ersatzteile für CLASSIC PETROL 35S | F016A75327
Hersteller: BOSCH
Artikelnummer: EB-3616C05A70-F016A75327
nur Informationsartikel
Nie mehr lieferbar
keine Alternativen
Pos.
50/03
BOSCH Ring | Ersatzteile für CLASSIC PETROL 35S | F016A57635
Hersteller: BOSCH
Artikelnummer: EB-3616C05A70-F016A57635
nur Informationsartikel
Nie mehr lieferbar
keine Alternativen
Pos.
50/05
BOSCH Abdeckplatte | Ersatzteile für CLASSIC PETROL 35S | F016A75404
Hersteller: BOSCH
Artikelnummer: EB-3616C05A70-F016A75404
nur Informationsartikel
Nie mehr lieferbar
keine Alternativen
Pos.
50/21
BOSCH Stellring | Ersatzteile für CLASSIC PETROL 35S | F016A58860
Hersteller: BOSCH
Artikelnummer: EB-3616C05A70-F016A58860
nur Informationsartikel
Nie mehr lieferbar
keine Alternativen
Pos.
50/22
BOSCH Nietstift | Ersatzteile für CLASSIC PETROL 35S | F016A58178
Hersteller: BOSCH
Artikelnummer: EB-3616C05A70-F016A58178
nur Informationsartikel
Nie mehr lieferbar
keine Alternativen
Pos.
50/27
BOSCH Gewindeschneidschraube 4x19 MM | Ersatzteile für CLASSIC PETROL 35S | F016T49429
Hersteller: BOSCH
Artikelnummer: EB-3616C05A70-F016T49429
Netto: 3,63 € zzgl. MwSt.
zzgl. 6,90 € Versand (brutto)
einmalig pro Bestellung

Lieferzeit: 5 Werktage

Pos.
55/01
BOSCH Seitenplatte L/H | Ersatzteile für CLASSIC PETROL 35S | F016A75001
Hersteller: BOSCH
Artikelnummer: EB-3616C05A70-F016A75001
nur Informationsartikel
Nie mehr lieferbar
keine Alternativen
Pos.
55/02
BOSCH Seitenplatte R/H | Ersatzteile für CLASSIC PETROL 35S | F016A75002
Hersteller: BOSCH
Artikelnummer: EB-3616C05A70-F016A75002
nur Informationsartikel
Nie mehr lieferbar
keine Alternativen
Pos.
55/06
BOSCH Abstandsklotz | Ersatzteile für CLASSIC PETROL 35S | F016A75065
Hersteller: BOSCH
Artikelnummer: EB-3616C05A70-F016A75065
nur Informationsartikel
Nie mehr lieferbar
keine Alternativen
Pos.
55/07
BOSCH Spindel | Ersatzteile für CLASSIC PETROL 35S | F016A58818
Hersteller: BOSCH
Artikelnummer: EB-3616C05A70-F016A58818
nur Informationsartikel
Nie mehr lieferbar
keine Alternativen
Pos.
55/08/02
BOSCH Lager | Ersatzteile für CLASSIC PETROL 35S | F016A58741
Hersteller: BOSCH
Artikelnummer: EB-3616C05A70-F016A58741
nur Informationsartikel
Nie mehr lieferbar
keine Alternativen
Pos.
55/09
BOSCH Abschirmblech | Ersatzteile für CLASSIC PETROL 35S | F016A58854
Hersteller: BOSCH
Artikelnummer: EB-3616C05A70-F016A58854
nur Informationsartikel
Nie mehr lieferbar
keine Alternativen
Pos.
55/10
BOSCH Manschette | Ersatzteile für CLASSIC PETROL 35S | F016A58855
Hersteller: BOSCH
Artikelnummer: EB-3616C05A70-F016A58855
nur Informationsartikel
Nie mehr lieferbar
keine Alternativen
Pos.
55/11
BOSCH Spannfeder | Ersatzteile für CLASSIC PETROL 35S | F016A58856
Hersteller: BOSCH
Artikelnummer: EB-3616C05A70-F016A58856
nur Informationsartikel
Nie mehr lieferbar
keine Alternativen
Pos.
55/13
BOSCH Zahnrad | Ersatzteile für CLASSIC PETROL 35S | F016A57590
Hersteller: BOSCH
Artikelnummer: EB-3616C05A70-F016A57590
nur Informationsartikel
Nie mehr lieferbar
keine Alternativen
Pos.
55/14
BOSCH Einstellstück | Ersatzteile für CLASSIC PETROL 35S | F016A57669
Hersteller: BOSCH
Artikelnummer: EB-3616C05A70-F016A57669
nur Informationsartikel
Nie mehr lieferbar
keine Alternativen
Pos.
55/15
BOSCH Einstellschraube | Ersatzteile für CLASSIC PETROL 35S | F016A57713
Hersteller: BOSCH
Artikelnummer: EB-3616C05A70-F016A57713
nur Informationsartikel
Nie mehr lieferbar
keine Alternativen
Pos.
55/17
BOSCH Vierkantwelle | Ersatzteile für CLASSIC PETROL 35S | F016T41057
Hersteller: BOSCH
Artikelnummer: EB-3616C05A70-F016T41057
nur Informationsartikel
Nie mehr lieferbar
keine Alternativen
Pos.
55/43
BOSCH Schraube M6 | Ersatzteile für CLASSIC PETROL 35S | F016A58229
Hersteller: BOSCH
Artikelnummer: EB-3616C05A70-F016A58229
nur Informationsartikel
Nie mehr lieferbar
keine Alternativen
Pos.
55/44
BOSCH Mutter 1/4 UNF | Ersatzteile für CLASSIC PETROL 35S | F016L06954
Hersteller: BOSCH
Artikelnummer: EB-3616C05A70-F016L06954
nur Informationsartikel
Nie mehr lieferbar
keine Alternativen
Pos.
55/45
BOSCH Schraube M6x25 MM | Ersatzteile für CLASSIC PETROL 35S | F016T49288
Hersteller: BOSCH
Artikelnummer: EB-3616C05A70-F016T49288
Netto: 3,60 € zzgl. MwSt.
zzgl. 6,90 € Versand (brutto)
einmalig pro Bestellung

Lieferzeit: 5 Werktage

Pos.
55/47
BOSCH Sicherungsscheibe | Ersatzteile für CLASSIC PETROL 35S | F016L35389
Hersteller: BOSCH
Artikelnummer: EB-3616C05A70-F016L35389
Netto: 3,63 € zzgl. MwSt.
zzgl. 6,90 € Versand (brutto)
einmalig pro Bestellung

Lieferzeit: 5 Werktage

Pos.
55/49
BOSCH Feder | Ersatzteile für CLASSIC PETROL 35S | F016T47205
Hersteller: BOSCH
Artikelnummer: EB-3616C05A70-F016T47205
nur Informationsartikel
Nie mehr lieferbar
keine Alternativen
Pos.
55/50
BOSCH Vorlegscheibe | Ersatzteile für CLASSIC PETROL 35S | F016T49443
Hersteller: BOSCH
Artikelnummer: EB-3616C05A70-F016T49443
nur Informationsartikel
Nie mehr lieferbar
keine Alternativen
Pos.
60/02
BOSCH Welle | Ersatzteile für CLASSIC PETROL 35S | F016A75079
Hersteller: BOSCH
Artikelnummer: EB-3616C05A70-F016A75079
nur Informationsartikel
Nie mehr lieferbar
keine Alternativen
Pos.
60/03
BOSCH Rolle | Ersatzteile für CLASSIC PETROL 35S | F016A75058
Hersteller: BOSCH
Artikelnummer: EB-3616C05A70-F016A75058
nur Informationsartikel
Nie mehr lieferbar
keine Alternativen
Pos.
60/06
BOSCH Kunststoffrohr | Ersatzteile für CLASSIC PETROL 35S | F016A57836
Hersteller: BOSCH
Artikelnummer: EB-3616C05A70-F016A57836
nur Informationsartikel
Nie mehr lieferbar
keine Alternativen
Pos.
60/07
BOSCH Laufrolle | Ersatzteile für CLASSIC PETROL 35S | F016L22149
Hersteller: BOSCH
Artikelnummer: EB-3616C05A70-F016L22149
nur Informationsartikel
Nie mehr lieferbar
keine Alternativen
Pos.
60/08
BOSCH Lagerbuchse | Ersatzteile für CLASSIC PETROL 35S | F016A57675
Hersteller: BOSCH
Artikelnummer: EB-3616C05A70-F016A57675
nur Informationsartikel
Nie mehr lieferbar
keine Alternativen
Pos.
60/09
BOSCH Zapfen L/H | Ersatzteile für CLASSIC PETROL 35S | F016A57748
Hersteller: BOSCH
Artikelnummer: EB-3616C05A70-F016A57748
Netto: 3,63 € zzgl. MwSt.
zzgl. 6,90 € Versand (brutto)
einmalig pro Bestellung

Lieferzeit: 5 Werktage

Pos.
60/10
BOSCH Kappe | Ersatzteile für CLASSIC PETROL 35S | F016A57676
Hersteller: BOSCH
Artikelnummer: EB-3616C05A70-F016A57676
Netto: 3,63 € zzgl. MwSt.
zzgl. 6,90 € Versand (brutto)
einmalig pro Bestellung

Lieferzeit: 5 Werktage

Pos.
60/11
BOSCH Feder | Ersatzteile für CLASSIC PETROL 35S | F016A57820
Hersteller: BOSCH
Artikelnummer: EB-3616C05A70-F016A57820
Netto: 3,94 € zzgl. MwSt.
zzgl. 6,90 € Versand (brutto)
einmalig pro Bestellung

Lieferzeit: 5 Werktage

Pos.
60/15
BOSCH Feder | Ersatzteile für CLASSIC PETROL 35S | F016A57995
Hersteller: BOSCH
Artikelnummer: EB-3616C05A70-F016A57995
nur Informationsartikel
Nie mehr lieferbar
keine Alternativen
Pos.
60/41
BOSCH Federscheibe 5/16 SW SE | Ersatzteile für CLASSIC PETROL 35S | F016L35307
Hersteller: BOSCH
Artikelnummer: EB-3616C05A70-F016L35307
Netto: 3,63 € zzgl. MwSt.
zzgl. 6,90 € Versand (brutto)
einmalig pro Bestellung

Lieferzeit: 5 Werktage

Pos.
60/42
BOSCH Unterlegscheibe 8,5 MM | Ersatzteile für CLASSIC PETROL 35S | F016L35411
Hersteller: BOSCH
Artikelnummer: EB-3616C05A70-F016L35411
Netto: 3,63 € zzgl. MwSt.
zzgl. 6,90 € Versand (brutto)
einmalig pro Bestellung

Lieferzeit: 5 Werktage

Pos.
60/43
BOSCH Mutter M8 | Ersatzteile für CLASSIC PETROL 35S | F016L35457
Hersteller: BOSCH
Artikelnummer: EB-3616C05A70-F016L35457
Netto: 3,60 € zzgl. MwSt.
zzgl. 6,90 € Versand (brutto)
einmalig pro Bestellung

Lieferzeit: 5 Werktage

Pos.
60/44
BOSCH Sechskantschraube WAS 170 | Ersatzteile für CLASSIC PETROL 35S | F016W25213
Hersteller: BOSCH
Artikelnummer: EB-3616C05A70-F016W25213
nur Informationsartikel
Nie mehr lieferbar
keine Alternativen
Pos.
65/01/08
BOSCH Schalthebel | Ersatzteile für CLASSIC PETROL 35S | F016A58801
Hersteller: BOSCH
Artikelnummer: EB-3616C05A70-F016A58801
nur Informationsartikel
Nie mehr lieferbar
keine Alternativen
Pos.
65/01/21
BOSCH Sicherungsmutter M6 | Ersatzteile für CLASSIC PETROL 35S | F016L35388
Hersteller: BOSCH
Artikelnummer: EB-3616C05A70-F016L35388
nur Informationsartikel
Nie mehr lieferbar
keine Alternativen
Pos.
65/01/22
BOSCH Laufbolzen M8 | Ersatzteile für CLASSIC PETROL 35S | F016A75098
Hersteller: BOSCH
Artikelnummer: EB-3616C05A70-F016A75098
nur Informationsartikel
Nie mehr lieferbar
keine Alternativen
Pos.
65/01/26
BOSCH Unterlegscheibe | Ersatzteile für CLASSIC PETROL 35S | F016L35302
Hersteller: BOSCH
Artikelnummer: EB-3616C05A70-F016L35302
Netto: 3,60 € zzgl. MwSt.
zzgl. 6,90 € Versand (brutto)
einmalig pro Bestellung

Lieferzeit: 5 Werktage

Pos.
65/01/27
BOSCH Gewindeschneidschraube M 4x35 | Ersatzteile für CLASSIC PETROL 35S | F016L35303
Hersteller: BOSCH
Artikelnummer: EB-3616C05A70-F016L35303
nur Informationsartikel
Nie mehr lieferbar
keine Alternativen
Pos.
70/01
BOSCH Antriebswelle 14" | Ersatzteile für CLASSIC PETROL 35S | F016A57738
Hersteller: BOSCH
Artikelnummer: EB-3616C05A70-F016A57738
nur Informationsartikel
Nie mehr lieferbar
keine Alternativen
Pos.
70/02
BOSCH Welle | Ersatzteile für CLASSIC PETROL 35S | F016102295
Hersteller: BOSCH
Artikelnummer: EB-3616C05A70-F016102295
nur Informationsartikel
Nie mehr lieferbar
keine Alternativen
Pos.
70/03/05
BOSCH Buchse | Ersatzteile für CLASSIC PETROL 35S | F016A57762
Hersteller: BOSCH
Artikelnummer: EB-3616C05A70-F016A57762
nur Informationsartikel
Nie mehr lieferbar
keine Alternativen
Pos.
70/05/02
BOSCH Buchse | Ersatzteile für CLASSIC PETROL 35S | F016A57761
Hersteller: BOSCH
Artikelnummer: EB-3616C05A70-F016A57761
nur Informationsartikel
Nie mehr lieferbar
keine Alternativen
Pos.
70/06
BOSCH Riemenscheibe 46 MM | Ersatzteile für CLASSIC PETROL 35S | F016A58726
Hersteller: BOSCH
Artikelnummer: EB-3616C05A70-F016A58726
nur Informationsartikel
Nie mehr lieferbar
keine Alternativen
Pos.
70/09
BOSCH Umlenkwalze | Ersatzteile für CLASSIC PETROL 35S | F016102815
Hersteller: BOSCH
Artikelnummer: EB-3616C05A70-F016102815
nur Informationsartikel
Nie mehr lieferbar
keine Alternativen
Pos.
70/10
BOSCH Riemen | Ersatzteile für CLASSIC PETROL 35S | F016A58728
Hersteller: BOSCH
Artikelnummer: EB-3616C05A70-F016A58728
nur Informationsartikel
Nie mehr lieferbar
keine Alternativen
Pos.
70/11
BOSCH Keilriemen | Ersatzteile für CLASSIC PETROL 35S | F016A57941
Hersteller: BOSCH
Artikelnummer: EB-3616C05A70-F016A57941
nur Informationsartikel
Nie mehr lieferbar
keine Alternativen
Pos.
70/19/02
BOSCH Lagerbuchse | Ersatzteile für CLASSIC PETROL 35S | F016A57764
Hersteller: BOSCH
Artikelnummer: EB-3616C05A70-F016A57764
nur Informationsartikel
Nie mehr lieferbar
keine Alternativen
Pos.
70/21
BOSCH Distanzstück | Ersatzteile für CLASSIC PETROL 35S | F016A58315
Hersteller: BOSCH
Artikelnummer: EB-3616C05A70-F016A58315
nur Informationsartikel
Nie mehr lieferbar
keine Alternativen
Pos.
70/22
BOSCH Feder | Ersatzteile für CLASSIC PETROL 35S | F016A58316
Hersteller: BOSCH
Artikelnummer: EB-3616C05A70-F016A58316
nur Informationsartikel
Nie mehr lieferbar
keine Alternativen
Pos.
70/23
BOSCH Kupplungsstück | Ersatzteile für CLASSIC PETROL 35S | F016L09518
Hersteller: BOSCH
Artikelnummer: EB-3616C05A70-F016L09518
nur Informationsartikel
Nie mehr lieferbar
keine Alternativen
Pos.
70/24
BOSCH Halter | Ersatzteile für CLASSIC PETROL 35S | F016L66172
Hersteller: BOSCH
Artikelnummer: EB-3616C05A70-F016L66172
nur Informationsartikel
Nie mehr lieferbar
keine Alternativen
Pos.
70/25
BOSCH Beilegring | Ersatzteile für CLASSIC PETROL 35S | F016A57780
Hersteller: BOSCH
Artikelnummer: EB-3616C05A70-F016A57780
nur Informationsartikel
Nie mehr lieferbar
keine Alternativen
Pos.
70/28
BOSCH Kugellager | Ersatzteile für CLASSIC PETROL 35S | F016A57838
Hersteller: BOSCH
Artikelnummer: EB-3616C05A70-F016A57838
Netto: 13,81 € zzgl. MwSt.
zzgl. 6,90 € Versand (brutto)
einmalig pro Bestellung

Lieferzeit: 5 Werktage

Pos.
70/29
BOSCH Regelfeder | Ersatzteile für CLASSIC PETROL 35S | F016A58531
Hersteller: BOSCH
Artikelnummer: EB-3616C05A70-F016A58531
nur Informationsartikel
Nie mehr lieferbar
keine Alternativen
Pos.
70/30
BOSCH Regelfeder | Ersatzteile für CLASSIC PETROL 35S | F016A58530
Hersteller: BOSCH
Artikelnummer: EB-3616C05A70-F016A58530
nur Informationsartikel
Nie mehr lieferbar
keine Alternativen
Pos.
70/32
BOSCH Feder | Ersatzteile für CLASSIC PETROL 35S | F016L08487
Hersteller: BOSCH
Artikelnummer: EB-3616C05A70-F016L08487
nur Informationsartikel
Nie mehr lieferbar
keine Alternativen
Pos.
70/34
BOSCH Lagerzapfen | Ersatzteile für CLASSIC PETROL 35S | F016A58422
Hersteller: BOSCH
Artikelnummer: EB-3616C05A70-F016A58422
nur Informationsartikel
Nie mehr lieferbar
keine Alternativen
Pos.
70/35
BOSCH Riemenscheibe | Ersatzteile für CLASSIC PETROL 35S | F016L09227
Hersteller: BOSCH
Artikelnummer: EB-3616C05A70-F016L09227
nur Informationsartikel
Nie mehr lieferbar
keine Alternativen
Pos.
70/41
BOSCH Sicherungsring | Ersatzteile für CLASSIC PETROL 35S | F016A57759
Hersteller: BOSCH
Artikelnummer: EB-3616C05A70-F016A57759
nur Informationsartikel
Nie mehr lieferbar
keine Alternativen
Pos.
70/42
BOSCH Scheibe | Ersatzteile für CLASSIC PETROL 35S | F016A57907
Hersteller: BOSCH
Artikelnummer: EB-3616C05A70-F016A57907
Netto: 3,63 € zzgl. MwSt.
zzgl. 6,90 € Versand (brutto)
einmalig pro Bestellung

Lieferzeit: 5 Werktage

Pos.
70/43
BOSCH Unterlegscheibe M16 | Ersatzteile für CLASSIC PETROL 35S | F016A58725
Hersteller: BOSCH
Artikelnummer: EB-3616C05A70-F016A58725
nur Informationsartikel
Nie mehr lieferbar
keine Alternativen
Pos.
70/44
BOSCH Sicherungsmutter M8 | Ersatzteile für CLASSIC PETROL 35S | F016L11218
Hersteller: BOSCH
Artikelnummer: EB-3616C05A70-F016L11218
nur Informationsartikel
Nie mehr lieferbar
keine Alternativen
Pos.
70/45
BOSCH Unterlegscheibe | Ersatzteile für CLASSIC PETROL 35S | F016L17849
Hersteller: BOSCH
Artikelnummer: EB-3616C05A70-F016L17849
Netto: 3,63 € zzgl. MwSt.
zzgl. 6,90 € Versand (brutto)
einmalig pro Bestellung

Lieferzeit: 5 Werktage

Pos.
70/46
BOSCH Sechskantschraube M6x12 | Ersatzteile für CLASSIC PETROL 35S | F016L18120
Hersteller: BOSCH
Artikelnummer: EB-3616C05A70-F016L18120
nur Informationsartikel
Nie mehr lieferbar
keine Alternativen
Pos.
70/47
BOSCH Klemmutter M12 | Ersatzteile für CLASSIC PETROL 35S | F016L18605
Hersteller: BOSCH
Artikelnummer: EB-3616C05A70-F016L18605
Netto: 3,60 € zzgl. MwSt.
zzgl. 6,90 € Versand (brutto)
einmalig pro Bestellung

Lieferzeit: 5 Werktage

Pos.
70/48
BOSCH Mutter M12 | Ersatzteile für CLASSIC PETROL 35S | F016L23210
Hersteller: BOSCH
Artikelnummer: EB-3616C05A70-F016L23210
nur Informationsartikel
Nie mehr lieferbar
keine Alternativen
Pos.
70/51
BOSCH Gewindeschneidschraube M6 | Ersatzteile für CLASSIC PETROL 35S | F016L35387
Hersteller: BOSCH
Artikelnummer: EB-3616C05A70-F016L35387
Netto: 3,63 € zzgl. MwSt.
zzgl. 6,90 € Versand (brutto)
einmalig pro Bestellung

Lieferzeit: 5 Werktage

Pos.
70/55
BOSCH Scheibe | Ersatzteile für CLASSIC PETROL 35S | F016T42988
Hersteller: BOSCH
Artikelnummer: EB-3616C05A70-F016T42988
nur Informationsartikel
Nie mehr lieferbar
keine Alternativen
Pos.
70/56
BOSCH Laufbolzen | Ersatzteile für CLASSIC PETROL 35S | F016T48017
Hersteller: BOSCH
Artikelnummer: EB-3616C05A70-F016T48017
nur Informationsartikel
Nie mehr lieferbar
keine Alternativen
Pos.
70/57
BOSCH Unterlegscheibe 8,5 MM | Ersatzteile für CLASSIC PETROL 35S | F016L35316
Hersteller: BOSCH
Artikelnummer: EB-3616C05A70-F016L35316
Netto: 3,60 € zzgl. MwSt.
zzgl. 6,90 € Versand (brutto)
einmalig pro Bestellung

Lieferzeit: 5 Werktage

Pos.
75/03
BOSCH Ersatzteil L/H | Ersatzteile für CLASSIC PETROL 35S | F016L36720
Hersteller: BOSCH
Artikelnummer: EB-3616C05A70-F016L36720
nur Informationsartikel
Nie mehr lieferbar
keine Alternativen
Pos.
75/04
BOSCH Ersatzteil R/H | Ersatzteile für CLASSIC PETROL 35S | F016L36721
Hersteller: BOSCH
Artikelnummer: EB-3616C05A70-F016L36721
nur Informationsartikel
Nie mehr lieferbar
keine Alternativen
Pos.
75/05
BOSCH Schalthebel | Ersatzteile für CLASSIC PETROL 35S | F016A75338
Hersteller: BOSCH
Artikelnummer: EB-3616C05A70-F016A75338
nur Informationsartikel
Nie mehr lieferbar
keine Alternativen
Pos.
75/06
BOSCH Schalthebel | Ersatzteile für CLASSIC PETROL 35S | F016A75341
Hersteller: BOSCH
Artikelnummer: EB-3616C05A70-F016A75341
nur Informationsartikel
Nie mehr lieferbar
keine Alternativen
Pos.
75/08
BOSCH Halter | Ersatzteile für CLASSIC PETROL 35S | F016L36717
Hersteller: BOSCH
Artikelnummer: EB-3616C05A70-F016L36717
nur Informationsartikel
Nie mehr lieferbar
keine Alternativen
Pos.
75/09
BOSCH Buchse | Ersatzteile für CLASSIC PETROL 35S | F016L36719
Hersteller: BOSCH
Artikelnummer: EB-3616C05A70-F016L36719
nur Informationsartikel
Nie mehr lieferbar
keine Alternativen
Pos.
75/10
BOSCH Sicherungskappe Ø8 MM SCHWARZ | Ersatzteile für CLASSIC PETROL 35S | F016T48990
Hersteller: BOSCH
Artikelnummer: EB-3616C05A70-F016T48990
Netto: 3,63 € zzgl. MwSt.
zzgl. 6,90 € Versand (brutto)
einmalig pro Bestellung

Lieferzeit: 5 Werktage

Pos.
75/11
BOSCH Seilzug | Ersatzteile für CLASSIC PETROL 35S | F016A58035
Hersteller: BOSCH
Artikelnummer: EB-3616C05A70-F016A58035
nur Informationsartikel
Nie mehr lieferbar
keine Alternativen
Pos.
75/12
BOSCH Seilzug | Ersatzteile für CLASSIC PETROL 35S | F016A58036
Hersteller: BOSCH
Artikelnummer: EB-3616C05A70-F016A58036
nur Informationsartikel
Nie mehr lieferbar
keine Alternativen
Pos.
75/13
BOSCH Ersatzteil | Ersatzteile für CLASSIC PETROL 35S | F016103130
Hersteller: BOSCH
Artikelnummer: EB-3616C05A70-F016103130
nur Informationsartikel
Nie mehr lieferbar
keine Alternativen
Pos.
75/24
BOSCH Einstellstück | Ersatzteile für CLASSIC PETROL 35S | F016A58040
Hersteller: BOSCH
Artikelnummer: EB-3616C05A70-F016A58040
nur Informationsartikel
Nie mehr lieferbar
keine Alternativen
Pos.
75/25
BOSCH Mutter M6 | Ersatzteile für CLASSIC PETROL 35S | F016L35329
Hersteller: BOSCH
Artikelnummer: EB-3616C05A70-F016L35329
Netto: 3,94 € zzgl. MwSt.
zzgl. 6,90 € Versand (brutto)
einmalig pro Bestellung

Lieferzeit: 5 Werktage

Pos.
75/26
BOSCH Schraube M5x32 | Ersatzteile für CLASSIC PETROL 35S | F016L36722
Hersteller: BOSCH
Artikelnummer: EB-3616C05A70-F016L36722
Netto: 3,63 € zzgl. MwSt.
zzgl. 6,90 € Versand (brutto)
einmalig pro Bestellung

Lieferzeit: 5 Werktage

Pos.
75/27
BOSCH Mutter M5 | Ersatzteile für CLASSIC PETROL 35S | F016L36836
Hersteller: BOSCH
Artikelnummer: EB-3616C05A70-F016L36836
Netto: 3,60 € zzgl. MwSt.
zzgl. 6,90 € Versand (brutto)
einmalig pro Bestellung

Lieferzeit: 5 Werktage

Pos.
75/28
BOSCH Spanngriff | Ersatzteile für CLASSIC PETROL 35S | F016L66136
Hersteller: BOSCH
Artikelnummer: EB-3616C05A70-F016L66136
Netto: 5,67 € zzgl. MwSt.
zzgl. 6,90 € Versand (brutto)
einmalig pro Bestellung

Lieferzeit: 5 Werktage

Pos.
80/02
BOSCH Auffangbehälter | Ersatzteile für CLASSIC PETROL 35S | F016102210
Hersteller: BOSCH
Artikelnummer: EB-3616C05A70-F016102210
nur Informationsartikel
Nie mehr lieferbar
keine Alternativen
Pos.
840/01
BOSCH Gehäuse | Ersatzteile für CLASSIC PETROL 35S | F016103647
Hersteller: BOSCH
Artikelnummer: EB-3616C05A70-F016103647
nur Informationsartikel
Nie mehr lieferbar
keine Alternativen
Pos.
85/02/12
BOSCH Stiftschlüssel | Ersatzteile für CLASSIC PETROL 35S | F016A58230
Hersteller: BOSCH
Artikelnummer: EB-3616C05A70-F016A58230
Netto: 3,63 € zzgl. MwSt.
zzgl. 6,90 € Versand (brutto)
einmalig pro Bestellung

Lieferzeit: 5 Werktage

Pos.
85/02/14
BOSCH Kabelklemme | Ersatzteile für CLASSIC PETROL 35S | F016T49524
Hersteller: BOSCH
Artikelnummer: EB-3616C05A70-F016T49524
Netto: 3,94 € zzgl. MwSt.
zzgl. 6,90 € Versand (brutto)
einmalig pro Bestellung

Lieferzeit: 5 Werktage

Pos.
850/04
BOSCH Lagerhalter | Ersatzteile für CLASSIC PETROL 35S | F016102966
Hersteller: BOSCH
Artikelnummer: EB-3616C05A70-F016102966
nur Informationsartikel
Nie mehr lieferbar
keine Alternativen
Pos.
855/03
BOSCH Handgriff | Ersatzteile für CLASSIC PETROL 35S | F016102967
Hersteller: BOSCH
Artikelnummer: EB-3616C05A70-F016102967
nur Informationsartikel
Nie mehr lieferbar
keine Alternativen
Pos.
855/04
BOSCH Ablenkplatte | Ersatzteile für CLASSIC PETROL 35S | F016103707
Hersteller: BOSCH
Artikelnummer: EB-3616C05A70-F016103707
nur Informationsartikel
Nie mehr lieferbar
keine Alternativen
Pos.
855/05
BOSCH Untermesser 14" | Ersatzteile für CLASSIC PETROL 35S | F016101509
Hersteller: BOSCH
Artikelnummer: EB-3616C05A70-F016101509
nur Informationsartikel
Nie mehr lieferbar
keine Alternativen
Pos.
855/08
BOSCH Lager | Ersatzteile für CLASSIC PETROL 35S | F016102805
Hersteller: BOSCH
Artikelnummer: EB-3616C05A70-F016102805
nur Informationsartikel
Nie mehr lieferbar
keine Alternativen
Pos.
860/01
BOSCH Rollenträger | Ersatzteile für CLASSIC PETROL 35S | F016102976
Hersteller: BOSCH
Artikelnummer: EB-3616C05A70-F016102976
nur Informationsartikel
Nie mehr lieferbar
keine Alternativen
Pos.
860/12
BOSCH Knopf | Ersatzteile für CLASSIC PETROL 35S | F016102130
Hersteller: BOSCH
Artikelnummer: EB-3616C05A70-F016102130
nur Informationsartikel
Nie mehr lieferbar
keine Alternativen
Pos.
865/01/02
BOSCH Kupplungsstück | Ersatzteile für CLASSIC PETROL 35S | F016A58602
Hersteller: BOSCH
Artikelnummer: EB-3616C05A70-F016A58602
nur Informationsartikel
Nie mehr lieferbar
keine Alternativen
Pos.
870/03
BOSCH Getriebeeinheit | Ersatzteile für CLASSIC PETROL 35S | F016102377
Hersteller: BOSCH
Artikelnummer: EB-3616C05A70-F016102377
nur Informationsartikel
Nie mehr lieferbar
keine Alternativen
Pos.
870/04
BOSCH Riemenscheibe | Ersatzteile für CLASSIC PETROL 35S | F016103221
Hersteller: BOSCH
Artikelnummer: EB-3616C05A70-F016103221
nur Informationsartikel
Nie mehr lieferbar
keine Alternativen
Pos.
870/05
BOSCH Zahnrad | Ersatzteile für CLASSIC PETROL 35S | F016102379
Hersteller: BOSCH
Artikelnummer: EB-3616C05A70-F016102379
nur Informationsartikel
Nie mehr lieferbar
keine Alternativen
Pos.
870/07
BOSCH Rolle | Ersatzteile für CLASSIC PETROL 35S | F016102282
Hersteller: BOSCH
Artikelnummer: EB-3616C05A70-F016102282
nur Informationsartikel
Nie mehr lieferbar
keine Alternativen
Pos.
870/13
BOSCH Getriebebock S/A | Ersatzteile für CLASSIC PETROL 35S | F016102977
Hersteller: BOSCH
Artikelnummer: EB-3616C05A70-F016102977
nur Informationsartikel
Nie mehr lieferbar
keine Alternativen
Pos.
870/14
BOSCH Führungsstein | Ersatzteile für CLASSIC PETROL 35S | F016102818
Hersteller: BOSCH
Artikelnummer: EB-3616C05A70-F016102818
nur Informationsartikel
Nie mehr lieferbar
keine Alternativen
Pos.
870/17
BOSCH Abdrückscheibe | Ersatzteile für CLASSIC PETROL 35S | F016103154
Hersteller: BOSCH
Artikelnummer: EB-3616C05A70-F016103154
nur Informationsartikel
Nie mehr lieferbar
keine Alternativen
Pos.
870/18
BOSCH Lagerhalter | Ersatzteile für CLASSIC PETROL 35S | F016103153
Hersteller: BOSCH
Artikelnummer: EB-3616C05A70-F016103153
nur Informationsartikel
Nie mehr lieferbar
keine Alternativen
Pos.
870/19
BOSCH Halterung | Ersatzteile für CLASSIC PETROL 35S | F016103210
Hersteller: BOSCH
Artikelnummer: EB-3616C05A70-F016103210
nur Informationsartikel
Nie mehr lieferbar
keine Alternativen
Pos.
875/01
BOSCH Handgriff | Ersatzteile für CLASSIC PETROL 35S | F016102804
Hersteller: BOSCH
Artikelnummer: EB-3616C05A70-F016102804
nur Informationsartikel
Nie mehr lieferbar
keine Alternativen
Pos.
880/01
BOSCH Stützrohr | Ersatzteile für CLASSIC PETROL 35S | F016102798
Hersteller: BOSCH
Artikelnummer: EB-3616C05A70-F016102798
nur Informationsartikel
Nie mehr lieferbar
keine Alternativen
Pos.
850
BOSCH Walze | Ersatzteile für CLASSIC PETROL 35S | F016103214
Hersteller: BOSCH
Artikelnummer: EB-3616C05A70-F016103214
nur Informationsartikel
Nie mehr lieferbar
keine Alternativen
Pos.
855
BOSCH Kassette | Ersatzteile für CLASSIC PETROL 35S | F016102960
Hersteller: BOSCH
Artikelnummer: EB-3616C05A70-F016102960
nur Informationsartikel
Nie mehr lieferbar
keine Alternativen
Pos.
8756
BOSCH Reparatursatz | Ersatzteile für CLASSIC PETROL 35S | F016L37700
Hersteller: BOSCH
Artikelnummer: EB-3616C05A70-F016L37700
nur Informationsartikel
Nie mehr lieferbar
keine Alternativen

Angaben zur Produktsicherheit

Hersteller:
Robert Bosch Power Tools GmbH
Postfach 30 02 20
70442 Stuttgart

E-Mail:
kontakt@bosch.de