BOSCH Unterlegscheibe | Ersatzteile für CLASSIC Petrol 43S | F016L35302

Artikelnummer: EB-F016306042-F016L35302

Position: 65/01/26

Marke: BOSCH


Bitte Kompatibilität prüfen!

Bitte prüfen Sie unbedingt die 10-stellige Typennummer Ihrer Maschine / Ihres Gerätes. Das Ersatzteil ist nur kompatibel, wenn Sie die Typennummer Ihrer Maschine in der unten stehenden Produktbeschreibung finden.

Bitte prüfen Sie ebenfalls detailliert die Explosionszeichnung mit Ihrem Artikelwunsch und der jeweiligen Pos-Nummer.

Alle Elemente, welche vom schwarzen Strich der Pos-Nummer ausgehend berührt / erfasst werden, gehören zu dieser Pos-Nummer und somit zu diesem Artikel. Jede Pos-Nummer ist ein eigenständiger Artikel, welchen Sie in der Auflistung finden.

Sie erhalten stets die aktuellste, neueste Produktversion zu der gewählten Pos-Nummer seitens des Herstellers. Es kann daher je nach Gerätealter vorkommen, dass Sie ggf. weitere, zugehörige Elemente, welche an diese Pos-Nummer grenzen, ebenfalls mittauschen müssen.

Nähere Informationen finden Sie unter dem Link
Hinweise zu Ihrer BOSCH Ersatzteilsuche

Preisübersicht

Einzelpreis: 3,60 €* (Brutto: 4,28 €)
Gesamtpreis: 3,60 €* 
Position:

Lieferzeit: 5 Werktage


Beschreibung

  • Unterlegscheibe
  • Original Bosch Zubehör / BOSCH Ersatzteil (F016L35302)
  • im Gerät verbaut: 1
Dieses BOSCH Ersatzteil ist mit folgendem Gerät und Modell kompatibel:
  • BOSCH Gerätename: CLASSIC Petrol 43S
  • BOSCH Explosionszeichnung: Position 65/01/26
  • BOSCH Typennummer: F016306042
  • BOSCH Typennummer alternative Schreibweisen: F 016 306 042, F016 306 042, F.016.306.042, F-016-306-042
    Bitte prüfen Sie diese Typennummer auf Ihrem Gerät um die Kompatibilität des BOSCH Ersatzteils zu gewährleisten.
Weitere BOSCH Ersatzteile des Gerätes CLASSIC Petrol 43S (RASENMAEHER) mit der Typennummer F016306042 finden Sie in der nachfolgenden Darstellung und im Dropdown zu Ihrer Auswahl:

Pos.
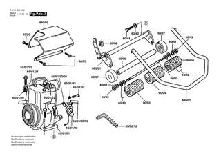
40/02
BOSCH Schutzdeckel LH | Ersatzteile für CLASSIC Petrol 43S | F016A75397
Hersteller: BOSCH
Artikelnummer: EB-F016306042-F016A75397
nur Informationsartikel
Nie mehr lieferbar
keine Alternativen
Pos.
40/03
BOSCH Seitendeckel RH | Ersatzteile für CLASSIC Petrol 43S | F016A75088
Hersteller: BOSCH
Artikelnummer: EB-F016306042-F016A75088
nur Informationsartikel
Nie mehr lieferbar
keine Alternativen
Pos.
40/08
BOSCH Platte | Ersatzteile für CLASSIC Petrol 43S | F016A58217
Hersteller: BOSCH
Artikelnummer: EB-F016306042-F016A58217
nur Informationsartikel
Nie mehr lieferbar
keine Alternativen
Pos.
40/20
BOSCH Kreuzschlitzschraube M5 | Ersatzteile für CLASSIC Petrol 43S | F016A57756
Hersteller: BOSCH
Artikelnummer: EB-F016306042-F016A57756
Netto: 3,60 € zzgl. MwSt.
zzgl. 6,90 € Versand (brutto)
einmalig pro Bestellung

Lieferzeit: 5 Werktage

Pos.
40/21
BOSCH Schraube M6 | Ersatzteile für CLASSIC Petrol 43S | F016A58228
Hersteller: BOSCH
Artikelnummer: EB-F016306042-F016A58228
nur Informationsartikel
Nie mehr lieferbar
keine Alternativen
Pos.
50/02
BOSCH Spindel | Ersatzteile für CLASSIC Petrol 43S | F016A58736
Hersteller: BOSCH
Artikelnummer: EB-F016306042-F016A58736
nur Informationsartikel
Nie mehr lieferbar
keine Alternativen
Pos.
50/03
BOSCH Ring | Ersatzteile für CLASSIC Petrol 43S | F016A57635
Hersteller: BOSCH
Artikelnummer: EB-F016306042-F016A57635
nur Informationsartikel
Nie mehr lieferbar
keine Alternativen
Pos.
50/04
BOSCH Bürste | Ersatzteile für CLASSIC Petrol 43S | F016L61256
Hersteller: BOSCH
Artikelnummer: EB-F016306042-F016L61256
nur Informationsartikel
Nie mehr lieferbar
keine Alternativen
Pos.
50/05
BOSCH Getriebedeckel | Ersatzteile für CLASSIC Petrol 43S | F016A57575
Hersteller: BOSCH
Artikelnummer: EB-F016306042-F016A57575
nur Informationsartikel
Nie mehr lieferbar
keine Alternativen
Pos.
50/06
BOSCH Abstandsbuchse | Ersatzteile für CLASSIC Petrol 43S | F016A57633
Hersteller: BOSCH
Artikelnummer: EB-F016306042-F016A57633
nur Informationsartikel
Nie mehr lieferbar
keine Alternativen
Pos.
50/21
BOSCH Aussenring | Ersatzteile für CLASSIC Petrol 43S | F016A57758
Hersteller: BOSCH
Artikelnummer: EB-F016306042-F016A57758
nur Informationsartikel
Nie mehr lieferbar
keine Alternativen
Pos.
50/22
BOSCH Nietstift | Ersatzteile für CLASSIC Petrol 43S | F016A58178
Hersteller: BOSCH
Artikelnummer: EB-F016306042-F016A58178
nur Informationsartikel
Nie mehr lieferbar
keine Alternativen
Pos.
50/23
BOSCH Unterlegscheibe M 20 | Ersatzteile für CLASSIC Petrol 43S | F016A58577
Hersteller: BOSCH
Artikelnummer: EB-F016306042-F016A58577
Netto: 3,60 € zzgl. MwSt.
zzgl. 6,90 € Versand (brutto)
einmalig pro Bestellung

Lieferzeit: 5 Werktage

Pos.
55/01
BOSCH Platte | Ersatzteile für CLASSIC Petrol 43S | F016A57553
Hersteller: BOSCH
Artikelnummer: EB-F016306042-F016A57553
Netto: 9,75 € zzgl. MwSt.
zzgl. 6,90 € Versand (brutto)
einmalig pro Bestellung

Lieferzeit: 5 Werktage

Pos.
55/02
BOSCH Seitenrahmen | Ersatzteile für CLASSIC Petrol 43S | F016A57554
Hersteller: BOSCH
Artikelnummer: EB-F016306042-F016A57554
nur Informationsartikel
Nie mehr lieferbar
keine Alternativen
Pos.
55/06
BOSCH Untermesser | Ersatzteile für CLASSIC Petrol 43S | F016L23147
Hersteller: BOSCH
Artikelnummer: EB-F016306042-F016L23147
Netto: 3,60 € zzgl. MwSt.
zzgl. 6,90 € Versand (brutto)
einmalig pro Bestellung

Lieferzeit: 5 Werktage

Pos.
55/07/05
BOSCH Konus | Ersatzteile für CLASSIC Petrol 43S | F016A57620
Hersteller: BOSCH
Artikelnummer: EB-F016306042-F016A57620
nur Informationsartikel
Nie mehr lieferbar
keine Alternativen
Pos.
55/07/06
BOSCH Konus | Ersatzteile für CLASSIC Petrol 43S | F016A57619
Hersteller: BOSCH
Artikelnummer: EB-F016306042-F016A57619
Netto: 9,05 € zzgl. MwSt.
zzgl. 6,90 € Versand (brutto)
einmalig pro Bestellung

Lieferzeit: 5 Werktage

Pos.
55/07/09
BOSCH Federscheibe | Ersatzteile für CLASSIC Petrol 43S | F016L35335
Hersteller: BOSCH
Artikelnummer: EB-F016306042-F016L35335
Netto: 3,60 € zzgl. MwSt.
zzgl. 6,90 € Versand (brutto)
einmalig pro Bestellung

Lieferzeit: 5 Werktage

Pos.
55/08
BOSCH Lagergehäuse | Ersatzteile für CLASSIC Petrol 43S | F016A58249
Hersteller: BOSCH
Artikelnummer: EB-F016306042-F016A58249
nur Informationsartikel
Nie mehr lieferbar
keine Alternativen
Pos.
55/08/03
BOSCH Dichtring | Ersatzteile für CLASSIC Petrol 43S | F016T40266
Hersteller: BOSCH
Artikelnummer: EB-F016306042-F016T40266
nur Informationsartikel
Nie mehr lieferbar
keine Alternativen
Pos.
55/13
BOSCH Zahnrad | Ersatzteile für CLASSIC Petrol 43S | F016A57590
Hersteller: BOSCH
Artikelnummer: EB-F016306042-F016A57590
nur Informationsartikel
Nie mehr lieferbar
keine Alternativen
Pos.
55/14
BOSCH Einstellstück | Ersatzteile für CLASSIC Petrol 43S | F016A57669
Hersteller: BOSCH
Artikelnummer: EB-F016306042-F016A57669
nur Informationsartikel
Nie mehr lieferbar
keine Alternativen
Pos.
55/15
BOSCH Einstellschraube | Ersatzteile für CLASSIC Petrol 43S | F016A57713
Hersteller: BOSCH
Artikelnummer: EB-F016306042-F016A57713
nur Informationsartikel
Nie mehr lieferbar
keine Alternativen
Pos.
55/16
BOSCH Stecker | Ersatzteile für CLASSIC Petrol 43S | F016A58221
Hersteller: BOSCH
Artikelnummer: EB-F016306042-F016A58221
nur Informationsartikel
Nie mehr lieferbar
keine Alternativen
Pos.
55/17
BOSCH Vierkantwelle | Ersatzteile für CLASSIC Petrol 43S | F016T41057
Hersteller: BOSCH
Artikelnummer: EB-F016306042-F016T41057
nur Informationsartikel
Nie mehr lieferbar
keine Alternativen
Pos.
55/40
BOSCH Gewindeschneidschraube | Ersatzteile für CLASSIC Petrol 43S | F016L35318
Hersteller: BOSCH
Artikelnummer: EB-F016306042-F016L35318
nur Informationsartikel
Nie mehr lieferbar
keine Alternativen
Pos.
55/41
BOSCH Schraube | Ersatzteile für CLASSIC Petrol 43S | F016A58174
Hersteller: BOSCH
Artikelnummer: EB-F016306042-F016A58174
nur Informationsartikel
Nie mehr lieferbar
keine Alternativen
Pos.
55/42
BOSCH Gewindeschneidschraube | Ersatzteile für CLASSIC Petrol 43S | F016A58223
Hersteller: BOSCH
Artikelnummer: EB-F016306042-F016A58223
nur Informationsartikel
Nie mehr lieferbar
keine Alternativen
Pos.
55/43
BOSCH Schraube M6 | Ersatzteile für CLASSIC Petrol 43S | F016A58229
Hersteller: BOSCH
Artikelnummer: EB-F016306042-F016A58229
nur Informationsartikel
Nie mehr lieferbar
keine Alternativen
Pos.
55/44
BOSCH Mutter 1/4 UNF | Ersatzteile für CLASSIC Petrol 43S | F016L06954
Hersteller: BOSCH
Artikelnummer: EB-F016306042-F016L06954
nur Informationsartikel
Nie mehr lieferbar
keine Alternativen
Pos.
55/45
BOSCH Gewindebolzen M6x25 MM | Ersatzteile für CLASSIC Petrol 43S | F016L11371
Hersteller: BOSCH
Artikelnummer: EB-F016306042-F016L11371
Netto: 4,56 € zzgl. MwSt.
zzgl. 6,90 € Versand (brutto)
einmalig pro Bestellung

Lieferzeit: 5 Werktage

Pos.
55/46
BOSCH Unterlegscheibe 8,5 MM | Ersatzteile für CLASSIC Petrol 43S | F016L35316
Hersteller: BOSCH
Artikelnummer: EB-F016306042-F016L35316
Netto: 3,60 € zzgl. MwSt.
zzgl. 6,90 € Versand (brutto)
einmalig pro Bestellung

Lieferzeit: 5 Werktage

Pos.
55/47
BOSCH Sicherungsscheibe | Ersatzteile für CLASSIC Petrol 43S | F016L35389
Hersteller: BOSCH
Artikelnummer: EB-F016306042-F016L35389
Netto: 3,60 € zzgl. MwSt.
zzgl. 6,90 € Versand (brutto)
einmalig pro Bestellung

Lieferzeit: 5 Werktage

Pos.
55/49
BOSCH Feder | Ersatzteile für CLASSIC Petrol 43S | F016T47205
Hersteller: BOSCH
Artikelnummer: EB-F016306042-F016T47205
nur Informationsartikel
Nie mehr lieferbar
keine Alternativen
Pos.
55/50
BOSCH Vorlegscheibe | Ersatzteile für CLASSIC Petrol 43S | F016T49443
Hersteller: BOSCH
Artikelnummer: EB-F016306042-F016T49443
nur Informationsartikel
Nie mehr lieferbar
keine Alternativen
Pos.
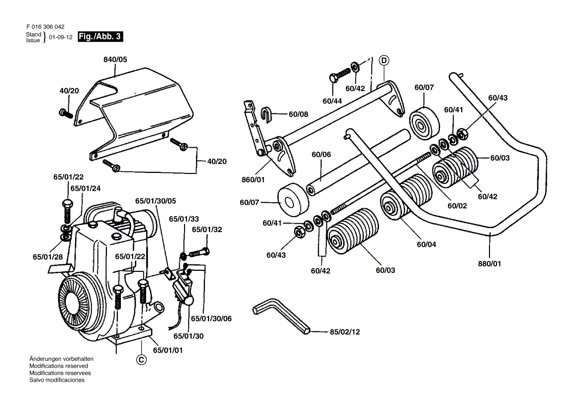
60/02
BOSCH Spindel 17" | Ersatzteile für CLASSIC Petrol 43S | F016L64555
Hersteller: BOSCH
Artikelnummer: EB-F016306042-F016L64555
nur Informationsartikel
Nie mehr lieferbar
keine Alternativen
Pos.
60/03
BOSCH Rolle | Ersatzteile für CLASSIC Petrol 43S | F016T49531
Hersteller: BOSCH
Artikelnummer: EB-F016306042-F016T49531
nur Informationsartikel
Nie mehr lieferbar
keine Alternativen
Pos.
60/06
BOSCH Abstandshülse | Ersatzteile für CLASSIC Petrol 43S | F016A57834
Hersteller: BOSCH
Artikelnummer: EB-F016306042-F016A57834
Netto: 4,56 € zzgl. MwSt.
zzgl. 6,90 € Versand (brutto)
einmalig pro Bestellung

Lieferzeit: 5 Werktage

Pos.
60/07
BOSCH Laufrolle | Ersatzteile für CLASSIC Petrol 43S | F016L22149
Hersteller: BOSCH
Artikelnummer: EB-F016306042-F016L22149
nur Informationsartikel
Nie mehr lieferbar
keine Alternativen
Pos.
60/08
BOSCH Lagerbuchse | Ersatzteile für CLASSIC Petrol 43S | F016A57675
Hersteller: BOSCH
Artikelnummer: EB-F016306042-F016A57675
nur Informationsartikel
Nie mehr lieferbar
keine Alternativen
Pos.
60/09
BOSCH Zapfen L/H | Ersatzteile für CLASSIC Petrol 43S | F016A57748
Hersteller: BOSCH
Artikelnummer: EB-F016306042-F016A57748
Netto: 3,60 € zzgl. MwSt.
zzgl. 6,90 € Versand (brutto)
einmalig pro Bestellung

Lieferzeit: 5 Werktage

Pos.
60/10
BOSCH Kappe | Ersatzteile für CLASSIC Petrol 43S | F016A57676
Hersteller: BOSCH
Artikelnummer: EB-F016306042-F016A57676
Netto: 3,60 € zzgl. MwSt.
zzgl. 6,90 € Versand (brutto)
einmalig pro Bestellung

Lieferzeit: 5 Werktage

Pos.
60/11
BOSCH Feder | Ersatzteile für CLASSIC Petrol 43S | F016A57820
Hersteller: BOSCH
Artikelnummer: EB-F016306042-F016A57820
Netto: 3,94 € zzgl. MwSt.
zzgl. 6,90 € Versand (brutto)
einmalig pro Bestellung

Lieferzeit: 5 Werktage

Pos.
60/12
BOSCH Knopf | Ersatzteile für CLASSIC Petrol 43S | F016102363
Hersteller: BOSCH
Artikelnummer: EB-F016306042-F016102363
nur Informationsartikel
Nie mehr lieferbar
keine Alternativen
Pos.
60/13
BOSCH Einsatz | Ersatzteile für CLASSIC Petrol 43S | F016A58188
Hersteller: BOSCH
Artikelnummer: EB-F016306042-F016A58188
Netto: 4,36 € zzgl. MwSt.
zzgl. 6,90 € Versand (brutto)
einmalig pro Bestellung

Lieferzeit: 5 Werktage

Pos.
60/15
BOSCH Feder | Ersatzteile für CLASSIC Petrol 43S | F016A57995
Hersteller: BOSCH
Artikelnummer: EB-F016306042-F016A57995
nur Informationsartikel
Nie mehr lieferbar
keine Alternativen
Pos.
60/41
BOSCH Federscheibe 5/16 SW SE | Ersatzteile für CLASSIC Petrol 43S | F016L35307
Hersteller: BOSCH
Artikelnummer: EB-F016306042-F016L35307
Netto: 3,60 € zzgl. MwSt.
zzgl. 6,90 € Versand (brutto)
einmalig pro Bestellung

Lieferzeit: 5 Werktage

Pos.
60/42
BOSCH Unterlegscheibe 8,5 MM | Ersatzteile für CLASSIC Petrol 43S | F016L35411
Hersteller: BOSCH
Artikelnummer: EB-F016306042-F016L35411
Netto: 3,60 € zzgl. MwSt.
zzgl. 6,90 € Versand (brutto)
einmalig pro Bestellung

Lieferzeit: 5 Werktage

Pos.
60/43
BOSCH Mutter M8 | Ersatzteile für CLASSIC Petrol 43S | F016L35457
Hersteller: BOSCH
Artikelnummer: EB-F016306042-F016L35457
Netto: 3,60 € zzgl. MwSt.
zzgl. 6,90 € Versand (brutto)
einmalig pro Bestellung

Lieferzeit: 5 Werktage

Pos.
60/44
BOSCH Sechskantschraube WAS 170 | Ersatzteile für CLASSIC Petrol 43S | F016W25213
Hersteller: BOSCH
Artikelnummer: EB-F016306042-F016W25213
nur Informationsartikel
Nie mehr lieferbar
keine Alternativen
Pos.
65/01/01
BOSCH Ersatzteil | Ersatzteile für CLASSIC Petrol 43S | F016A75032
Hersteller: BOSCH
Artikelnummer: EB-F016306042-F016A75032
nur Informationsartikel
Nie mehr lieferbar
keine Alternativen
Pos.
65/01/02
BOSCH Kupplungsstück | Ersatzteile für CLASSIC Petrol 43S | F016A58602
Hersteller: BOSCH
Artikelnummer: EB-F016306042-F016A58602
nur Informationsartikel
Nie mehr lieferbar
keine Alternativen
Pos.
65/01/08
BOSCH Schalthebel | Ersatzteile für CLASSIC Petrol 43S | F016L22758
Hersteller: BOSCH
Artikelnummer: EB-F016306042-F016L22758
nur Informationsartikel
Nie mehr lieferbar
keine Alternativen
Pos.
65/01/09
BOSCH Seilzug | Ersatzteile für CLASSIC Petrol 43S | F016A58034
Hersteller: BOSCH
Artikelnummer: EB-F016306042-F016A58034
nur Informationsartikel
Nie mehr lieferbar
keine Alternativen
Pos.
65/01/22
BOSCH Laufbolzen M8 | Ersatzteile für CLASSIC Petrol 43S | F016A58093
Hersteller: BOSCH
Artikelnummer: EB-F016306042-F016A58093
Netto: 3,60 € zzgl. MwSt.
zzgl. 6,90 € Versand (brutto)
einmalig pro Bestellung

Lieferzeit: 5 Werktage

Pos.
65/01/23
BOSCH Sicherungsmutter M8 | Ersatzteile für CLASSIC Petrol 43S | F016L11218
Hersteller: BOSCH
Artikelnummer: EB-F016306042-F016L11218
nur Informationsartikel
Nie mehr lieferbar
keine Alternativen
Pos.
65/01/25
BOSCH Schraube | Ersatzteile für CLASSIC Petrol 43S | F016L20896
Hersteller: BOSCH
Artikelnummer: EB-F016306042-F016L20896
nur Informationsartikel
Nie mehr lieferbar
keine Alternativen
Pos.
65/01/26
BOSCH Unterlegscheibe | Ersatzteile für CLASSIC Petrol 43S | F016L35302
Hersteller: BOSCH
Artikelnummer: EB-F016306042-F016L35302
Netto: 3,60 € zzgl. MwSt.
zzgl. 6,90 € Versand (brutto)
einmalig pro Bestellung

Lieferzeit: 5 Werktage

Pos.
65/01/27
BOSCH Gewindeschneidschraube M 4x35 | Ersatzteile für CLASSIC Petrol 43S | F016L35303
Hersteller: BOSCH
Artikelnummer: EB-F016306042-F016L35303
nur Informationsartikel
Nie mehr lieferbar
keine Alternativen
Pos.
65/01/28
BOSCH Unterlegscheibe | Ersatzteile für CLASSIC Petrol 43S | F016L10198
Hersteller: BOSCH
Artikelnummer: EB-F016306042-F016L10198
nur Informationsartikel
Nie mehr lieferbar
keine Alternativen
Pos.
65/01/30
BOSCH Schalter | Ersatzteile für CLASSIC Petrol 43S | F016A58561
Hersteller: BOSCH
Artikelnummer: EB-F016306042-F016A58561
nur Informationsartikel
Nie mehr lieferbar
keine Alternativen
Pos.
65/01/30/05
BOSCH Haltearm | Ersatzteile für CLASSIC Petrol 43S | F016A58563
Hersteller: BOSCH
Artikelnummer: EB-F016306042-F016A58563
nur Informationsartikel
Nie mehr lieferbar
keine Alternativen
Pos.
65/01/30/06
BOSCH Schraube | Ersatzteile für CLASSIC Petrol 43S | F016T48535
Hersteller: BOSCH
Artikelnummer: EB-F016306042-F016T48535
Netto: 3,62 € zzgl. MwSt.
zzgl. 6,90 € Versand (brutto)
einmalig pro Bestellung

Lieferzeit: 5 Werktage

Pos.
65/01/32
BOSCH Schraube 5/16 UNF X 5/8 | Ersatzteile für CLASSIC Petrol 43S | F016L20252
Hersteller: BOSCH
Artikelnummer: EB-F016306042-F016L20252
Netto: 3,60 € zzgl. MwSt.
zzgl. 6,90 € Versand (brutto)
einmalig pro Bestellung

Lieferzeit: 5 Werktage

Pos.
65/01/33
BOSCH Unterlegscheibe Ø8,15 MM | Ersatzteile für CLASSIC Petrol 43S | F016T40590
Hersteller: BOSCH
Artikelnummer: EB-F016306042-F016T40590
nur Informationsartikel
Nie mehr lieferbar
keine Alternativen
Pos.
65/12
BOSCH Tankdeckel PCL89/QX | Ersatzteile für CLASSIC Petrol 43S | F016L62783
Hersteller: BOSCH
Artikelnummer: EB-F016306042-F016L62783
nur Informationsartikel
Nie mehr lieferbar
keine Alternativen
Pos.
65/13/01
BOSCH Kraftstoffleitung | Ersatzteile für CLASSIC Petrol 43S | F016103787
Hersteller: BOSCH
Artikelnummer: EB-F016306042-F016103787
nur Informationsartikel
Nie mehr lieferbar
keine Alternativen
Pos.
65/13/03
BOSCH Rohrschelle | Ersatzteile für CLASSIC Petrol 43S | F016A57982
Hersteller: BOSCH
Artikelnummer: EB-F016306042-F016A57982
Netto: 3,60 € zzgl. MwSt.
zzgl. 6,90 € Versand (brutto)
einmalig pro Bestellung

Lieferzeit: 5 Werktage

Pos.
70/01
BOSCH Antriebswelle 17" | Ersatzteile für CLASSIC Petrol 43S | F016A57739
Hersteller: BOSCH
Artikelnummer: EB-F016306042-F016A57739
nur Informationsartikel
Nie mehr lieferbar
keine Alternativen
Pos.
70/02
BOSCH Welle | Ersatzteile für CLASSIC Petrol 43S | F016102295
Hersteller: BOSCH
Artikelnummer: EB-F016306042-F016102295
nur Informationsartikel
Nie mehr lieferbar
keine Alternativen
Pos.
70/03/05
BOSCH Buchse | Ersatzteile für CLASSIC Petrol 43S | F016A57762
Hersteller: BOSCH
Artikelnummer: EB-F016306042-F016A57762
nur Informationsartikel
Nie mehr lieferbar
keine Alternativen
Pos.
70/05/02
BOSCH Buchse | Ersatzteile für CLASSIC Petrol 43S | F016A57761
Hersteller: BOSCH
Artikelnummer: EB-F016306042-F016A57761
nur Informationsartikel
Nie mehr lieferbar
keine Alternativen
Pos.
70/06
BOSCH Scheibe | Ersatzteile für CLASSIC Petrol 43S | F016L08473
Hersteller: BOSCH
Artikelnummer: EB-F016306042-F016L08473
nur Informationsartikel
Nie mehr lieferbar
keine Alternativen
Pos.
70/09
BOSCH Umlenkwalze | Ersatzteile für CLASSIC Petrol 43S | F016102815
Hersteller: BOSCH
Artikelnummer: EB-F016306042-F016102815
nur Informationsartikel
Nie mehr lieferbar
keine Alternativen
Pos.
70/10
BOSCH Zahnriemen | Ersatzteile für CLASSIC Petrol 43S | F016A57940
Hersteller: BOSCH
Artikelnummer: EB-F016306042-F016A57940
nur Informationsartikel
Nie mehr lieferbar
keine Alternativen
Pos.
70/11
BOSCH Keilriemen | Ersatzteile für CLASSIC Petrol 43S | F016A57941
Hersteller: BOSCH
Artikelnummer: EB-F016306042-F016A57941
nur Informationsartikel
Nie mehr lieferbar
keine Alternativen
Pos.
70/16
BOSCH Auflageplatte | Ersatzteile für CLASSIC Petrol 43S | F016A57933
Hersteller: BOSCH
Artikelnummer: EB-F016306042-F016A57933
nur Informationsartikel
Nie mehr lieferbar
keine Alternativen
Pos.
70/18
BOSCH Lagerhalter | Ersatzteile für CLASSIC Petrol 43S | F016102969
Hersteller: BOSCH
Artikelnummer: EB-F016306042-F016102969
nur Informationsartikel
Nie mehr lieferbar
keine Alternativen
Pos.
70/19/02
BOSCH Lagerbuchse | Ersatzteile für CLASSIC Petrol 43S | F016A57764
Hersteller: BOSCH
Artikelnummer: EB-F016306042-F016A57764
nur Informationsartikel
Nie mehr lieferbar
keine Alternativen
Pos.
70/21
BOSCH Distanzstück | Ersatzteile für CLASSIC Petrol 43S | F016A58315
Hersteller: BOSCH
Artikelnummer: EB-F016306042-F016A58315
nur Informationsartikel
Nie mehr lieferbar
keine Alternativen
Pos.
70/22
BOSCH Feder | Ersatzteile für CLASSIC Petrol 43S | F016A58316
Hersteller: BOSCH
Artikelnummer: EB-F016306042-F016A58316
nur Informationsartikel
Nie mehr lieferbar
keine Alternativen
Pos.
70/23
BOSCH Kupplungsstück | Ersatzteile für CLASSIC Petrol 43S | F016L09518
Hersteller: BOSCH
Artikelnummer: EB-F016306042-F016L09518
nur Informationsartikel
Nie mehr lieferbar
keine Alternativen
Pos.
70/24
BOSCH Halter | Ersatzteile für CLASSIC Petrol 43S | F016L66172
Hersteller: BOSCH
Artikelnummer: EB-F016306042-F016L66172
nur Informationsartikel
Nie mehr lieferbar
keine Alternativen
Pos.
70/25
BOSCH Beilegring | Ersatzteile für CLASSIC Petrol 43S | F016A57780
Hersteller: BOSCH
Artikelnummer: EB-F016306042-F016A57780
nur Informationsartikel
Nie mehr lieferbar
keine Alternativen
Pos.
70/28
BOSCH Kugellager | Ersatzteile für CLASSIC Petrol 43S | F016A57838
Hersteller: BOSCH
Artikelnummer: EB-F016306042-F016A57838
Netto: 13,81 € zzgl. MwSt.
zzgl. 6,90 € Versand (brutto)
einmalig pro Bestellung

Lieferzeit: 5 Werktage

Pos.
70/29
BOSCH Regelfeder | Ersatzteile für CLASSIC Petrol 43S | F016A58531
Hersteller: BOSCH
Artikelnummer: EB-F016306042-F016A58531
nur Informationsartikel
Nie mehr lieferbar
keine Alternativen
Pos.
70/30
BOSCH Regelfeder | Ersatzteile für CLASSIC Petrol 43S | F016A58530
Hersteller: BOSCH
Artikelnummer: EB-F016306042-F016A58530
nur Informationsartikel
Nie mehr lieferbar
keine Alternativen
Pos.
70/32
BOSCH Feder | Ersatzteile für CLASSIC Petrol 43S | F016L08487
Hersteller: BOSCH
Artikelnummer: EB-F016306042-F016L08487
nur Informationsartikel
Nie mehr lieferbar
keine Alternativen
Pos.
70/34
BOSCH Lagerzapfen | Ersatzteile für CLASSIC Petrol 43S | F016A58422
Hersteller: BOSCH
Artikelnummer: EB-F016306042-F016A58422
nur Informationsartikel
Nie mehr lieferbar
keine Alternativen
Pos.
70/35
BOSCH Riemenscheibe | Ersatzteile für CLASSIC Petrol 43S | F016102067
Hersteller: BOSCH
Artikelnummer: EB-F016306042-F016102067
nur Informationsartikel
Nie mehr lieferbar
keine Alternativen
Pos.
70/41
BOSCH Sicherungsring | Ersatzteile für CLASSIC Petrol 43S | F016A57759
Hersteller: BOSCH
Artikelnummer: EB-F016306042-F016A57759
nur Informationsartikel
Nie mehr lieferbar
keine Alternativen
Pos.
70/42
BOSCH Scheibe | Ersatzteile für CLASSIC Petrol 43S | F016A57907
Hersteller: BOSCH
Artikelnummer: EB-F016306042-F016A57907
Netto: 3,60 € zzgl. MwSt.
zzgl. 6,90 € Versand (brutto)
einmalig pro Bestellung

Lieferzeit: 5 Werktage

Pos.
70/43
BOSCH Unterlegscheibe | Ersatzteile für CLASSIC Petrol 43S | F016L09707
Hersteller: BOSCH
Artikelnummer: EB-F016306042-F016L09707
Netto: 3,60 € zzgl. MwSt.
zzgl. 6,90 € Versand (brutto)
einmalig pro Bestellung

Lieferzeit: 5 Werktage

Pos.
70/45
BOSCH Unterlegscheibe | Ersatzteile für CLASSIC Petrol 43S | F016L17849
Hersteller: BOSCH
Artikelnummer: EB-F016306042-F016L17849
Netto: 3,60 € zzgl. MwSt.
zzgl. 6,90 € Versand (brutto)
einmalig pro Bestellung

Lieferzeit: 5 Werktage

Pos.
70/46
BOSCH Sechskantschraube M6x12 | Ersatzteile für CLASSIC Petrol 43S | F016L18120
Hersteller: BOSCH
Artikelnummer: EB-F016306042-F016L18120
nur Informationsartikel
Nie mehr lieferbar
keine Alternativen
Pos.
70/47
BOSCH Klemmutter M12 | Ersatzteile für CLASSIC Petrol 43S | F016L18605
Hersteller: BOSCH
Artikelnummer: EB-F016306042-F016L18605
Netto: 3,60 € zzgl. MwSt.
zzgl. 6,90 € Versand (brutto)
einmalig pro Bestellung

Lieferzeit: 5 Werktage

Pos.
70/48
BOSCH Mutter M12 | Ersatzteile für CLASSIC Petrol 43S | F016L23210
Hersteller: BOSCH
Artikelnummer: EB-F016306042-F016L23210
nur Informationsartikel
Nie mehr lieferbar
keine Alternativen
Pos.
70/51
BOSCH Gewindeschneidschraube M6 | Ersatzteile für CLASSIC Petrol 43S | F016L35387
Hersteller: BOSCH
Artikelnummer: EB-F016306042-F016L35387
Netto: 3,60 € zzgl. MwSt.
zzgl. 6,90 € Versand (brutto)
einmalig pro Bestellung

Lieferzeit: 5 Werktage

Pos.
70/52
BOSCH Sicherungsmutter M6 | Ersatzteile für CLASSIC Petrol 43S | F016L35388
Hersteller: BOSCH
Artikelnummer: EB-F016306042-F016L35388
nur Informationsartikel
Nie mehr lieferbar
keine Alternativen
Pos.
70/55
BOSCH Scheibe | Ersatzteile für CLASSIC Petrol 43S | F016T42988
Hersteller: BOSCH
Artikelnummer: EB-F016306042-F016T42988
nur Informationsartikel
Nie mehr lieferbar
keine Alternativen
Pos.
70/56
BOSCH Laufbolzen | Ersatzteile für CLASSIC Petrol 43S | F016T48017
Hersteller: BOSCH
Artikelnummer: EB-F016306042-F016T48017
nur Informationsartikel
Nie mehr lieferbar
keine Alternativen
Pos.
75/03
BOSCH Klemmbügel | Ersatzteile für CLASSIC Petrol 43S | F016102053
Hersteller: BOSCH
Artikelnummer: EB-F016306042-F016102053
nur Informationsartikel
Nie mehr lieferbar
keine Alternativen
Pos.
75/04
BOSCH Klemmbügel | Ersatzteile für CLASSIC Petrol 43S | F016102054
Hersteller: BOSCH
Artikelnummer: EB-F016306042-F016102054
nur Informationsartikel
Nie mehr lieferbar
keine Alternativen
Pos.
75/05
BOSCH Hebel | Ersatzteile für CLASSIC Petrol 43S | F016103833
Hersteller: BOSCH
Artikelnummer: EB-F016306042-F016103833
nur Informationsartikel
Nie mehr lieferbar
keine Alternativen
Pos.
75/06
BOSCH Schalthebel | Ersatzteile für CLASSIC Petrol 43S | F016L36714
Hersteller: BOSCH
Artikelnummer: EB-F016306042-F016L36714
nur Informationsartikel
Nie mehr lieferbar
keine Alternativen
Pos.
75/08
BOSCH Halter | Ersatzteile für CLASSIC Petrol 43S | F016L36717
Hersteller: BOSCH
Artikelnummer: EB-F016306042-F016L36717
nur Informationsartikel
Nie mehr lieferbar
keine Alternativen
Pos.
75/09
BOSCH Buchse | Ersatzteile für CLASSIC Petrol 43S | F016L36719
Hersteller: BOSCH
Artikelnummer: EB-F016306042-F016L36719
nur Informationsartikel
Nie mehr lieferbar
keine Alternativen
Pos.
75/10
BOSCH Sicherungskappe Ø8 MM SCHWARZ | Ersatzteile für CLASSIC Petrol 43S | F016T48990
Hersteller: BOSCH
Artikelnummer: EB-F016306042-F016T48990
Netto: 3,60 € zzgl. MwSt.
zzgl. 6,90 € Versand (brutto)
einmalig pro Bestellung

Lieferzeit: 5 Werktage

Pos.
75/11
BOSCH Seilzug | Ersatzteile für CLASSIC Petrol 43S | F016A58035
Hersteller: BOSCH
Artikelnummer: EB-F016306042-F016A58035
nur Informationsartikel
Nie mehr lieferbar
keine Alternativen
Pos.
75/12
BOSCH Einstellstück | Ersatzteile für CLASSIC Petrol 43S | F016A58040
Hersteller: BOSCH
Artikelnummer: EB-F016306042-F016A58040
nur Informationsartikel
Nie mehr lieferbar
keine Alternativen
Pos.
75/13
BOSCH Ersatzteil | Ersatzteile für CLASSIC Petrol 43S | F016103130
Hersteller: BOSCH
Artikelnummer: EB-F016306042-F016103130
nur Informationsartikel
Nie mehr lieferbar
keine Alternativen
Pos.
75/25
BOSCH Mutter M6 | Ersatzteile für CLASSIC Petrol 43S | F016L35329
Hersteller: BOSCH
Artikelnummer: EB-F016306042-F016L35329
Netto: 3,94 € zzgl. MwSt.
zzgl. 6,90 € Versand (brutto)
einmalig pro Bestellung

Lieferzeit: 5 Werktage

Pos.
75/26
BOSCH Schraube M5x32 | Ersatzteile für CLASSIC Petrol 43S | F016L36722
Hersteller: BOSCH
Artikelnummer: EB-F016306042-F016L36722
Netto: 3,60 € zzgl. MwSt.
zzgl. 6,90 € Versand (brutto)
einmalig pro Bestellung

Lieferzeit: 5 Werktage

Pos.
75/27
BOSCH Mutter M5 | Ersatzteile für CLASSIC Petrol 43S | F016L36836
Hersteller: BOSCH
Artikelnummer: EB-F016306042-F016L36836
Netto: 3,60 € zzgl. MwSt.
zzgl. 6,90 € Versand (brutto)
einmalig pro Bestellung

Lieferzeit: 5 Werktage

Pos.
75/28
BOSCH Unterlegscheibe | Ersatzteile für CLASSIC Petrol 43S | F016T48727
Hersteller: BOSCH
Artikelnummer: EB-F016306042-F016T48727
Netto: 4,56 € zzgl. MwSt.
zzgl. 6,90 € Versand (brutto)
einmalig pro Bestellung

Lieferzeit: 5 Werktage

Pos.
80/02
BOSCH Auffangbehälter | Ersatzteile für CLASSIC Petrol 43S | F016103791
Hersteller: BOSCH
Artikelnummer: EB-F016306042-F016103791
nur Informationsartikel
Nie mehr lieferbar
keine Alternativen
Pos.
840/01
BOSCH Teilesatz 17" | Ersatzteile für CLASSIC Petrol 43S | F016103400
Hersteller: BOSCH
Artikelnummer: EB-F016306042-F016103400
nur Informationsartikel
Nie mehr lieferbar
keine Alternativen
Pos.
840/05
BOSCH Schutzhaube | Ersatzteile für CLASSIC Petrol 43S | F016S50096
Hersteller: BOSCH
Artikelnummer: EB-F016306042-F016S50096
nur Informationsartikel
Nie mehr lieferbar
keine Alternativen
Pos.
85/02/12
BOSCH Stiftschlüssel | Ersatzteile für CLASSIC Petrol 43S | F016A58230
Hersteller: BOSCH
Artikelnummer: EB-F016306042-F016A58230
Netto: 3,60 € zzgl. MwSt.
zzgl. 6,90 € Versand (brutto)
einmalig pro Bestellung

Lieferzeit: 5 Werktage

Pos.
85/02/14
BOSCH Kabelklemme | Ersatzteile für CLASSIC Petrol 43S | F016T49524
Hersteller: BOSCH
Artikelnummer: EB-F016306042-F016T49524
Netto: 3,94 € zzgl. MwSt.
zzgl. 6,90 € Versand (brutto)
einmalig pro Bestellung

Lieferzeit: 5 Werktage

Pos.
855/03
BOSCH Handgriff | Ersatzteile für CLASSIC Petrol 43S | F016S50035
Hersteller: BOSCH
Artikelnummer: EB-F016306042-F016S50035
nur Informationsartikel
Nie mehr lieferbar
keine Alternativen
Pos.
855/04
BOSCH Ablenkplatte | Ersatzteile für CLASSIC Petrol 43S | F016102070
Hersteller: BOSCH
Artikelnummer: EB-F016306042-F016102070
nur Informationsartikel
Nie mehr lieferbar
keine Alternativen
Pos.
855/05
BOSCH Untermesser 17" | Ersatzteile für CLASSIC Petrol 43S | F016101517
Hersteller: BOSCH
Artikelnummer: EB-F016306042-F016101517
nur Informationsartikel
Nie mehr lieferbar
keine Alternativen
Pos.
860/01
BOSCH Rollenträger | Ersatzteile für CLASSIC Petrol 43S | F016S50042
Hersteller: BOSCH
Artikelnummer: EB-F016306042-F016S50042
nur Informationsartikel
Nie mehr lieferbar
keine Alternativen
Pos.
865/11
BOSCH Kraftstoffbehälter | Ersatzteile für CLASSIC Petrol 43S | F016102376
Hersteller: BOSCH
Artikelnummer: EB-F016306042-F016102376
nur Informationsartikel
Nie mehr lieferbar
keine Alternativen
Pos.
870/03
BOSCH Getriebeeinheit | Ersatzteile für CLASSIC Petrol 43S | F016102377
Hersteller: BOSCH
Artikelnummer: EB-F016306042-F016102377
nur Informationsartikel
Nie mehr lieferbar
keine Alternativen
Pos.
870/04
BOSCH Riemenscheibe | Ersatzteile für CLASSIC Petrol 43S | F016103221
Hersteller: BOSCH
Artikelnummer: EB-F016306042-F016103221
nur Informationsartikel
Nie mehr lieferbar
keine Alternativen
Pos.
870/05
BOSCH Zahnrad | Ersatzteile für CLASSIC Petrol 43S | F016102379
Hersteller: BOSCH
Artikelnummer: EB-F016306042-F016102379
nur Informationsartikel
Nie mehr lieferbar
keine Alternativen
Pos.
870/07
BOSCH Rolle | Ersatzteile für CLASSIC Petrol 43S | F016102282
Hersteller: BOSCH
Artikelnummer: EB-F016306042-F016102282
nur Informationsartikel
Nie mehr lieferbar
keine Alternativen
Pos.
870/13
BOSCH Getriebebock S/A | Ersatzteile für CLASSIC Petrol 43S | F016102378
Hersteller: BOSCH
Artikelnummer: EB-F016306042-F016102378
nur Informationsartikel
Nie mehr lieferbar
keine Alternativen
Pos.
870/14
BOSCH Führungsstein | Ersatzteile für CLASSIC Petrol 43S | F016102818
Hersteller: BOSCH
Artikelnummer: EB-F016306042-F016102818
nur Informationsartikel
Nie mehr lieferbar
keine Alternativen
Pos.
870/17
BOSCH Gurtbringer | Ersatzteile für CLASSIC Petrol 43S | F016103152
Hersteller: BOSCH
Artikelnummer: EB-F016306042-F016103152
nur Informationsartikel
Nie mehr lieferbar
keine Alternativen
Pos.
870/19
BOSCH Halterung | Ersatzteile für CLASSIC Petrol 43S | F016102382
Hersteller: BOSCH
Artikelnummer: EB-F016306042-F016102382
nur Informationsartikel
Nie mehr lieferbar
keine Alternativen
Pos.
875/01
BOSCH Handgriff | Ersatzteile für CLASSIC Petrol 43S | F016S50101
Hersteller: BOSCH
Artikelnummer: EB-F016306042-F016S50101
Netto: 11,58 € zzgl. MwSt.
zzgl. 6,90 € Versand (brutto)
einmalig pro Bestellung

Lieferzeit: 5 Werktage

Pos.
880/01
BOSCH Stützrohr | Ersatzteile für CLASSIC Petrol 43S | F016103783
Hersteller: BOSCH
Artikelnummer: EB-F016306042-F016103783
nur Informationsartikel
Nie mehr lieferbar
keine Alternativen
Pos.
850
BOSCH Walze 17" | Ersatzteile für CLASSIC Petrol 43S | F016103215
Hersteller: BOSCH
Artikelnummer: EB-F016306042-F016103215
nur Informationsartikel
Nie mehr lieferbar
keine Alternativen
Pos.
855
BOSCH Kassette | Ersatzteile für CLASSIC Petrol 43S | F016102962
Hersteller: BOSCH
Artikelnummer: EB-F016306042-F016102962
nur Informationsartikel
Nie mehr lieferbar
keine Alternativen
Pos.
8756
BOSCH Reparatursatz | Ersatzteile für CLASSIC Petrol 43S | F016L37700
Hersteller: BOSCH
Artikelnummer: EB-F016306042-F016L37700
nur Informationsartikel
Nie mehr lieferbar
keine Alternativen

Angaben zur Produktsicherheit

Hersteller:
Robert Bosch Power Tools GmbH
Postfach 30 02 20
70442 Stuttgart

E-Mail:
kontakt@bosch.de